华能汕头海门发电有限责任公司X63723120009硅酸铝保温棉技术参数规范.docx

上传人:p** 文档编号:830941 上传时间:2024-03-15 格式:DOCX 页数:4 大小:20.86KB
下载 相关 举报
华能汕头海门发电有限责任公司X63723120009硅酸铝保温棉技术参数规范.docx_第1页
第1页 / 共4页
华能汕头海门发电有限责任公司X63723120009硅酸铝保温棉技术参数规范.docx_第2页
第2页 / 共4页
华能汕头海门发电有限责任公司X63723120009硅酸铝保温棉技术参数规范.docx_第3页
第3页 / 共4页
华能汕头海门发电有限责任公司X63723120009硅酸铝保温棉技术参数规范.docx_第4页
第4页 / 共4页
亲,该文档总共4页,全部预览完了,如果喜欢就下载吧!
资源描述

《华能汕头海门发电有限责任公司X63723120009硅酸铝保温棉技术参数规范.docx》由会员分享,可在线阅读,更多相关《华能汕头海门发电有限责任公司X63723120009硅酸铝保温棉技术参数规范.docx(4页珍藏版)》请在第壹文秘上搜索。

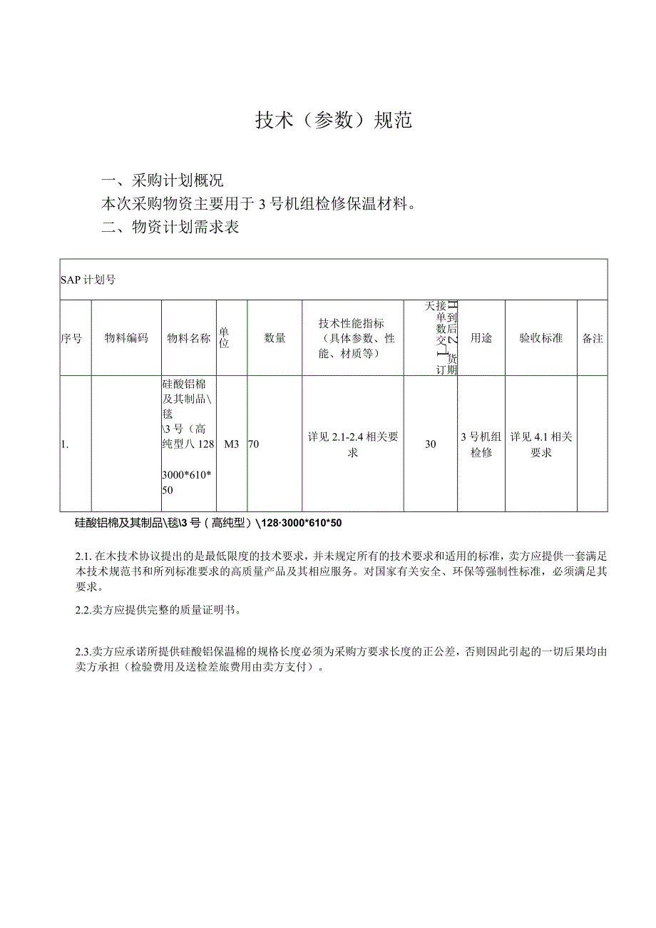
1、华能汕头海门发电有限责任公司X硅酸铝保温棉技术(参数)规范批准:审核:编制:技术(参数)规范一、采购计划概况本次采购物资主要用于3号机组检修保温材料。二、物资计划需求表SAP计划号序号物料编码物料名称单位数量技术性能指标(具体参数、性能、材质等)H到后2_货期接单数交1订天用途验收标准备注1.硅酸铝棉及其制品毯3号(高纯型八1283000*610*50M370详见2.1-2.4相关要求303号机组检修详见4.1相关要求硅酸铝棉及其制品毯3号(高纯型)1283000*610*502.1.在木技术协议提出的是最低限度的技术要求,并未规定所有的技术要求和适用的标准,卖方应提供一套满足本技术规范书和所

2、列标准要求的高质量产品及其相应服务。对国家有关安全、环保等强制性标准,必须满足其要求。2.2.卖方应提供完整的质量证明书。2.3.卖方应承诺所提供硅酸铝保温棉的规格长度必须为采购方要求长度的正公差,否则因此引起的一切后果均由卖方承担(检验费用及送检差旅费用由卖方支付)。2.4.技术参数标准(应满足GBT16400-2015绝热用硅酸铝棉及其制品国家标准):项目设计要求值分类温度(3号)1250C氧化铝含量(ALOb)%243.0氧化铝+二氧化硅含量298.5渣球含量(粒径大于0.212mm)20%体积密度(允许偏差)kgm312815%加热永久线变化(IOoOC8h)(%)2-5.0%导热系数

3、W/(mK)(平均温度500)0.156抗拉强度指标kPa221吸湿率5%三、验收选择方式(可多选)口外送检验口内部检验因例行验收四、质保期约定及售后服务4.1. 硅酸铝棉检验要求4.1.1. 卖方所供以上材料进库前必须提供产品合格证及该批次按协议规定的第三方检测报告(检测报告应具备的技术参数详见技术数据表,技术参数应满足技术规范书中的技术要求和性能要求)。所出示的检测报告中技术数据应全部满足技术规范书中的要求,合格后方需入库,否则视为不合格产品,买方有理由予以不接受,由此所产生的一切后果由卖方承担;每批次检验费用及送检差旅费用由卖方支付。4.1.2. 如产品出现质量问题,由卖方承担相关责任及赔偿买方因此而造成的经济损失。4.1.3.卖方所提供的产品检验指标考核量化值如下:检验项目检验数据与指标偏差范围(规范允许范围除外)量化考核备注渣球含量+5%及以内每批次扣罚五千元以每批次检验报告为依据+5%以上每批次扣罚一万元密度5%及以内每批次扣罚五千元-5%以下每批次扣罚一万元导热系数+5%及以内每批次扣罚五千元+5%以上每批次扣罚一万元抗拉强度5%及以内每批次扣罚五千元-5%以下每批次扣罚一万元4.2质保期一年五、其他无

展开阅读全文
相关资源
猜你喜欢
相关搜索

当前位置:首页 > 行业资料 > 国内外标准规范

copyright@ 2008-2023 1wenmi网站版权所有

经营许可证编号:宁ICP备2022001189号-1

本站为文档C2C交易模式,即用户上传的文档直接被用户下载,本站只是中间服务平台,本站所有文档下载所得的收益归上传人(含作者)所有。第壹文秘仅提供信息存储空间,仅对用户上传内容的表现方式做保护处理,对上载内容本身不做任何修改或编辑。若文档所含内容侵犯了您的版权或隐私,请立即通知第壹文秘网,我们立即给予删除!