国兴煤业工作面矿用隔爆兼本质安全型多回路真空电磁启动器技术规格书.docx

上传人:p** 文档编号:83914 上传时间:2022-12-20 格式:DOCX 页数:5 大小:22.22KB
下载 相关 举报
国兴煤业工作面矿用隔爆兼本质安全型多回路真空电磁启动器技术规格书.docx_第1页
第1页 / 共5页
国兴煤业工作面矿用隔爆兼本质安全型多回路真空电磁启动器技术规格书.docx_第2页
第2页 / 共5页
国兴煤业工作面矿用隔爆兼本质安全型多回路真空电磁启动器技术规格书.docx_第3页
第3页 / 共5页
国兴煤业工作面矿用隔爆兼本质安全型多回路真空电磁启动器技术规格书.docx_第4页
第4页 / 共5页
国兴煤业工作面矿用隔爆兼本质安全型多回路真空电磁启动器技术规格书.docx_第5页
第5页 / 共5页
亲,该文档总共5页,全部预览完了,如果喜欢就下载吧!
资源描述

《国兴煤业工作面矿用隔爆兼本质安全型多回路真空电磁启动器技术规格书.docx》由会员分享,可在线阅读,更多相关《国兴煤业工作面矿用隔爆兼本质安全型多回路真空电磁启动器技术规格书.docx(5页珍藏版)》请在第壹文秘上搜索。

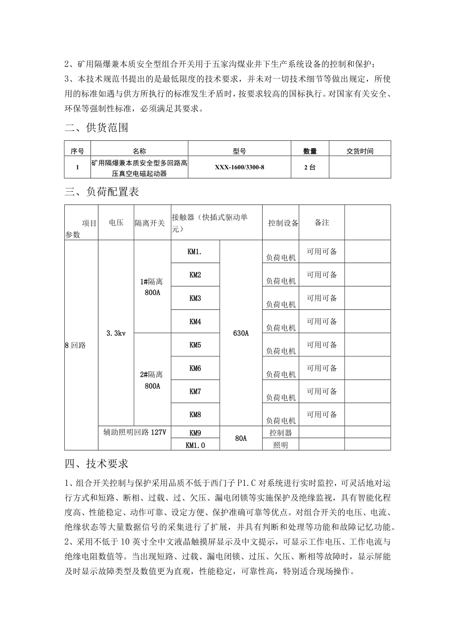
1、ChinaCoaI国兴煤业工作面矿用隔爆兼本质安全型多回路真空电磁启动器技术规格书山西朔州平鲁区国兴煤业有限公司2022年3月一、总则1、五家沟煤业工作面组合开关的技术要求。2、矿用隔爆兼本质安全型组合开关用于五家沟煤业井下生产系统设备的控制和保护;3、本技术规范书提出的是最低限度的技术要求,并未对一切技术细节等做出规定,所使用的标准如遇与供方所执行的标准发生矛盾时,按要求较高的国标执行。对国家有关安全、环保等强制性标准,必须满足其要求。二、供货范围序号名称型号数量交货时间1矿用隔爆兼本质安全型多回路高压真空电磁起动器XXX-1600/3300-82台三、负荷配置表项目参数电压隔离开关接触器(

2、快插式驱动单元)控制设备备注8回路3.3kv1#隔离800AKM1.630A负荷电机可用可备KM2负荷电机可用可备KM3负荷电机可用可备KM4负荷电机可用可备2#隔离800AKM5负荷电机可用可备KM6负荷电机可用可备KM7负荷电机可用可备KM8负荷电机可用可备辅助照明回路127VKM980A控制器KM1.O照明四、技术要求1、组合开关控制与保护采用品质不低于西门子P1.C对系统进行实时监控,可灵活地对运行方式和短路、断相、过载、过、欠压、漏电闭锁等实施保护及绝缘监视,具有智能化程度高、性能稳定、动作可靠、设定方便、保护准确可靠等优点。对组合开关的电压、电流、绝缘状态等大量数据信号的采集进行了

3、扩展,并具有判断和处理等功能和故障记忆功能。2、采用不低于10英寸全中文液晶触摸屏显示及中文提示,可显示工作电压、工作电流与绝缘电阻数值等。当出现短路、过载、漏电闭锁、过压、欠压、断相等故障时,显示屏能及时显示故障类型及数值更为直观,性能稳定,可靠性高,特别适合现场操作。3、键盘功能:采用16位本安键盘进行参数设定,操作轻松简单,按键材质为不锈钢制作经久耐用,参数设定时通过选择相应画面,用按键组合来进行参数设定,参数整定完成后需检查并确认整定参数进入下一项参数,整定有错误时,系统自动提示错误,有效的杜绝了参数整定错误的问题。4、控制方式:具有顺序控制、单机控制、单机双速控制、双机双速控制、三机

4、双速控制。而且在键盘上实现近控合、分闸、对工作方式设定、各项保护试验、各项保护所需的参数进行修改、设定,及能调出存储的各种数据。5、组合开关短路保护采用熔断器和P1.C双重保护。6、组合开关设有标准的RS485通讯接口,可与矿自动化系统汇接,能将各设备运行参数传输到地面控制中心,并能接受控制中心指令,实现设备的遥控。7、组合开关所有中间继电器品质不低于西门子。8、型号xxx-1600/3300-88.1、设备技术参数额定电压(V):3300额定频率(Hz):50额定电流(A):总电流1600制造标准:Q/CBK002-2018防爆标准:GB3836.1-2010.GB3836.2-2010GB

5、3836.4-2010MT1.11-20118.2、隔离开关数量:2台额定电压(V):3300额定电流(A):800操作方式:手动换向方式:手动机械寿命:210000次8.3、主接触器数量:8台安装方式:快插模块式额定电压(V):3300额定电流(A):630额定频率(HZ):50额定闭合电流(峰值):IOIe动态稳定电流(KA):9KA热稳定电流(1秒):8Ie闭合时间(ms):90ms断开时间(ms):20ms机械寿命(次):500万次电气寿命(次):100万次操作频率(次/小时):720次线圈可靠吸合电压():60%-130%短路电流整定:3-10倍时间一电流特性曲线:反时限8.4电缆进

6、、出线连接装置进线:4个500A/3300快速连接插头,可穿入不大于120平方的橡套电缆;出线:8个800A/3300快速连接插头,可穿入不大于150平方的橡套电缆;控制线:8个(A3控制线喇叭嘴)可穿入不大于623mm的橡套电缆;8.5辅助电源变压器:容量:5KVA接触器:280A输出方式:快插式(容量:225A);输出电压:可输出两路127V照明电压;8.6保护:过载:反时限,整定1630;短路:整定值(3-10)Ie;相平衡:任意两相电流,持续相差0.58倍2min以上时,断相保护动作;漏电闭锁:动作值WIOOK/3300V;过电压:130%Ue;欠电压:60%Ue;机械-电气闭锁:隔离

7、开关处于断开位置时,主腔前门才能打开;解锁开关处于解锁位置,隔离开关不能操作;真空接触器分断后,隔离开关才能换相;先导线路保护:具有先导短路、先导断路保护,可以实现与华宁工作面集中控制系统语言报警功能。9、数据传输方式和技术参数详细说明配有RS485总线接口和RJ45网端接口,支持MODBUS/PROFIBUS总线协议(波特率9.6Kpbs-12Mpbs),通过该接口可与煤矿用户的总线设备连接,实现远程遥信、遥测、遥控、遥调等功能。将运行状态和工作参数等信息的远传和设备的程序控制、电压、电流、设备开停、故障状态、故障记忆等参数通过标准的RS485和以太网接口传输到工作面在线监测系统和地面控制中

8、心。10、本质安全先导回路说明采用电子线路控制模块控制J,出口开路电压小于15V,出口短路电流小于IOmA,线路中串入二极管,防止控制线路短路时导致误起动。可以实现采煤机和刮板机闭锁。11、主腔采用快开门形式,主腔门与隔离换相开关之间装有可靠的机械联锁,只有当隔离换相开关都处于断开位置时,主腔门才能打开;当主腔门打开后,以正常的操作方法不能使任意隔离换相开关闭合。12、隔离换相开关与真空接触器之间应有可靠的电气联锁,真空接触器可靠断开时,隔离换相开关才能转换位置。14、组合开关的所有接地与外壳接地均有防腐措施处理,并有接地铜名牌标识。五、售后服务:1、无论质量保证期内外,当设备出现故障,在接到用户电话通知后2小时内给予答复。24小时到达服务现场,该设备终身提供免费技术指导支持。2、在接到甲方采购零配件及易损件的通知后,我方保证及时的供应零配件及易损件,满足甲方的要求。3、提供产品合格证、使用说明书、系统图(含电子版U盘备份)三份,5、本协议书的条款为订货合同的附件,与合同正文具有同等效力。未尽事宜,双方协商解决。

展开阅读全文
相关资源
猜你喜欢
相关搜索

当前位置:首页 > 行业资料 > 矿业工程

copyright@ 2008-2023 1wenmi网站版权所有

经营许可证编号:宁ICP备2022001189号-1

本站为文档C2C交易模式,即用户上传的文档直接被用户下载,本站只是中间服务平台,本站所有文档下载所得的收益归上传人(含作者)所有。第壹文秘仅提供信息存储空间,仅对用户上传内容的表现方式做保护处理,对上载内容本身不做任何修改或编辑。若文档所含内容侵犯了您的版权或隐私,请立即通知第壹文秘网,我们立即给予删除!