照明施工图设计说明(纵一路).docx

上传人:p** 文档编号:840617 上传时间:2024-03-15 格式:DOCX 页数:10 大小:47.01KB
下载 相关 举报
照明施工图设计说明(纵一路).docx_第1页
第1页 / 共10页
照明施工图设计说明(纵一路).docx_第2页
第2页 / 共10页
照明施工图设计说明(纵一路).docx_第3页
第3页 / 共10页
照明施工图设计说明(纵一路).docx_第4页
第4页 / 共10页
照明施工图设计说明(纵一路).docx_第5页
第5页 / 共10页
照明施工图设计说明(纵一路).docx_第6页
第6页 / 共10页
照明施工图设计说明(纵一路).docx_第7页
第7页 / 共10页
照明施工图设计说明(纵一路).docx_第8页
第8页 / 共10页
照明施工图设计说明(纵一路).docx_第9页
第9页 / 共10页
照明施工图设计说明(纵一路).docx_第10页
第10页 / 共10页
亲,该文档总共10页,全部预览完了,如果喜欢就下载吧!
资源描述

《照明施工图设计说明(纵一路).docx》由会员分享,可在线阅读,更多相关《照明施工图设计说明(纵一路).docx(10页珍藏版)》请在第壹文秘上搜索。

1、照明施工图设计说明一、工程概况及设计范围I.工程概况本工程为水环境综合治理项目-纵路期建设工程,为秀山县纵路中的其中段,项目位于乌杨街道西部新城片区,本次设计道路北起渝秀大道,顺接规划纵一路,向南分别经过规划道路一(城市支路)、规划道路二(城市次干道)、规划道路三(城市支路),南侧终点与现状学府大道(城市主干道)相交。道路全长773.987m(设计范围KOOI7.3O6K0+791.293段)。道路等级为城市主干道,设计时速采用60kmh,标准路幅宽度为44m(双向6车道+非机动车2车道),同时在人行动两侧设置IOm的绿化带,道路全线无平曲线。为沥青路面。2.设计范围1)道路照明系统2)道路照

2、明供配电系统3)道路照明安全接地系统3.与相关部门、专业的界面1)本工程道路照明电源接入纵一路与学府大道交叉路口南侧的己建照明箱变,新建配电箱并直接由上述位置取电,本路段不再单独设置照明专用变压器。2)道路照明前期采用自动控制和手动控制,并带手动控制相结合的方式,并预留通信接口,统接入路灯管理处的四遥控制系统。控制部分屈当地照明管理部门设计范围。二、设计依据1 .合同依据根据设计合同及甲方提供的相关资料2 .采用标准规范1)城市道路照明设计标准CJJ45-20152)低压配电设计规范GB50054-20113)城市道路工程设计规范CJJ37-2012(2016版)4)供配电系统设计规范GB55

3、2-2OO95)建筑物防雷设计规范GB557-20106)LED城市道路照明应用技术要求GBT31832-20157)道路照明用LED灯性能要求GBT24907-20108)电力工程电缆设计标准GB50217-20189)城市道路照明工程施工及验收规程CJJ89-201210)电气装置安装工程接地装置施工及验收规范GB50169-201611)建筑机电工程抗震设计规范GB50981-201412)建筑与市政工程抗震通用规范GB55OO2-2O2I13)城市道路工程设计规范CJJ37-2012(2016年版)14)建筑环境通用规范GB55016-202115)建筑电气与智能化通用规范GB5502

4、4-202216)城市道路交通工程项目规范GB55011-202117)市容环卫工程项目规范GB55013-202118)设计合同及甲方提供的相关资料。19)本院道路等其他专业提供的相关资料3 .上阶段审查意见及执行情况1、设计说明第12.7.1条要求道路照明供电干线采用YJV-0.6lkV,与箱变系统图选用的FS-YJV不符。回复:按意见修改,箱变系统图的“FS-YJV”修改为mYJVmo2、补充综合杆设计说明。回复:按意见在初步设计说明补充“12.9综合杆设计”。3、箱变系统图,宜按设计说明表12.6-1用电负荷分类对“其他用电预留”供电回路设置电能计量装置。回复:按意见修改,箱变系统图中

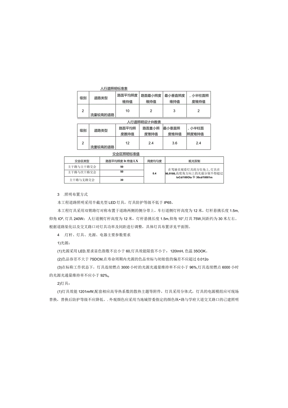
5、对“其他用电预留”供电回路设置电能计量装置。三、照明供电及控制系统1 .负荷分级本工程照明用电负荷为三级负荷。2 .供电电源本工程照明用电设备总容量为24.5kW.综合考虑低压供电半径的影响及供配电系统的经济性,考虑在纵一路与学府大道交叉路口设置1台室外照明配电箱ALl,配电箱电源引自人行道照明标准表级别道路类型路面平均照度维持值路面最小照度维持值最小垂直照度维持值,小半柱面照度维持值2流量较高的道路10232人行道照明设计弁数表级别道路类型路面平均照路面量小照最小垂直照,小半柱面度雒持值度雏持值度维持值照度雉持值2流量较高的道路122.43.62.4交会区照明标准值交会区类型路面平均照度It

6、挎值LX用度均匀度眩光双制主干路与主干路交会500.4在驾驶员观看灯具的方位角上,灯具在90,fl180,高度角方向上的光强分别不得超过IoCd/100Ola和30cd10001m主干路与次干路交会50主干路与支路交会303 .照明布置方式本工程道路照明采用半截光型LED灯具,灯具防护等级不低于IP65。本工程灯具采用双臂路灯对称布置于道路两侧的侧分带上,车行道侧灯杆高度为12米,灯杆悬挑长度1.5m,仰角IO0,灯具240W:人行道侧灯杆高度为12米,灯杆悬挑长度1.5m,仰角10,灯具75W,间距约为30米左右。根据道路渠化以及交叉路口对灯具功率及间距进行调整,具体灯具布置详见平面图。4

7、.灯杆、灯具、光源、电器主要参数要求1)光源:(1)光源采用LED,要求显色指数不宜小于60,灯具效能限值不小于,120ImH,色温35OOK。(2)色品容差不大于7SDCM,在寿命周期内光源的色品坐标与初始值的偏差不应超过0.012o(3)在标称工作状态下,灯具连续燃点3000小时的光源光通量维持率不应小于96%,灯具连续燃点6000小时的光源光通量维持率不应小于92%o2)灯具:(1)灯具效能1201mW,配套相应高导热系数的散热主题等附件,灯具采用分体式,灯具的电源模组应可现场替换,替换后防护等级不应降低。.外观颜色应采用当地城管委指定的颜色纵路与学府大道交叉路口的已建照明箱变,本次设计

8、新建照明配电箱预留灯饰用电30kW03 .配电方式原路灯箱变的供电半径按800米左右控制,要求正常运行情况下,照明灯具端电压应为额定电压的90%105%.4 .无功补偿配电系统采用低压集中补偿,补偿后低压系统的功率因数达到0.95以上。LED灯具的功率因数不应小于0.9,且LED灯具宜采用分体式灯具。LED光源自身功率因数较高,无需单灯补偿。5 .控制方式为保证夜间行车的安全性,采用智能开关+单灯调光方式,接入电源引入处道路照明智能控制系统,开灯时的天然光照度水平为301x,关灯时为301x0单灯调光由路灯无线智能控制系统完成,由单灯控制器、网络管理器和路灯监控软件组成。单灯调光设备集成在LE

9、D单灯电路板处,要求具有100%、70%、50%三挡调光,根据时段进行调光,主干路采用单灯智能控制方式调节路面照度,经调节后路面平均照度不低于IOlxo6 .电能计量供电系统按照不同用电性质(照明、交通信号等)采用低压集中计量。五、照明系统1.主要设计标准和参数城市道路应配套建设满足道路安全使用和节能环保要求的照明系统,照明应避免对车驾人员造成眩光影响。根据城市道路照明设计标准(CJJ45-2015),道路部分照明参数计算如下:道路照明标准表道路等ft平均亮度1.aV(cdat)攻光限制IR值增量Tld)量大加始值环境比SR小值均匀度Lain/Lav平均照ftBav均匀度Eain/Eav功率密

10、度LPD(1/*)主干道2.0IO0.50.4300.41.0道路照明设计弁数表道路等平均亮度1.av(cdat)眩光限制储值地鱼TI(%)量大初始值环境比SR小值均匀度Lain/Lav平均原度Eav均匀度Eain/Bav功率密度LPD(1/,)主干道2.2100.50.4320.40.8输出回路根据灯杆上的灯头数量确定,外形尺寸可安装到灯杆内,防护等级2IP65,环境温度:40+85C,质保期NIO年,安装位置于灯杆内,方便人工直接维修更换。必须具有NB-IoT窄带物联网的通信方式,包含内置和外置两种天线接口:具电量电压电流功率监测功能,能配合调光变压器实现无级调光,带故障状态指示灯;具有异

11、常开/关灯、灯具故障、通信失败等报警和灯杆漏电监测功能;支持脱机离线时自行调用时间策略控制和调整;具备定位功能。能无缝接入路灯集中控制平台,能自定义配置数据接收服务器域名/IP和端口,开放远程控制协议,实现控制指令标准的统一。4 .负荷计算本工程道路照明负荷计算详配电系统图。5 .照明线缆及敷设1)道路照明供电干线采用YJV-0.6lkV单芯电缆,由供电干线引上至灯具的分支线采用BVV-3X2.5的绝缘护套导线。为平衡三相负荷,灯具接线采用LI、L2、L3、LKL2、L3三相跳跃式接线。灯具分支线与供电干线的接线方式采用线夹分线方式。2)灯具旁数字为灯具编号。3)道路照明供电干线穿聚氯乙烯双壁

12、波纹管PVCllO加混凝土包封敷设在道路人行道(绿化带)下,管道过街处统采用CPVCllO管加混凝土包封敷设,每回路各穿根管,照明管道中应预留8#铁丝,便于穿线。照明管线在人行道下埋深不小于0.5m,在绿地、车行道下埋深不小于0.7m。在埋地管道中,预留一组PVCIlO管作为景观照明或交通控制穿线用。4)每一灯杆及管线过街处设置检查井,所有的电缆连接必须在检查井内完成,保护管内不得有电缆接头。在每检查井内的电缆应留有05米长的余量。5)六孔及以下管道采用500X500检查井,六孔以上管道采用700X700检查井,管线过街两端采用700X700检查井,井内雨水采用PVC-U475的排水管道按0.

13、5%坡度就近接入雨水系统。手孔井盖、照明灯杆的检修门以及户外箱变均应设置需使用专用工具开启的闭锁防盗装置.位于人行道上和绿化带上的手孔井盖采用球墨铸铁井盖(试验荷载2125FkN),井盖承重能力均不低于B125类型。位于车行道上的手孔井井盖采用重型球墨铸铁井盖(试验荷载2400FkN),井盖承重能力不低于D400类型。6)照明供电电缆与其它电缆、管道、道路、构筑物等之间的容许最小平行与交叉距离,应符合GB5O2I7-2OI8电力工程电缆设计标准的相关规定。或建设方指定的其他颜色。(2)灯具防护等级不应低于1P65.光源腔的防护等级不应低于IP54,道路照明灯具维护系数0.7,灯具电气腔的防护等

14、级不应低于IP43。(3)灯具的电源模组应符合现行国家标准灯的控制装置第14部分:LED模块用直流或交流电子控制装置的特殊要求GB19510.14的要求。3)灯杆:灯杆材质采用优质Q235A钢材(钢材的硅含量不高于0.04%)。厂家提供钢材供货合同及质量证明书。灯杆采用内外壁热浸锌圆锥型钢管喷塑灯杆,热镀锌层厚度N70m,锥度12/1000,外喷GBb18922的哑光漆,壁厚不小于4mm,其制作应符合相应行业标准。灯杆下部设接线孔,配置专用防盗螺丝。每座路灯的相线及中性线应装设微型漏电保护断路器,安装在供电的进电侧。微型漏电保护断路器额定电流为4A,额定漏电动作电流为30mA,额定漏电动作时间

15、不大于0.2s。灯具、灯杆的外观在满足功能性的愉提下尽量与环境相协调,最终样式由业主选定。4)在箱变中增设智能调光集中照明控制器,实现智能照明控制。智能照明控制系统有远程单灯控制、系统策略调控、防盗报警、远程参数监控、漏电报警、历史数据查询等功能。道路照明远程监控系统由上位机管理软件、智能网关、智能单灯控制器组成。智能网关支持3G/4G、WIFLRJ45等方式入网并与监控中心进行通信,终端控制器采用无线射频的方式与智能网关进行通信。照明控制采用自动和手动相结合的控制方式,同时安装路灯监控终端(与当地路灯控制系统兼容)。道路照明工程接入城市路灯管理处的四遥控制系统。采用的LED灯具具备可调光功能,路基段的调光设备集成在LED单灯电路板处,配合智能路灯控制器实现调光,可根据当地实际情况设置多个时控段降低夜间灯具亮度,要求控制器具有1

展开阅读全文
相关资源
猜你喜欢
相关搜索

当前位置:首页 > 建筑/环境 > 设计及方案

copyright@ 2008-2023 1wenmi网站版权所有

经营许可证编号:宁ICP备2022001189号-1

本站为文档C2C交易模式,即用户上传的文档直接被用户下载,本站只是中间服务平台,本站所有文档下载所得的收益归上传人(含作者)所有。第壹文秘仅提供信息存储空间,仅对用户上传内容的表现方式做保护处理,对上载内容本身不做任何修改或编辑。若文档所含内容侵犯了您的版权或隐私,请立即通知第壹文秘网,我们立即给予删除!