城镇集中供热改造供热管网及换热站工程主要机械设备表及劳动力计划表方案.docx

上传人:p** 文档编号:843679 上传时间:2024-03-15 格式:DOCX 页数:6 大小:23.30KB
下载 相关 举报
城镇集中供热改造供热管网及换热站工程主要机械设备表及劳动力计划表方案.docx_第1页
第1页 / 共6页
城镇集中供热改造供热管网及换热站工程主要机械设备表及劳动力计划表方案.docx_第2页
第2页 / 共6页
城镇集中供热改造供热管网及换热站工程主要机械设备表及劳动力计划表方案.docx_第3页
第3页 / 共6页
城镇集中供热改造供热管网及换热站工程主要机械设备表及劳动力计划表方案.docx_第4页
第4页 / 共6页
城镇集中供热改造供热管网及换热站工程主要机械设备表及劳动力计划表方案.docx_第5页
第5页 / 共6页
城镇集中供热改造供热管网及换热站工程主要机械设备表及劳动力计划表方案.docx_第6页
第6页 / 共6页
亲,该文档总共6页,全部预览完了,如果喜欢就下载吧!
资源描述

《城镇集中供热改造供热管网及换热站工程主要机械设备表及劳动力计划表方案.docx》由会员分享,可在线阅读,更多相关《城镇集中供热改造供热管网及换热站工程主要机械设备表及劳动力计划表方案.docx(6页珍藏版)》请在第壹文秘上搜索。

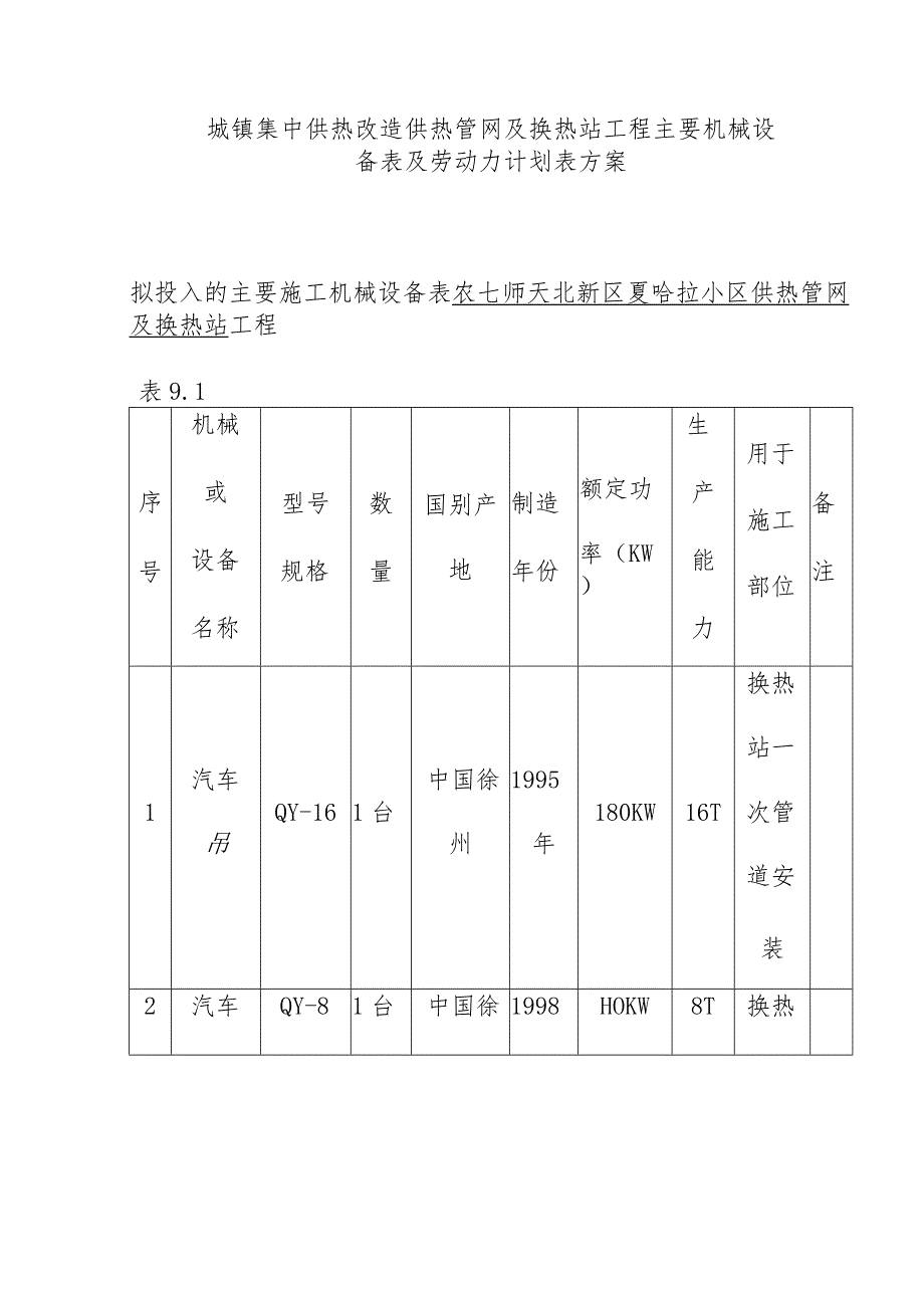
1、城镇集中供热改造供热管网及换热站工程主要机械设备表及劳动力计划表方案拟投入的主要施工机械设备表农七师天北新区夏哈拉小区供热管网及换热站工程表9.1序号机械或设备名称型号规格数量国别产地制造年份额定功率(KW)生产能力用于施工部位备注换热站一汽车中国徐19951QY-161台180KW16T次管吊州年道安装2汽车QY-81台中国徐1998HOKW8T换热吊州年站一次管道安装3东风8T汽车EQl14IGl2台东风汽车制造厂1996年140KWIOT换热站一次管道安装4电焊机ZX5400TSMI8台唐山松下产业有限公司2000年23KVA400A换热站一次管道安装5柴油发电495ZD一12台中国上海

2、1998年50KW50KW一次管道机安装6自控电焊条烘干炉ZYl+C1002台中国天津1998年IOKWIOKW一次管道安装7超声波探伤仪LA一11型1台北京中亚仪器2000年一次管道安装8X光射线机XXQ-25051台山东探伤机厂2007年一次管道安装9半自动管道切割机CG2112台上海气焊机厂2004年一次管道安装1电动DSY-1台四川杰2000一次O试压泵35特清洗厂年管道安装11经纬仪J61台中国西安2004年一次管道安装12水准仪S31台中国江苏2006年换热站第六章劳动力计划表劳动力计划表表9.2农七师天北新区夏哈拉小区供热管网及换热站工程单位:人工种按工程施工阶段投入劳动力情况一次网施工准备一次网测量放线一次网管道敷设一次网管道安装一次网管道试压冲洗换热站设备管道安装换热站及一次网调试运行管理层3333333管工4466664电焊工2226662起重X/4/4电工1111122热工/22无损检测/4/2/人员后勤2222222注:1.投标人应按所列格式提交包括分包人在内的估计劳动力计划表。2.本计划表是以每班八小时工作制为基础编制的。

展开阅读全文
相关资源
猜你喜欢
相关搜索

当前位置:首页 > 办公文档 > 统计图表

copyright@ 2008-2023 1wenmi网站版权所有

经营许可证编号:宁ICP备2022001189号-1

本站为文档C2C交易模式,即用户上传的文档直接被用户下载,本站只是中间服务平台,本站所有文档下载所得的收益归上传人(含作者)所有。第壹文秘仅提供信息存储空间,仅对用户上传内容的表现方式做保护处理,对上载内容本身不做任何修改或编辑。若文档所含内容侵犯了您的版权或隐私,请立即通知第壹文秘网,我们立即给予删除!