顶管工作井计算书.docx

上传人:p** 文档编号:843757 上传时间:2024-03-15 格式:DOCX 页数:5 大小:74.83KB
下载 相关 举报
顶管工作井计算书.docx_第1页
第1页 / 共5页
顶管工作井计算书.docx_第2页
第2页 / 共5页
顶管工作井计算书.docx_第3页
第3页 / 共5页
顶管工作井计算书.docx_第4页
第4页 / 共5页
顶管工作井计算书.docx_第5页
第5页 / 共5页
亲,该文档总共5页,全部预览完了,如果喜欢就下载吧!
资源描述

《顶管工作井计算书.docx》由会员分享,可在线阅读,更多相关《顶管工作井计算书.docx(5页珍藏版)》请在第壹文秘上搜索。

1、一、顶管工作井计算书本工程Y97为顶管工作井,基坑深度约5.5米,工作井为封闭圆形钢筋混凝土结构,采用逆作法进行施工对基坑土体进行支护。计算条件一、顶管工作井净空尺D=6.5m,采用C30混凝土进行浇筑;二、荷载计算:Y9-1顶管工作井基坑深度约5.5米(按6米进行后续计算),施工过程中应做好地下水相关监测工作,若施工时遇有地下水,应采取必要的降水措施,将地下水位降至基坑以下不小于0.5m处,并采取措施,防止其他水源进入基坑,后续按岩土体天然指标计算。按土层容重为21.0kNm综合内摩擦角6=30进行土压力计算;地面堆载q=10kN/m2,邻近道路车辆荷载=30kNn,该工作井逆作法分段现浇碎

2、护壁时,受力最大处位于井底部,现取工作井最下部一截1米高度作为计算单元进行荷载计算。(a)主动土压力系数(=tan2(45-30/2)=0.3333;(b)地面堆载和邻近道路车辆荷载二者取大值,贝Jq=30kN/n,(c)工作井护壁最大侧向主动土压力P=rhK.1+qKn=21x6x0.3333+30x0.3333=52kN/m2,综上,工作井护壁的最大侧压力P偏安全的按60kN进行后续计算。三、根据建筑施工手册(第五版)第10.4.5.8条,混凝土护壁厚度t可按下式计算:T吟或O嘴式中L护壁厚度(m);N作用在混凝土护壁截面上的压力(N11),NpD2iK-安全系数,一般取K=L65,混凝土

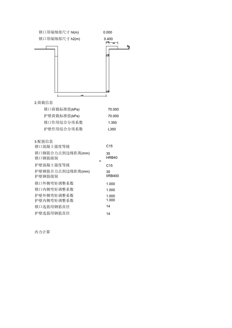
3、轴心抗压强度(MPa);P-土和地下水对护壁的最大侧压力(MPa)。井壁计算时考虑混凝土达到轴心抗压强度设计值需要一定的龄期,此处计算时考虑龄期的影响,fc按0.2倍规范取值进行后续计算,即fc=0.2x14.3=2.86Nmm2则混凝土护壁厚度t21.65x60x6.7/(2x2.86)/1000=0.12m;考虑顶管顶推力作用,最终设计取值为t=400mm,满足计算要求,井壁按混凝土护壁计算配筋。四、按混凝土护壁进行计算配筋原始条件:原始条件:1.尺寸信息孔洞形状圆形内径D(m)6.700是否存在护壁锁口长度Ll(m)1.000护壁长度L2(m)5.000锁口厚bl(m)0.400护壁厚b

4、2(m)0.400锁口顶端细部尺寸al(m)0.400锁口顶端细部尺寸a2(m)1.200锁口顶端细部尺寸hl(m)0.000锁口顶端细部尺寸h2(m)0.4002.荷载信息锁口荷载标准值(kPa)70.000护壁荷载标准值(kPa)70.000锁口作用综合分项系数1.350护壁作用综合分项系数L3503.配筋信息锁口混凝土强度等级C15锁口钢筋合力点到边缘距离(mm)35锁口钢筋级别HRB400护壁混凝土强度等级C15护壁钢筋合力点到边缘距离(mm)35护壁钢筋级别IIRB400锁口外侧弯矩调整系数1.000锁口内侧弯矩调整系数1.000护壁外侧弯矩调整系数1.000护壁内侧弯矩调整系数1.

5、000锁口选筋用钢筋直径14护壁选筋用钢筋直径14内力计算锁口计算如轴力图(靴kN)锁口最大弯矩=O.OkNm锁口最大剪力=0.OkN锁口最大轴力=-248.500kN护壁计算70,000-248.500胪壁轴力图(单像N)护壁最大弯矩=0.OkN-m护壁最大剪力=0.OkN护壁最大轴力=-248.500kN混凝土抗剪计算锁口锁口厚度:h=0.400(m)剪力最大值:Vmx=0.000(kN)锁口作用综合分项系数:k=1.350剪力设计值:V=0.000(kN)V=0.7ftbho=0.70.9101000.000365.000=232505.000(N)=232.505(kN)混凝土抗剪满足

6、要求护壁护壁厚度:h=0.400(m)剪力最大值:Vmx=0.000(kN)护壁作用综合分项系数:k=1.350剪力设计值:V=0.000(kN)V=0.7ftbho=0.70.9101000.000365.000=232505.000(N)=232.505(kN)混凝土抗剪满足要求配筋计算锁口配筋取单位宽度(b=1000mm)计算锁口截面厚度h=400(mm)支座弯矩最大值:Mniixl=0.000(kNm)跨中弯矩最大值:Mnnx2=0.000(kNm)锁口作用综合分项系数:k=1.350外侧弯矩调整系数:k1=1.000外侧弯矩设计值:M=kskMwi1=0.000(kNm)内侧弯矩调整

7、系数:k2=1.000内侧弯矩设计值:M=kk-z=0.000(kNm)外侧钢筋计算面积:Asl=800(mm2)内侧钢筋计算面积:As2=800(mm2)护壁配筋取单位宽度(b=1000n三)计算锁口截面厚度h=400(mm)支座弯矩最大值:1=0.000(kNm)跨中弯矩最大值:Mnitx2=0.000(kNm)护壁综合分项系数:k=1.350外侧弯矩调整系数:kl=1.000外侧弯矩设计值:M=ksk=0.000(kNm)内侧弯矩调整系数:k2=1.000内侧弯矩设计值:M=Lk2M2=0.000(kNm)外侧钢筋计算面积:Asl=800(mm2)内侧钢筋计算面积:As2=800(mm2)

展开阅读全文
相关资源
猜你喜欢
相关搜索

当前位置:首页 > 建筑/环境 > 设计及方案

copyright@ 2008-2023 1wenmi网站版权所有

经营许可证编号:宁ICP备2022001189号-1

本站为文档C2C交易模式,即用户上传的文档直接被用户下载,本站只是中间服务平台,本站所有文档下载所得的收益归上传人(含作者)所有。第壹文秘仅提供信息存储空间,仅对用户上传内容的表现方式做保护处理,对上载内容本身不做任何修改或编辑。若文档所含内容侵犯了您的版权或隐私,请立即通知第壹文秘网,我们立即给予删除!