建筑工程顶板快拆体系施工技术交底.docx

上传人:p** 文档编号:846678 上传时间:2024-03-16 格式:DOCX 页数:12 大小:193.86KB
下载 相关 举报
建筑工程顶板快拆体系施工技术交底.docx_第1页
第1页 / 共12页
建筑工程顶板快拆体系施工技术交底.docx_第2页
第2页 / 共12页
建筑工程顶板快拆体系施工技术交底.docx_第3页
第3页 / 共12页
建筑工程顶板快拆体系施工技术交底.docx_第4页
第4页 / 共12页
建筑工程顶板快拆体系施工技术交底.docx_第5页
第5页 / 共12页
建筑工程顶板快拆体系施工技术交底.docx_第6页
第6页 / 共12页
建筑工程顶板快拆体系施工技术交底.docx_第7页
第7页 / 共12页
建筑工程顶板快拆体系施工技术交底.docx_第8页
第8页 / 共12页
建筑工程顶板快拆体系施工技术交底.docx_第9页
第9页 / 共12页
建筑工程顶板快拆体系施工技术交底.docx_第10页
第10页 / 共12页
亲,该文档总共12页,到这儿已超出免费预览范围,如果喜欢就下载吧!
资源描述

《建筑工程顶板快拆体系施工技术交底.docx》由会员分享,可在线阅读,更多相关《建筑工程顶板快拆体系施工技术交底.docx(12页珍藏版)》请在第壹文秘上搜索。

1、技术交底记录编号表C2l027工程名称交底日期施工单位分项工程名称模板交底提要二层顶板快拆施工技术交底交底内容:一、材料要求顶板使用的木模板、各种型号钢管、十字卡、方木、竹胶板、IOnlm厚竹胶板、碗扣架等材料已进场。二、主要机具单面压刨机、平刨机、圆盘锯、手提式电钻、电钻、手锤等。三、作业条件:1、放好轴线、模板边线、楼板面高程控制线。2、模板的制作与加工。2.1、 顶板模板加工的质量要求。2.2、 模板加工,尽量减少对胶合板、方木的切割、锯断,统筹安排,合理配料。顶板模板主龙骨尽量在短向,次龙骨在长向,以减少方木的锯断。加工模板时,背楞方木压刨平整,无扭曲、变形等缺陷。3、加工的模板必须保

2、证接缝严密,固定牢靠。阴角模还要保证两片模板相互垂直。四、操作工艺1、工艺流程:拆除墙体模板一在墙或柱上弹控制模板标高的水平线一按支撑格构、配模大样图在楼板上弹模板支撑位置线一支立杆,安水平拉杆(横杆)一按放线支一个互相垂直的标准四边形支撑格钩一沿已支成的水平支撑格构按相互垂直或顺直的原则支完剩余的支撑格构一用立杆及顶杆将竖向立杆接高到所需标高一按横杆步距要求安完水平拉杆一安放早拆顶托一安放主、次楞并调高到所需标高一主次楞悬臂端用钢管、扣件、可调底座支顶加固一铺模板一模板预检一下铁钢筋安装一水电埋件安装一上铁钢筋安装一钢筋隐检/水电隐检一开盘鉴定一浇筑混凝土养护、清理。2、支模2.1认真阅读早

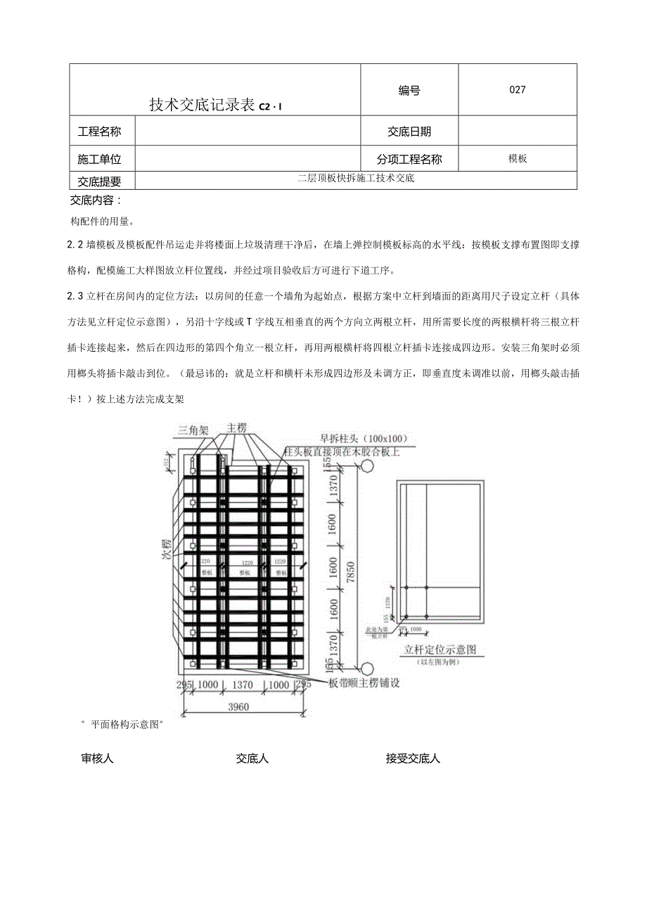
3、拆方案,看清二方案内平面图匚H的房间编号,按照每层每个房间的模板配置图及各房间审核人交底人接受交底人技术交底记录表C2l编号027工程名称交底日期施工单位分项工程名称模板交底提要二层顶板快拆施工技术交底交底内容:构配件的用量。2.2墙模板及模板配件吊运走并将楼面上垃圾清理干净后,在墙上弹控制模板标高的水平线:按模板支撑布置图即支撑格构,配模施工大样图放立杆位置线,并经过项目验收后方可进行下道工序。2.3立杆在房间内的定位方法:以房间的任意一个墙角为起始点,根据方案中立杆到墙面的距离用尺子设定立杆(具体方法见立杆定位示意图),另沿十字线或T字线互相垂直的两个方向立两根立杆,用所需要长度的两根横杆

4、将三根立杆插卡连接起来,然后在四边形的第四个角立一根立杆,再用两根横杆将四根立杆插卡连接成四边形。安装三角架时必须用榔头将插卡敲击到位。(最忌讳的:就是立杆和横杆未形成四边形及未调方正,即垂直度未调准以前,用榔头敲击插卡!)按上述方法完成支架平面格构示意图审核人交底人接受交底人技术交底记录表C2l编号027工程名称交底日期施工单位分项工程名称模板交底提要二层顶板快拆施工技术交底交底内容:2.4按所放线的交点立一根立杆,另沿十字线或T字线相互垂直的两个方向立两根立杆,用所需要长度的两根横杆将三根立杆插卡连接起来,然后在四边形的第四个角立一根立杆,再用两根横杆将四根立杆插卡连接成四边形,沿放的线为

5、准调成互相垂直的四边形,调准后,用榔头将横杆两头的插头与立杆插座均匀敲紧(不要猛敲一头),形成稳定四边形。然后沿延长线方向,按顺直和垂直方向放两根立杆,三根横杆和一根立杆,两根横杆插卡连接,然后调方正,即垂直度、调准后,用榔头将横杆两头的插头与立杆插座均匀敲紧(不要猛敲一头)。安装三角架时必须用榔头将插头敲击到位。按上述方法完成支架的支搭。2.5支架支完后,放置早拆柱头,并使插销、托架就位,然后放上方木,按传统支模方式将主楞和次楞上标高调整到所需位置。2.6主次楞就位后,将早拆头上的顶板调整的高度比次楞低l-2mm,因为木方在施工过程中会产生收缩,绝对不可超过次楞方木高度,然后从一侧铺设模板,

6、模板板带的方向和主楞的方向一致。(见平面格构示意图)2.7模板及支撑体系支搭完后,必须经项目质检员、监理验收,合格后方可进行下道工序(绑钢筋及浇注混凝土)。2.8二层立杆下端使用可调底座,可调底座与立杆一定要支实,不能出现虚支现象。1.1 9注意事项:检查早拆头顶板是否顶在模板下,早拆头顶板和模板的距离不要超过2mm,如距离太大不可早拆。2.10 立杆安装时上下层对齐(保证垂直在同一中心线上),立杆居中下垫50x100x50OnInl旧方木,沿南北向布置,纵、横、斜向均成线。2.11 竹胶板之间“硬顶”,所有的板缝均不允许粘贴不干胶带。2.12顶板跨度24m时按照千分之一起拱(只是中间部分起拱

7、,四周不起)。竹胶板模板直接拼缝,保审核人交底人接受交底人技术交底记录表C2l编号027工程名称交底日期施工单位分项工程名称模板交底提要二层顶板快拆施工技术交底交底内容:证拼缝严密,板面平整、标高准确,竹胶板与墙体“硬顶”,同时沿房间四周布置一圈50*10OnIm方木,方木与墙体之间粘贴海绵条(海绵条粘贴在方木上),防止漏浆。2.13铺设次龙骨,次龙骨为50X10Omm方木(立放),靠墙边边龙骨必须与墙面紧贴,在垂直次龙骨方向用50X10Omm方木作为边龙骨与墙紧贴,防止顶板阴角漏浆,利用墙体上最上排大模板螺栓孔固定,方木与墙体之间粘贴海绵条(海绵条粘贴在方木上),如下图所示。审核人交底人接受

8、交底人工程名称施工单位交底提要交底内容:技术交底记录15mm厚木胶合1027交底日期分项工程名称二层顶板快拆施工技术交底不大于400,不大于400标准层TLC顶板模板早拆支撑体系示意图早拆头1、审核人模板15耳木股合板,210早拆头100X100方木(T)号节点详图50X100方木托架斯柱头五层早拆住头四层小拆柱头三层早拆柱头二层早拆柱头文九垢支四层支二层支三层TLC插卡型模板早拆体系规范化施工登向剖面示意图1.9支一层交底人接受交底人技术交底记录表C2l编号027工程名称交底日期施工单位分项工程名称模板交底提要二层顶板快拆施工技术交底交底内容:2.14保证顶板结构美观,竹胶板的使用合理、经济

9、,其排列统一按项目上述要求进行,并且所有的竹胶板均需按房间编号,上下层同一房间进行倒用。五、质量保证措施1、竹胶板钉铁钉之前,必须先用手提电钻在竹胶板上打眼。2、竹胶板只能在后台锯,必须保证所锯竹胶板的净尺寸。3、校正:模板铺完后,用4m靠尺检查找平,将板面清理干净。六、顶板模板及支撑体系的拆除1、当险浇筑完终凝后,常温养护4-5天以上,当混凝土强度达到50%以上(必须依据同条件养护的试块强度确定,具体拆模时间由项目试验员史明以拆模申请单的形式书面通知方可拆模,拆模时上层墙体混凝土浇注、大模板拆除并吊走以后,并将房间内的杂物清除后),将三角架与、模板、钢楞同时拆除。具体方法:轻轻敲击早拆柱头之

10、插销,使主次楞及模板下降一定高度,可将模板运出或将主次楞再下降一定高度,即放置在脚手架上层横杆上,而后将模板及主次楞运走。通过楼梯间、楼板预留洞口运到上一层支模。2、大模板不吊走千万不可拆,因为大模板在吊走过程中会对楼板产生冲击力。3、模板及方木运出后,可将横杆及不需要支撑的立杆、早拆托架拆除运走,运到上一层支模。4、早拆后,剩下的立杆及早拆柱头及板条(即后拆部分,模板设计中涂黑的柱头节点),待支撑到正常拆模时间,即:一直保留到混凝土强度增长到足以在全跨条件下支持自身重量和施工荷载时,再进行拆除:当板跨度不大于2m时,在混凝土强度符合设计的混凝土强度标准值的50%的要求后,方可拆除;当板跨度大

11、于2m小于8m时,在混凝土强度符合设计的混凝土强度标准值的75%的要求后,方可拆除;当板跨度大于8m时,在混凝土强度符合设计的混凝土强度标准值的100%的要求后,方可拆除。悬挑阳台、空调板必须在混凝土强度达到100%时方可拆除模板。审核人交底人接受交底人技术交底记录表C2l编号027工程名称交底日期施工单位分项工程名称模板交底提要二层顶板快拆施工技术交底交底内容:5、拆除横杆时,用榔头均匀敲击横杆两头,使横杆两头同时抬出。严禁猛敲击横杆一头。6、拆模时千万不可把早拆头丝杠松动,如果松动,受力支点改变,松动后再顶回原处,楼板容易出现裂缝。8、顶板、梁、空调板及阳台底模拆除后其结构上部施工荷载不超

12、过200Kgm2,空调板及阳台悬挑构件底模拆除后加通长方木进行回顶。七、木胶合板模板的维护与修理:1、木胶合板在使用过程中,要注意对胶合板做好维护工作,在拆模时,严禁用钩子或其它利器拆除模板,要人工将模板从顶板上取下来。在使用时,严禁用利器在胶合板面上乱刻乱画。在支设时,禁止随意切割锯断。胶合板切割后,必须用封边漆封边。胶合板在周转几次后,如出现有模板边破损的情况,要及时将破损部位锯掉,其余的继续使用。具体要求如下:2、倒运规定:在模板倒运过程中防止碰撞、乱甩。码放时应设垫木,禁止直接码放在地上。3、裁板时必须使用80齿以上的合金锯片,使用带导轨的锯边机;如需要不规则的几何形状、可使用高速手提

13、电锯;但转速不低于4000转/分钟。4、模板裁切、打孔后必须用专用封边漆封闭切口,以防模板吸水变形;如打穿墙螺栓孔,还应以白铁皮套管密封。5、在板上钉钉、打孔时必须先在板下垫好木方,使用手枪钻先开孔,方可在板上钉钉,严禁直接在板上钉钉,谨防悬空造成板背面出现劈裂。6、模板使用前必须在表面刷脱模剂、以保证模板使用寿命。7、模板使用时防止金属锐角划伤,碰伤、摔伤,以确保其正确的几何外形和表面完整。8、模板拆除时,应人工传运,严禁将模板直接从高处扔下,以防止模板变形和损坏。垫好垫木,平放整齐,严禁直接码放在地面上。审核人交底人接受交底人技术交底记录表C2l编号027工程名称交底日期施工单位分项工程名

14、称模板交底提要二层顶板快拆施工技术交底交底内容:9、模板拆模后应立即用较宽的刮刀彻底清除模板表面,以利周转使用,并放于干燥处保存。八、模板安装质量标准1、质量标准:1.1主控项目:模板及其支架必须具有足够的强度、刚度和稳定性;其支撑部分应有足够的支撑面积。1.2一般项目:模板接缝不应漏浆。模板与混凝土接触表面清理干净并涂隔离剂,严禁隔离剂沾污钢筋与混凝土接槎处。2、允许偏差:见下表所示。项目允许偏差(mm)相邻两板表面高低差2表面平整度2相邻板缝隙1底模上表面标高2预埋钢板、预埋管、预留孔中心位移2九、施工中应注意的问题1、顶板模板采用15厚木胶合板,为防止漏浆,竹胶板采取硬顶”的方式,墙体四边接触处粘贴海绵条(海绵条粘贴在50*100mm方木上)。2、采用100*10Omnl红白松方木,为使板面平整,方木先用平刨机刨平刨直,再用压刨机把厚度压成一致。3、为使顶板与墙阴角顺直,要在墙体四边放一根50*1OOmm方木作为边龙骨,方木用钢管加U托顶紧在墙面上,并与主、次龙骨固定牢固。4、为使顶板及梁底标高正确无误,在搭架子支模前,在墙体上弹出建筑1米标高线,再返到顶板面往上5三处

展开阅读全文
相关资源
猜你喜欢
相关搜索

当前位置:首页 > 建筑/环境 > 设计及方案

copyright@ 2008-2023 1wenmi网站版权所有

经营许可证编号:宁ICP备2022001189号-1

本站为文档C2C交易模式,即用户上传的文档直接被用户下载,本站只是中间服务平台,本站所有文档下载所得的收益归上传人(含作者)所有。第壹文秘仅提供信息存储空间,仅对用户上传内容的表现方式做保护处理,对上载内容本身不做任何修改或编辑。若文档所含内容侵犯了您的版权或隐私,请立即通知第壹文秘网,我们立即给予删除!