建筑施工起重机械(塔式起重机)安装前检查表模板.docx

上传人:p** 文档编号:846742 上传时间:2024-03-16 格式:DOCX 页数:1 大小:14.44KB
下载 相关 举报
建筑施工起重机械(塔式起重机)安装前检查表模板.docx_第1页
第1页 / 共1页
亲,该文档总共1页,全部预览完了,如果喜欢就下载吧!
资源描述

《建筑施工起重机械(塔式起重机)安装前检查表模板.docx》由会员分享,可在线阅读,更多相关《建筑施工起重机械(塔式起重机)安装前检查表模板.docx(1页珍藏版)》请在第壹文秘上搜索。

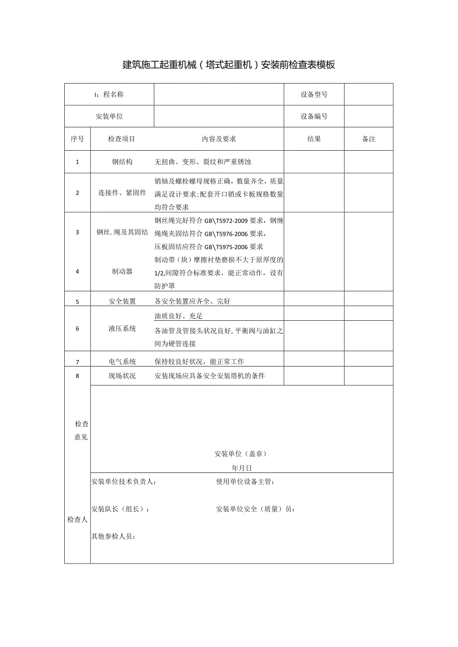
建筑施工起重机械(塔式起重机)安装前检查表模板I:程名称设备型号安装单位设备编号序号检查项目内容及要求结果备注1钢结构无扭曲、变形、裂纹和严重锈蚀2连接件、紧固件销轴及螺栓螺母规格正确,数量齐全,质量满足设计要求;配套开口销或卡板规格数量均符合要求3钢丝.绳及其固结钢丝绳完好符合GBT5972-2009要求,钢缠绳绳夹固结符合GBT5976-2006要求,压板固结应符合GBT5975-2006要求4制动器制动带(块)摩擦衬垫磨损不大于原厚度的1/2,间隙符合标准要求,能正常动作,设有防护罩5安全装置各安全装置应齐全、完好6液压系统油质良好、充足各油管及管接头状况良好,平衡阀与油缸之间为硬管连接7电气系统保持较良好状况,能正常工作8现场状况安装现场应具备安全安装塔机的条件检查意见安装单位(盖章)年月日检查人安装单位技术负责人:使用单位设备主管:安装队长(组长):安装单位安全(质量)员:其他参检人员:

展开阅读全文
相关资源
猜你喜欢
相关搜索

当前位置:首页 > 建筑/环境 > 建筑资料

copyright@ 2008-2023 1wenmi网站版权所有

经营许可证编号:宁ICP备2022001189号-1

本站为文档C2C交易模式,即用户上传的文档直接被用户下载,本站只是中间服务平台,本站所有文档下载所得的收益归上传人(含作者)所有。第壹文秘仅提供信息存储空间,仅对用户上传内容的表现方式做保护处理,对上载内容本身不做任何修改或编辑。若文档所含内容侵犯了您的版权或隐私,请立即通知第壹文秘网,我们立即给予删除!