建筑工程通风管道及部件制作工程.docx

上传人:p** 文档编号:847777 上传时间:2024-03-16 格式:DOCX 页数:9 大小:128.80KB
下载 相关 举报
建筑工程通风管道及部件制作工程.docx_第1页
第1页 / 共9页
建筑工程通风管道及部件制作工程.docx_第2页
第2页 / 共9页
建筑工程通风管道及部件制作工程.docx_第3页
第3页 / 共9页
建筑工程通风管道及部件制作工程.docx_第4页
第4页 / 共9页
建筑工程通风管道及部件制作工程.docx_第5页
第5页 / 共9页
建筑工程通风管道及部件制作工程.docx_第6页
第6页 / 共9页
建筑工程通风管道及部件制作工程.docx_第7页
第7页 / 共9页
建筑工程通风管道及部件制作工程.docx_第8页
第8页 / 共9页
建筑工程通风管道及部件制作工程.docx_第9页
第9页 / 共9页
亲,该文档总共9页,全部预览完了,如果喜欢就下载吧!
资源描述

《建筑工程通风管道及部件制作工程.docx》由会员分享,可在线阅读,更多相关《建筑工程通风管道及部件制作工程.docx(9页珍藏版)》请在第壹文秘上搜索。

1、工程名称交底部位共页第页交底内容:一、 施工准备(一)作业条件1、 集中加工应具有宽敞、明亮、洁净、地面平整、不潮湿的厂房。2、 作业地点要有相应的加工工艺的必备工具、设施及电源和可靠的安全防护装置,并有消防器材。3、 风管制作应有批准的图纸,经审查的大样图,系统图,并有施工员书面的技术质量及安全交底。(二)施工器具:龙门剪板机、电冲剪、手用电动剪倒角机、咬口机、压筋机、折方机、合缝机、振动式曲线剪板机、卷圆机、圆弯头咬口机、型钢切割机、角(扁)钢卷圆机、液压钳钉钳、电动拉卸枪、台钻、手电钻、冲孔机、插条法兰机、螺旋卷管机、电、气焊设备、空气压缩机油漆喷枪等设备及不锈钢板尺、钢直尺、角尺量角器

2、、圆规、洋冲、铁锤、木锤、拍板、各类胎具、料桶、刷子等小型工具。(三)材料要求4、 能适用的板材、管材等主要材料应有出厂质量证明文件(包括出厂合格证、质量合格证明及检测报告等)。5、 非金属材料及填充料等应符合设计要求,有齐全的质量证明文件。二、 质量要求1、 金属风管及配件制作。质量要求应符合通风与空调工程施工质量验收规范(GB50243-2002)的规定。表6-14项序检查项目允许偏差或允许值主控项目1材料种类、性能及厚度第4.2.1条2防火风管材料及密封垫料第4.2.3条3风管强度及严密性、工艺性检测第4.2.5条4风管的连接第4.2.6条5风管的加固第4.2.10条6矩形弯管制作及导流

3、片第4.2.12条7净化空调风管第4.2.13条般项目1圆形弯管制作第4.3.1-1条2风管外观质量和外形尺寸第4.3.123条3焊接风管第4.3.1-4条4法兰风管制作第4.3.2条5铝板或不锈钢板风管第432-4条工程名称交底部位共页第页交底内容:续表项序检查项目允许偏差或允许值般项目6无法兰圆形风管制作第4.3.3条7无法兰矩形风管制作第4.3.3条8风管的加固第4.3.4条9净化空调风管第4.3.11条2、 非金属与复合材料风管及配件制作。质量要求应符合通风与空调工程施工质量验收规范(GB30243-2002)的规定。表6/5项序检查项目允许偏差或允许值主控项目1材料种类、性能及厚度第

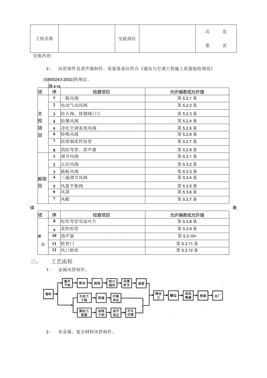
4、4.2.2条2复合材料风管的材料第4.2.4条3风管强度及严密性、工艺性检测第4.2.5条4风管的连接第4.2.7条5复合材料风管法兰连接第4.2.8条6砖、混凝土风道的变形缝第4.2.9条7风管的加固第4.2.11条8矩形弯管制作及导流片第4.2.12条9净化空调风管第4.2.13条般项目1风管制作第4.3.1条2硬聚氯乙烯风管第4.3.5条3有机玻璃钢风管第4.3.6条4无机玻璃钢风管第4.3.7条5砖、混凝土风管第4.3.8条6双面铝箔绝热板风管第4.3.9条7铝箔玻璃纤维板风管第4.3.10条8净化空调风管第4.3.11条工程名称交底部位共页第页交底内容:3、 风管部件及消声器制作。质

5、量要求应符合通风与空调工程施工质量验收规范(GB50243-2002)的规定。良6-16项序检查项目允许偏差或允许值1一般风阀第5.2.1条2电动气动风阀第5.2.2条主3防火阀、排烟阀(口)第5.2.3条控4防爆风阀第5.2.4条项5净化空调系统风阀第5.2.5条目6特殊风阀第5.2.6条7防排烟柔性短管第5.2.7条8消防弯管、消声器第5.2.8条1调节风阀第5.3.1条2止回风阀第5.3.2条般项目3插板风阀第5.3.3条4三通调节风阀第5.3.4条5风量平衡阀第5.3.5条6风罩第5.3.6条7风帽第5.3.7条续表项序检查项目允许偏差或允许值8短形弯管导流叶片第5.3.8条9柔性短管

6、第5.3.9条服10消声器第5.3.10日11检查门第5.3.11条12风口验收第5.3.12条三、工艺流程1、 金属风管制作。2、 非金属、复合材料风管制作。工程名称交底部位共页第页交底内容:T外框下料I(专用模具演E【领料丽ITl专用模具)成形HllTrl机加件及其.得部件加工3、风管部件及消声器制作。l四、(一)1、2、3、4、画线错孔和下料的多少有误。板材剪切依据画线的阶段不同,分别进行,同时必须进行下料的复核,以免有误。 画线形状用机械剪刀和手工剪刀进行剪切。剪切时,手严禁伸入机械压板空隙中,上刀架不准放置工具等物品,调整板料时, 不能放在踏板机上,使用固定式震动剪两手要扶稳钢板,手

7、离刀口不得小于5cm, 力均匀适当。板材下料后在轧口之前,必须用倒角机或剪刀进行倒角工作。倒角形状如图6-10:机械倒角操作工艺风管制作面线要据风管的不同尺寸形状和规格分别进行,同时对同一段凤管要完整进行,防止板厚材质钢板(不包括镀锌钢板)不锈钢板铝板I.0咬接咬接咬接1.01.2咬接焊接(氯弧焊及电焊)咬接1.2,1.5焊接(气焊或氯弧焊)1.5焊接(电焊)表6-17BB6-10金属薄钢板制作的风管用咬口连按、钾钉连接、接界限如表6-17规定。金属风管的咬接或焊接界限6、咬口宽度和留量根据板材厚度而定,应符合表6-18的规定。表6-18咬口宽度(mm)焊接等不同方法。不同板材咬口或焊5、工程

8、名称交底部位共页第页交底内容:钢板厚度平咬口宽角咬口宽0.7以下68670.70.82810780.91.210129107、 焊接时必须焊缝均匀,无裂纹及加渣现象;钾钉连接时,制钉中心先垂直于板面,头把板材压紧,使板缝密合并排列整齐、均匀。板材之间斜接,一般中间可不加垫料,设计规定时,遵循设计。8、 咬口时手指距滚轮护壳不小于50mm,手不准放在咬口机轨道上扶稳板料。9、 咬口后的板料将画好的折方线放在折方机上,置于下模的中心线,操作时,使机械上刀片中心线与下模中心线重合,折成所需要的角度。10、折方时应互相配合并与折方机保持一定距离,以免被翻转的钢板或配件碰伤。11、制作圆风管时,将咬口两

9、端柏成圆弧状放在卷圆机上卷圆。按风管直径规格适当调整上、下辑间距,操作时,手不得直接推送钢板。12、折方或卷圆后的钢板用合口机或手工进行合缝。操作时用力均匀,不宜过重。单、双口确实咬合,无胀裂和半咬口现象。13、法兰加工:(1) 矩形法兰加工: 方法兰由四根角钢组焊而成.画线下料时考虑无齿锯片切去的角钢料,通常多划角钢的1.5倍厚度的长度,画线完毕用无齿锯切割,折方时组焊成的成品法兰内径不至于小于风管外径。 下料调直后组对,放在焊接平台焊接。并应采取防止变形措施,孔距不应大于50mm采用8501阻燃密封胶条做垫料时螺栓孔距适当放大,不得大于300mm。 放在台钻或摇臂钻上,用钻模钻孔。 法兰整

10、形和修整焊缝、除去打孔毛刺等。(2) 圆法兰加工: 先将整根的角钢或扁钢放在冷煨法兰卷圆机上按所需法兰直径,调整机械的可调零件,卷成螺旋形状后取下。 将卷好的型钢画线割开,逐个放在平台上找平找正。 对调整好的法兰进行焊接、打孔。(3) 无法兰加工: 无法兰连接风管的接口应采用机械加工,尺寸应正确,形状应规则,接口处严密。无法兰矩形风管接口处的四角应有固定措施。 在风管内钾法兰腰箍冲眼时,管外配合人员面部要避开冲孔。14、矩形风管边长大于或等于630mm和保温风管边长大于或等于800mm,其管段长度在1250mm以上时应采取加固措施边长小于或等于800mm的风管宜采用楞筋、楞线的方法加固。中、高

11、压风管的管段长度大于125Omm时,应采取加固框的形式加固。高压风管的单咬口缝应有加强措施。风管的板材厚度大于或等于2mm时,加固措施的范围工程名称交底部位共页第页交底内容:可适当放宽。风管的加固形式见图6-11:15、图 6-11角钢加固弯头角钢框加固弯头圆形风管加固形式风管壁棱线风管壁滚槽类型风管钏钉钾钉规格方法兰1206304.54880020005.5510圆法兰2005004.54853020005.5510表 6-19风管壁厚大于l5mm,可采用翻边点焊和沿风管管口周围满焊,点焊时法兰与管壁外表面贴合;满焊时法兰应伸出风管管口 45mm,为防止变形,可采用图6-12的方法。风管与法

12、兰组合成形时,风管与扁钢法兰可用翻边连接;与角钢法兰连接时风管壁厚小 于或等于L5mm,可采用翻边连接,与角钢法兰连接时,风管壁厚小于或等于1.5mm 可采用翻边卸接,朔钉规格,伽孔尺寸见下表:圆、矩形风管法兰钟钉规格及钾钉尺寸 6 - 12图中表示常用的几种焊接顺序,大箭头指示总的焊接方向,小箭头表示局部分段的焊接方向, 数宇表示焊接先后的顺序。这样,可以使焊件比较均匀的受热和冷却,从而减少变形。16、17、18、风管与法兰钟接前先进行技术质量复核,合格后将法兰套在风管上,管段留出IOmm 翻边量,管折方线与法兰平面应垂直,然后使用液压钾钉钳或手动夹眼钳,用钏钉将 风管与法兰钾固,并留出四周

13、翻边。翻边应平整,不应遮住螺孔,四角应铲平,不应出现豁口,以免漏风。风管与小部件(嘴子、短支管等)连接处,三通、四通分支处要严密,缝隙处应利用锡工程名称交底部位共页第页交底内容:焊或密封胶堵严以免漏风。使用锡焊,熔锡时锡液不允许着水防止飞溅伤人,盐酸要妥善保管。19、风管喷漆防腐不应在低温(低于+5它)和潮湿(相对湿度不大于80%)的环境下进行,喷漆时应使漆膜均匀,不得有堆积、漏涂、皱纹、气泡及混色等缺陷。普通钢板在压口时必须先喷一道防锈漆,保证咬缝内不易生锈。20、薄钢板防腐油漆,依据设计执行。21、风管成品检验后,应按图中立干管、支管系统的顺序写出连接号码及工程简名,合理堆放码好。等待运输出厂。五、 成品保护1、 要保持镀锌钢板表面光滑洁净,放在宽敞干燥的隔潮木头垫架上,叠放整齐。2、 不锈钢板、铝板要立靠在木架上,不要平迭,以免拖动时刮伤表面,下料时应使用不产生划痕的画线工具。操作时应使用木锤或有橡胶皮套的锤子,不得使用铁锤,以免

展开阅读全文
相关资源
猜你喜欢
相关搜索

当前位置:首页 > 建筑/环境 > 建筑规范

copyright@ 2008-2023 1wenmi网站版权所有

经营许可证编号:宁ICP备2022001189号-1

本站为文档C2C交易模式,即用户上传的文档直接被用户下载,本站只是中间服务平台,本站所有文档下载所得的收益归上传人(含作者)所有。第壹文秘仅提供信息存储空间,仅对用户上传内容的表现方式做保护处理,对上载内容本身不做任何修改或编辑。若文档所含内容侵犯了您的版权或隐私,请立即通知第壹文秘网,我们立即给予删除!