电解车间危险源辨识.docx

上传人:p** 文档编号:85469 上传时间:2022-12-20 格式:DOCX 页数:9 大小:43.47KB
下载 相关 举报
电解车间危险源辨识.docx_第1页
第1页 / 共9页
电解车间危险源辨识.docx_第2页
第2页 / 共9页
电解车间危险源辨识.docx_第3页
第3页 / 共9页
电解车间危险源辨识.docx_第4页
第4页 / 共9页
电解车间危险源辨识.docx_第5页
第5页 / 共9页
电解车间危险源辨识.docx_第6页
第6页 / 共9页
电解车间危险源辨识.docx_第7页
第7页 / 共9页
电解车间危险源辨识.docx_第8页
第8页 / 共9页
电解车间危险源辨识.docx_第9页
第9页 / 共9页
亲,该文档总共9页,全部预览完了,如果喜欢就下载吧!
资源描述

《电解车间危险源辨识.docx》由会员分享,可在线阅读,更多相关《电解车间危险源辨识.docx(9页珍藏版)》请在第壹文秘上搜索。

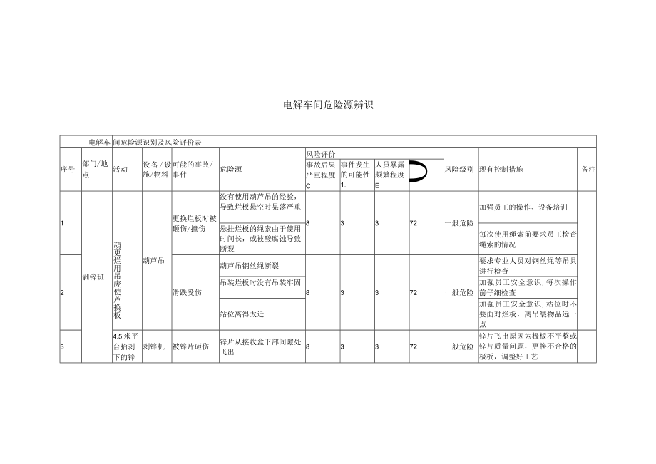
1、电解车间危险源辨识电解车间危险源识别及风险评价表序号部门/地点活动设备/设施/物料可能的事故/事件危险源风险评价风险级别现有控制措施备注事故后果严重程度C事件发生的可能性1.人员暴露频繁程度EO1剥锌班葫更烂用吊废使芦换板葫芦吊更换烂板时被砸伤/撞伤没有使用葫芦吊的经验,导致烂板悬空时晃荡严重83372一般危险加强员工的操作、设备培训悬挂烂板的绳索由于使用时间长,或被酸腐蚀导致断裂每次使用绳索前要求员工检查绳索的情况2滑跌受伤葫芦吊钢丝绳断裂83372一般危险要求专业人员对钢丝绳等吊具进行检查吊装烂板时没有吊装牢固加强员工安全意识,每次操作前仔细检查站位离得太近加强员工安全意识,站位时不要面对

2、烂板,离吊装物品远一点34.5米平台抬剥下的锌剥锌机被锌片砸伤锌片从接收盒下部间隙处飞出83372一般危险锌片飞出原因为极板不平整或锌片质量问题,更换不合格的极板,调整好工艺片及处理故障人员站在设备旁边加强员工安全教育,提高安全意识锌片开口后掉落加强员工安全意识,远离已经开口的锌片。需要处理已经开口的锌片时,注意站位,及时躲避4抬锌片时扭伤锌片过重83372一般危险加强员工自我防护意识,作业前注意活动开身体,用力不要太猛员工抬锌片时用力不当5滑跌受伤地面潮湿易滑83372一般危险加强员工自我防护意识。地面潮湿容易滑跌员工的鞋子摩擦力小、易滑培训上岗,严守操作规程,按要求戴防护用品6检修剥锌机剥

3、锌机检修剥锌机时被安全门夹伤安全门支撑损坏73363一般危险培训上岗,定期点检设备员工将手或其他部位探入安全门内培训上岗,遵守操作规程关闭安全门时手等部位没有及时避开7叉堆垛的锌片叉车机动叉车撞到人或物叉车过速行驶,司机安全意识薄弱73363一般危险对相关人员进行安全培训1,提高安全意识叉车司机技术不过关定期对叉车及时进行维修保养叉车维修保养不当,失控所有的叉车司机必须取得上肉证人员方能上为操作8出槽作自动行拖链掉落砸员工从拖链下经过833般危险对相关人员进行安全培训,提业车伤员工高安全意识没有定期对拖链进行检验加强定期点检,定期更换拖链拖链存在安全隐患尝试通过技术改进消除隐患9出槽作业自动行

4、车自动行车撞到人作业员工安全意识淡薄3339可容忍危险对相关人员进行安全培训,提高安全意识防护措施没有做到位自动行车行驶到有人作业区域时打开安全门,保证作业人员安全自动行车失控员工作业时面对行车行驶来的方向,当行车驶近时及时避开培养其他岗位员工的互保意识,当存在危险隐患时及时按急停按钮10开口及校板自动行车跌倒开口作业时由于没有站稳53345可容忍危险对相关人员进行安全培训,提高自我保护及安全意识用力过大时身体前倾导致摔倒11被行车撞到自动行车驶来时没有及时反映被行车撞到培训员工,并面向行车驶来方向作业并和其他岗位行程互保对子地面潮湿导致滑跌12跟随行车作业自动行车跌倒由于电解槽面较潮湿容易滑

5、跌53372可容忍危险对相关人员进行安全培训1,提高自我保护及安全意识员工注意力不集中13槽面起火电解槽电解槽起火阴阳极板短路83372一般危险定期培训人员消防知识断电氢气冒出消防演习14清理刷洗机水槽刷洗机水槽窒息通风不良83372般危险进入有限空间作业时进行检查没有人员进行监护安排人员监护员工没有作业人员做好安全防护措施15维修班设备维修、润滑油料、维修工具给设备润滑时人员高处坠落员工安全意识淡薄83372一般危险培训安全意识,遵守操作规程,高空作业系好安全带没有防护栏杆或防护栏杆过低高处作业没有戴安全带16维修保养时用火不当引发火灾动火没有经过允许83372一般危险建立动火作业管理程序员

6、工未按操作规程进行操作遵守操作规程17使用工具不当压伤手指等员工操作不当没有穿戴好劳保用品83372一般危险培训操作规程,穿戴好劳动保护用品18使用电动工具作业电动工具电动工具零件脱出导致受伤零件有质量问题83372一般危险定期检查电动工具完好性并采用合格的电动工具,促使员工正确操作安装方法不正确员工操作不当19使用电动工具时触电员工安全意识淡薄83372一般危险加强安全意识,电工定期进行检查电动工具导线绝缘层破损作业前没有按规定进行检查20噪声伤害没有采取隔声措施83372一般危险穿戴好劳动保护用品,戴好耳寡乃防护阻馅员工没有戴耳塞长时间接触21碎屑溅入眼睛维修过程中有碎屑飞出83372一般

7、危险没有戴防护眼镜22电焊或切割氧焊机/氧气瓶气瓶爆炸伤人作业前没有经过检查83372一般危险培训上岗,特种作业资格证,遵守操作规程非专业人员操作气瓶有泄漏23电焊时电弧导致眼睛受伤员工防护意识淡薄,员工没有戴防护面罩83372一般危险作业时戴好劳动保护用品长时间操作24高温烫伤接触高温表面83372一般危险提高安全意识,穿戴好劳动保护用品员工防护意识淡薄,员工没有戴防护面罩25高空作业高空坠落摔伤人员从登高设施滑跌、坠落83372一般危险培训上岗,遵守安全规程,提高员工安全意识没有系安全带作业前检查登高设施的完好性没有防护栏杆或防护栏杆过低佩戴好安全带26动火作业引发火灾作业前没有制定安全防

8、范措施83372般危险制定安全防范措施周围有易燃物品动火作业时注意周围物品员工安全意识淡薄提高员工安全防护意识没有配备灭火器材增设灭火器材27临时用电使用临时用电触电非专业人员作业83372一般危险操作员工必须有电工资格证员工安全意识淡薄加强安全意识,电工定期进行检查电源线导线绝缘层破损作业前没有按规定进行检查28引发电气火灾员工防护意识淡薄,没有穿戴好劳动保护用品83372一般危险加强用电作业人员安全意识电动工具质量不合格采用合格的电器工具没有按照用电规定进行操作严格遵守安全用电管理规定2930工艺班新液接收到储罐顶部开关阀门时高空坠落滑跌员工安全意识淡薄,没有穿戴好劳动保护用品地面潮湿53

9、372可容忍危险提高员工安全意识,登高操作戴好安全带3132开、停泵噪音地面潮湿容易滑跌安全意识淡薄,没有采取应当防护措施地面潮湿63354一般危险提高员工安全意识,戴好防护用品3334添加剂加料添加剂搬运过程中扭伤地面潮湿容易滑跌安全意识淡薄,没有采取应当防护措施地面潮湿63354一般危险提高员工安全意识,戴好防护用品35电解槽底巡视漏液淋到身上安全意识淡薄,没有采取应当防护措施63354一般危险提高员工安全意识,戴好防护用品36地面潮湿容易滑跌地面潮湿37测槽温废液溅入眼睛安全意识淡薄,没有采取应当防护措施63354一般危险提高员工安全意识,戴好防护用品38地面潮湿容易滑跌地面潮湿39清理

10、支进液管扭伤安全意识淡薄,没有采取应当防护措施63354一般危险提高员工安全意识,戴好防护用品地面潮湿容易滑跌地面潮湿与其他员工组成互保对子,保证作业安全摔倒行车撞到废液溅入眼睛40风冷塔塔清理中毒和窒息安全意识淡薄,没有采取应当防护措施83372一般危险提高员工安全意识,戴好防护用品废液溅入眼睛作业员工没有戴防护眼镜与其他员工组成互保对子,保证作业安全摔倒地面潮湿高处坠落41清理新、废液储罐中毒和窒息安全意识淡薄,没有采取应当防护措施83372一般危险提高员工安全意识,戴好防护用品废液溅入眼睛没有带好防护眼镜与其他员工组成互保对子,保证作业安全滑跌地面潮湿42导冷管换棒水更电却行车撞击作业员

11、工及跟随行车的员工时没有关注周围环境或安全意识淡薄83372一般危险加强员工安全意识,培训后上岗废液溅入员工眼睛作业员工没有戴防护眼镜高处坠落作业员工高空作业时没有带好安全带43极板班拍平阳极板拍平机被拍平板夹伤处理拍平板阳极板时没有固定好83372一般危险加强员工安全意识,培训后上岗滑跌受伤地面潮湿噪音伤害拍平机工作时噪声大44极板班掏阳极泥掏槽系统行车撞击伤人作业员工及跟随行车的员工时没有关注周围环境或安全意识淡薄83372一般危险加强员工安全意识,培训后上岗废液溅入眼睛作业员工没有戴防护眼镜45极板班球磨阳极泥球磨机球磨机擦伤球磨机旋转83372一般危险加强员工安全意识,培训后上岗废液溅入眼睛作业员工没有戴防护眼镜46极板班废弃阳极板更换葫芦吊被阳极板砸伤吊带断裂83372一般危险加强员工安全意识,培训后上岗被阳极板撞伤员工操作葫芦吊不熟练更改放置阳极板处的栏杆,改成活动型以方便放置阳极板高处坠落高处作业没有戴安全带夹伤手放置阳极板时没有做好防护措施

展开阅读全文
相关资源
猜你喜欢
相关搜索

当前位置:首页 > 行业资料 > 冶金工业

copyright@ 2008-2023 1wenmi网站版权所有

经营许可证编号:宁ICP备2022001189号-1

本站为文档C2C交易模式,即用户上传的文档直接被用户下载,本站只是中间服务平台,本站所有文档下载所得的收益归上传人(含作者)所有。第壹文秘仅提供信息存储空间,仅对用户上传内容的表现方式做保护处理,对上载内容本身不做任何修改或编辑。若文档所含内容侵犯了您的版权或隐私,请立即通知第壹文秘网,我们立即给予删除!