皮带输送机使用说明书(PD型).docx

上传人:p** 文档编号:85697 上传时间:2022-12-20 格式:DOCX 页数:5 大小:47.74KB
下载 相关 举报
皮带输送机使用说明书(PD型).docx_第1页
第1页 / 共5页
皮带输送机使用说明书(PD型).docx_第2页
第2页 / 共5页
皮带输送机使用说明书(PD型).docx_第3页
第3页 / 共5页
皮带输送机使用说明书(PD型).docx_第4页
第4页 / 共5页
皮带输送机使用说明书(PD型).docx_第5页
第5页 / 共5页
亲,该文档总共5页,全部预览完了,如果喜欢就下载吧!
资源描述

《皮带输送机使用说明书(PD型).docx》由会员分享,可在线阅读,更多相关《皮带输送机使用说明书(PD型).docx(5页珍藏版)》请在第壹文秘上搜索。

1、%PD鲤庆锦输场机?也址(add):*邮编(PQ):*电,舌(TE1.):*传真(FAX):*由F一ja)*PD型皮带输送机安装、使用和维护说明书1、概述:1.1皮带输送机运行可靠,输送量大,输送距离长,维护简便,是常见的连续运输设备之一。本机可作为格栅除污机的配套设备,安装在除污机或压榨机的出口处(除污机或压榨机可多台并列排放),通过皮带的移动,把污物输送到用户选定的目的地,本机一般为水平安装,但也可倾斜一定角度安装。2设备的主要结构和主要参数:2.1皮带输送机主要有输送带、驱动装置、上下托棍、清扫器、拉紧装置组成。结构简图见图一。2.2物料由驱动装置带动输送带移动,在卸料处依靠自重送入料斗

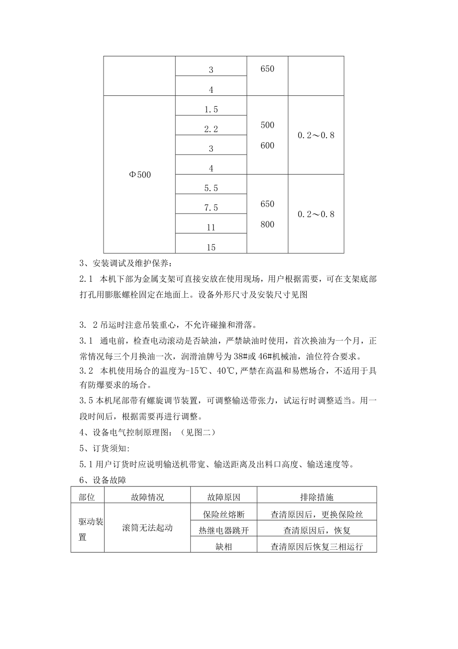
2、或现场,以便外运或焚烧。2.3设备驱动装置选用BYD型油冷式电动滚筒,它是一种筒内带有电机,外有滚筒,比较理想的驱动装置,结构简单紧凑,占用空间面积小。2.4橡胶输送带采用化纤织物挂胶后作为带芯材料,用橡胶作覆盖材料,本机输送带带芯5层,上胶层3mm,下胶层1.5m,最大允许张力20.2KN。2.5上下托棍用来支承输送带及其所承载的物料,保证输送带的稳定运行,本机用以输送分散物料故上托棍采用槽形,下托棍采用平行。托棍数量根据输送距离S决定。2.6尾部有螺旋拉紧装置调整输送带的张力。2.7头部清扫器用于清扫粘附在输送带上的物料,是由一块橡胶板组成。2. 8输送机主要性能参数选用表:(表一)滚动直

3、径(mm)功率(kw)带宽(mm)带速V(ms)2400.755006508000.2-0.81.11.53152.25006000.2-0.8344002.25000.2-0.8365045001.55006000.20.82.2345.56508000.20.87.511153、安装调试及维护保养:2.1 本机下部为金属支架可直接安放在使用现场,用户根据需要,可在支架底部打孔用膨胀螺栓固定在地面上。设备外形尺寸及安装尺寸见图3. 2吊运时注意吊装重心,不允许碰撞和滑落。3.1 通电前,检查电动滚动是否缺油,严禁缺油时使用,首次换油为一个月,正常情况每三个月换油一次,润滑油牌号为38#或46

4、#机械油,油位符合要求。3.2 本机使用场合的温度为-15、40,严禁在高温和易燃场合,不适用于具有防爆要求的场合。3.5本机尾部带有螺旋调节装置,可调整输送带张力,试运行时调整适当。用一段时间后,根据需要再进行调整。4、设备电气控制原理图:(见图二)5、订货须知:5.1用户订货时应说明输送机带宽、输送距离及出料口高度、输送速度等。6、设备故障部位故障情况故障原因排除措施驱动装置滚筒无法起动保险丝熔断查清原因后,更换保险丝热继电器跳开查清原因后,恢复缺相查清原因后恢复三相运行保险丝或热继电器跳开供电线路短路修复线路电机短路专业人员维修运输带输送机过载减少负荷移动因难运输带张力不够调节尾部螺杆,达到要求物料过多、过重减少负荷偏移超出范围上、下托棍输送平面误差超出范围调整、达到要求胶带面不平更换运输料粘连不易脱落输送物料性质改变按设计要求调整清扫器损坏更换上下托棍托棍滚动偏移原来中心磨损更换托棍中心安装不正确调整清扫器不能清扫胶带粘连物料清扫器安装位置不当或倾斜调整适当清扫器橡胶板损坏更换橡胶板7、型号表示方法PD带宽带式431.运动方向1ES-电动滚筒2、机架3、改向滚筒4、张紧装置输送带7、防护罩8、槽形托辐9、下托辑5、清扫器A-A

展开阅读全文
相关资源
猜你喜欢
相关搜索

当前位置:首页 > 论文 > 毕业论文

copyright@ 2008-2023 1wenmi网站版权所有

经营许可证编号:宁ICP备2022001189号-1

本站为文档C2C交易模式,即用户上传的文档直接被用户下载,本站只是中间服务平台,本站所有文档下载所得的收益归上传人(含作者)所有。第壹文秘仅提供信息存储空间,仅对用户上传内容的表现方式做保护处理,对上载内容本身不做任何修改或编辑。若文档所含内容侵犯了您的版权或隐私,请立即通知第壹文秘网,我们立即给予删除!