输气站员工应知应会题库-计量实操.docx

上传人:p** 文档编号:857034 上传时间:2024-03-22 格式:DOCX 页数:14 大小:49.92KB
下载 相关 举报
输气站员工应知应会题库-计量实操.docx_第1页
第1页 / 共14页
输气站员工应知应会题库-计量实操.docx_第2页
第2页 / 共14页
输气站员工应知应会题库-计量实操.docx_第3页
第3页 / 共14页
输气站员工应知应会题库-计量实操.docx_第4页
第4页 / 共14页
输气站员工应知应会题库-计量实操.docx_第5页
第5页 / 共14页
输气站员工应知应会题库-计量实操.docx_第6页
第6页 / 共14页
输气站员工应知应会题库-计量实操.docx_第7页
第7页 / 共14页
输气站员工应知应会题库-计量实操.docx_第8页
第8页 / 共14页
输气站员工应知应会题库-计量实操.docx_第9页
第9页 / 共14页
输气站员工应知应会题库-计量实操.docx_第10页
第10页 / 共14页
亲,该文档总共14页,到这儿已超出免费预览范围,如果喜欢就下载吧!
资源描述

《输气站员工应知应会题库-计量实操.docx》由会员分享,可在线阅读,更多相关《输气站员工应知应会题库-计量实操.docx(14页珍藏版)》请在第壹文秘上搜索。

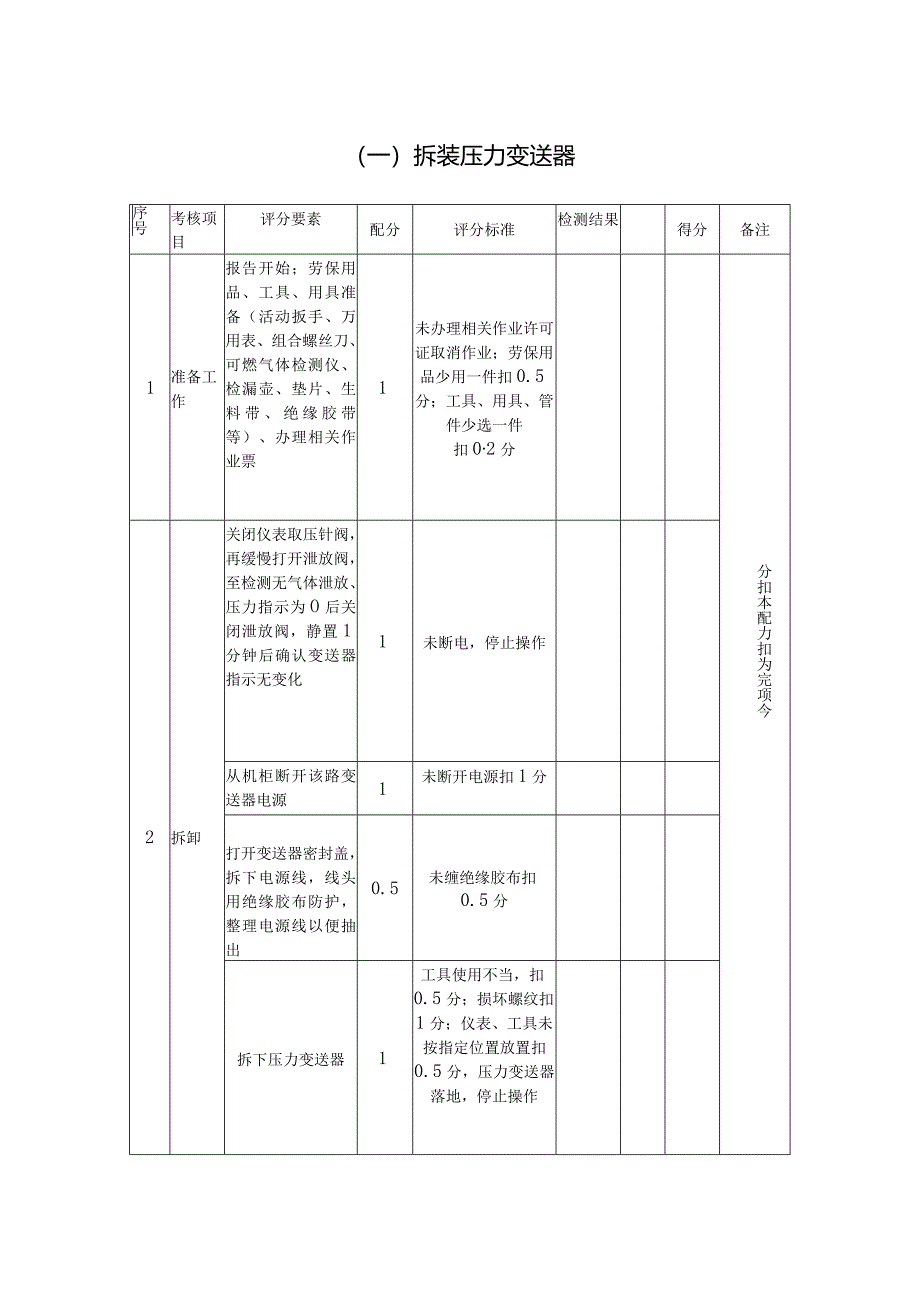
1、(一)拆装压力变送器序号考核项目评分要素配分评分标准检测结果得分备注1准备工作报告开始;劳保用品、工具、用具准备(活动扳手、万用表、组合螺丝刀、可燃气体检测仪、检漏壶、垫片、生料带、绝缘胶带等)、办理相关作业票1未办理相关作业许可证取消作业;劳保用品少用一件扣0.5分;工具、用具、管件少选一件扣02分关闭仪表取压针阀,再缓慢打开泄放阀,至检测无气体泄放、压力指示为O后关闭泄放阀,静置1分钟后确认变送器指示无变化1未断电,停止操作分扣本配力扣为完项今从机柜断开该路变送器电源1未断开电源扣1分2拆卸打开变送器密封盖,拆下电源线,线头用绝缘胶布防护,整理电源线以便抽出0.5未缠绝缘胶布扣0.5分拆下

2、压力变送器1工具使用不当,扣0.5分;损坏螺纹扣1分;仪表、工具未按指定位置放置扣0.5分,压力变送器落地,停止操作3检查吹扫打开取压针阀,缓慢吹扫取压管内的污物后,再关闭取压针阀0.5未吹扫扣0.3分;吹扫不彻底扣0.2分检查压力变送器及连接接头0.5未检查压力变送器及接头扣05分4安装安装压力变送器1工具使用不当扣0.5分,损坏螺纹扣1分,仪表、工具未按指定位置放置扣0.5分,压力变送器落地停止操作安装压力变送器接线1接线错误扣1分从机柜处给压力变送器上电0.5未正确上电扣0.5分逐渐打开取压阀,用验漏液对引压管连接部件进行泄漏检测,确认无泄漏1未打开取压阀扣0.5分,未验漏扣0.5分观察

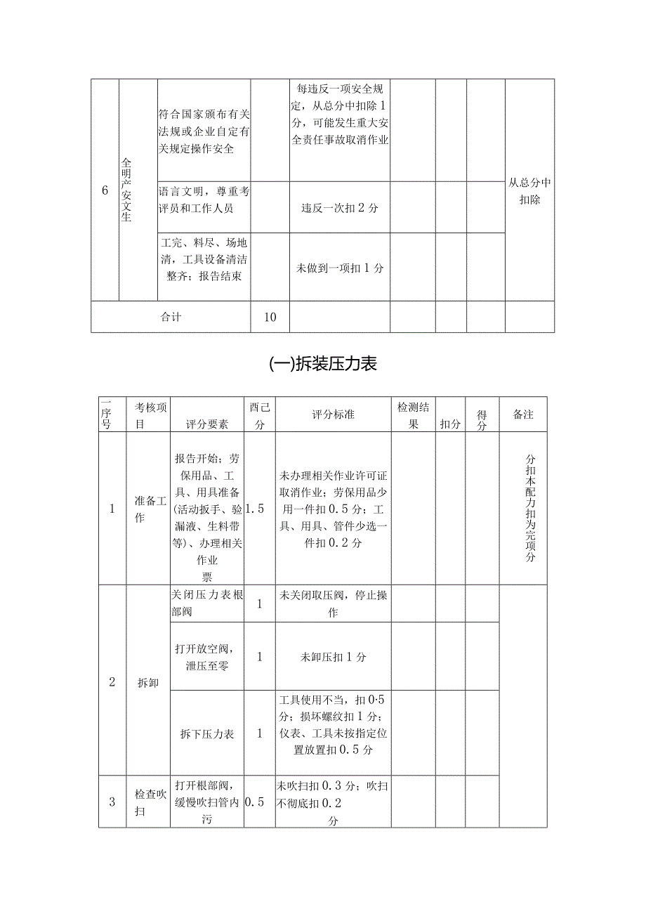
3、压力变送器起压情况,观察变送器上位机示值,并与相应的压力示值进行比对,确认示值正常0.5未观察压力变送器起压及示值情况扣0.5分5记录做好记录(值班记录、关闭作业票)0.5未做记录扣0.5分6全明产安文生符合国家颁布有关法规或企业自定有关规定操作安全每违反一项安全规定,从总分中扣除1分,可能发生重大安全责任事故取消作业从总分中扣除语言文明,尊重考评员和工作人员违反一次扣2分工完、料尽、场地清,工具设备清洁整齐;报告结束未做到一项扣1分合计10(一)拆装压力表一序号考核项目评分要素酉己分评分标准检测结果扣分得分备注1准备工作报告开始;劳保用品、工具、用具准备(活动扳手、验漏液、生料带等)、办理相

4、关作业票1.5未办理相关作业许可证取消作业;劳保用品少用一件扣0.5分;工具、用具、管件少选一件扣0.2分分扣本配力扣为完项分关闭压力表根部阀1未关闭取压阀,停止操作2拆卸打开放空阀,泄压至零1未卸压扣1分拆下压力表1工具使用不当,扣05分;损坏螺纹扣1分;仪表、工具未按指定位置放置扣0.5分3检查吹扫打开根部阀,缓慢吹扫管内污0.5未吹扫扣0.3分;吹扫不彻底扣0.2分物后,再关闭根部阀检查压力表及连接接头0.5未检查压力表及接头扣0.5分4安装将要安装的压力表缠上生料带1未缠生料带扣1分安装压力表1未用双扳手操作扣1分逐渐打开取压阀0.5未打开取压阀扣0.5分观察压力表起压情况0.5未观察

5、压力表起压情况扣0.5分待压力表读数基本稳定后进行验漏1未验漏或接头泄漏扣1分5记录作好记录(值班记录、关闭作业票)0.5未做记录扣0.5分6安全文明生产家关企有操国有或定定全合布规自规安符颁法业关作每违反一项安全规定,从总分中扣除1分,可能发生重大安全责任事故取消作业从总分中扣除语言文明,尊重考评员和工作人员违反一次扣2分工完、料尽、场地清,工具设备清洁整齐;报告结未做到一项扣1分束合计10()拆装双金属温度计序号考核项目评分要素配分评分标准检测结果Il得分备注1准备工作报告开始;劳保用品、工具、用具准备(活动扳手、导热油等)、办理相关作业票2未办理相关作业许可证取消作业;劳保用品少用一件扣

6、0.5分;工具、用具、管件少选一件扣0.5分分扣本配扣为完项夕2拆卸用扳手旋转温度计的螺扣,拆下温度计。2操作不当扣2分清理出套管内的废液。1未清理扣1分3安装添加导热油液位到达套管约1/2处。1未添加导热油扣1分,添加不到位扣0.5分将温度计尾部插入套管,使用扳手紧固温度计螺扣。耐震双金属温度计安装完毕后,应旋松表盘顶部的油针(或打开油帽),使表内与大气连通,为大气压力,然后2操作不当扣2分,耐震双金属温度计安装完毕后未平衡表内压力扣1分旋紧油针(或盖上油帽)以防止进水。观察温度计示值,并与相应的温度示值进行比对,确认示值正常1未观察温度计示值扣1分4记录作好记录(值班记录、关闭作业票)1未

7、做记录扣1分安全符合国家颁布有关法规或企业自定有关规定操作安全每违反一项安全规定,从总分中扣除1分,可能发生重大安全责任事故取消作业从总5文明生产语言文明,尊重考评员和工作人员违反一次扣2分分中扣除工完、料尽、场地清,工具设备清洁整齐;报告结束未做到一项扣1分合计10(四)超声波流量计拆卸与安装一序号考核项目评分要素配分评分标准检测结果得分备注1准备工作报告开始;劳保用品、工具、用具准备(十字螺丝刀、活动扳手、万用表、仪表螺丝刀、四合一检测仪、验漏壶、内外环缠绕垫片等)、办理相关作业票1未办理相关作业许可证取消作业;劳保用品少用一件扣0.5分;工具、用具、管件少选一件扣0.2分口EnJz1ZK

8、lJ扣为完项夕2拆卸关闭流量计前后球阀,将待拆卸流量计管段内压力放空至零1未将流量计管段内压力放空至零扣1分对流量计管段进行氮气置换并检测合格1未进行氮气置换并检测合格扣1分拆除现场流量计供电电源线和信号线,并作标识。拆卸流量计本体上的变送器引压管。1未拆除电源线和信号线扣1分,未拆卸流量计变送器引压管扣0.5分拆除流量计并安装直管段。1工具使用不当,扣0.5分;损坏螺纹扣1分;仪表、工具未按指定位置放置扣05分3安装确保管段内天然气检测浓度为零,拆除短接0.5未管段内天然气检测浓度扣05分安装流量计,紧固螺丝,安装压力变送器引压管。1工具使用不当扣0.5分,损坏螺纹扣1分,仪表、工具未按指定

9、位置放置扣0.5分氮气置换并检测合格。1未进行氮气置换并检测合格扣1分打开流量计前球阀升压,用可燃气体检测仪或验漏液检查现场无漏气。0.5未升压扣0.5分,未验漏扣0.5分开启引压管的阀门,启用压力变送器,连1未启用压力变送器扣0.5分,流量计信号线接流量计信号线,进行流量计供电。接线不正确扣1分检查流量计算机和超声流量计通讯状态,检查流量计算机上压力数据和实际是否相符。0.5未检查流量计算机和超声流量计通讯状态及各项参数扣0.5分4记录做好记录(值班记录、关闭作业票)0.5未做记录扣0.5分5全明产安文生符合国家颁布有关法规或企业自定有关规定操作安全每违反一项安全规定,从总分中扣除1分,可能

10、发生重大安全责任事故取消作业从总分中扣除语言文明,尊重考评员和工作人员违反一次扣2分工完、料尽、场地清,工具设备清洁整齐;报告结束未做到一项扣1分合计10(五)超声流量计卡件及探头更换、组态下载序号考核项目评分要素配分评分标准检测结果得分备注1准备工作报告开始;劳保用品、工具、用具准备(便携式笔记本、数据线、螺丝刀、探头专用拆卸工具等)、办理相关作业票1未办理相关作业许可证取消作业;劳保用品少用一件扣0.5分;工具、用具、管件少选一件扣0.2分分扣本配力扣为完项分2查除检拆对超声流量计的配置进行备份,确保备份1未备份扣1分的实效性。核查超声流量计相关卡件工作是否正常,找到故障部件(SPU板、探

11、头等)。1未找到故障部件扣1分量开供保作电F断ELi+确ti+无三-*S温科分认位台校两部。确计超电超业压1未断开超声流量计供电电源扣1分拆除超声流量计故障部件及部件接线(若更换探头须先对超声流量计进行放空注氮操作,并确认作业部分管压为零)1.5工具使用不当,扣0.5分;仪表、工具未按指定位置放置扣0.5分;未拆除扣1分;更换探头未进行放空注氮扣1分3更换更换和安装超声流量计部件并接线,确认部件接线正常、稳固。1工具使用不当,扣0.5分;接线不正确扣1分进行超声流量计供电并重新组态(如探头型号、参数)1未进行供电扣1分,未重新组态扣05分下载最新组态(若更换探头须先对作业部分管线进行升压,并确保压力在IMPa以上且管线无泄漏)。1未下载最新组态扣1分;若更换探头对作业部分管线未升压至IMPa以上扣0.5分备份超声流量计组态文件,逐一与流量计算机核对数据1未备份扣0.5分,未核对数据扣05分上传的实时性。4记录做好记录(值班记录、关闭作业票)0.5未做记录扣0.5分5安全文明生产符合国家颁布有关法规或企业自定有关规定操作安全每违反一项安全规定,从总分中扣除1分,可能发生重大安全责任事故取消作业从总分中扣除语言文明,尊重考评员和工作人员违反一次扣2分工完、料尽、场地清,工具设备清洁整齐;报告结束未做到一项扣1分合计10(六)流

展开阅读全文
相关资源
猜你喜欢
相关搜索

当前位置:首页 > 办公文档 > 简明教程

copyright@ 2008-2023 1wenmi网站版权所有

经营许可证编号:宁ICP备2022001189号-1

本站为文档C2C交易模式,即用户上传的文档直接被用户下载,本站只是中间服务平台,本站所有文档下载所得的收益归上传人(含作者)所有。第壹文秘仅提供信息存储空间,仅对用户上传内容的表现方式做保护处理,对上载内容本身不做任何修改或编辑。若文档所含内容侵犯了您的版权或隐私,请立即通知第壹文秘网,我们立即给予删除!