龙池西锦二期工程项目卸料平台施工方案.docx

上传人:p** 文档编号:858846 上传时间:2024-03-22 格式:DOCX 页数:19 大小:115.74KB
下载 相关 举报
龙池西锦二期工程项目卸料平台施工方案.docx_第1页
第1页 / 共19页
龙池西锦二期工程项目卸料平台施工方案.docx_第2页
第2页 / 共19页
龙池西锦二期工程项目卸料平台施工方案.docx_第3页
第3页 / 共19页
龙池西锦二期工程项目卸料平台施工方案.docx_第4页
第4页 / 共19页
龙池西锦二期工程项目卸料平台施工方案.docx_第5页
第5页 / 共19页
龙池西锦二期工程项目卸料平台施工方案.docx_第6页
第6页 / 共19页
龙池西锦二期工程项目卸料平台施工方案.docx_第7页
第7页 / 共19页
龙池西锦二期工程项目卸料平台施工方案.docx_第8页
第8页 / 共19页
龙池西锦二期工程项目卸料平台施工方案.docx_第9页
第9页 / 共19页
龙池西锦二期工程项目卸料平台施工方案.docx_第10页
第10页 / 共19页
亲,该文档总共19页,到这儿已超出免费预览范围,如果喜欢就下载吧!
资源描述

《龙池西锦二期工程项目卸料平台施工方案.docx》由会员分享,可在线阅读,更多相关《龙池西锦二期工程项目卸料平台施工方案.docx(19页珍藏版)》请在第壹文秘上搜索。

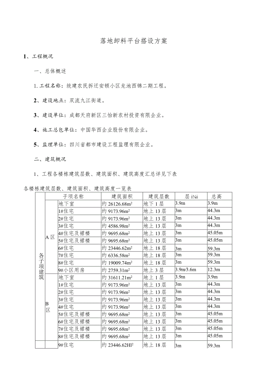
1、落地卸料平台搭设方案1、工程概况一、总体概述1.工程名称:统建农民拆迁安顿小区龙池西锦二期工程。2、建设地点:双流九江街道。3、建设单位:成都天府新区三怡新农村投资有限企业。4、施工总包单位:中国华西企业股份有限企业。5、监理单位:四川省都市建设工程监理有限企业。二、建筑概况1、工程各楼栋建筑层数、建筑面积、建筑高度汇总详见下表各楼栋建筑层数、建筑面积、建筑高度一览表各子项建筑子项名称建筑面积建筑层数层ii总高A区地下室约26126.68m2地下1层3.9m3.9m1#住宅约9173.96m2地上13层3m44.3m2#住宅约9173.96m2地上13层3m44.3m3#住宅约4586.98m

2、2地上13层3m44.3m4#住宅及裙楼约9695.68m2地上13层3m45.05m5#住宅及裙楼约9695.68m2地上13层3m45.05m6#住宅约23446.62m2地上18层3m59.3m7#住宅约6336.58m2地上18层3m59.3m8#住宅约19009.74m2地上18层3m59.3m9#小区用房约2759.31m2地上3层3.9m3.6m12.3mB区地下室约31611.21m2地上1层3.9m3.9m1#住宅约9173.96m2地上13层3m44.3m2#住宅约9173.96m2地上13层3m44.3m3#住宅约9173.96m2地上13层3m44.3m4#住宅约917

3、3.96m2地上13层3m44.3m5#住宅及裙楼约9695.68m2地上13层3m45.05m6#住宅及裙楼约9695.68m2地上13层3m45.05m7#住宅及裙楼约9695.68m2地上13层3m45.05m8#住宅及裙楼约9695.68m2地上13层3m45.05m9#住宅约23446.62Hl2地上18层3m59.3m10#住宅约6336.58m2地上18层3m59.3m11#住宅约12673.16m2地上18层3m59.3m12#小区用房约2422.48m2地上3层3.9m3.6m12.3m2、建筑构造:基础形式为筏板基础(车库为独立柱),剪力墙构造(地下车库为框剪构造),地下1

4、层,地上13(18)层,原则层层高3米。A区1-8号楼为剪力墙构造,9号楼为框架构造;B区1-11号楼为剪力墙构造,12号楼为框架构造。抗震设防烈度为7。2、施工流程2.1落地式脚手架接料平台地基基础处理一立杆垫板铺设一立杆位置放线一竖立杆(随即立杆与扫地杆用直角扣件扣紧)一扫地小横杆一第一步大横杆一第一步小横杆一校正立杆一第二步大横杆一第二步小横杆一连墙件f防护栏杆f剪刀撑f铺设脚手板f接立杆一加设剪刀撑以此类推。3、施工措施(安装措施)3.1 接料平台的布置3.1.1 接料平台必须独立成体系,不得与外脚手架连接。3.1.2 根据本工程特点以及立面的状况、周围环境、现场实际状况,五层如下采用

5、落地式接料平台,五层以上采用悬挑式接料平台。3.2 落地式接料平台的搭设脚手架钢管及扣件脚手架钢管为048X3.0的钢管,应符合GB/T700-2023中Q235级钢的规定,扣件GB15831-2023钢管脚手架扣件的规定,扣件在螺栓拧紧扭力距到达65Nm时不得发生破坏。3.2.2脚手板脚手板采用50mm厚木跳板,宽度300mm,长度根据现场需要定尺。3.2.3脚手架搭设立杆纵距1.5mm,立杆横距1.05mm,立杆步距1.8mm,立杆底座通长铺设10#槽钢,钢管立杆防滑采用20螺纹钢,长度100nIIn,按照立杆间距和槽钢焊接。3.2.4基础处理接料平台基础采用混凝土硬化,若脚手架地基为回填

6、土,应按规定分层扎实,到达密实度规定,并自地面如下IM深改作三七灰土。接料平台基础混凝土厚度200mm,标号不得低于C25,四面宽出立杆位置30Onlm,并在四面设置排水沟。4、资源计划4.1劳动力安排序号工种数量(人)序号工种数量(人)1架工105塔吊司机12电焊工46专职安全员13普工57技术员14塔吊指挥184.2施工机械安排序号机械或设备名称规格型号数量备注1塔吊QTZ-8042塔吊QTZ-6313电焊机BX3-500-215、特殊技术质量控制措施5.1立杆5.1.1每根立杆底部应设置10#槽钢的底座,里立杆距外墙300mmo5.1.2脚手架必须设置纵、横向扫地杆。纵向扫地杆应采用直角

7、扣件固定在距底座上皮不不小于20Omm处的立杆上。横向扫地杆亦应采用直角扣件固定在紧靠纵向扫地杆下方的立杆上。立杆接长接头必须采用对接扣件连接。对接应符合下列规定:立杆上的对接扣件应交错布置:两根相邻立杆的接头不应设置在同步内,同步内隔一根立杆的两个相隔接头在高度方向错开的距离不适宜不不小于500mm;各接头中心至主节点的距离不适宜不小于步距的1/3。5.2连墙件5.2.1 接料平台连墙件应每层设置,且不少于2个连墙点。5.2.2 连墙件宜靠近主节点设置,偏离主节点的距离不应不小于300mm;5.2.3 钢管脚手架接料平台的连墙件必须采用刚性连墙件与建筑物可靠连接。5.2.4 连墙件的构造应符

8、合下列规定:连墙件中的连墙杆宜呈水平设置,当不能水平设置时,与脚手架连接的一端应下斜连接,不应采用上斜连接;连墙件必须采用可承受拉力和压力的构造。5.2.5本方案的连墙点采用刚性连接,见下图。接科平台蜘架连墙方式剖面图注:1、连墙钢管长度为400-50OnUn为宜2、预埋深度为200-30OnlIn3、预埋件与脚手架连接采用2m钢管,且不少于和两根立杆连接5.3横向水平杆5.3.1在接料平台脚手架中,靠墙一端的横向水平杆外延长度应不不小于300mm;5.3.2接料平台脚手架的横向水平杆两端。应用直角扣件固定在立杆上;5.4脚手板接料平台脚手板应铺满、铺稳;脚手板应采用对接平铺,每块脚手板都应用

9、直径10#的镀锌铁丝固定在纵向水平杆上。6、特殊安全技术措施6.1 电焊工、架子工必须具有特种工上岗证并经考核合格后方可上岗操作,施工前必须进行安全技术交底;上岗时必须系安全带,戴安全帽。严禁穿带钉、易滑鞋上岗作业。严禁酒后及五级以上大风、雷雨天进行作业。6.2 接料平台搭设完后最大接料重量要挂牌明示,限重牌设在平台入口的两侧。落地架计算书钢管脚手架的计算参照建筑施工扣件式钢管脚手架安全技术规范(JGJI30-2023)、建筑地基基础设计规范(GB50007-2023).建筑构造荷载规范(GB50009-2023).钢构造设计规范(GB50017-2023)等规范。一、参数信息:1 .脚手架参

10、数搭设尺寸为:立杆的纵距为1.30m,立杆的横距为L05m,立杆的步距为1.80m;计算的脚手架为双排脚手架搭设高度为15.3m,立杆采用单立管;内排架距离墙长度为0.30m;大横杆在上,搭接在小横杆上的大横杆根数为3;采用的钢管类型为648X3.0;横杆与立杆连接方式为单扣件;扣件抗滑承载力系数为0.80;连墙件采用两步两跨,竖向间距3.60m,水平间距2.60m,采用扣件连接;连墙件连接方式为双扣件;2 .活荷载参数施工荷载均布参数(kN?):3.000;脚手架用途:装修脚手架;同步施工层数:2;3 .风荷载参数四川省成都地区,基本风压为0.35,风荷载高度变化系数HZ为0.84,风荷载体

11、型系数US为L06;考虑风荷载4 .静荷载参数每米立杆数承受时构造自重原则(kN/nd:0.1190;脚手板自重原则值(kN112):0.350;栏杆挡脚板自重原则值(kN/nO:。.140;安全设施与安全网(kN112):0.005;脚手板铺设层数:5;脚手板类别:木脚手板;栏杆挡板类别:栏杆木;5 .地基参数地基土类型:混凝土;地基承载力原则值(kNm2):500.00;基础底面扩展面积(布):0.07;基础减少系数:1.00。落地架侧立面图Ia-立杆纵距h-立杆步距落地架正立面图二、大横杆的计算:大横杆按照三跨持续梁进行强度和挠度计算,大横杆在小横杆的上面。按照大横杆上面的脚手板和活荷载

12、作为均布荷载计算大横杆的最大弯矩和变形。1.均布荷载值计算大横杆的自重原则值:P尸0.033kN/m;脚手板的荷载原则值:P2=O.350X1.050/(3+1)=0.092kN/m;活荷载原则值:Q=3.000l.050/(3+1)=0.788kN/m;静荷载的计算值:ql=l.20.033l.2X0.092=0.150kN/m;活荷载的计算值:q2=1.40.788=1.103kN/m;Qxq三q口口!口口口口!!口口!I口口!a2&11-1Jr1i1Jr大横杆计算荷载组合简图(跨中最大弯矩和跨中最大挠度)Qiq三IiiiIiIIIIliEEq口口1a大横杆计算荷载组合简图(支座最大弯矩)

13、2 .强度计算最大弯矩考虑为三跨持续梁均布荷载作用下的弯矩跨中最大弯距计算公式如下:峪喉三0.082+0.10.7/跨中最大弯距为MMX=O.08X0.150X1.3002+0.10X1.103X1.30()2力207kN.m;支座最大弯距计算公式如下:场皿三-0.1012-0.1172支座最大弯距为M2bbx=-0.100.150l.3002-0.1171.103l.30020.243kN.m;我们选择支座弯矩和跨中弯矩的最大值进行强度验算:=Max(0.207l.24310fi)/4490.0=54.120N/mm2;大横杆的抗弯强度:。=54.120N/mm2不不小于f=205.0NmZ

14、满足规定!3 .挠度计算:最大挠度考虑为三跨持续梁均布荷载作用下的挠度计算公式如下:=0,677-+0.990-100EZ1005Z静荷载原则值:q=P+P2=0.033+0.092=0.125kN/m;活荷载原则值:q2=Q=0.788kN/m;三跨持续梁均布荷载作用下的最大挠度V=0.6770.1251300.07(1002.06IO5X107800.0)+0.990X0.788X1300.07(1002.06IO5X107800.0)=1.112mm;脚手板,纵向、受弯构件的容许挠度为1/150与10mm请参照规范表。大横杆的最大挠度不不小于1300.0/150mm或者10mm,满足规定!三、小横杆的计算:小横杆按照简支梁进行强度和挠度计算,大横杆在小横杆的上面。用大横杆支座的最大反力计算值,在最不利荷载布置下计算小横杆的最大弯矩和变形。1 .

展开阅读全文
相关资源
猜你喜欢
相关搜索

当前位置:首页 > 办公文档 > 解决方案

copyright@ 2008-2023 1wenmi网站版权所有

经营许可证编号:宁ICP备2022001189号-1

本站为文档C2C交易模式,即用户上传的文档直接被用户下载,本站只是中间服务平台,本站所有文档下载所得的收益归上传人(含作者)所有。第壹文秘仅提供信息存储空间,仅对用户上传内容的表现方式做保护处理,对上载内容本身不做任何修改或编辑。若文档所含内容侵犯了您的版权或隐私,请立即通知第壹文秘网,我们立即给予删除!