正压式消防空气呼吸器检查表.docx

上传人:p** 文档编号:872256 上传时间:2024-03-24 格式:DOCX 页数:3 大小:16.72KB
下载 相关 举报
正压式消防空气呼吸器检查表.docx_第1页
第1页 / 共3页
正压式消防空气呼吸器检查表.docx_第2页
第2页 / 共3页
正压式消防空气呼吸器检查表.docx_第3页
第3页 / 共3页
亲,该文档总共3页,全部预览完了,如果喜欢就下载吧!
资源描述

《正压式消防空气呼吸器检查表.docx》由会员分享,可在线阅读,更多相关《正压式消防空气呼吸器检查表.docx(3页珍藏版)》请在第壹文秘上搜索。

1、正压式消防空气呼吸器检查表正压式空气呼吸器使用说明一、空气呼吸器使用前的检查1检查全面罩的镜片、系带、环状密封、呼气阀、吸气阀是否完好,和供给阀的连接是否牢固。全面罩的各个部位要清洁,不能有灰尘或被酸、碱、油及有害物质污染,镜片要擦拭干净。2供给阀的动作是否灵活,与中压导管的连接是否牢固。3气源压力表能否正常指示压力。4检查背具是否完好无损,左右肩带、左右腰带缝合线是否断裂。5气瓶组件的固定是否牢固,气瓶与减压器的连接是否牢固、气密。6打开瓶头阀,随着管路、减压系统中压力的上升,会听到气源余压报警器发出的短促声音;7瓶头阀完全打开后,检查气瓶内的压力正常。8检查整机的气密性,打开瓶头阀Imin

2、后关闭瓶头阀,观察压力表的示值Imin内的压力下降不超过2Mpao9检查全面罩和供给阀的匹配情况,关闭供给阀的进气阀门,佩戴好全面罩吸气,供给阀的进气阀门应自动开启。10根据使用情况定期进行上述项目的检查。空气呼吸器在不使用时,每月应对上述项目检查一次。二、保养注意事项:1、空气呼吸器及备件应避免在日光下直接照射,以免橡胶件硬化。2、空气呼吸器是与人体呼吸器官发生直接关系,因此要保持其卫生清洁。3、仪器应放置在专用存放柜内,不遭到灰尘污染,以免有害生理健康。4、空气呼吸器严禁油脂。5、橡胶物品如长期不用时,应涂一层滑石粉,使用时用水清洗,以增加使用寿命。三、气瓶的使用保管:a)保管者和使用者必

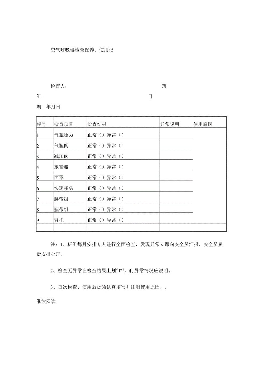
3、须严格遵守有关的规章制度。b)气瓶严禁沾染油脂。c)夏季不要放在日光爆晒的地方,防止老化。d)在运输和储存的过程中,应避免气瓶受到振动,且不要拖拉手动瓶阀来移动气瓶。e)新更换或充气的气瓶,在气瓶表面要标记更换日期,以确保气瓶随时达到备用状态。f)空气呼吸器及备件属于公司贵重防护仪器,使用管理工作由公司各使用班组具体负责,要严格交接班制度,禁止非使用人员随意佩带或挪动,防止丢失或损坏,否则对责任人进行严格经济处罚。空气呼吸器检查保养、使用记检查人:班组:日期:年月日序号检查项目检查结果异常说明使用原因1气瓶压力正常()异常()2气瓶阀正常()异常()3减压阀正常()异常()4报警器正常()异常()5面罩正常()异常()6快速接头正常()异常()7腰带组正常()异常()8瓶带组正常()异常()9背托正常()异常()注:1、班组每月安排专人进行全面检查,发现异常立即向安全员汇报,安全员负责安排处理。2、检查无异常在检查结果上划J即可,异常情况应说明。3、每次检查、使用后必须认真填写并注明使用原因,。继续阅读

展开阅读全文
相关资源
猜你喜欢
相关搜索

当前位置:首页 > 汽车/机械/制造 > 电气技术

copyright@ 2008-2023 1wenmi网站版权所有

经营许可证编号:宁ICP备2022001189号-1

本站为文档C2C交易模式,即用户上传的文档直接被用户下载,本站只是中间服务平台,本站所有文档下载所得的收益归上传人(含作者)所有。第壹文秘仅提供信息存储空间,仅对用户上传内容的表现方式做保护处理,对上载内容本身不做任何修改或编辑。若文档所含内容侵犯了您的版权或隐私,请立即通知第壹文秘网,我们立即给予删除!