职业病危害专项治理检查表——非煤矿山企业.docx

上传人:p** 文档编号:87575 上传时间:2022-12-20 格式:DOCX 页数:8 大小:33.21KB
下载 相关 举报
职业病危害专项治理检查表——非煤矿山企业.docx_第1页
第1页 / 共8页
职业病危害专项治理检查表——非煤矿山企业.docx_第2页
第2页 / 共8页
职业病危害专项治理检查表——非煤矿山企业.docx_第3页
第3页 / 共8页
职业病危害专项治理检查表——非煤矿山企业.docx_第4页
第4页 / 共8页
职业病危害专项治理检查表——非煤矿山企业.docx_第5页
第5页 / 共8页
职业病危害专项治理检查表——非煤矿山企业.docx_第6页
第6页 / 共8页
职业病危害专项治理检查表——非煤矿山企业.docx_第7页
第7页 / 共8页
职业病危害专项治理检查表——非煤矿山企业.docx_第8页
第8页 / 共8页
亲,该文档总共8页,全部预览完了,如果喜欢就下载吧!
资源描述

《职业病危害专项治理检查表——非煤矿山企业.docx》由会员分享,可在线阅读,更多相关《职业病危害专项治理检查表——非煤矿山企业.docx(8页珍藏版)》请在第壹文秘上搜索。

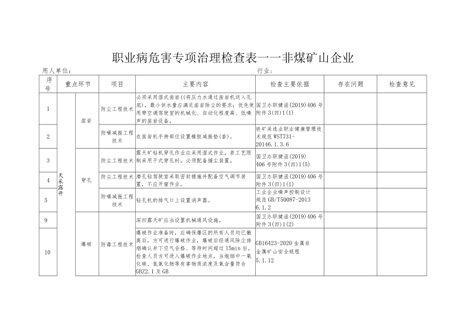
1、职业病危害专项治理检查表一一非煤矿山企业用人单位:行业:序号重点环节项目主要内容检查主要依据存在问题检查意见1天采露开凿岩防尘工程技术必须采用湿式凿岩(将压力水通过凿岩机送入孔底),最小供水量应满足凿岩除尘的要求;优先使用带空调驾驶室的机械化、自动化程度高、低噪声的凿岩设备。国卫办职健函(2019)406号附件3(四)1(1)2防噪减振工程技术在凿岩机手持部位设置橡胶减振垫(套)。铁矿采选业职业健康管理技术规范WST731-20146.1.3.63穿孔防尘工程技术露天矿钻机穿孔作业应采用湿式作业,若工艺限制采用干式穿孔时,必须配备捕尘装置。国卫办职健函(2019)406号附件3(四)1(5)4

2、防尘工程技术潜孔钻驾驶室采取密封措施并配备空气调节装置,不应开窗作业。国卫办职健函(2019)406号附件3(四)1(1)5防噪减振工程技术钻孔机的排气口上设置消声器。工业企业噪声控制设计规范GB/T50087-20136.1.29爆破防毒工程技术深凹露天矿应当设置机械通风设施。国卫办职健函(2019)406号附件3(四)1(2)10爆破作业准备时,应确保爆区的所有人员均已撤离后,方可进行爆破作业,爆破后经通风除尘排烟确认井下空气合格、等待时间超过15min后,检查人员方可进入爆破作业地点,当炮烟中一氧化碳、氮氧化物等有害物质浓度及氧含量符合GBZ2.1及GBGB16423-2020金属非金属

3、矿山安全规程5.1.128958的要求时方可允许开展后续作业。11筑饰料采割建装荒开切防尘、防噪工程技术建筑装饰荒料开采切割,优先使用湿式切割机、带空调驾驶室的机械化、自动化程度高、低噪声的设备。国卫办职健函(2019)406号附件3(四)1(4)12铲装、运输防尘工程技术装载前应当利用高位水池或洒水车对爆堆进行洒水。国卫办职健函(2019)406号附件3(四)2(2)13装载机、挖掘机、载重汽车驾驶室采取密封措施并安装空调设施。国卫办职健函(2019)406号附件3(四)2(1)、3(1)14矿石堆场设置喷雾降尘设施。工业企业设计卫生标准GBZ1-20106.1.1.315在带式输送机受料处

4、和卸料处,应采取密封抑尘和除尘措施。根据物料性质,采用湿式除尘、干式除尘或干式与湿式联合除尘等方式。当工艺不允许对物料加湿时,应采用干式除尘。GB50431-2020带式输送机工程技术标准14.2.216应当使用高位水池或洒水车对采场内运输道路进行洒水抑尘。国卫办职健函(2019)406号附件3(四)3(2)17破碎筛分防尘工程技术破碎、筛分设备均应进行整体或局部密闭,破碎机、振动筛的进出料口应设密闭罩和通风除尘设施,必要时设喷雾洒水设施。工业企业设计卫生标准GBZ1-20106.1.1.318破碎锤作业地点宜安装喷雾降尘设施,驾驶室采取密封措施并安装空调。工业企业设计卫生标准(GBZ1-20

5、10)GBZ1-20106.1.1.319防噪减振工程技术破碎筛分、矿石加工等工艺过程中,如劳动者经常或不定期停留在高噪声设备附近时,宜在设备附近设置控制、监督、观察、休息用的控制室/休息室,控制室/休息室尽可能远离高噪声设备布置,如普通控制室不能满足噪声防护要求时,应设置为隔声控制室/休息。工业企业噪声控制设计规范GB/T50087-20135.1.620振动强烈的破碎机、筛分机等不宜设置在楼板或平台上,应设置专用地基,并设置减振基础和减振元件。工业企业设计卫生标准GBZ1-20106.3.2.321露天开采防暑防寒露天开采等露天高温作业场所,应有休息室,设置降温或取暖设施,夏季防高温、冬季

6、防低温。工业企业设计卫生标准(GBZ1-2010)6.2.2.122地下开采凿岩防尘工程技术(地下盐矿及石膏矿除外)湿式打眼、湿式凿岩,最小供水量应满足除尘要求;优先使用带空调驾驶室的机械化、自动化程度高、低噪声的凿岩设备。国卫办职健函(2019)406号附件3(三)1(1)23凿岩前应清洗工作面10m内的巷壁。GB16423-2020金属非金属矿山安全规程6.1.4.124防噪减振工程技术在凿岩机手持部位设置橡胶减振垫(套)。铁矿采选业职业健康管理技术规范WS/T731-20146.1.3.625防尘工程技术(地下盐矿及石膏矿)应采用干式凿岩机或机械切削,并采取有效的干式捕尘、降尘措施,不得

7、再路面洒水或用水清洗采场矿壁。GB16423-2020金属非金属矿山安全规程6.3.2.1126地下开采防毒工程技术爆破作业准备时,应确保爆区的所有人员均已撤离后,方可进行爆破作业,爆破后经通风除尘排烟确认井下空气合格、等待时间超过15min后,检查人员方可进入爆破作业地点,当炮烟中一氧化碳、氮氧化物等有害物质浓度及氧含量符合GBZ2.1及GB8958的要求时方可允许开展后续作业。GB16423-2020金属非金属矿山安全规程5.1.1227井下采取全面通风及工作面局部通风,应保证通风系统有足够的风量排出爆破过程产生的一氧化碳、氮氧化物及柴油设备排出的尾气等有毒有害气体。GB16423-202

8、0金属非金属矿山安全规程6.6.228有硫化氢有害气体的矿山应制定硫化氢气体检测制度,每个班组都应携带气体检测仪,随时检测硫化氢气体浓度,硫化氢气体浓度小于国家职业接触限值方可进入,采掘过程中采取打超前释放孔等措施释放硫化氢气体,确保采掘过程人员的安全和健康。GB16423-2020金属非金属矿山安全规程6.3.2.1229人员进入独头工作面之前,应开动局部通风设备通风,确保空气质量满足作业要求。独头工作面有人作业时,局扇应连续运转。金属非金属地下矿山通风技术规范局部通风AQ2013.2-20084.730铲装、放矿防尘工程技术铲装作业掘进(采矿)爆堆,出渣(矿)前,应水浇爆堆并清洗巷道周壁;

9、前对爆堆充分喷雾洒水抑尘。GB16423-2020金属非金属矿山安全规程6.1.4.131翻车机应设水喷淋设施;GB16423-2020金属非金属矿山安全规程6.1.4.132在装岩过程中边装边洒水,采用铲斗装岩机时应安装自动或人工控制水阀的喷雾系统;GB16423-2020金属非金属矿山安全规程6.1.4.133电耙出矿应设喷雾降尘设施。GB16423-2020金属非金属矿山安全规程6.1.4.134溜井口放矿上部安装喷雾洒水设施。GB16423-2020金属非金属矿山安全规程6.1.4.135装载机等铲装设备应设置密封良好的驾驶室,并同时设置驾驶室的空气净化和调节系统,降尘同时防暑防寒,作

10、业时不应开窗作业。国卫办职健函(2019)406号附件3(三)2(1)36粗破、运输、提升防尘工程技术破碎优先采用自动化、密闭化、低噪声的设备。国卫办职健函(2019)406号附件3(三)437应当安装与破碎能力相适应的收尘装置,并设置抑尘喷淋装置。国卫办职健函(2019)406号附件3(三)4(2)38井下破碎碉室应当采取全面通风及局部通风。国卫办职健函(2019)406号附件3(三)439装载站、卸载站安装喷雾洒水设施。GB16423-2020金属非金属矿山安全规程6.1.4.140井下胶带运输应当在转载点采取喷雾抑尘或密闭措施。国卫办职健函(2019)406号附件3(三)3(1)41防噪

11、减振工程技术破碎场所设置密闭带有隔声功能的控制室和休息室。国卫办职健函(2019)406号附件3(三)4(4)42竖井斜井开采提升司机的操纵系统或操纵台区域、装载站、卸载站设置为方便操作的隔声控制室。工业企业噪声控制设计规范GB/T50087-20135.1.643地下开采防寒工程技术地下采矿应根据当地气候特点采取井筒送热风的形式进行防冻避寒。铁矿采选业职业健康管理技术规范WS/T731-20146.1.4.144选矿、矿石加工防尘工程技术在带式输送机受料处和卸料处,应采取密封抑尘和除尘措施。根据物料性质,采用湿式除尘、干式除尘或干式与湿式联合除尘等方式。当工艺不允许对物料加湿时,应采用干式除

12、尘。GB50431-2020带式输送机工程技术标准14.2.245破碎筛分厂房、皮带通廊及粉矿仓、集矿仓等车间的地面应定期用水冲洗(工艺不允许的除外)或湿式清扫,以减少二次扬尘。有条件的矿山在不方便采取湿式清扫等作业的区域,如皮带转运站,可因地制宜设置移动吸尘装置(或大型吸尘车)进行岗位或路面的二次扬尘清扫。工业建筑供暖通风与空气调节设计规范GB50019-20156.1.346斗式提升机视高度,在一端或两端分别设置吸风口进行通风除尘。选矿安全规程GB18152-200012.447破碎、筛分设备、进出料口均应进行整体或局部密闭,并设置密闭抽风除尘装置。国卫办职健函(2019)406号附件3(

13、三)5(1)48湿式磁选车间磨矿槽的上部、槽口、下部宜设置除尘系统,当磨矿槽储存及输送的物料含水量低于8%时,应设置喷雾降尘设施或其他除尘设施。选矿安全规程GB18152-200012.449干磨干选设备、进出料口应采取密闭,并设置密闭抽风除尘装置。选矿安全规程GB18152-200012.450选矿成品矿槽顶部采用移动卸料车时,应设置卸料除尘,卸料除尘应对皮带小车的卸料口采取有效的密封措施,或采用移动抽风槽的方式减少卸耨时产生的粉尘。选矿安全规程GB18152-200012.451防噪减振工程技术选矿加工的原料破碎车间、筛分车间、球磨车间、分装车间应建立具有隔声功能的休息室,工作人员非巡检时

14、间应留在休息室内。工业企业噪声控制设计规范GB/T50087-20135.1.652高带速或输送块状物料的带式输送机溜槽.、应采取溜槽阻尼等措施降低矿石击打的噪声强度。工业企业噪声控制设计规范GB/T50087-20134.4.153产生空气动力性高噪声设备如除尘风机、浮选鼓风机等空气,应在靠近进(排)气口处装设进(排)口消声器,并对对连接风机的管道外壁、风机机壳采取隔声包扎等措施。工业企业噪声控制设计规范GB/T50087-20136.1.254振动强烈的设备如球磨机、破碎机、筛分机等不宜设置在楼板或平台上,应设置专用地基,并设置减振基础和减振元件。GBZ1-20106.3.2.355防毒工程技术浮选化学品添加工序,应在加料口设置净化设施,各药剂搅拌槽应设密闭盖板

展开阅读全文
相关资源
猜你喜欢
相关搜索

当前位置:首页 > 行业资料 > 矿业工程

copyright@ 2008-2023 1wenmi网站版权所有

经营许可证编号:宁ICP备2022001189号-1

本站为文档C2C交易模式,即用户上传的文档直接被用户下载,本站只是中间服务平台,本站所有文档下载所得的收益归上传人(含作者)所有。第壹文秘仅提供信息存储空间,仅对用户上传内容的表现方式做保护处理,对上载内容本身不做任何修改或编辑。若文档所含内容侵犯了您的版权或隐私,请立即通知第壹文秘网,我们立即给予删除!