职业病危害因素检测交易标书.docx

上传人:p** 文档编号:87604 上传时间:2022-12-20 格式:DOCX 页数:5 大小:36.04KB
下载 相关 举报
职业病危害因素检测交易标书.docx_第1页
第1页 / 共5页
职业病危害因素检测交易标书.docx_第2页
第2页 / 共5页
职业病危害因素检测交易标书.docx_第3页
第3页 / 共5页
职业病危害因素检测交易标书.docx_第4页
第4页 / 共5页
职业病危害因素检测交易标书.docx_第5页
第5页 / 共5页
亲,该文档总共5页,全部预览完了,如果喜欢就下载吧!
资源描述

《职业病危害因素检测交易标书.docx》由会员分享,可在线阅读,更多相关《职业病危害因素检测交易标书.docx(5页珍藏版)》请在第壹文秘上搜索。

1、职业病危害因素检测交易标书1、交易标题【职业健康】05.18期职业病危害因素检测-青浦:C358医疗仪器设备及器械制造ShCgI华青2、委托方概况被测单位shcg1.检测地址上海市青浦区员工总数159人接触危害40人生产班制常日班厂休日双休管理部门综合部管理人员专职人兼职1人主要产品年产量年产值年产周期磁共振射频线圈3000套暂未公开年工作时间250天超导磁体100台暂未公开年工作时间250天3、项目要求项目要求项目要求企业性质国企口民营口外资口不限时限要求口中标后10个工作日内口平台安排区域要求口本区(3市内口不限业务延伸EI系统申报备案代理口职业病健康管理制度编制口暂无资质信誉口甲级口乙级

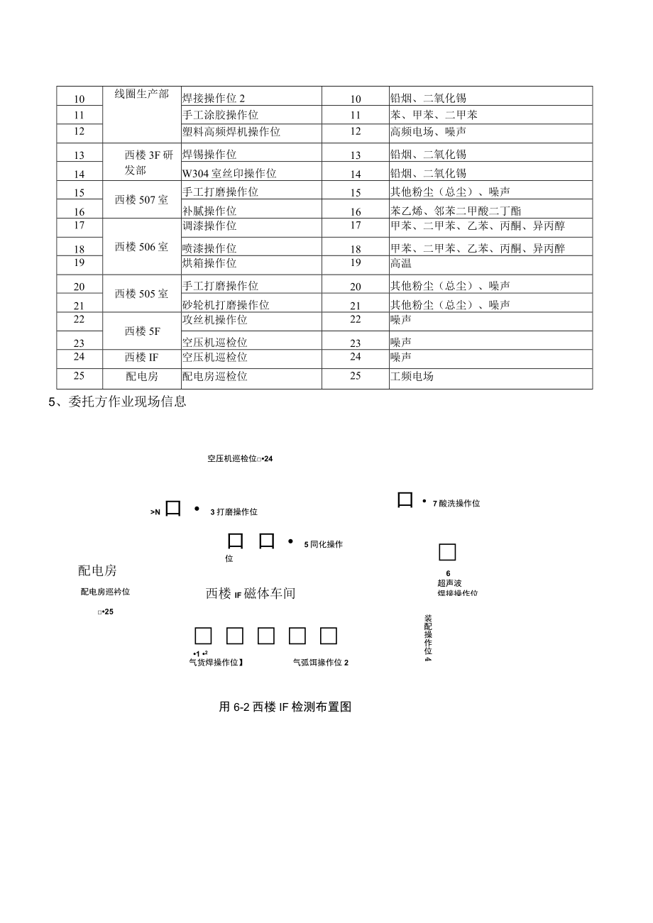
2、E1.不限数据准确口提供盲测数据口不需要现场调查口需要(3不需要不良记录口近5年内无违规记录口不限4、检测方案序号单元名称检测点名称检测点号检测项目1西楼IF磁体车间叙弧焊操作位11电焊弧光、电焊烟尘(总尘)、氮氧化物、臭氧2鼠弧焊操作位22电焊弧光、电焊烟尘(总尘)、氮氧化物、臭氧3打磨操作位3砂轮磨尘、噪声4装配操作位4噪声5固化操作位5高温6超声波焊接操作位6噪声7酸洗操作位7氟化氢、氮氧化物8车间办公室(W105)8噪声9西楼2F焊接操作位19铅烟、二氧化锡10线圈生产部焊接操作位210铅烟、二氧化锡11手工涂胶操作位11苯、甲苯、二甲苯12塑料高频焊机操作位12高频电场、噪声13西楼

3、3F研发部焊锡操作位13铅烟、二氧化锡14W304室丝印操作位14铅烟、二氧化锡15西楼507室手工打磨操作位15其他粉尘(总尘)、噪声16补腻操作位16苯乙烯、邻苯二甲酸二丁酯17西楼506室调漆操作位17甲苯、二甲苯、乙苯、丙酮、异丙醇18喷漆操作位18甲苯、二甲苯、乙苯、丙酮、异丙醉19烘箱操作位19高温20西楼505室手工打磨操作位20其他粉尘(总尘)、噪声21砂轮机打磨操作位21其他粉尘(总尘)、噪声22西楼5F攻丝机操作位22噪声23空压机巡检位23噪声24西楼IF空压机巡检位24噪声25配电房配电房巡检位25工频电场5、委托方作业现场信息空压机巡检位24配电房配电房巡衿位25N 口 3打磨操作位口 口 5同化操作位西楼IF磁体车间 1 2气货焊操作位】气弧饵掾作位2车间办公室 8(W105)口7酸洗操作位6超声波焊接操作位装配操作位4用6-2西楼IF检测布置图西楼2F线圈生产部岸接悻作位I灯接探作位2910.一I1.手工涂胶棒作位12地料商软饵机操作位A西楼3F研发部13焊锡操作位W304室丝印操作位14打磨车间西楼505室口20手工打发作位rI91砂轮机打磨U21操作位口22攻丝机巡检位23空压机巡检位西楼5F喷漆车间西楼506室口17调深爆作位口8嗔添It作位w烘M餐作位仲M力作位16口*15手工打磨操作位西楼507室

展开阅读全文
相关资源
猜你喜欢
相关搜索

当前位置:首页 > 金融/证券 > 期货

copyright@ 2008-2023 1wenmi网站版权所有

经营许可证编号:宁ICP备2022001189号-1

本站为文档C2C交易模式,即用户上传的文档直接被用户下载,本站只是中间服务平台,本站所有文档下载所得的收益归上传人(含作者)所有。第壹文秘仅提供信息存储空间,仅对用户上传内容的表现方式做保护处理,对上载内容本身不做任何修改或编辑。若文档所含内容侵犯了您的版权或隐私,请立即通知第壹文秘网,我们立即给予删除!