17.8.20安全隐患大排查大整治活动总结.docx

上传人:p** 文档编号:879659 上传时间:2024-03-26 格式:DOCX 页数:3 大小:17.52KB
下载 相关 举报
17.8.20安全隐患大排查大整治活动总结.docx_第1页
第1页 / 共3页
17.8.20安全隐患大排查大整治活动总结.docx_第2页
第2页 / 共3页
17.8.20安全隐患大排查大整治活动总结.docx_第3页
第3页 / 共3页
亲,该文档总共3页,全部预览完了,如果喜欢就下载吧!
资源描述

《17.8.20安全隐患大排查大整治活动总结.docx》由会员分享,可在线阅读,更多相关《17.8.20安全隐患大排查大整治活动总结.docx(3页珍藏版)》请在第壹文秘上搜索。

1、安全隐患大排查大整治活动监理工作总结根据公司武工监综33号文,关于安全隐患大排查大整治活动实施方案的通知要求,从2017年7月17日起在本站监理项目范围内展开了监理工作,有关活动情况总结如下:1、 及时传达了公司武工监综33号通知,制定了监理站“安全隐患大排查大整治活动实施措施”,检查了各监理人员及时受理和回复情况。2、 按照本次活动内容要求,对“防洪安全方面、劳动安全方面、营业线施工安全方面、线路防胀安全方面、施工机械安全方面、防火防爆安全方面和.临时道口安全方面”的七个方面,开展了隐患排查整治的监理工作。3、 按照活动开展的三个阶段做了落实,活动展开后进行了责任包保;监理工作控制情况无不良

2、反应。4、 要求加强监理工作履职履责。紧紧围绕确保施工安全、结合季节特点和阶段性重点工作、全面覆盖、不留死角地落实隐患整治监理工作;对宜万线桥槽更换工程列入主控监理项目的盯控,按照监理规范、客专营业线安全管理等有关规定,每日现场监理工作本站均进行了检查及盯控,保证了施工作业安全以及铁路运输安全稳定。5、 总监对宜万线桥槽更换工程进行了巡视、检查,对各施工作业点进行了现场盯控,对监理人员的监理日记、旁站记录进行了检查。6、 发现问题应及时提出整改落实,做到不漏项、层层覆盖,监理工作不缺失的盯控。7、 本次活动已纳入月度监理工作安全生产会议内容,个人月度监理工作应进行小结并纳入考核内容。通信基础网

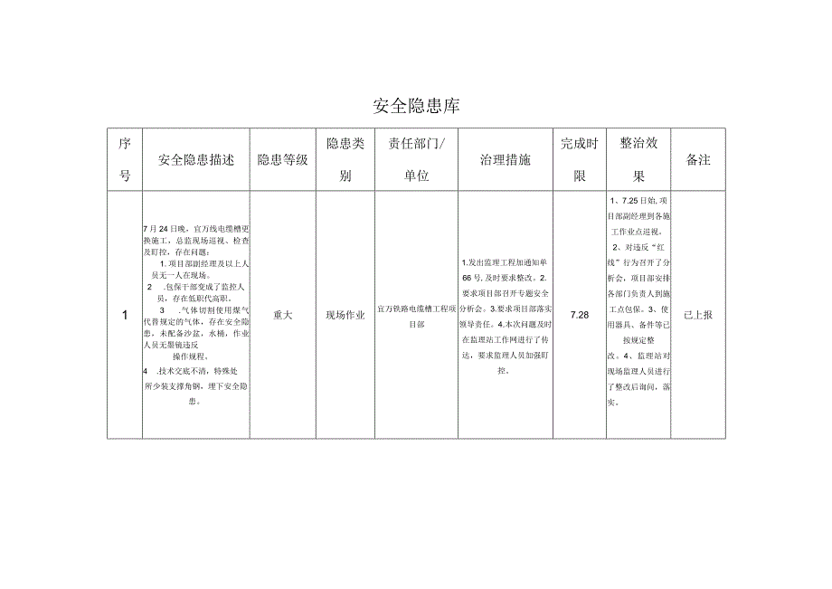
3、改造(四电)工程监理站2017年8月20日安全隐患库序号安全隐患描述隐患等级隐患类别责任部门/单位治理措施完成时限整治效果备注17月24日晚,宜万线电缆槽更换施工,总监现场巡视、检查及盯控,存在问题:1 .项目部副经理及以上人员无一人在现场。2 .包保干部变成了监控人员,存在低职代高职。3 .气体切割使用煤气代替规定的气体,存在安全隐患,未配备沙盆,水桶,作业人员无墨镜违反操作规程。4 .技术交底不清,特殊处所少装支撑角钢,埋下安全隐患。重大现场作业宜万铁路电缆槽工程项目部1.发出监理工程加通知单66号,及时要求整改。2.要求项目部召开专题安全分析会。3.要求项目部落实领导责任。4.本次问题及时在监理站工作网进行了传达,要求监理人员加强盯控。7.281、7.25日始,项目部副经理到各施工作业点巡视。2、对违反“红线”行为召开了分析会,项目部安排各部门负责人到施工点包保。3、使用器具、备件等已按规定整改。4、监理站对现场监理人员进行了整改后询问,落实。已上报

展开阅读全文
相关资源
猜你喜欢
相关搜索

当前位置:首页 > 办公文档 > 工作总结

copyright@ 2008-2023 1wenmi网站版权所有

经营许可证编号:宁ICP备2022001189号-1

本站为文档C2C交易模式,即用户上传的文档直接被用户下载,本站只是中间服务平台,本站所有文档下载所得的收益归上传人(含作者)所有。第壹文秘仅提供信息存储空间,仅对用户上传内容的表现方式做保护处理,对上载内容本身不做任何修改或编辑。若文档所含内容侵犯了您的版权或隐私,请立即通知第壹文秘网,我们立即给予删除!