6、工程机械修理工(技师)业绩评审标准表.docx

上传人:p** 文档编号:880281 上传时间:2024-03-26 格式:DOCX 页数:5 大小:26.68KB
下载 相关 举报
6、工程机械修理工(技师)业绩评审标准表.docx_第1页
第1页 / 共5页
6、工程机械修理工(技师)业绩评审标准表.docx_第2页
第2页 / 共5页
6、工程机械修理工(技师)业绩评审标准表.docx_第3页
第3页 / 共5页
6、工程机械修理工(技师)业绩评审标准表.docx_第4页
第4页 / 共5页
6、工程机械修理工(技师)业绩评审标准表.docx_第5页
第5页 / 共5页
亲,该文档总共5页,全部预览完了,如果喜欢就下载吧!
资源描述

《6、工程机械修理工(技师)业绩评审标准表.docx》由会员分享,可在线阅读,更多相关《6、工程机械修理工(技师)业绩评审标准表.docx(5页珍藏版)》请在第壹文秘上搜索。

1、工程机械修理工(技师)业绩评审标准表职业(工种)工程机械修理工级别技师考生姓名一、技能水平(一)关键技能序号项目评价内容配分评分标准业绩对应内容职责系数实际得分1检修与调试设备大(项)修、技改工作;组织大型设备安装、调试、交验或验收25作为主要参与人员完成过关键大型设备的安装、调试、交验或验收,提出重要的合理化建议并被采纳,对集团公司有一定贡献;或做为项目负责人,独立完成多台大型设备的大修、复杂拆装、项修或技改施工,成果显著。得23-25分(材料须有分部及以上证明)。参与完成过新设备的安装、调试、交验或验收,提出合理化建议并被采纳:或做为项目负责人,完成某台关键大型设备的大修、复杂拆装、项修或

2、技改,并达到技术标准。得22分(材料须有分部及以上证明)。参与完成关键大型设备某项的安装、调试、交验或验收,提出合理化建议并被采纳:或做为项目重要参与者,完成某项关键大型设备的大修、复杂拆装、顶修或技改,并达到技术标准,得20分(材料须有分部及以上证明)。基本掌握多项关键大型设备的检修规程和工艺,能独立组织小修以上本专业关键设备的检修工作;熟悉新设备安装调试步骤,可独立组织本专业关健设备的验收、调试工作,得15分。不能独立组织,作为主要参与人员,得10分;具备小修以下修程的组织及检修能力,得8分:对关键大型设备的安装调试以及检修规程及工艺概念模糊,得1-5分。(材料须有工班长及分部证明)对所辖

3、设备的大修、复杂拆装、项修或技改操作工艺了然于心,熟悉各类关键大型设备的安装和调试程序,在第4点得分基础上加1-4分,最高加4分,两项之和不超过20分。(需在总结材料中有体现)工作中没有体现检修或安装、调试技能,该项不做评价,得。分。续上表序项评价内容配评分标准业绩一职责一实际号Il分对应内容系数一得分2故障处理制定设备的抢修预案,熟识事故处理规程,正确迅速处理关键大型设备较复杂故障。15基本掌握关键大型设备各类故障的查找与排除(材料及案例福工班和分部证明)13T5分多次查找与排除关键大型设备较复杂的故障(材料及案例需工班和分部证明)9-12分能查找分析各种常见故障原因并提出解决措施(材料及案

4、例需工班和分部证明)7-8分能制定常见故障抢修预案(材料及案例需工班和分部证明)3-6分对故障的查找与排除概念模糊(证明材料无法证明属于上述4种情况的)1-2分技术总结中没有体现故障检修技能,不做评价(没有证明材料或证明材料虚假)O分3工艺编写改进以及执行编制或改进关键大型设备的检修工艺,编制或改进、生产操作规程、生产计划,执行良好。10参与编制、改进多项工艺、生产计划、操作规程(需分部及以上确认的证明材料)9-10分参与编制、改进过工艺、生产计划、操作规程(需分部及以上确认的证明材料)7-8分基本掌握工艺、生产计划、操作规程的编制(资料中体现),执行情况良好5-6分了解工艺、生产计划、操作规

5、程的编制(资料中体现,执行良好3-4分对工艺、生产计划、操作规程的编制模糊12分项目中没有体现工艺编制工作,不做评价0分4设计改进、项修根据生产工艺要求,对关键大型设备进行原理剖析,并改进设计功能,对设备项修。10根据生产工艺要求,参与对关键大型设备进行原理剖析并改进设计功能、或完成多项设备项修10分能根据生产工艺要求,参与大型设备原理剖析并改进设计功能、或完成过设备项修8分基本了解所辖的关键大型设备存在问题,对改进设计、或设备项修,有相关技术总结,正在筹备进行某类改进或项修5-7分。(资料有体现)基本了解所辖的关键大型设备存在问题,对改进设计、或设备项修,有相关技术总结(资料有体现)34分对

6、关键大型设备技术改造、国产化、或设备项修概念模糊1-2分项目中没有体现关键大型设备技术改造、国产化、或设备项修,不做评价。分5小结关键技能水平实际得分(说明:1.关键技能各项的实际得分=单项得分X项目职责系统。2.关键技能水平实际得分为以上4个项目的实际得分之和。3.关键技能水平总配分为60分,考生必须得到36分,关键技能才能及格。4.如果考生关键技能评价总得分低于36分,考生本次业绩评价结束,不再参与以下环节的评分。5.职责系数:指考生在关键业绩项目中所起的作用,考生主持或独立承担该项目的工作,职责系数为1.0;考生为该项目的主要参加者,职责系数为0.9:考生为该项目的一般参加者,职贡系数为

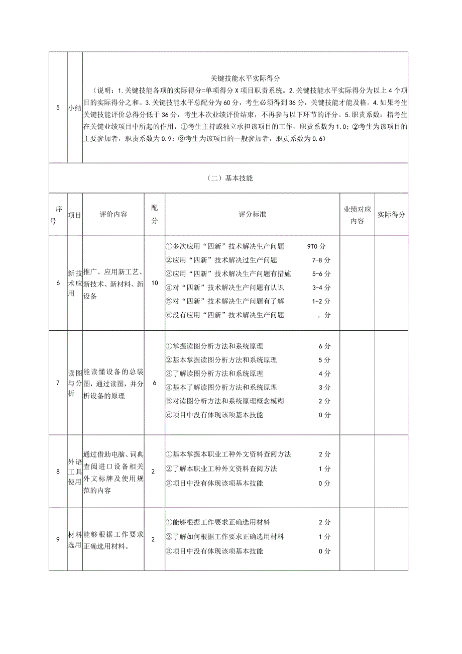
7、0.6)(二)基本技能序号项目评价内容配分评分标准业绩对应内容实际得分6新技术应用推广、应用新工艺、新技术、新材料、新设备10多次应用“四新”技术解决生产问题9T0分应用“四新”技术解决过生产问题7-8分应用“四新”技术解决生产问题有措施5-6分对“四新”技术解决生产问题有认识3-4分对“四新”技术解决生产问题有了解1-2分没有应用“四新”技术解决生产问题。分7读图与分析能读懂设备的总装图,通过读图,并分析设备的原理6掌握读图分析方法和系统原理6分基本掌握读图分析方法和系统原理5分了解读图分析方法和系统原理4分基本了解读图分析方法和系统原理3分对读图分析方法和系统原理概念模糊2分项目中没有体现

8、该项基本技能0分8外语工具使用通过借助电脑、词典查阅进口设备相关外文标牌及使用规范的内容2基本掌握本职业工种外文资料查阅方法2分了解本职业工种外文资料查阅方法1分项目中没有体现该项基本技能0分9材料选用能够根据工作要求正确选用材料。2能够根据工作要求正确选用材料2分了解如何根据工作要求正确选用材料1分项目中没有体现该项基本技能O分二、培训管理序号项目评价内容配分评分标准业绩对应内容实际得分10培训指指导本职业初、中、高级工进行实际操作:讲授本专业技术理论知识。4传授技艺和经验效果突出4分传授技艺和经验效果较好3分传授技艺和经验效果好2分传授技艺和经验效果般1分项目中没有体现培训指导工作0分11

9、管理质量管理3基本掌握各项质量指标,能够应用质量管理知识,实现操作过程的质量分析与控制3分了解各项质量指标,能够应用质量管理知识,实现操作过程的质量分析与控制2分基本了解各项质量指标,基本能够垃用质量管理知识,实现操作过程的质量分析与控制1分不了解各项质量指标,不能够应用质量管理知识,实现操作过程的质量分析与控制0分生产管理3参与所在单位生产管理,能够进行生产计划、调度及人员的管理3分基本能够组织有关人员协同作业2分基本能够协助部门领导进行生产计划、调度及人员管理1分项目中没有体现生产管理工作0分三、绩效评价序号项目评价内容配分评分标准业绩对应内容职责系数实际得分12创新能)参加国产化技术改造

10、、科研、技术革新、合理化建议项目课题攻关,通过该项目实施,实现提高了生产经济效益和节约了生产成本。10质量优秀、经济效益非常好,通过总部验收9T0分质量良好、经济效益良好,通过集团公司级验收6-8分质量较好、经济效益好,通过部门级验收4-5分质量好、经济效益一般2-3分质量一般、经济效益不明显1分有较大失误及经济效益不明显不计分值0分(1.考生实际得分=获奖分值X项目职贵系数。2.职责系数:指考生在关键业绩项目中所起的作用,考生主持或独立承担该项目的工作,职责系数为1.0;考生为该项目的主要参加者,职责系数为0.9;考生为该项目的一般参加者,职责系数为0.6。)合计100总分集团公司所属子公司、分公司专业考评组评审结果评分(平均分)考评员签名考评组意见考评组长签名:日期:年月日

展开阅读全文
相关资源
猜你喜欢
相关搜索

当前位置:首页 > 行业资料 > 国内外标准规范

copyright@ 2008-2023 1wenmi网站版权所有

经营许可证编号:宁ICP备2022001189号-1

本站为文档C2C交易模式,即用户上传的文档直接被用户下载,本站只是中间服务平台,本站所有文档下载所得的收益归上传人(含作者)所有。第壹文秘仅提供信息存储空间,仅对用户上传内容的表现方式做保护处理,对上载内容本身不做任何修改或编辑。若文档所含内容侵犯了您的版权或隐私,请立即通知第壹文秘网,我们立即给予删除!