地下室模板脚手架技术安全交底15.docx

上传人:p** 文档编号:881836 上传时间:2024-03-26 格式:DOCX 页数:13 大小:395.11KB
下载 相关 举报
地下室模板脚手架技术安全交底15.docx_第1页
第1页 / 共13页
地下室模板脚手架技术安全交底15.docx_第2页
第2页 / 共13页
地下室模板脚手架技术安全交底15.docx_第3页
第3页 / 共13页
地下室模板脚手架技术安全交底15.docx_第4页
第4页 / 共13页
地下室模板脚手架技术安全交底15.docx_第5页
第5页 / 共13页
地下室模板脚手架技术安全交底15.docx_第6页
第6页 / 共13页
地下室模板脚手架技术安全交底15.docx_第7页
第7页 / 共13页
地下室模板脚手架技术安全交底15.docx_第8页
第8页 / 共13页
地下室模板脚手架技术安全交底15.docx_第9页
第9页 / 共13页
地下室模板脚手架技术安全交底15.docx_第10页
第10页 / 共13页
亲,该文档总共13页,到这儿已超出免费预览范围,如果喜欢就下载吧!
资源描述

《地下室模板脚手架技术安全交底15.docx》由会员分享,可在线阅读,更多相关《地下室模板脚手架技术安全交底15.docx(13页珍藏版)》请在第壹文秘上搜索。

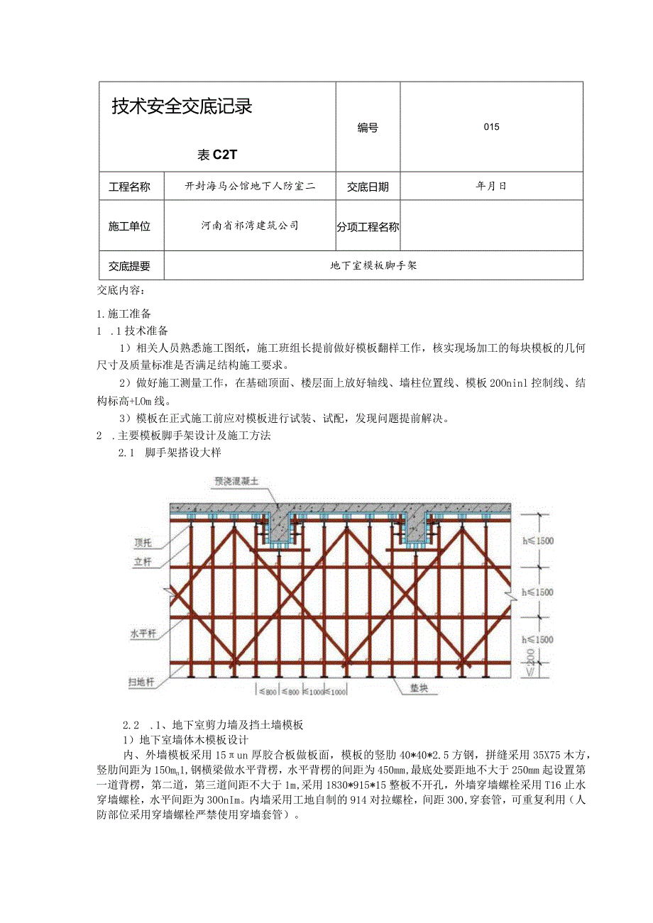
1、技术安全交底记录表C2T编号015工程名称开封海马公馆地下人防室二交底日期年月日施工单位河南省祁湾建筑公司分项工程名称交底提要地下室模板脚手架交底内容:1.施工准备1 .1技术准备1)相关人员熟悉施工图纸,施工班组长提前做好模板翻样工作,核实现场加工的每块模板的几何尺寸及质量标准是否满足结构施工要求。2)做好施工测量工作,在基础顶面、楼层面上放好轴线、墙柱位置线、模板20Oninl控制线、结构标高+LOm线。3)模板在正式施工前应对模板进行试装、试配,发现问题提前解决。2 .主要模板脚手架设计及施工方法2.1 脚手架搭设大样2.2 .1、地下室剪力墙及挡土墙模板1)地下室墙体木模板设计内、外墙

2、模板采用15un厚胶合板做板面,模板的竖肋40*40*2.5方钢,拼缝采用35X75木方,竖肋间距为15Omn1,钢横梁做水平背楞,水平背楞的间距为450mm,最底处要距地不大于250mm起设置第一道背楞,第二道,第三道间距不大于1m,采用1830*915*15整板不开孔,外墙穿墙螺栓采用T16止水穿墙螺栓,水平间距为30OnIm。内墙采用工地自制的914对拉螺栓,间距300,穿套管,可重复利用(人防部位采用穿墙螺栓严禁使用穿墙套管)。【剪力墙定型方钢次龙骨150间距】.00000ma?BB66BB000000000合一侧模板前预穿套管及对拉螺杆,待另一侧模板合成后,及时将所有预埋螺栓穿到对面

3、模板上1、横梁:第一道横梁距地面不大于250mm,固定在穿墙锣杆上,用十字垫片卡好,内外墙同时进行,并用锣母固定,横梁与横梁之间对接用对接接头。2、穿墙螺杆:每300Omm固定一根穿墙锣杆,将每道横梁上固定穿墙锣杆,用十字垫片卡住,并用锣母固定(内外对称)。3、十字垫片:使用在穿墙锣杆上的,当主背楞固定在穿墙锣杆上之后,内外墙用弓形扣件卡住,并用锣母固定(内外对称)。4、内墙在横梁与横梁之间固定时遇到拐角时用阴角相接。阴角与横梁之间直接套接。5、外墙在横梁与横梁之间固定时遇到拐角时用阳角相接。6、过口卡:当墙出现断面时(门口时),用过口卡连接在横梁上,用穿墙锣杆卡紧,并用锣母固定。面板竖楞拼缝

4、水平背楞穿墙杆材料多层板方钢木方钢管圆钢规格nm=1540x40*2.535x75钢支撑外墙:T16止水螺栓内墙:14对拉螺栓间距mm200450450楼梯间模板是先支墙体模板,后支楼梯模板,楼梯碎和顶板碎一同浇筑。2)对拉螺栓使用示意图对拉螺栓1.1.1、 2.3质量控制程序模板成型交验实行“三检制”,与混凝土浇筑令同步进行,班组自检合格后,工长检验,质量总监进行核定。填写预检记录表格、检验批评定和报验单,对于模板成型过程中要点真实记载,并向监理报验。每个环节检查如出现质量问题,视质量问题性质的轻重追究上一环节责任,并由上一环节负责任,同时由上一环节负责人负责改正问题。2.2.4、 质量控制

5、注意点1)、浇筑碎前必须检查支撑是否可靠,扣件是否松动。浇筑碎时必须由模板支设班组专人看模,随时检查支撑是否变形、松动、并组织及时恢复。2)、舱吊斗、泵管不得冲击模板及支撑体系。3)、模板使用应经过仔细挑选,对周转次数多,磨损严重、变形较大、表面粗糙的模板应及时更换。2.2.5、 安装允许偏差如下表序号项目允许偏差(InnI)1轴线位移52底模上表面标高53截面内部尺寸+4、-54层高垂直度全高5m65相邻板面高低差26表面平整度(2m长度上)52.3、顶板、梁模板2.3.1、 梁、板模板1)梁底模板采用48X3.5轮扣排架支撑,并与顶板模板支撑体系连为一体。梁底排架结构采用48X3.5钢管轮

6、扣搭设,梁底中间位置设一排竖向支撑,支撑间距0.6m,扫地水平横杆距地面200mm。中间第一道水平横杆距扫地杆为L5m,其他水平杆间步距1500mm。最上一道水平横杆距梁底不大于0.6m。对于重量较大的梁支撑立杆与横杆间应采用双扣件,防止横杆下滑。支撑立杆下必须设置垫板。现浇板模板支撑间距不得大于90Omn1,第一步大横杆距地L6m,其他水平杆不大于1.5m,水平杆采用纵横连续布置,板的支撑系统与梁的支撑系统连成一个整体。梁侧模板拼装完毕之后,拼装采用梁侧模包底模的方式,并用镰刀卡进行加固,间距不大于0.6m,校正好位置后用斜钢管拉撑拉结,斜拉撑间距不大于0.6m。对于剪力墙暗梁侧模的加固,应

7、事先在剪力墙中予留PvC管,模板支设时,在PvC管中穿镰刀卡固定模板。现浇面模板底采用4X8Cnl的木楞作为槿梁,槿梁的间距不得大于20cm。楼梯底面模板、楼梯梁模板采用覆面胶合板模板,踏步模板采用木模板。踏步模板与楼梯踏步高度相同,支设时先支设楼梯平台梁底,待绑扎完钢筋后支设平台梁侧模,然后再支楼梯底模,楼梯底模根据与平台梁成的角度倒角,使角度与所成角相同。楼梯侧墙上下层接茬必须处理到位,确保观感。2)梁高大于等于70Omm时必须使用d)14对拉螺杆,设置(1)18穿墙套管,以便回收重笈周转;人防部位剪力墙使用T14止水螺杆,严禁使用穿墙套管。车库部位框架梁采用双刀螺杆。3)梁模板节点()_

8、J()2.3.2起拱要求梁、板跨度等于或大于4m时,模板应起拱。梁、板的跨度L4m时,模板按跨度的0.2用起拱;悬悬臂梁、板按悬臂长度的0.4%起拱(起拱高度不下于20mm)。起拱具体做法为:扣件式钢管脚手架上部加可调支撑,以调整高度,木板作辅助,以满足顶板挠度的要求,非悬挑构件起拱应从周圈(板边不起拱)向板跨中逐渐增大,起拱后模板表面应是平滑曲线,不允许出现模板面因起拱而错台;悬挑构件起拱应从悬挑构件根部(根部不起拱)向悬挑端逐渐增大。起拱线要顺直,不得有折线,起拱高度要准确,其方法为支模时采用主龙骨上皮钉木楔子调整高度,起拱示意图同主体顶板模板安装。”cx io。?欠韭龙T4、卜T 500

9、rJM900900nHtlzi ITTTnTTTT”.彳Q1K*3.5纲宣宴求:1、平杈足支秘四必须分开形方比两个体系。松板在后浇曲两侧分开.2、由、产板昆7疑士弓里度迂到设计后,后J于架浇平抄梯板不拆,在施工后浇;带两州J9昆凝二匕-浮&钝后60夫朴浇后浇带泡凝土_3、沉降启浇带在空为杉J封皿后辛卜浇后浇-4喟?%S凝土。Uu柱模板支设大样图分别为截面尺寸不大于600,大于6002.3.4验收:模板安装完毕后,由班组进行自检、互检,然后由工长通知质检员进行验收,检查合格后,通知监理进行最后验收,转交下道工序。2.4、 其它模板2.4.1、 楼梯模板楼梯剪力墙模板为木模板,此处的墙体随其他碎墙

10、体一起支模和浇筑碎,待拆除此墙的模板后,剔出墙内的楼梯板钢筋后,再绑扎楼梯板钢筋,支设楼梯板模板。(1)楼梯平台及踏步板与剪力墙分开浇筑,在平台板及楼梯梁部位留设板窝、梁窝,其深度及宽度必须满足钢筋锚固长度的要求。(2)楼梯模板施工,先支好底模,再支设踏步模,梯板底模支模方法同顶板。施工过程中应注意控制标高,踏步模应注意第一步与最后一步的高度与装修高度的关系。(3)模板支设必须满足行人通过。楼梯模板施工前应根据实际层高放样,先支设平台模板,再支设楼梯底模板,然后支设楼梯外帮侧模,外帮侧模应先在其内侧弹出楼梯底板厚度线、侧板位置线,钉好固定踏步侧模的档板,在现场装钉侧模,详见下图:楼梯模板支模图

11、(4)梯板立杆距墙25Omm布置,排距为900mm,楼梯踏步模板采用木模拼制。模板施工前根据图纸及实际层高放样,并在楼梯间墙上弹出楼梯底板厚度线及踏步位置线。根据放线先支设休息平台模板,模板表面高低差不得大于2mm,台阶高度允许偏差2mm,但不得任何三级台阶连续同方向偏差。(5)楼梯碎同现浇板一起浇筑。梯板支撑及底模在强度达到75%后拆除,并应考虑上部施工荷载,在施工工作面下至少应保留2层不拆模,拆吊帮时要保证楼梯踏步棱角完好,减少因混凝上强度不高对棱角的损坏。2.4.2、 其它要求:顶层主龙骨扣件必须用双螺母,顶板厚度大于300mm、梁截面高度大于80Omnl处,立杆间距必须加密,浇筑混凝土

12、时加设临时支撑。2.5、 脱模剂的选用及使用注意事项2.5.1、 脱模剂的选用选用的脱模剂不得影响结构和装修质量,选用水质脱模剂。2.5.2、 使用注意事项(1)脱模剂进场后应按要求报审。(2)木模严禁刷油性脱模剂,要刷水性脱模剂,涂刷层应均匀适度,雨天具有遮盖措施,防止被雨水冲洗。脱模剂涂刷前必须把模板上水和杂物清理干净。(3)严禁脱模剂沾污钢筋和混凝土接槎部位(4)刷脱模剂必须专人负责,要涂刷均匀,不准漏刷,不准有流淌痕迹。脱模剂要随用随领,剩下的要交回集中存放保管,防止浪费和变质。2.6、 模板拆除2.6.1、 拆模强度要求(1)在常温状态下墙体模板拆除时,混凝土强度要不小于1.2MPa

13、,使得混凝土强度能保证其表面及棱角不因拆除模板而损坏。若进入冬期施工,墙体模板拆除则应视冬期施工方法和强度增长情况决定具体拆模时间,拆除模板时混凝土强度要达到抗冻临界强度,不得低于4MPa。(2)顶板、梁拆模强度见下表构件类型构件跨度(m)设计抗压强度标准值的百分率(%)板22502,82758100梁、拱、壳82758100悬臂构件100注:梁板混凝土的拆模除满足上表强度要求外,其养护龄期:普通混凝土不得少于7天,掺用缓凝外加剂和有抗渗要求的混凝土不得少于14天,后浇带混凝土浇筑完,至少养护28天,且强度达到后100%拆模。2.6.2、 竖向结构抗渗混凝土的拆模要求外墙、有防水要求的混凝土终

14、凝后强度达到1.2MPa后,先松动对拉螺杆,让模板与墙体脱开,但模板不拆除,在板墙上口浇水养护48小时后拆除模板,继续保湿养护14天。2.6.3、 梁板结构拆模要求2. 6.3.1、梁板设置晚拆支撑,早拆部分在混凝土强度满足上表要求即可拆除,晚拆部分须待混凝土强度符合上表规定且在上层结构混凝土浇筑完毕3天后方可拆除。3. 6.3.2、应首先拆除梁侧模板,再拆除楼板模板,楼板模板拆除时,先调节顶部支撑头,使其向下移动,达到模板与楼板分离的要求,保留养护支撑及其上的养护木方或养护模板,其余模板均落在脚手架上。4. 6.3.3、用钩子或扁铲撬棍将未拆下的模板撬下,等模板全部落下之后,再集中运出并堆放

15、指定地点,分规格码放好。模板拆除后,运到堆放地点,必须安排木工或混凝土工进行模板二次清理,清理的过程中注意保证模板的平整性和完整性。5. 6.3.4、拆除模板时,操作人员应站在安全的地方。拆除跨度较大的梁下支顶时,应先从跨中开始,分别向两端拆除。拆下的模板及时清理粘结物,涂刷脱模剂,并分类堆放整齐,拆下的扣件及时集中统一管理。6. 6.4、拆模依据模板拆除均以同条件试块试压结果为依据,拆模前必须向监理申报混凝土同条件养护试块强度报告,履行拆模审批手续,严禁私自拆除。对发生私自拆除现象,对相关班组长和直接责任人严格按施工处罚条例执行。2.7、模板存放2.7.1、 存放场地必须夯实平整,不得存放在松土和坑洼不平的地方。堆放时要考虑方便清理和涂刷脱模剂,以及消防保证措施要到位。2.7.2、

展开阅读全文
相关资源
猜你喜欢
相关搜索

当前位置:首页 > 建筑/环境 > 设计及方案

copyright@ 2008-2023 1wenmi网站版权所有

经营许可证编号:宁ICP备2022001189号-1

本站为文档C2C交易模式,即用户上传的文档直接被用户下载,本站只是中间服务平台,本站所有文档下载所得的收益归上传人(含作者)所有。第壹文秘仅提供信息存储空间,仅对用户上传内容的表现方式做保护处理,对上载内容本身不做任何修改或编辑。若文档所含内容侵犯了您的版权或隐私,请立即通知第壹文秘网,我们立即给予删除!