低压电工安全技术实际操作考试.docx

上传人:p** 文档编号:882714 上传时间:2024-03-26 格式:DOCX 页数:46 大小:228.54KB
下载 相关 举报
低压电工安全技术实际操作考试.docx_第1页
第1页 / 共46页
低压电工安全技术实际操作考试.docx_第2页
第2页 / 共46页
低压电工安全技术实际操作考试.docx_第3页
第3页 / 共46页
低压电工安全技术实际操作考试.docx_第4页
第4页 / 共46页
低压电工安全技术实际操作考试.docx_第5页
第5页 / 共46页
低压电工安全技术实际操作考试.docx_第6页
第6页 / 共46页
低压电工安全技术实际操作考试.docx_第7页
第7页 / 共46页
低压电工安全技术实际操作考试.docx_第8页
第8页 / 共46页
低压电工安全技术实际操作考试.docx_第9页
第9页 / 共46页
低压电工安全技术实际操作考试.docx_第10页
第10页 / 共46页
亲,该文档总共46页,到这儿已超出免费预览范围,如果喜欢就下载吧!
资源描述

《低压电工安全技术实际操作考试.docx》由会员分享,可在线阅读,更多相关《低压电工安全技术实际操作考试.docx(46页珍藏版)》请在第壹文秘上搜索。

1、低压电工安全技术实际操作考试B.1安全用具使用(K1)8.1.1 考试项目包括三个独立的考试项目:电工仪表安全使用(Kl1)、电工安全用具使用(KI2)、电工安全标示的辨识(KI3)。注:考试时考生随机抽取一个考试项目进行考试。推荐使用实物方式进行考核。考试前考生必须穿戴好符合相应标准的劳动防护用品参加考试。8.1.2 电工仪表安全使用(Kll)8.1.3 1.2.1考核要点主要考查考生对常用电工仪表的选择和正确使用,考核仪表主要有万用表和兆欧表、钳形电流表和接地电阻测试仪等。按给定的测量任务,如电阻的测量、绝缘电阻的测量、导线的通断、绝缘电阻的测量或导线的通断选择其中一个,让考生选择合适的电

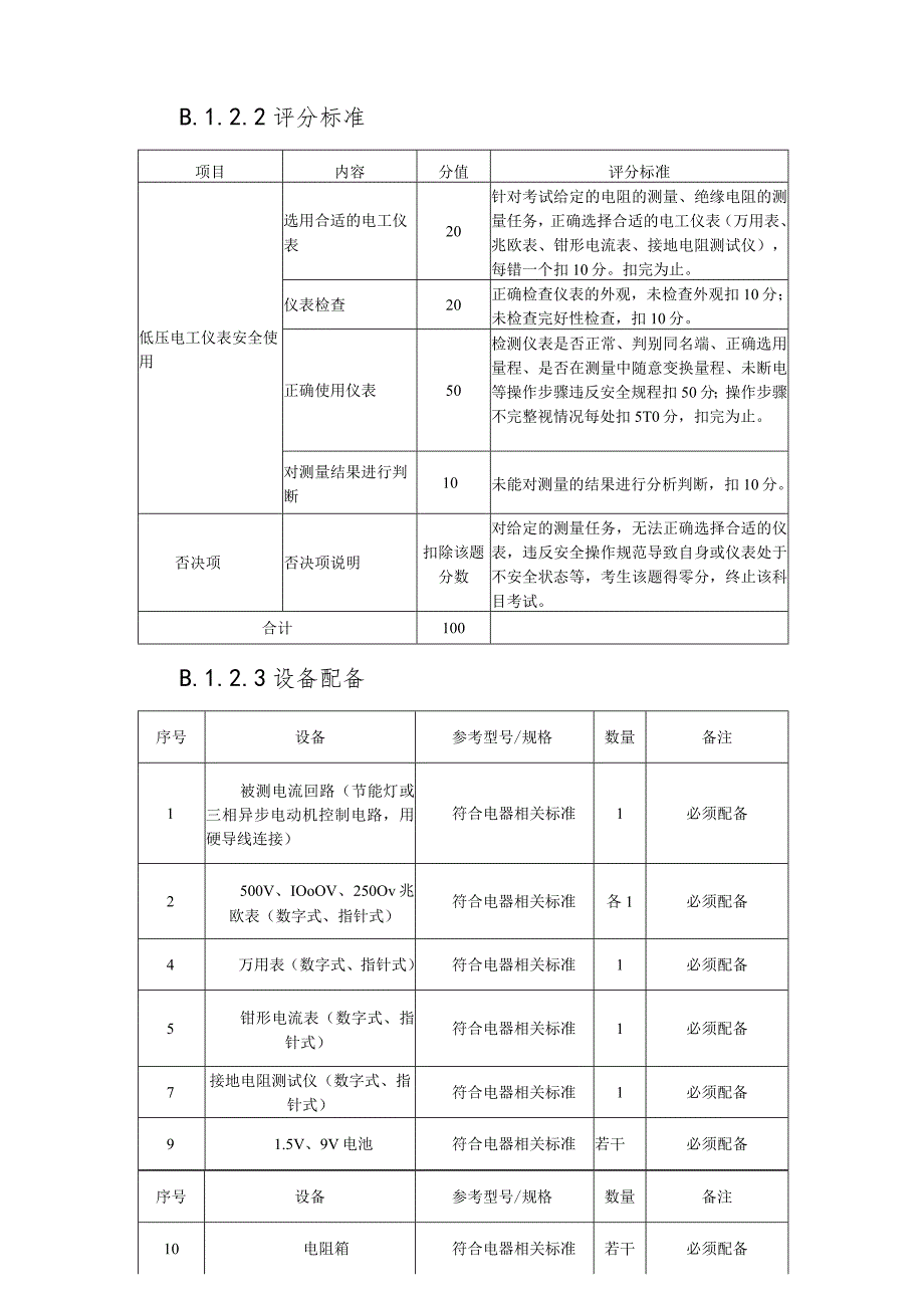
2、工仪表。主要考查考生是否能掌握不同仪表的使用范围及仪表的功能等。对所选的电工仪表进行检查。主要考查考生是否有使用前检查仪表的安全意识以及正确判断电工仪表是否有效可用的能力。正确使用电工仪表,包括电路线路连接、对测量结果的读取以及使用结束后的仪表的处理等。主要考核万用表的使用。B.1.2.2评分标准项目内容分值评分标准低压电工仪表安全使用选用合适的电工仪表20针对考试给定的电阻的测量、绝缘电阻的测量任务,正确选择合适的电工仪表(万用表、兆欧表、钳形电流表、接地电阻测试仪),每错一个扣10分。扣完为止。仪表检查20正确检查仪表的外观,未检查外观扣10分;未检查完好性检查,扣10分。正确使用仪表50

3、检测仪表是否正常、判别同名端、正确选用量程、是否在测量中随意变换量程、未断电等操作步骤违反安全规程扣50分;操作步骤不完整视情况每处扣5T0分,扣完为止。对测量结果进行判断10未能对测量的结果进行分析判断,扣10分。否决项否决项说明扣除该题分数对给定的测量任务,无法正确选择合适的仪表,违反安全操作规范导致自身或仪表处于不安全状态等,考生该题得零分,终止该科目考试。合计100B.1.2.3设备配备序号设备参考型号/规格数量备注1被测电流回路(节能灯或三相异步电动机控制电路,用硬导线连接)符合电器相关标准1必须配备2500V、IOoOV、250Ov兆欧表(数字式、指针式)符合电器相关标准各1必须配

4、备4万用表(数字式、指针式)符合电器相关标准1必须配备5钳形电流表(数字式、指针式)符合电器相关标准1必须配备7接地电阻测试仪(数字式、指针式)符合电器相关标准1必须配备91.5V、9V电池符合电器相关标准若干必须配备序号设备参考型号/规格数量备注10电阻箱符合电器相关标准若干必须配备11电动机符合电器相关标准1必须配备12测量导线若干注:此配备数量为每个考试工位配备标准。B.1.3电工安全用具使用(K12)B.1.3.1考核要点主要考查考生正确选择和使用电工安全用具,考核的主要安全用具主要有验电笔、安全帽、安全带、绝缘手套、绝缘鞋、绝缘垫、携带式接地线、防护眼镜、电工钳、螺丝刀等。按给定的作

5、业任务,如判断是否带电、低压作业基本绝缘或辅助绝缘选择其一,让考生选择合适的安全用具。主要考查考生能否正确掌握安全用具的使用范围及功能等。按给定的作业场景,让考生从安全帽、安全带安全防护用品中选择其中之一并正确穿戴。主要考查考生能否正确掌握个人安全防护用品的选择和使用等。考核考生在电工安全用具或个人安全防护用品使用前与使用后的安全意识。主要考查考生在使用前的检查与调整,使之是否满足安全要求;使用后的整理与放置,使之是否符合安全文明作业的要求。此外还可考核相关的安全用具或个人安全防护用品的保养知识。注:在安全用具和个人安全防护用品选择一项进行考试,其中安全用具从验电笔、绝缘手套、绝缘鞋中等选择一

6、项;个人安全防护用品从安全帽、安全带等选择一项。B.1.3.2评分标准项目内容分值评分标准低压电工安全用具使用选用合适的安全用具40针对考试给定的作业任务,正确选择合适的安全用具(验电笔、绝缘手套、绝缘鞋),选择不正确扣40分。表述各种安全用具的作用,不正确扣20分。扣完为止。可使用性检查20正确检查外观,未检查外观扣10分。未进行合格证检查,扣10分。扣完为止。正确使用或穿戴30操作步骤不完整视每处扣10分。使用或穿戴不规范每处扣10分。扣完为止。安全用具的整理与放置10使用后未按规定整理,扣5分。放置与保养不符合要求扣5分。否决项否决项说明扣除该题分数违反安全操作规范导致自身或安全用具处于

7、不安全状态等,考生该题得零分,终止该项目考试。合计100项目内容分值评分标准低压电工个人安全防护用品使用选用合适的个人安全防护用品40针对考试给定的作业场景,正确选择合适的安全防护用品(安全帽、安全带、防护眼镜),选择不正确扣40分。表述各种安全防护用品的作用,不正确扣20分。扣完为止。可使用性检查20正确检查外观,未检查外观扣10分。未进行合格证检查,扣10分。未进行可使用性检查,扣20分。扣完为止。正确使用或穿戴30操作步骤不完整每处扣10分。使用或穿戴不规范每处扣10分。扣完为止。个人防护用品的整理与放置10使用后未按规定整理,扣5分。放置与保养不符合要求扣5分。否决项否决项说明扣除该题

8、分数违反安全操作规范导致自身或安全用具处于不安全状态等,考生该题得零分,终止该科目考试。合计100B.1.3.3设备配备序号设备参考型号/规格数量备注1低压验电笔符合电器相关标准1必须配备序号设备参考型号/规格数量备注2绝缘手套符合低压电器相关标准1必须配备3绝缘鞋符合低压电器相关标准1必须配备4安全帽符合低压电器相关标准1必须配备5安全带符合低压电器相关标准1必须配备6防护眼镜符合低压电器相关标准1必须配备7绝缘夹钳符合低压电器相关标准1必须配备8绝缘垫符合低压电器相关标准1必须配备9脚扣符合低压电器相关标准1必须配备注:此配备数量为每个考试工位配备标准。B.1.4电工安全标示的辨识(K13

9、)B.1.4.1考核要点主要考查考生对国家标准的安全标示和电工作业中常见的安全标示的辨识和使用。考核的安全标示主要有国家规定的常用安全标示包括禁止标示、警告标示、指令标示和提示标示以及电工常用的安全标示等。让考生对指定的安全标示进行用途解释。主要考查考生能否正确掌握安全标示的含义和使用等。给定作业场景,让考生正确选择安全标示并布置在合适位置。主要考查考生根据安全标示的含义能否正确选择和使用等。注:考试可分为指认安全标示图和布置安全标示图两个考试内容,考试时随机选择其中一个进行考试。B.1.4.2评分标准项目内容分值评分标准指认安全标示图熟悉常用的安全标示50指认图片上所列的安全标示(5个,其中

10、一个为禁止标示),错一个扣10分。项目内容分值评分标准安全标示用途解释50能对指定的安全标示(5个)用途进行说明,并解释其用途,错一个扣10分。否决项否决项说明扣除该题分数禁止标示指认、解释错误,考生该题得零分,终止该项目考试。合计100项目内容分值评分标准布置安全标示图正确布置安全标示50按照指定的作业场景,正确布置相关的安全标示(5个,其中一个为禁止标示)。布置错误一个扣10分。(引用的安全警示标识标准文件、及摆放的顺序。)GB2894-2008第9.5条款警告、禁止。(禁止、警告)安全标不用途解释50能对指定的安全标示(5个)用途进行说明,并解释其用途,错一个扣10分。否决项否决项说明扣

11、除该题分数禁止标示布置、解释错误,考生该题得零分,终止该科目考试。合计100B.1.4.3设备配备序号设备参考型号/规格数量备注1计算机或投影设备(套)符合考试要求1可选配3各种电工安全标示牌(一批)符合低压电器相关标准1必须配备4各种安全标示挂画(一批)符合低压电器相关标准1必须配备注:此配备数量为每个考试工位配备标准。B.2安全操作技术(K2)B.2.1考试项目包括五个独立的考试项目:电动机单向连续运转接线(带点动控制)(K21)、三相异步电动机正反转运行的接线及安全操作(K22)、单相电能表带照明灯的安装及接线(K23)、带熔断器(断路器)、仪表、电流互感器的电动机运行控制电路接线(K2

12、4)、导线的连接(K25)。注:L考试时随机为考生抽取一个考试项目进行考试。B.2.2电动机单向连续运转接线(带点动控制)(K21)B.2.2.1考核要点主要考查考生对电动机单向连续运转(带点动控制)电路的理解、识图和动手接线的能力以及安全操作。根据给定的电气原理图,采用绝缘导线连接线路,正确使用电工仪表判断故障。主要考查考生识图作业、仪表的使用和导线连接的能力。正确使用控制开关,做到停电、验电、挂标识牌等安全技术要求。主要考查考生安全技术措施是否正确掌握与运用。送电试验前,对线路进行检查。主要考查考生是否具有安全预防意识。安全文明操作。主要考查考生是否具有个人安全防护意识以及现场环境保护等文

13、明意识。三相异步电动机单向连续运转(带点动控制)控制线路B.2.2.2评分标准项目内容分值评分标准电动机单向连续运转接线(带点动控制)电路识图进行线路连接20控制线路中没连接导线,让考生识图连接,错一个扣10分。接线处露铜超出标准规定,每处扣5分。接线松动每处扣5分。扣完另止。安全技术措施30拉闸停电未挂“禁止合闸,有人工作“标示牌,扣20分。停电后未进行验电,扣30分。扣完为止。送电前检查30已连接线路设置两处故障断点,考生正确使用仪表进行线路检查,错误一处扣20分。操作不规范,扣510分。扣完为止。安全文明操作20未穿长袖工作服,扣5分。未穿绝缘鞋,扣5分。操作结束后,未悬挂“有电危险”标

14、示牌,扣5分。掉落物品一次扣5分。未恢复原位扣5分。未清理现场、未做好资料整理和工具摆放整齐扣5分。扣完为止。否决项否决项说明扣除该题分薮通电不成功、短路跳闸、配盘错误、接线错误、熔断器烧毁、损坏设备、违反安全操作规范导致自身或安全用具处于不安全状态等,考生该题得零分,终止该科目考试。合计100B.2.2.3设备配备序号设备参考型号/规格数量备注1电动机单向连续运转(带点动控制)电路装置符合低压电器相关标准1必须配备2漏电断路器(3P)DZ47SLE-321必须配备3熔断器RT18-325必须配备4交流接触器CJTX2S-121必须配备5热继电器JRS1DSP-251必须配备序号设备参考型号/规格数量备注6控制按钮LA4-3H1必须配备7三相异步电

展开阅读全文
相关资源
猜你喜欢
相关搜索

当前位置:首页 > 汽车/机械/制造 > 电气技术

copyright@ 2008-2023 1wenmi网站版权所有

经营许可证编号:宁ICP备2022001189号-1

本站为文档C2C交易模式,即用户上传的文档直接被用户下载,本站只是中间服务平台,本站所有文档下载所得的收益归上传人(含作者)所有。第壹文秘仅提供信息存储空间,仅对用户上传内容的表现方式做保护处理,对上载内容本身不做任何修改或编辑。若文档所含内容侵犯了您的版权或隐私,请立即通知第壹文秘网,我们立即给予删除!