(1号)营业线施工线安全技术交底.docx

上传人:p** 文档编号:885522 上传时间:2024-03-26 格式:DOCX 页数:10 大小:477.38KB
下载 相关 举报
(1号)营业线施工线安全技术交底.docx_第1页
第1页 / 共10页
(1号)营业线施工线安全技术交底.docx_第2页
第2页 / 共10页
(1号)营业线施工线安全技术交底.docx_第3页
第3页 / 共10页
(1号)营业线施工线安全技术交底.docx_第4页
第4页 / 共10页
(1号)营业线施工线安全技术交底.docx_第5页
第5页 / 共10页
(1号)营业线施工线安全技术交底.docx_第6页
第6页 / 共10页
(1号)营业线施工线安全技术交底.docx_第7页
第7页 / 共10页
(1号)营业线施工线安全技术交底.docx_第8页
第8页 / 共10页
(1号)营业线施工线安全技术交底.docx_第9页
第9页 / 共10页
(1号)营业线施工线安全技术交底.docx_第10页
第10页 / 共10页
亲,该文档总共10页,全部预览完了,如果喜欢就下载吧!
资源描述

《(1号)营业线施工线安全技术交底.docx》由会员分享,可在线阅读,更多相关《(1号)营业线施工线安全技术交底.docx(10页珍藏版)》请在第壹文秘上搜索。

1、项目监理部安全交底记录工程项名称:渝利沙子站增设客运设施工程合同段:编号:建设单位成都局集团公司客站建设指挥部监理单位成都大西南铁路监理有限公司渝利沙子站增设客运设施工程项目监理部设计单位中铁二院工程集团有限公司施工单位中铁一局交底人交底日期接收人监理人员:交底主题既有线、邻近既有线施工安全交底1、施工安全风险源识别及措施(1)施工安全风险源区域、场所桥涵、路基施工危险源可能导致的事故/事件过程、活动施工等级影响铁路运输危险级别施工前未开挖探沟导致管线损坏行车安全事故桥涵、路基施工低清表、开挖时挖断电力、通讯、信号电缆或损坏既有设备行车安全事故桥涵、路基施工中营业路旁砍伐树木、灌木侵入铁路的限

2、界,或撞击铁路的接触网行车安全事故桥涵、路基施工低桥墩桩基、路基挖孔、钻孔对路基加固中钻断或电力、通讯、信号电缆,或损坏既有设备行车安全事故桥涵、路基施工低材料、料具、机械作业时侵入铁路限界或设备倾覆侵入铁路限界行车安全事故桥涵、路基施工中桥墩桩、路基开挖未对既有路基及时加固或加固方法不当,沉降、变形观测坍塌桥涵、路基施工低开挖土方堵塞既有水沟,雨水浸坍塌桥涵、路基施工低泡路基(2)风险对应措施 严格执行营业线施工“八不准”制度,即:施工计划未经审批不准施工;未按规定签订施工安全协议书不准施工;没有合格的施工负责人不准施工;没有经过培训并考试合格的人员不准施工;没有召开施工协调会、没有准备好施

3、工必需、充分的施工料具及其他准备工作的不准施工;不登记要点不准施工;配合单位人员不到位不准施工;没有制订安全应急措施不准施工。 便道和电力干线远离既有线,大型机械作业必需执行“一人一车、车过机停”制度O 现场监理工程师要主动掌握第二天的施工内容、作业范围,作好相关记录。对现场存在的严重安全隐患要及时下发监理指令,对监理指令、日常检查和专项检查发现的问题要持续跟踪,督促限期落实整改。 在施工前要督促并参加施工单位在施工前现场调查,共同明确(探明)地下管、线、缆等情况,并作好记录。督促施工单位在邻近营业线通信、信号及供电光缆沟、电缆沟、给水管路、电力架空线10米范围内的挖沟、取土、路基碾压等施工,

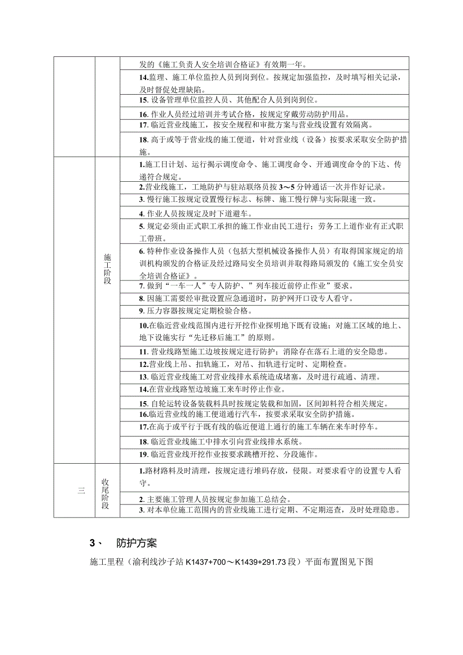
4、必须对既有光电缆等隐蔽施工进行探挖。2、 施工安全卡控重点建设项目营业线及临近营业线施工施工安全检查卡控要点表施工准备阶段1.施工组织设计、施工方案、施工安全措施制定并经路局审批。2.与设备管理单位、行车组织单位按施工项目分别签订施工安全协议、施工配合协议。3.提前72小时书面通知设备管理单位到场配合。4.施工月计划J、日计划:当日施工内容与月计划、日计划相符;施工内容与现场实际相符,现场施工负责人与施工计划相符,特殊情况变更施工负责人按规定办理相关手续、并按规定上报。5.主管安全的安全管理人员、总工、总监、专业监理工程师对安全技术交底书审核并签认。6.严格执行营业线施工“八不准”。7.进行逐

5、级交底并交到每一个作业人员。8.施工应急预案编制、具有针对性,具有可操作性,健全完善。9.施工、监理单位主要施工管理人员明确职责分工,要求施工管理人员按规定参加施工协调会。10.行车设备施工登记薄登销记情况规范,与施工计划相符。11.检查按规定设置驻站联络员、现场防护员,人员配置满足施工需要。驻站联络员、防护员按规定着装、佩戴标志。12.驻站联络员、安全防护员必须经过培训并考试合格且持证上岗。防护用品齐全有效。13.施工单位负责人、安全员、带班人员经过培训考试合格、并持有路局颁发的施工负责人安全培训合格证有效期一年。14.监理、施工单位监控人员到岗到位。按规定加强监控,及时填写相关记录,及时督

6、促处理缺陷。15.设备管理单位监控人员、其他配合人员到岗到位。16.作业人员经过培训并考试合格,按规定穿戴劳动防护用品。17.临近营业线施工,按安全规程和审批方案与营业线设置有效隔离。18.高于或等于营业线的施工便道,针对营业线(设备)按要求采取安全防护措施。施工阶段1.施工日计划、运行揭示调度命令、施工调度命令、开通调度命令的下达、传递符合规定。2.营业线施工,工地防护与驻站联络员按35分钟通话一次并作好记录。3.慢行施工按规定设置慢行标志、标牌、施工慢行牌与实际限速一致。4.作业人员按规定及时下道避车。5.规定必须由正式职工承担的施工作业由民工进行;劳务工上道作业有正式职工带班。6.特种作

7、业设备操作人员(包括大型机械设备操作人员)有取得国家规定的培训机构颁发的合格证及经过路局安全员培训并取得路局颁发的施工安全员安全培训合格证。7.做到“一车一人”专人防护、”列车接近前停止作业”要求。8.因施工需要经审批设置应急通道时,防护网开口设专人看守。9.压力容器按规定定期检验合格。10.在临近营业线范围内进行开挖作业探明地下既有设施;对施工区域的地上、地下设施实行“先迁移后施工”的原则。11.营业线路堑施工边坡按规定进行防护;消除存在落石上道的安全隐患。12.营业线上吊、扣轨施工,对吊、扣轨进行定时、定期检查。13.临近营业线施工对营业线排水系统造成堵塞,及时进行疏通、清理。14.在营业

8、线路堑边坡施工来车时停止作业。15.自轮运转设备装载料具时按规定装载和加固,区间卸料符合相关规定。16.临近营业线的施工便道通行汽车,按要求采取安全防护措施。17.在高于或平行于既有线的临近便道上通行的施工车辆在来车时停车。18.临近营业线施工中排水引向营业线排水系统。19.临近营业线开挖作业按要求跳槽开挖、分段施作。三收尾阶段1.路材路料及时清理,按规定进行堆码存放,侵限。对要求看守的设置专人看守。2.主要施工管理人员按规定参加施工总结会。3.对本单位施工范围内的营业线施工进行定期、不定期巡查,及时处理隐患。3、 防护方案施工里程(渝利线沙子站K1437+700K1439+291.73段)平

9、面布置图见下图(1)施工便道:工地现场计划从既有乡村道路接口设置3处引入便道,第一处既有中桥0#台-1号墩、第二处既有特大桥6#-7#墩间、第三处既有16#-#墩间(分别对应既有线里程K1437+710、K1438+100.K1437+750)o便道旁边设置防撞墩,防撞墩尺寸1.2*l*0.5(高*宽*厚),露出地面0.5m,埋深0.7m,每隔L2m设置,作业平台周围设置防撞墩,尺寸和间距与道路防撞墩一致,施工便道距梁底高度8m(2)桥梁施工防护施工沙子站5道特大桥,距离营业线9m,沙子站6道2号中桥,距离营业线14m,沙子站8道2号中桥,距离营业线28m,沙子站6、8道道岔大桥,距离营业线7

10、m,基本站台2号站台桥,距离营业线18m,中间站台2号站台桥,距离营业线18m,公路桥,距营业线距离20m1)桥梁墩台防护桩施工新建桥台与既有桥台施工距离近,设计在既有桥台右侧设置防护桩,防护桩尺寸2*1.5m,桩基开挖采用隔桩法,人工挖孔桩施工。既有线中心线新建线路中心线防护桩位置示意图5道特大桥位置示意图基本站2号站台桥位置示意图6道2号中桥、8道2号中桥、中间站台2号站台桥公路桥位置示意图6、8道道岔大桥位置示意图2)对桥墩的防护措施既有桥墩防护,墩身靠近道路侧每个墩前后各设置一防撞墩,防撞墩距桥墩1.2m。施工便道桥梁墩身及梁体钢筋、模板施工使用吊装机械及汽车泵支立在远离既有线测,地面

11、必须压实,支腿下垫牢固,专人指挥。起吊作业时吊车必须垂直线路作业。如下图。桥梁施工距既有线距离示意图(3)路基施工防护K1438+400-K1438+582.1段边坡土石方从高处开始开挖,加固桩,土钉墙,挡土墙,锚杆框架梁及附属工程,防护排架搭设也必须从高处设置,随着路堑开挖面下降,将排架逐步降低至水沟外侧。K1438+658.5-K1438+748.59段边坡土石方从高处开始路堑开挖,从低处开始路基填筑,加固桩,挡土墙,锚杆框架梁及附属工程,防护排架搭设也必须从高处设置,随着路堑开挖面下降,将排架逐步降低至水沟外侧K1438250-K1438405段左侧坡土石方从高处开始路堑开挖,从低处开始

12、路基填筑,桩板墙,挡土墙及附属工程,防护排架搭设也必须从高处设置,随着路堑开挖面下降,将排架逐步降低至水沟外侧;施工机械有:挖掘机、自卸汽车、碎罐车、汽车吊机、装载机、压路机。路堑土石方开挖应根据施工方案采取“先防护,后施工”的原则,路堑土石方施工主要防止滚石落道和施工机械侵入限界,路堑开挖采用分步分层开挖,高出既有线路基面的边坡,每开挖一级边坡前先在该级边坡坡脚搭设钢管竹排架防护,边坡土石方从高处开始开挖,防护排架搭设也必须从高处设置,随着路堑开挖面下降,将排架逐步降低至水沟外侧。防护排架采用钢管骨架,钢架立杆间距3m,横杆设置两道,距地面20Cm设置一道,在距排架顶70Cm在设置一道,横杆

13、间距L5m,搭设高度2.4m,在地面设置锚钉材料用HRB400620mm,锚钉长度40cm,锚入地面20Cnb外露20Cnb立杆穿入锚钉中;排架立杆锚入;排架内侧竖向密布竹排架。在排架两侧设置斜撑固定排架,间距3m,两侧斜撑底部设置连接钢管,将立杆和斜撑连成整体。排架钢管搭设断面图开挖高边坡土石方,采用分层拉槽开挖,在靠营业线侧预留高于2米高的纵向隔墙,并始终保持该隔墙高度,先开挖隔墙内侧土石方,再分层开挖隔墙。既有线中心线新建线路中心线防护桩位置示意图(3)防护排架的检查防护排架及防护栅栏的检查,督促施工单位设专门巡查防护人员,施工前、后对防护排架及防护栅栏进行检查,发现有松动、倾覆或竹排脱落等现象的,及时处理并报告项目安质部门。对临近既有线施工部分区段先进行搭设安全防护排架和设置专职铁路防护人员并设置警示标志标牌,加强瞭望和指挥。

展开阅读全文
相关资源
猜你喜欢
相关搜索

当前位置:首页 > 建筑/环境 > 设计及方案

copyright@ 2008-2023 1wenmi网站版权所有

经营许可证编号:宁ICP备2022001189号-1

本站为文档C2C交易模式,即用户上传的文档直接被用户下载,本站只是中间服务平台,本站所有文档下载所得的收益归上传人(含作者)所有。第壹文秘仅提供信息存储空间,仅对用户上传内容的表现方式做保护处理,对上载内容本身不做任何修改或编辑。若文档所含内容侵犯了您的版权或隐私,请立即通知第壹文秘网,我们立即给予删除!