压力焊安全技术实际操作考试.docx

上传人:p** 文档编号:886433 上传时间:2024-03-26 格式:DOCX 页数:19 大小:69.33KB
下载 相关 举报
压力焊安全技术实际操作考试.docx_第1页
第1页 / 共19页
压力焊安全技术实际操作考试.docx_第2页
第2页 / 共19页
压力焊安全技术实际操作考试.docx_第3页
第3页 / 共19页
压力焊安全技术实际操作考试.docx_第4页
第4页 / 共19页
压力焊安全技术实际操作考试.docx_第5页
第5页 / 共19页
压力焊安全技术实际操作考试.docx_第6页
第6页 / 共19页
压力焊安全技术实际操作考试.docx_第7页
第7页 / 共19页
压力焊安全技术实际操作考试.docx_第8页
第8页 / 共19页
压力焊安全技术实际操作考试.docx_第9页
第9页 / 共19页
压力焊安全技术实际操作考试.docx_第10页
第10页 / 共19页
亲,该文档总共19页,到这儿已超出免费预览范围,如果喜欢就下载吧!
资源描述

《压力焊安全技术实际操作考试.docx》由会员分享,可在线阅读,更多相关《压力焊安全技术实际操作考试.docx(19页珍藏版)》请在第壹文秘上搜索。

1、压力焊安全技术实际操作考试B.1安全用具使用(K1)B.1.1考试项目包括一个独立的考试项目:个人防护用品(Kl1)。注:推荐使用实物方式进行考核。B.1.2个人防护用品(KII)B.1.2.1考核要点主要考查考生对压力焊个人防护用品的选择和正确使用,个人防护用品主要有专用防护眼镜、防尘口罩或防毒面罩、防护工作服、焊工手套、工作鞋、安全帽等。劳动防护用品的正确选择。主要考查考生是否能够根据不同劳动防护用品的使用功能从中挑选出电阻焊的防护用品。正确穿戴劳动防护用品。主要考查考生能否正确掌握个人劳动防护用品的选择和使用等。B.1.2.2评分标准项目内容分值评分标准劳动防护用品的选择选择劳动防护用品

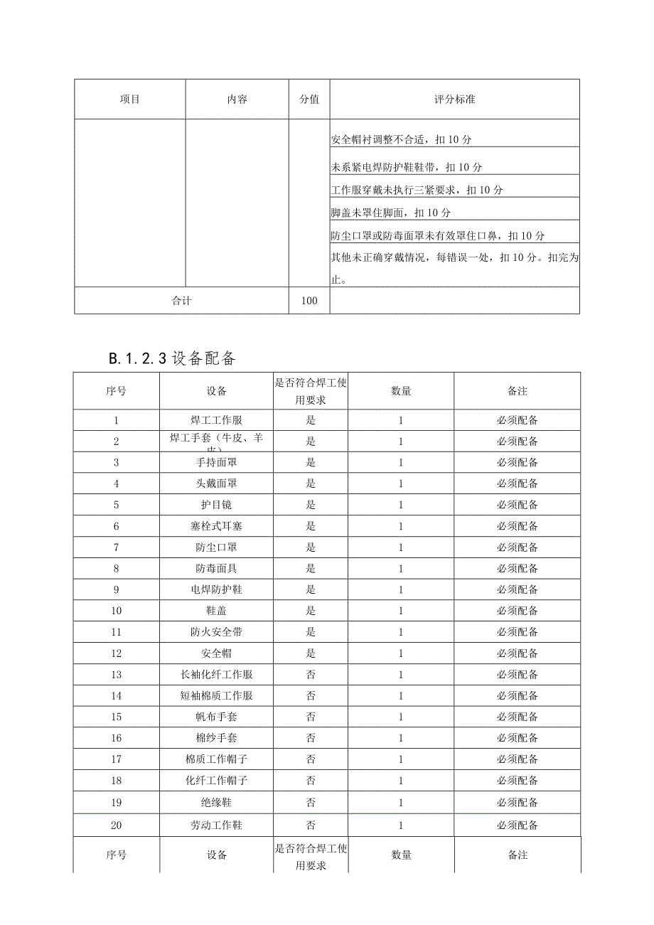
2、40选错或漏选护目镜的,扣5分选错或漏选防尘口罩或防毒面罩的,扣5分选错或漏选塞栓式耳塞的,扣5分选错或漏选焊工工作服的,扣5分选错或漏选焊工手套的,扣5分选错或漏选电焊防护鞋的,扣5分选错或漏选鞋盖的,扣5分选错或漏选安全帽的,扣5分。扣完为止劳动防护用品的穿戴正确穿戴劳动防护用品60未检查安全帽完好性、合格性,扣10分未系紧安全帽下颗带,扣10分项目内容分值评分标准安全帽衬调整不合适,扣10分未系紧电焊防护鞋鞋带,扣10分工作服穿戴未执行三紧要求,扣10分脚盖未罩住脚面,扣10分防尘口罩或防毒面罩未有效罩住口鼻,扣10分其他未正确穿戴情况,每错误一处,扣10分。扣完为止。合计100B.1.

3、2.3设备配备序号设备是否符合焊工使用要求数量备注1焊工工作服是1必须配备2焊工手套(牛皮、羊皮)是1必须配备3手持面罩是1必须配备4头戴面罩是1必须配备5护目镜是1必须配备6塞栓式耳塞是1必须配备7防尘口罩是1必须配备8防毒面具是1必须配备9电焊防护鞋是1必须配备10鞋盖是1必须配备11防火安全带是1必须配备12安全帽是1必须配备13长袖化纤工作服否1必须配备14短袖棉质工作服否1必须配备15帆布手套否1必须配备16棉纱手套否1必须配备17棉质工作帽子否1必须配备18化纤工作帽子否1必须配备19绝缘鞋否1必须配备20劳动工作鞋否1必须配备序号设备是否符合焊工使用要求数量备注21解放鞋否1必须

4、配备22塑料凉鞋否1必须配备23损坏或不合格的安全帽否1必须配备注:此配备数量为每个考试工位配备标准。B.2安全操作技术(K2)B.2.1考试项目包括一个独立的考试项目:电阻焊安全操作技术(K21)。注:推荐使用实物方式进行考核。B.2.2电阻焊安全操作技术(K21)B.2.2.1考核要点主要考查考生对电阻焊安全操作技术的掌握。按要求正确穿戴好劳动防护用品。主要考查考生安全用具的选择与使用,是否具有个人安全防范意识。开展焊前检查工作。主要考查考生对设备的安全防范措施是否落实。安全送电以及检查设备运行情况。主要考查考生对设备的运行状况是否具有安全防范意识。按照焊接安全操作规程进行正确操作。主要考

5、查考生是否具有电阻焊的安全操作技能。焊接结束后的收尾工作。主要考查考生是否具有环境保护和安全文明作业的意识。B.2.2.2评分标准项目内容分值评分标准电阻焊安全操作技术焊前检查20进行焊前检查工作,未对电阻焊设备的启动按钮和脚踏开关及其防护装置进行检查,扣4分未对设备裸露传动元件的防护装置进行检查,扣4分未对设备紧急停机按钮进行检查,扣4分未对焊机的接地与安装情况进行检查,扣4分未对焊接变压器绕组及线路的绝缘进行检查,扣4分未对焊机合格证标识进行检查,扣4分。扣完为止。焊机运行情况检查20面部正对开关送电的,扣10分送电合闸顺序不正确,未先总后分,扣10分未检查送电后焊机运转情况的,扣10分焊

6、接安全操作30焊件放置不平稳、不牢固扣5分操作者未站在绝缘木台上操作的,扣10分焊机启动时未先开冷却水阀的,扣10分工作时眼睛视线未偏离火花飞溅方向的,扣5分。扣完为止。焊接质量20存在漏焊情况的,扣5分存在焊偏情况的,扣5分存在过烧情况的,扣5分存在飞溅毛刺情况的,扣5分存在烧穿情况的,扣5分。扣完为止。焊后场地清理10工作结束,未检查场地,灭绝火种,切断电源的,扣5分停电闭闸顺序不正确,未先分后总的,扣5分未将焊件、工机具、剩余焊材摆放到指定地点的,扣5分未清理现场环境卫生或劳保用品未归位的,扣5分。扣完为止。否决项否决项说明扣除该题分数未穿戴防护手套或焊工防护鞋或护目镜,不准继续操作,终

7、止该项目的考试合计100B.2.2.3设备配备序号设备参考型号/规格数量备注1电阻点焊机DN-251必须配备2电阻对焊机UN401必须配备3空气压缩机(液压机构或气液压机构)符合国家相关标准1必须配备4冷却水循环装置符合国家相关标准1必须配备5点焊试件(150502mm)若干必须配备6对焊试件IOmm200mm热轧带肋钢筋若干必须配备注:此配备数量为每个考试工位配备标准。B.3作业现场安全隐患排除(K3)B.3.1考试项目包括一个独立的考试项目:判断作业现场存在的安全风险、职业危害(K31)o注:推荐使用实物和实物电子化的方式进行考核。B.3.2判断作业现场存在的安全风险、职业危害(K31)B

8、.3.2.1考核要点主要考查考生对给定的作业现场、图片或视频,让其正确找出所存在的安全风险、职业危害。认真观看给定的作业现场、图片或视频。主要考查考生是否具备对作业现场中的作业任务或用电环境有正确的认识。每年对相应的图片或视频进行更新。指出其中存在的安全风险和和职业危害,主要考查考生是否具备正确识别和预警安全风险、职业危害的能力。排除现场存在的安全风险和和职业危害,主要考查考生是否具备作业现场安全隐患排除的意识和能力。存在的安全风险和和职业危害,比如:(1)在作业点5米范围内摆放氧气瓶、乙烘气瓶、汽油桶、油漆桶等易燃易爆物品;(2)焊接现场地面存有积水时,没有采取其他防护措施直接进行焊接;(3

9、)背靠着金属物进行操作;(4)操作时身体碰触到设备;(5)没有安装防止火花飞溅产生危险的屏板;(6)设备的限位传感装置失灵。(7)安全标志及其使用导则(GB2894-2008)识别不全面。B.3.2.2评分标准项目内容分值评分标准判断作业现场存在的安全风险、职业危害观察作业现场、图片或视频,明确作业任务或用电环境25通过观察作业现场、图片或视频,口述作业任务或用电环境,不正确每项扣5分,扣完为止。安全风险和职业危害判断25口述其中存在的安全风险及职业危害,少指出一个扣5分,扣完为止。排除作业现场安全隐患对作业现场设置的安全隐患进行排除50口述排除存在的安全风险及职业危害,少排除一个扣10分,扣

10、完为止。合计1008. 3.2.3设备配备序号设备参考型号/规格数量备注1计算机或投影设备符合考试要求1必须配备2作业现场图片符合考试要求若干必须配备3现场违章作业视频符合考试要求若干必须配备4损坏的焊钳符合考试要求1必须配备5破损的焊把线符合考试要求1必须配备6损坏的焊接设备符合考试要求1必须配备注:此配备数量为每个考试工位配备标准。1 .4作业现场应急处置(K4)8 .4.1考试项目包括两个独立的考试项目:单人徒手心肺复苏操作(K41)、灭火器的选择和使用(K42)o注:考试时考生随机抽取一个考试项目进行考试。推荐使用实物和实物电子化方式进行考核。B.4.2单人徒手心肺复苏操作(K41)B

11、.4.2.1考核要点主要考查考生对给定的实物模拟人型进行正确的心肺复苏操作:抢救程序是否符合要求。主要考查考生是否正确掌握心肺复苏标准操作流程的程序;心肺复苏操作的技术要点是否正确。主要考查考生是否掌握正确的通畅气道、口对口呼吸方法、胸外按压方法(包括位置、姿势、力度和频率)以及单人徒手心肺复苏操作的按压与呼吸的互换。B.4.2.2评分标准项目内容分值评分标准环境评估操作者用眼光环顾四周,判断周围环境是否安全2未判断周围环境是否安全的,扣2分意识判断和呼救操作者双膝跪于伤者右侧,左膝平伤者肩部(操作者双膝与双肩同宽)2L跪姿不正确的,扣1分2.双膝与双肩不同宽的,扣1分双手轻拍伤者双肩,并大声

12、呼叫“您好,怎么啦?请醒醒”。2L未用双手轻拍伤者双肩的,扣1分2.未大声呼叫伤者的,扣1分观察伤者无意识,环顾四周,51.未请求协助的,扣2分项目内容分值评分标准请求协助,大声呼救“伤者无意识,快来人帮忙,拨打1202.未大声呼救说明“伤者无意识”的,扣3分检查呼吸一看(胸部有无起伏)、二听(耳朵贴近伤者面部,听呼吸音),三感觉(有无气流冲击面部),三步骤同时进行,无反应表示呼吸停止,大声说“伤者无呼吸”。81.未观察胸部有无起伏的,扣2分2.未将耳朵贴近伤者面部听呼吸音的,扣2分3.未感觉有无气流冲击面部的,扣2分4.未大声说:“伤者无呼吸”的,扣2分检查脉搏操作者右手食指和中指指腹沿伤者

13、下颌正中滑至气管喉结部位,再平移向对侧滑动2-3Cnb至胸锁乳突肌中段内侧处,判断颈动脉搏动,判断时间大于5秒,小于10秒。未感知颈动脉搏动,大声说“颈动脉无搏动”。8L判断手法不正确的,扣2分2.判断位置不正确的,扣2分3.判断时间小于5秒,大于10秒的,扣2分4.未大声说“颈动脉无搏动”的,扣2分摆放体位操作者摆放伤者体位,理顺伤者肢体”解开上衣、松腰带,暴露胸部4未理顺伤者肢体“解开上衣、松腰带,暴露胸部”,每处扣2分。扣完为止胸外心脏按压确定按压部位:(男性可用两乳头连线中点定位,女性可用1点2指3掌根法定位)右手中指食指并拢,沿肋缘滑至剑突上两横指,(胸骨中下1/3处)左手掌根放胸骨上,右手掌根放左手背上,右手五指扣住左手,左手五指上翘,双臂位于伤者胸骨的正上方,双肘关节伸直。101.按压部位不正确的,扣5分2.按压方法不正确的,扣5分利用上身重量垂直下压,胸骨下陷5cm,迅速放松,掌根不离开胸骨,按压与放松时间大致相同,按压频率100次/分以上。每按压30次为一组,反复进行。按压的同时小声数数,“1组,124”,大声数“25、26、27、28、29、30”,同时观察面色、口唇有无变化。15L未垂直下

展开阅读全文
相关资源
猜你喜欢
相关搜索

当前位置:首页 > 论文 > 管理论文

copyright@ 2008-2023 1wenmi网站版权所有

经营许可证编号:宁ICP备2022001189号-1

本站为文档C2C交易模式,即用户上传的文档直接被用户下载,本站只是中间服务平台,本站所有文档下载所得的收益归上传人(含作者)所有。第壹文秘仅提供信息存储空间,仅对用户上传内容的表现方式做保护处理,对上载内容本身不做任何修改或编辑。若文档所含内容侵犯了您的版权或隐私,请立即通知第壹文秘网,我们立即给予删除!