安全生产路面摊铺一般检查项目.docx

上传人:p** 文档编号:888487 上传时间:2024-03-26 格式:DOCX 页数:2 大小:16.61KB
下载 相关 举报
安全生产路面摊铺一般检查项目.docx_第1页
第1页 / 共2页
安全生产路面摊铺一般检查项目.docx_第2页
第2页 / 共2页
亲,该文档总共2页,全部预览完了,如果喜欢就下载吧!
资源描述

《安全生产路面摊铺一般检查项目.docx》由会员分享,可在线阅读,更多相关《安全生产路面摊铺一般检查项目.docx(2页珍藏版)》请在第壹文秘上搜索。

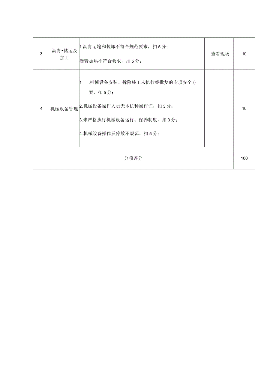
1、路面摊铺一般检查项目序号检查项目检查内容检查方法应得分1拌和站1 .搅拌机等机械旁未设置机械操作程序牌,扣10分;2 .拌合站排水系统不完善,扣5分;3 .场内道路应保持畅通,设置明显交通标志和警示标志,并配备专职交通指挥人员。不符合规定每一处扣5分:4 .拌和机等机电设备未设置工作棚,或工作棚防雨(雪)、防风功能较差,扣3分;5 .拌和机料仓及材料输送设备未设置防护装置,扣10分;6 .拌和机运转中严禁人员靠近各种运转机构,不符合规定每一处扣10分;7 .拌和站机械设备需经常检查的部位应设置铁爬梯,不符合规定每一处扣5分;8 .桶装沥青堆放高度不符合规定,扣2分;查看现场及相关资402摊铺现

2、场1 .施工现场无专人指挥,扣10分;1.1. 工作业区两端,未设置明显路栏,不符合规定每一处扣10分;3 .夜间路栏上未设置施工标志灯或反光标志的,不符合规定每一处扣10分;4 .半幅通车路段,车辆出入前方未设置指示方向和减速慢行标志,不符合规定每一处扣5分;5 .半幅施工区与行车道之间未设置红白相间的隔离栅,不符合规定每一处扣5分;查看现场403沥青储运及加工1.沥青运输和装卸不符合规范要求,扣5分;沥青加热不符合要求,扣5分;查看现场104机械设备管理1 .机械设备安装、拆除施工未执行经批复的专项安全方案,扣5分;2 .机械设备操作人员无本机种操作证,扣3分;3 .未严格执行机械设备运行、保养制度,扣3分;4 .机械设备操作及停放不规范,扣5分;10分项评分100

展开阅读全文
相关资源
猜你喜欢
相关搜索

当前位置:首页 > 建筑/环境 > 建筑规范

copyright@ 2008-2023 1wenmi网站版权所有

经营许可证编号:宁ICP备2022001189号-1

本站为文档C2C交易模式,即用户上传的文档直接被用户下载,本站只是中间服务平台,本站所有文档下载所得的收益归上传人(含作者)所有。第壹文秘仅提供信息存储空间,仅对用户上传内容的表现方式做保护处理,对上载内容本身不做任何修改或编辑。若文档所含内容侵犯了您的版权或隐私,请立即通知第壹文秘网,我们立即给予删除!