工业固体废物综合利用技术评价申报、参考评价方法、部分定量指标计算方法.docx

上传人:p** 文档编号:889100 上传时间:2024-03-26 格式:DOCX 页数:10 大小:45.11KB
下载 相关 举报
工业固体废物综合利用技术评价申报、参考评价方法、部分定量指标计算方法.docx_第1页
第1页 / 共10页
工业固体废物综合利用技术评价申报、参考评价方法、部分定量指标计算方法.docx_第2页
第2页 / 共10页
工业固体废物综合利用技术评价申报、参考评价方法、部分定量指标计算方法.docx_第3页
第3页 / 共10页
工业固体废物综合利用技术评价申报、参考评价方法、部分定量指标计算方法.docx_第4页
第4页 / 共10页
工业固体废物综合利用技术评价申报、参考评价方法、部分定量指标计算方法.docx_第5页
第5页 / 共10页
工业固体废物综合利用技术评价申报、参考评价方法、部分定量指标计算方法.docx_第6页
第6页 / 共10页
工业固体废物综合利用技术评价申报、参考评价方法、部分定量指标计算方法.docx_第7页
第7页 / 共10页
工业固体废物综合利用技术评价申报、参考评价方法、部分定量指标计算方法.docx_第8页
第8页 / 共10页
工业固体废物综合利用技术评价申报、参考评价方法、部分定量指标计算方法.docx_第9页
第9页 / 共10页
工业固体废物综合利用技术评价申报、参考评价方法、部分定量指标计算方法.docx_第10页
第10页 / 共10页
亲,该文档总共10页,全部预览完了,如果喜欢就下载吧!
资源描述

《工业固体废物综合利用技术评价申报、参考评价方法、部分定量指标计算方法.docx》由会员分享,可在线阅读,更多相关《工业固体废物综合利用技术评价申报、参考评价方法、部分定量指标计算方法.docx(10页珍藏版)》请在第壹文秘上搜索。

1、附录A(资料性附录)技术评价申报文件(格式)建议各相关单位参照以下要求提交技术评价申请材料:1 .申报单位应是在中华人民共和国境内注册1年以上的企事业单位,具有独立法人资格。2 .参选技术符合国家产业政策、资源综合利用规划等。3 .技术知识产权明晰,合资企业中方股权不小于51%。4 .同一单位单次申报技术数量不超过5项。5 .申报材料包括:(1)企业法人资格证书、营业执照;(2)工业固体废物综合利用技术基本信息表(表A.1);(3)工艺流程图;(4)地市级环保、经信部门提供的节能减排监测数据证明材料;(5)查新报告、鉴定结果或专利证书;(6)获奖证明;(7)技术转让合同、知识产权归属和授权使用

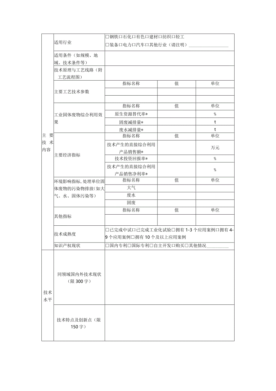
2、证明文件;(8)其他材料。表A.1技术基本信息表(格式)技术依托单位单位性质组织机构代码通信地址省(自治区)市区(县)街(路)号邮政编码负责人联系人联系电话(附手机)电子信箱传真号码技术名称技术简介(300字以内,包括工艺原理、工业固体废物综合利用技术效果、主要技术经济指标等)技术类型(可根据实际情况多选,最多选3项)口生产建材产品口回收热值其他(可注明)主要技术内容适用行业钢铁口石化口有色口建材口纺织口轻工装备口电力口汽车口其他行业(请注明)适用条件(如规模、地域、技术条件等)技术原理与工艺线路(附工艺流程图)主要工艺技术参数指标名称值单位工业固体废物综合利用效果指标名称值单位原生资源替代率

3、*%固废减排量*t废水减排量*t主要经济指标指标名称值单位技术产生的直接综合利用产品销售额*万元技术投资回报率*%技术产生的直接综合利用产品销售净利率*%环境影响指标,处理单位固体废物的污染物排放(如大气、水、固体污染等)指标名称值单位大气废水固废其他指标指标名称值单位技术成熟度已完成中试口已完成工业化试验拥有1-3个应用案例口拥有4-9个应用案例拥有10个及以上应用案例知识产权现状国内专利国际专利自主开发口购买其他情况技术水平同领域国内外技术现状(限300字)技术特点及创新点(限150字)定性指标自评估技术先进性指标技术水平*落后口国内i般口国内先进国际先进口国际领先技术成熟度口差较差一般口

4、较成熟口很成熟技术政府符合度*差较差一般较成熟口完全符合实施及管理维护复杂程度*口实施维护复杂口实施维护比较复杂口实施维护中等口实施维护比较容易口实施维护容易环境友好性指标工艺设备环保政策符合程度*口差较差一般口较好口好污染降低程度*口差较差一般口较好口好资源化产品环境影响*口环境影响显著口环境影响较为明显口环境危害不能忽略有轻微环境危害口环境危害小经济可行性指标技术产业化前景*口市场潜力小,前景差口市场潜力般,前景i般口有一定市场,前景中等口有较大的市场潜力,前景较好口市场潜力巨大,前景广阔应用情况应用案例:注:(可加行。填写应用项目的联系人及联系方式、项目名称、地点、规模、运行时间,并按照

5、主要技术内容栏目中所列明细说明固废综合利用、主要经济指标、环境影响等)申报单位承诺:申报技术的知识产权明晰,申报材料内容属实、准确(公章)日期:年月日推荐单位审查意见:(公章)日期:年月日注1:指标计算参照附录c。注2:标“*”的指标为基础指标。附录B(资料性附录)参考评价方法(多属性综合评价法)8.1 建立技术评价指标体系及评价因素集参照第5章的评价指标体系,构建评价因素集,包括目标层、准则层和基础指标层。目标层对应技术评价的目的,即工业固体废物综合利用技术的综合应用效果。准则层对应指标体系的一级指标。基础指标层对应指标体系的二级指标,为根据行业特点和技术实际情况确定的具体量化指标和定性指标

6、。8.2 构造隶属度函数并计算隶属度B.2.1定量指标隶属度的确定 =x-aa2-aiO定量技术评价指标均设置为取值越大越好,采用升半梯形分布的隶属函数:Xa2al(B.7)式中:W-准则层指标的相对权重矩阵;T级评估结果矩阵。矩阵A为各技术综合评估结果。根据最大隶属度原则,a值越大,表示技术的综合效果越好。据此可对各项待评价技术进行排序和比较。其中,一级评估的结果也可作为重要参考依据。附录C(资料性附录)工业固体废物综合利用技术评价部分定量指标计算方法C.1能源利用率能源利用效率按式(C.1)计算:式中:能源利用效率,单位为吨标准煤每处理单位工业固体废物(tcet工业固体废物);E一统计报告

7、期内,工业固体废物综合利用企业综合能源消耗量,单位为吨标准煤(tee);Wo-统计报告期内,工业固体废物综合利用企业处理的工业固体废物数量,单位为吨(t)。注:参考GB/T2589综合能耗计算通则。C.2固废减排量固废减排量为:固废减排量(吨)=比较期同期固废排放量(吨)一统计期固废排放量(吨)C.3废水减排量废水减排量为:废水减排量(吨)=比较期同期废水排放量(吨)一统计期废水排放量(吨)C.4原生资源替代率原生资源替代率按式(C.2)计算:PZr=鬻XIOo%(C.2)式中:PZr-原生资源代替率,%;Wp一统计报告期内,合格的工业固体废物综合利用产品中工业固体废物的掺入量,单位为吨(t)

8、;M统计报告期内,合格的工业固体废物综合利用产品总重量,单位为吨(t)。C.5技术投资回报率工业固体废物综合利用技术投资回报率按式(C.3)计算:ROI=7100%(C.3)式中:ROI-工业固体废物综合利用技术投资回报率,%;P1-统计报告期内,企业采用综合利用技术的净利润,单位为万元;INL一统计报告期内,企业采用综合利用技术投资总额,单位为万元。C.6技术产生的直接综合利用产品销售净利率技术产生的直接综合利用产品销售净利率按式(C.4)计算:P=EXIo0%(C.4)式中:P-采用技术产生的直接综合利用产品销售净利率,%;Pl-统计报告期内,企业采用技术直接产生的综合利用产品净利润,单位为万元;L-统计报告期内,企业采用技术直接产生的综合利用产品销售收入,单位为万元。

展开阅读全文
相关资源
猜你喜欢
相关搜索

当前位置:首页 > 高等教育 > 大学课件

copyright@ 2008-2023 1wenmi网站版权所有

经营许可证编号:宁ICP备2022001189号-1

本站为文档C2C交易模式,即用户上传的文档直接被用户下载,本站只是中间服务平台,本站所有文档下载所得的收益归上传人(含作者)所有。第壹文秘仅提供信息存储空间,仅对用户上传内容的表现方式做保护处理,对上载内容本身不做任何修改或编辑。若文档所含内容侵犯了您的版权或隐私,请立即通知第壹文秘网,我们立即给予删除!