节水型企业相关标准及技术考核要求.docx

上传人:p** 文档编号:896983 上传时间:2024-03-30 格式:DOCX 页数:6 大小:28.45KB
下载 相关 举报
节水型企业相关标准及技术考核要求.docx_第1页
第1页 / 共6页
节水型企业相关标准及技术考核要求.docx_第2页
第2页 / 共6页
节水型企业相关标准及技术考核要求.docx_第3页
第3页 / 共6页
节水型企业相关标准及技术考核要求.docx_第4页
第4页 / 共6页
节水型企业相关标准及技术考核要求.docx_第5页
第5页 / 共6页
节水型企业相关标准及技术考核要求.docx_第6页
第6页 / 共6页
亲,该文档总共6页,全部预览完了,如果喜欢就下载吧!
资源描述

《节水型企业相关标准及技术考核要求.docx》由会员分享,可在线阅读,更多相关《节水型企业相关标准及技术考核要求.docx(6页珍藏版)》请在第壹文秘上搜索。

1、附件2节水型企业相关标准GB/T7119-2018节水型企业评价导则GB24789-2009用水单位水计量器具配备和管理通则GB/T26925-2011节水型企业火力发电行业GB/T26924-2011节水型企业钢铁行业GB/T26923-2011节水型企业纺织染整行业GB/T26926-2011节水型企业石油炼制行业GB/T37832-2019节水型企业化纤长丝织造行业GB/T26927-2011节水型企业造纸行业GB/T32164-2015节水型企业乙烯行业GB/T32165-2015节水型企业味精行业GB/T36895-2018节水型企业氮肥行业GB/T35576-2017节水型企业啤酒

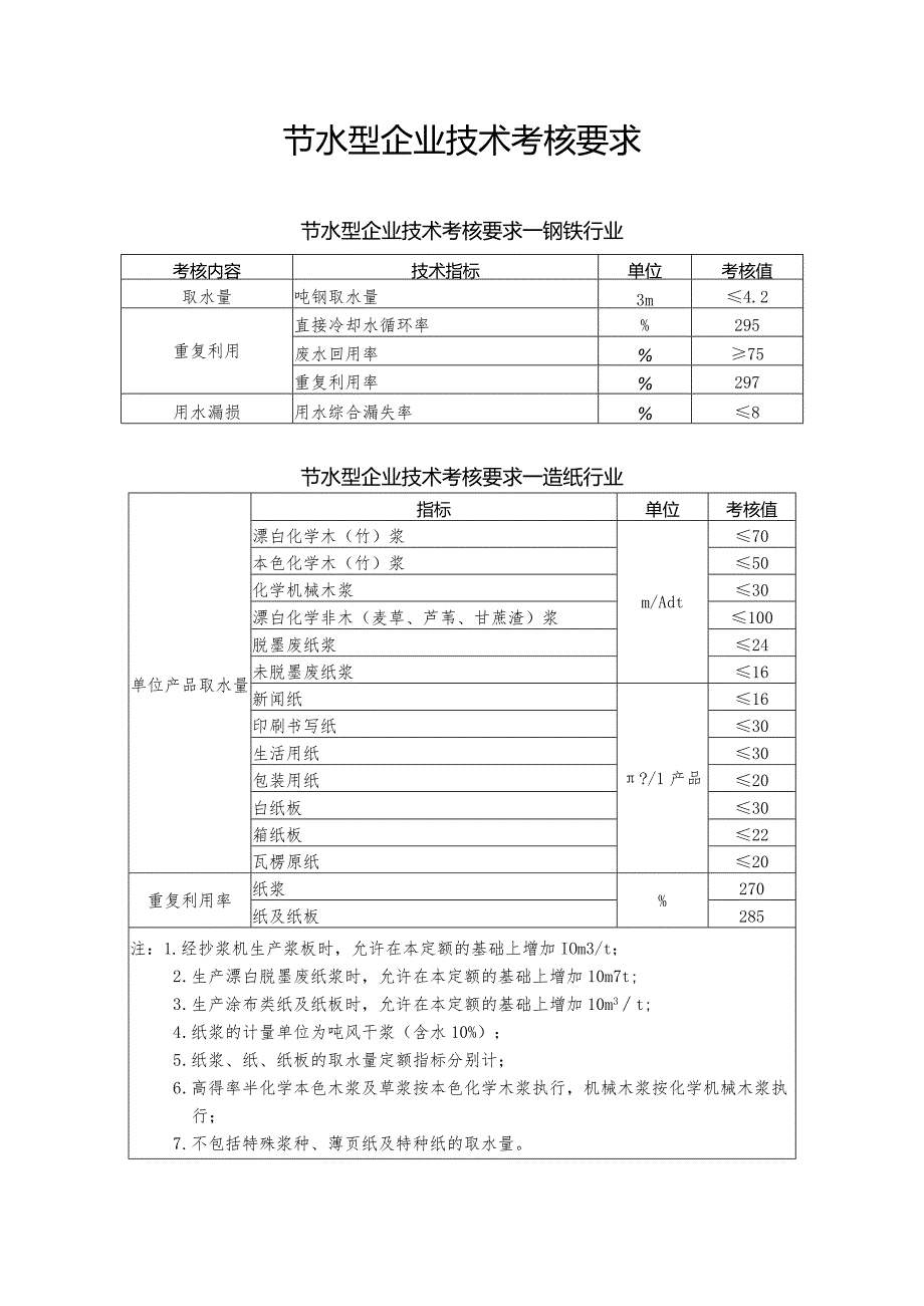
2、行业注:其他行业节水型企业国家标准出台前,可先按照行业标准执行。节水型企业技术考核要求节水型企业技术考核要求一钢铁行业考核内容技术指标单位考核值取水量吨钢取水量3m4.2重复利用直接冷却水循环率%295废水回用率%75重复利用率%297用水漏损用水综合漏失率%8节水型企业技术考核要求一造纸行业单位产品取水量指标单位考核值漂白化学木(竹)浆m/Adt70本色化学木(竹)浆50化学机械木浆30漂白化学非木(麦草、芦苇、甘蔗渣)浆100脱墨废纸浆24未脱墨废纸浆16新闻纸?/1产品16印刷书写纸30生活用纸30包装用纸20白纸板30箱纸板22瓦楞原纸20重复利用率纸浆%270纸及纸板285注:1.经

3、抄浆机生产浆板时,允许在本定额的基础上增加IOm3/t;2 .生产漂白脱墨废纸浆时,允许在本定额的基础上增加10m7t;3 .生产涂布类纸及纸板时,允许在本定额的基础上增加10m3t;4 .纸浆的计量单位为吨风干浆(含水10%);5 .纸浆、纸、纸板的取水量定额指标分别计;6 .高得率半化学本色木浆及草浆按本色化学木浆执行,机械木浆按化学机械木浆执行;7 .不包括特殊浆种、薄页纸及特种纸的取水量。节水型企业技术考核要求一纺织染整行业一、取水量单位产品取水量L棉、麻、化纤及混纺机织物(m3100m)22.丝绸机织物(m3100m)33.针织物及纱线(m3t)100二、重复利用1.重复利用率(%)

4、,452.间接冷却水循环率(%)2953.冷凝水回用率(%)2984.废水回用率(%)220三、用水漏损用水综合漏失率(%)6注:1.以棉色布为标准品,将标准品折合系数为1,机织物百米基准值为布幅宽度106cm.布重12.00kg100的合格产品,当棉机织产品布幅宽度或布重不同时,计算其产品产量可按基准棉印染产品产量计算公式进行相应的换算。其他产品,可根据织物的长度、幅宽、厚度等数据按照FZ/T01002-2010印染企业综合能耗计算办法及基本定额中的规定进行换算。2.毛织物单位产品取水量考核指标另行制定(以下同)。节水型企业技术考核要求一石油炼制行业考核内容考核值取水量加工吨原(料)油取水量

5、(ni/t)0.7重复利用重复利用率(%)297.5浓缩倍数24.0软化水、除盐水制取系数1.10蒸汽冷凝水回收率设)260含硫污水汽提净化水回用率(%)260污(废)水回用率(%)250用水漏损用水综合漏失率(%)7排水加工吨原(料)油排水量(113t)0.35注:表中浓缩倍数指标是按间接冷却水循环系统中补充运行过程中损失的取水量确定的,当企业的间接冷却水循环系统的补充水中含有污(废)水回用水时,可将浓缩倍数指标按污(废)水回用水水量占补充水总量的10%递减0.1进行确定。节水型企业技术考核要求一乙烯行业考核内容技术指标单位考核值取水量单位乙烯取水量m3t6.5化学水制取系数m3m31.1(

6、离子交换树脂工艺)m3/m31.25(反渗透工艺)重复利用重复利用率%298循环水浓缩倍数倍25蒸汽冷凝水回收率%280排水单位乙烯排水量m3t1.8注:当企业的间接冷却水循环系统的补充水中含有污(废)水回用水时,可将循环水浓缩倍数指标按污(废)水回用水水量占补充水总量的10%递减0.1进行确定。节水型企业技术考核要求一味精行业考核内容指标单位考核值单位产品取水量吨味精取水量m3t25重复利用重复利用率%292间接冷却水循环率%295排水达标排放率%100用水漏损用水综合漏失率%3节水型企业技术考核要求一火电行业考核内容要求取水量单位发电量取水量/(m7(MW.h)机级冷却形式单机容量90全厂

7、废水回用率/%85注:循环冷却不包括海水循环冷却,海水循环冷却按直流冷却对待。节水型企业技术考核要求一氮肥行业考核内容技术指标单位考核值取水量以无烟煤(型煤)为原料的吨合成氨取水量m3t9以煤粉、褐煤为原料的吨合成氨取水量m3t12以天然气(焦炉气)为原料的吨合成氨取水量m3t7.5吨尿素取水量m3t2.5重复利用间接冷却水循环率%297重复利用率%295用水漏损用水综合漏失率%2达标排放废水排放达标率%100注:各参数计算方法参见GB/T36895-2018节水型企业氮肥行业节水型企业技术考核要求一啤酒行业考核内容技术指标单位考核值取水量千升啤酒取水量m3kL4.0重复利用重复利用率%70间接冷却循环率%295注:各参数计算方法参见GB/T35576-2017节水型企业啤酒行业

展开阅读全文
相关资源
猜你喜欢
相关搜索

当前位置:首页 > 行业资料 > 国内外标准规范

copyright@ 2008-2023 1wenmi网站版权所有

经营许可证编号:宁ICP备2022001189号-1

本站为文档C2C交易模式,即用户上传的文档直接被用户下载,本站只是中间服务平台,本站所有文档下载所得的收益归上传人(含作者)所有。第壹文秘仅提供信息存储空间,仅对用户上传内容的表现方式做保护处理,对上载内容本身不做任何修改或编辑。若文档所含内容侵犯了您的版权或隐私,请立即通知第壹文秘网,我们立即给予删除!