购物中心的商家装修施工二装巡查工作方案.docx

上传人:p** 文档编号:897762 上传时间:2024-03-30 格式:DOCX 页数:8 大小:39.49KB
下载 相关 举报
购物中心的商家装修施工二装巡查工作方案.docx_第1页
第1页 / 共8页
购物中心的商家装修施工二装巡查工作方案.docx_第2页
第2页 / 共8页
购物中心的商家装修施工二装巡查工作方案.docx_第3页
第3页 / 共8页
购物中心的商家装修施工二装巡查工作方案.docx_第4页
第4页 / 共8页
购物中心的商家装修施工二装巡查工作方案.docx_第5页
第5页 / 共8页
购物中心的商家装修施工二装巡查工作方案.docx_第6页
第6页 / 共8页
购物中心的商家装修施工二装巡查工作方案.docx_第7页
第7页 / 共8页
购物中心的商家装修施工二装巡查工作方案.docx_第8页
第8页 / 共8页
亲,该文档总共8页,全部预览完了,如果喜欢就下载吧!
资源描述

《购物中心的商家装修施工二装巡查工作方案.docx》由会员分享,可在线阅读,更多相关《购物中心的商家装修施工二装巡查工作方案.docx(8页珍藏版)》请在第壹文秘上搜索。

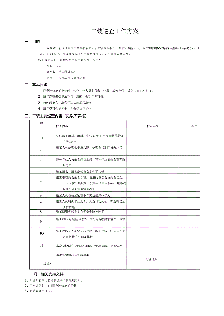
1、二装巡查工作方案一、目的为高效、有序地实施二装装修管理,有效管控装修施工单位,确保南充王府井购物中心的商家装修施工活动安全、正常、有序地进展,尽量减少或杜绝违章装修情况,防止重大安全事故。特此成立南充王府井购物中心二装巡查工作小组:组长:杨青山副组长:兰学仕陈牟忠组员:工程部人员安保部人员二、基本要求1、巡查装修施工单位时,物业工作人员务必着工作服,戴安全帽,做到应有基本礼仪。2、所有巡查表格记录完善、清晰,做到有楣可查。3、按时间节点、巡查频次实施现场巡查:4、所有资料收集齐全,并做好归档工作。三、二装主要巡查内容(见以下表格)序检查内容检查结果备注1装修施工用材、用料、安装是否符合?商铺装

2、修管理手册?标准2施工人员是否佩带出入证、是否在指定区域内施工3特种作业人员是否持证上岗、特种作业证是否在有效期之内4施工用水、用电是否在指定位置接驳5施工电缆敷设是否合理,使用的电器设备是否安全,有无私拉乱接现象、安装是否符合标准、电器线路使用是否负荷装修要求6施工人员在施工过程中有无违规操作行为7施工人员明火作业是否开具当日动火证、有没有安全防护措施8施工所用机械设备有无安全防护装置9施工材料是否整齐码放,垃圾是否按要求清理、堆放IO施工现场有无不安全品存放,施工异味、噪音是否采取有效措施处理及排放11本次巡检所发现的其它问题及整改措施、处理情况12跟进落实整改后复检结果巡检人:巡检日期:

3、附:相关支持文件1、?四川省房屋装修构造安全管理规定?。2、王府井购物中心?商户装修施工手册?。3、原始设计平面图。4、?商户装修安全管理手册?四、巡查管理1、巡查a.根据已经办理装修手续户数,安排人员对进展装修的现场进展巡查并填写?装修巡查记录表?:b.当日下午17:30前收回?装修巡查记录表?进展统计;c.分别统计违章装修、网络改动等情况,填写好?装修违章统计表?(存档);d.将每日?装修巡查记录表?整理归档,最后按商家户归档。2、违章处理a.查到责任人及联系.b.安排人员到场拍照,查看取样:c.视其情节的严重性,给于口头警告或开?违章通知?并要求整改(存档);d.假设遇不配合处理,劝解不

4、听者,经主管领导批准后可停水、停电,并责令其恢复:e.定时复查恢复整改情况。3、违章界定a.擅自开工。b.乱拉电线,超负荷用电。c.擅自改动、公共设施、设备。d.随意改动外墙立面外观。e.随意改动图纸要求。f.随意拆改墙体,在承重墙、梁、柱上穿孔、剃槽。g擅自在室外张贴广告牌。h.堵塞地漏和排水管道。i.擅自动火作业。j.不按规定施工,制造噪音。k.擅自在施工现场留宿。五、工程部岗位职费1、工程部配合招商、运营部进展装修前验铺工作。2、工程部主管负责审核由运营部转来的装修工程图纸。3、工程部文员负责工程资料的整理、装订成册、归档。4、工程部技工负责检查装修施工是否按图施工。5、工程部技工负贡对

5、装修材料按照?商铺装修管理手册?进展检查。6、工程部技工负责检查临时施工用电安装使用是否符合安全标准及管理标准。7、工程部技工负责检查装修施工特种作业人员是否具有特种作业资质,特种作业人员作业证是否在有效期内。8、工程部技工负责检查装修施工安装是否符合安装标准及标准。9、对于检查发现存在的问题,向商铺负责人或施工负责人提出整改意见,重大问题汇报上一级领导发函告知或召集相关负责人开会协调整改。10、对施工装修进展跟踪、落实整改情况。11、工程部综合维修负责装修隐蔽工程及竣工验收。六、安保部二装施工现场岗位职责工程工作职责记录安全岗位(I)每2小时对商户铺内的装修现场进展一次全覆盖巡查和签到,发?

6、巡查签到表?职责现问题及时处理记录处理,对不能马上处理的消防安全隐患上?装修现场检查记录报消防主管,追踪处理结果:A检查装修商铺外装修告示牌的安装是否结实、位置是否正确、公示内容是否齐全;检查装修商铺内的施工人员有无佩戴及办理?施工人员出入证?,人证是否一致:检查装修现场是否按照每50户配置2具磷酸铉盐ABC4干粉类灭火器;检查装修现场材料的堆放是否分类堆放,易碎物品有无立靠墙体及玻璃外墙堆放现象,有无占用公共区域:检查装修现场有无吸烟、赌博、做饭、留宿行为,一经发现立即制止处理;检查装修现场有无易燃易爆等高危物品,是否已经向安保部进展报备,当日离场时是否带离现场;检查动火作业现场是否办理?动

7、火许可证?,安全责任人是否到场监管,现场的灭火设施是否到位,周边是否存在高危气体污染作业穿插施工隐患,动火操作人员是否持证作业;检查现场的装修建渣是否当日清运完毕,清运时有无使用垃圾袋袋装紧固:A检查商铺的疏散通道、出口、是否畅通,有无堵塞占用:(2)负协助消防主管对商铺临时货运通道的协调;(3)发现破坏承重构造、防水、地面剔凿等野蛮行为,立即制止,并通报工程部:(4)协助秩序主管处理各类突发事件;(5)完成领导交代的其它工作任务。表?(1)每天对商铺铺内装修现场不低于2次巡查并签到,发现问题及时记录处理,对不能马上处理的消防安全隐患上报安保部经理,协调运营部对商铺下发?隐患整改通知单?,并跟

8、进限期整改结果:(2)定期对消防专员工作的培训、指导、检查、考核、纠正:(3)负责装修商户?动火许可证?的审核办理,并组织对当日现场未使?巡查签到表??隐患整改通知书??动火许可证??违规处分单??值班记录本?用完的易燃易爆不安全品材料进展专项清理:(4)负责对接工程部,对商铺装修材料的进出清单、产品合格证、耐火极限证明的归档;(5)负责装修违规现场的调查取证和处理工作;(6)完成领导交代的其它工作任务(1)每天对商铺铺内装修现场不低于2次巡查并签到,主动发现并解决存在的安全隐患,对不能马上处理的安全隐患上报安保部经理,并追踪处理结果:(2)每天对商户进出的人行通道、货运通道1和绿洲的约定线路

9、)不低于2次巡查,查看通道的安全现状、顺畅情况,提出整改意见,上报安保部经理:(3)负责每日对接绿洲,收取王府井商户已经出场物品的?物品出门条?,并与运营部核对:(4)负责协调处理装修现场发生的一般纠纷和矛盾;(5)负责商户入场前相关安全协议的签署和施工安全培训:(6)完成领导交代的其它工作任务?巡查签到表??值班记录本??违规处分单?(1)每日对商铺的装修现场和人员、物料的进出线路不低于一次巡查并签到;对存在的问题进展分析处理;(2)负责商户装修图纸中关于消防局部、安防设施局部、燃气局部的审核;(3)负责对重大安全隐患现场的复查和违规处理;(4)负责现场消防安全类突发事件的处理上报;(5)制

10、定部门装修阶段性的工作方案及实施细则,组织实施,定期经常检行、督导部门人员的履职情况;(6)完成领导交代的其它工作任务?重大事件报告??巡查签到表??值班记录本?(1)工程部配合招商、运营部进展装修前验铺工作。(2)工程部主管负责审核由运营部转来的装修工程图纸。(3)工程部文员负责工程资料的整理、装订成册、归档。(4)工程部技工负责检查装修施工是否按图施工。(5)工程部技工负责对装修材料按照?商铺装修管理手册?进展检查。(6)工程部技工负责检查临时施工用电安装使用是否符合安全标准及管理标准。(7)工程部技工负责检查装修施工特种作业人员是否具有特种作业资质,特种作业人员作业证是否在有效期内。(8

11、)工程部技工负责检查装修施工安装是否符合安装标准及标准。(9)对于检查发现存在的问题,向商铺负责人或施工负责人提出整改意见,重大问题汇报上一级领导发函告知或召集相关负责人开会协调整改。(10)对施工装修进展跟踪、落实整改情况。(三)工程部综合维修负责装修隐蔽工程及竣工验收。附流程中所需各专t表格1工程二装巡检流程图2、工程部二装巡查记录表编号:日期内容1 .?装修工程施工证?2 .?人员临时出入证?3 .消防措施4 .材料堆放5 .垃圾处理6 .装修时间7 .违章留宿8 .生火做饭9 .装修人数10 .是否乱接线11 .改管线12 .打墙13 .钻孔14 .破坏防水层品牌店时检)检查内容检查情况处理结果要求:检查中假设发现有异常情况,必须立即报告检查小组予以及时处理。巡视人签字:3、安保部二装巡查记录表附后表格生效日期:2016年月日序号:房号内容秩序维护员检查:?装修施工证?;?装修人员出入证?:消防措施:材料堆放;垃圾处理;装修时间:违章留宿;生火做饭:装修人数:时秩序维护员检杳情况时秩序维护员检查情况时技术员检杳情况技术员检查:是否乱接线:改管线:打墙、钻孔:破坏防水层:破坏承重构造:

展开阅读全文
相关资源
猜你喜欢
相关搜索

当前位置:首页 > 建筑/环境 > 装饰装潢

copyright@ 2008-2023 1wenmi网站版权所有

经营许可证编号:宁ICP备2022001189号-1

本站为文档C2C交易模式,即用户上传的文档直接被用户下载,本站只是中间服务平台,本站所有文档下载所得的收益归上传人(含作者)所有。第壹文秘仅提供信息存储空间,仅对用户上传内容的表现方式做保护处理,对上载内容本身不做任何修改或编辑。若文档所含内容侵犯了您的版权或隐私,请立即通知第壹文秘网,我们立即给予删除!