悬挑式卸料平台施工技术交底.docx

上传人:p** 文档编号:900569 上传时间:2024-04-01 格式:DOCX 页数:9 大小:244.16KB
下载 相关 举报
悬挑式卸料平台施工技术交底.docx_第1页
第1页 / 共9页
悬挑式卸料平台施工技术交底.docx_第2页
第2页 / 共9页
悬挑式卸料平台施工技术交底.docx_第3页
第3页 / 共9页
悬挑式卸料平台施工技术交底.docx_第4页
第4页 / 共9页
悬挑式卸料平台施工技术交底.docx_第5页
第5页 / 共9页
悬挑式卸料平台施工技术交底.docx_第6页
第6页 / 共9页
悬挑式卸料平台施工技术交底.docx_第7页
第7页 / 共9页
悬挑式卸料平台施工技术交底.docx_第8页
第8页 / 共9页
悬挑式卸料平台施工技术交底.docx_第9页
第9页 / 共9页
亲,该文档总共9页,全部预览完了,如果喜欢就下载吧!
资源描述

《悬挑式卸料平台施工技术交底.docx》由会员分享,可在线阅读,更多相关《悬挑式卸料平台施工技术交底.docx(9页珍藏版)》请在第壹文秘上搜索。

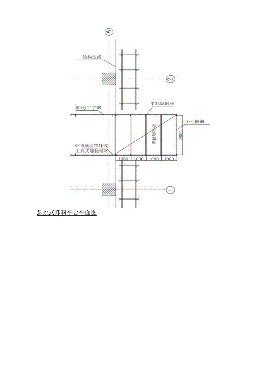
1、1、悬挑式卸料平台制作1. 1出料平台宽2m,长4m,锚入建筑物2m;限重800kg。1.2 采用20b号工字钢作主梁,10号槽钢作次梁,间距IooOmn1,4根6X37钢丝绳(2L5mm),外侧钢丝绳距主梁端头400mm,两道钢丝绳间距1.2m。1.3 出料平台上部满铺50mm厚的脚手板,脚手板两端用铁丝兜住工字钢捆绑,20b号工字钢主梁两端头焊接25短钢筋,上面插中48.3X2.9钢管作竖向防护栏杆,水平钢管设置三道,防护钢管刷20Omm红白相间油漆。防护栏杆高L5m,栏杆内侧挂14.5mm木胶板全封闭。平台前端底部水平面外延1.2米挂水平兜网。1.4 楼板内预埋成品锚环,固定20b号工字

2、钢主梁。1.5 在平台安装楼层以上两层,每层预埋25钢筋,作为钢丝绳的拉环,4根钢丝绳要单独预埋拉环。1.6 内侧锚固段与悬挑段交界处使用10#槽钢焊接做定位,防止平台内移。2、悬挑式卸料平台安装2.1 各单体安装位置单体公寓40、42#楼公寓41#楼安装位置5-7/A-B轴14-16/A-B轴1-2/A-C轴28-29/A-C轴2.2 出料平台加工好后,挂好安全网,经项目安全室和技术室统一检查验收通过后开始安装。先将塔吊的吊环安装在出料平台的专用吊钩(设置4个吊钩作为平台调运,采用A25圆钢加工,吊环内径不小于100rnm,底部搭接焊并与主梁满焊,)上,将出料平台水平提起,吊至需安装的部位,

3、再将出料平台的工字钢后部伸到结构预埋钢筋里,然后由架子工将出料平台的钢丝绳上端锁在上两层的预埋吊钩(A25圆钢)上,下端锁在出料平台的吊环上(A25圆钢;钢丝绳与吊环交接处需垫胶垫以防止钢丝绳的磨损),并在此处将出料平台兜住,共用4根钢丝绳,接头位置的钢丝绳卡子的数量为4个。同一侧的两根钢丝绳不能拴在同一个螺栓眼中。钢丝绳与板连接牢固后,慢慢将塔吊的吊钩下落直至完全松开,仔细检查出料平台的安全性能,确定没有问题后将塔吊的吊钩卸掉。每根钢丝绳与水平面夹角保证在45度60度,且出料平台的安装完成后要保证出料平台与水平线5度的夹角,主梁下垫40x9OnInl方木。安装示意图如下:悬挑式卸料平台平面图

4、25预埋拉环吊环大样3、钢丝绳及绳卡钢丝绳打结部位使用25钢丝绳卡子卡牢,钢丝绳与主梁的夹角约为45-60度,卸料平台上一层设置两道钢丝绳拉结,钢丝绳直径21.5un,钢丝绳端部卡扣间距129mm。绳夹在实际使用中受载2次后螺母要进一步拧紧。离套环最近的绳夹应尽可能贴近套环,但是不能首先单独紧固。在最后一个夹头后500mm处再安装一个夹头,并将绳头放出一个“安全弯”,当安全弯被拉直,应及时采取措施。绳卡开口方向朝向大绳方向。般规格例纱公称配)4mm帼脚夹的眇/限18-26426-36536-446M607钢丝绳卡安装示意图4、卸载拉环卸载拉环采用A25圆钢制作,对加工好的圆钢按不同用途堆放,在

5、结构柱浇筑时在相应部位做好预埋,预埋个数及预埋位置必须准确,预埋后做好检查,防止漏埋、少埋和埋放位置不正确。平台上的吊环及拉环采用25un圆钢加工,将加工好的吊环焊在20b#工字钢上,吊环与工字钢要满焊,焊缝高度不小于6mmO型钢梁预埋环钢丝绳墙或梁上拉环埋件示意图定型钢梁预埋环5、卸料平台端部梯形构造设置(便于穿绳及吊取材料)6、卸料平台型钢连接材料切割一材料摆放一焊接加工成型一铺脚手板一焊防护栏杆一挂安全绿网一验收后使用(1)材料切割:先将槽钢和工字钢按设计尺寸切割成型。(2)将切割好的主梁及次梁槽钢按设计形式在地上摆好,摆好后进行焊接加工。主梁槽钢与次梁槽钢焊接采取双面满焊,焊缝高度6m

6、m,如下植,与工字螭接的靴浙;,酸 / mm /确与工字螭接7、悬挑式卸料平台的使用7.1 卸料平台加工支座完毕经过验收合格后方可吊装。吊装时,先挂好四角的吊钩,传发初次信号,但只能稍稍提升平台,放松斜拉钢丝绳,方可正式吊装,吊钩的四条引绳应等长,保证平台在起吊过程中的平稳。吊装至预定位置后,先将平台工字钢与预埋件固定后(木楔将锚环与工字钢之间的缝隙塞满),再将钢丝绳固定,紧固螺母及钢丝绳卡子,完毕后方可松塔吊吊钩,卸料平台安装完毕后经验收合格后方可使用。7.2 卸料平台安装前,需进行全面检查,吊环与工字钢焊接的部位及工字钢与槽钢焊接的部位,防护栏杆焊接的部位是否有裂痕,如发现问题,立即停止使

7、用。7.3 3卸料平台调运前,检查塔吊上的钢丝绳是否有损伤的痕迹,如发现问题,立即停止使用,更换新钢丝绳进行调运。7.4 卸料平台调运前,将卸料平台上的材料及建筑垃圾清理干净,避免调运过程中卸料平台发生倾斜,发生高空坠物砸伤下方的施工人员。7.5 卸料平台调运前,检查操作平台脚手板与工字钢之间是否绑扎牢固,避免调运过程中卸料平台发生倾斜,发生高空坠物砸伤下方的施工人员。7.6 卸料平台调运需注意,不得将钢丝绳直接兜住防护栏杆进行调运,必须兜住工字钢或直接连接吊环进行调运。7. 7上下楼层之间转换平台时注意操作步骤,提升时先用塔吊吊钩拉在平台的拉环上,然后解开钢丝绳、卸去钢管,将平台水平向结构外

8、移动,移至结构外时,再进行垂直提升。7.8 调运过程中首先要注意当卸料平台调运至外架附近时要缓停,避免与外架发生碰撞,缓停稳定后,由信号工指挥,慢慢驶入对应的位置。7.9 卸料平台穿过地锚环,用木楔塞紧后,将卸荷的钢丝绳安装完成后,方可拆除调运卸料平台上的钢丝绳。7.10式卸料平台的搁支点与上部拉结点,必须位于建筑物上,不得设置在脚手架等施工设备上。7.11斜拉杆或钢丝绳,构造上两边各设前后两道,两道中的靠近建筑一侧的一道为安全储备,另外一道应作受力计算。7.12与卸料平台拉结的钢丝绳绳卡应卡紧。不小于4个,前面三个间距200mm,最后一个绳卡安装之前,将前面的钢丝绳弯折一道,作为钢丝绳松动观测,如发现钢丝绳松动,则极力停止使用,进行整改。7.13卸料平台上应显著地标明容许荷载值;操作平台上人员和物料的总重量严禁超过设计的容许荷载,应配备专人加以监督。技术交底记录编号工程名称交底日期施工单位分项工程名称交底提要悬挑式卸料平台施工技术交底交底内容:交底审核人交底人专业工长质检员交底时间架子队接受交底人班组长质检员接受交底时间操作人员签字:交底审核人交底人专业工长质检员交底时间架子队接受交底人班组长质检员接受交底时间审核人交底人接受交底人1、本表由施工单位填写,交底单位与接受交底单位各保存一份。2、分项工程施工技术交底时,应填写“分项工程名称”栏,其他技术交底可不填写。

展开阅读全文
相关资源
猜你喜欢
相关搜索

当前位置:首页 > 建筑/环境 > 设计及方案

copyright@ 2008-2023 1wenmi网站版权所有

经营许可证编号:宁ICP备2022001189号-1

本站为文档C2C交易模式,即用户上传的文档直接被用户下载,本站只是中间服务平台,本站所有文档下载所得的收益归上传人(含作者)所有。第壹文秘仅提供信息存储空间,仅对用户上传内容的表现方式做保护处理,对上载内容本身不做任何修改或编辑。若文档所含内容侵犯了您的版权或隐私,请立即通知第壹文秘网,我们立即给予删除!