DPS5000直流输电控制保护系统设计及直流控制保护系统网络安全分析与对策.docx

上传人:p** 文档编号:902531 上传时间:2024-04-01 格式:DOCX 页数:13 大小:266.24KB
下载 相关 举报
DPS5000直流输电控制保护系统设计及直流控制保护系统网络安全分析与对策.docx_第1页
第1页 / 共13页
DPS5000直流输电控制保护系统设计及直流控制保护系统网络安全分析与对策.docx_第2页
第2页 / 共13页
DPS5000直流输电控制保护系统设计及直流控制保护系统网络安全分析与对策.docx_第3页
第3页 / 共13页
DPS5000直流输电控制保护系统设计及直流控制保护系统网络安全分析与对策.docx_第4页
第4页 / 共13页
DPS5000直流输电控制保护系统设计及直流控制保护系统网络安全分析与对策.docx_第5页
第5页 / 共13页
DPS5000直流输电控制保护系统设计及直流控制保护系统网络安全分析与对策.docx_第6页
第6页 / 共13页
DPS5000直流输电控制保护系统设计及直流控制保护系统网络安全分析与对策.docx_第7页
第7页 / 共13页
DPS5000直流输电控制保护系统设计及直流控制保护系统网络安全分析与对策.docx_第8页
第8页 / 共13页
DPS5000直流输电控制保护系统设计及直流控制保护系统网络安全分析与对策.docx_第9页
第9页 / 共13页
DPS5000直流输电控制保护系统设计及直流控制保护系统网络安全分析与对策.docx_第10页
第10页 / 共13页
亲,该文档总共13页,到这儿已超出免费预览范围,如果喜欢就下载吧!
资源描述

《DPS5000直流输电控制保护系统设计及直流控制保护系统网络安全分析与对策.docx》由会员分享,可在线阅读,更多相关《DPS5000直流输电控制保护系统设计及直流控制保护系统网络安全分析与对策.docx(13页珍藏版)》请在第壹文秘上搜索。

1、经过十几年的发展,直流输电技术在我国获得了广泛的工程应用,直流输电工程已经成为坚强智能电网的重要组成部分。基于长期工程设计经验,提出了直流输电控制保护系统设计原则,研制了适用于直流输电系统的DPS-5000紧凑型控制保护主机;基于DPS5000平台的软硬件特点,提出了直流输电紧凑型控制保护系统的总体设计方案;构建了实时数字仿真平台,仿真结果验证了紧凑型控制保护设计方案的正确性,为紧凑型直流输电控制保护系统工程应用提供了重要参考。我国能源资源与电力负荷需求呈“逆向分布”,能源资源主要分布在西部、北部,而电阻负荷主要分布在中部、东部。在这一背景下,国家提出“西电东送”的发展计划,目的在于合理配置资

2、源、优化能源结构。直流输电作为国家实施“西电东送”战略的关键技术,有望在我国的电网建设中和电力资源优化配置方面发挥重要作用。和交流输电相比,直流输电具有输送容量更大、输送距离更远、走廊占地更少、单位容量造价更低的优势。现阶段我国已建成三十余项直流输电工程,是世界上直流输电工程数量最多、电压等级最高、输送容量最大的国家。根据电力发展“十三五规划(20162020)h“十三五”期间扎鲁特一青州特高压分层接入直流、锡盟一泰州特高压分层接入直流、张北到北京柔性直流、渝鄂背靠背柔性直流等直流输电工程已投入运行,此外,仍有多条特高压直流输电工程已经获得核准批复。直流输电控制保护系统是直流输电工程的核心技术

3、。目前国外直流输电控制保护系统主要以ABB和SIEMENS的产品为主,在向上工程中,采用ABB公司的DCC-800控制保护系统;在云广特高压工程中,采用西门子公司的WIN-TDC控制保护系统。国内直流输电控制保护系统主要以南瑞继保和许继电气的产品为主,南瑞继保的PCS9550直流输电控制保护平台在哈密一郑州、酒泉一湖南、上海庙一山东等直流输电工程中得到应用,许继的DPS-3000直流输电控制保护平台在宜宾一金华、晋北一南京、锡盟泰州等直流输电工程中得到应用。我国的直流输电控制保护技术经历了从技术引进、消化吸收、自主研发等阶段的发展,现在已经步入技术升级、更新换代的阶段。DPS5000作为新一代

4、的直流输电控制保护平台,采用紧凑化设计,具有体积更小、性能更优、抗干扰能力更强、运行更稳定的特点。1直流输电控制保护设计原则1.1 直流输电工程拓扑结构我国的直流输电工程以长距离直流输电为主,长距离直流输电按电压等级可分为高压直流输电和特高压直流输电,高压直流输电工程和特高压直流输电工程拓扑结构类似,特高压直流输电工程每个极多串联一个12脉动换流器。特高压直流输电工程典型拓扑如图1所示。图1特高压直流输电工程典型拓扑1.2 直流输电控制保护系统设计原则根据长期工程设计经验,总结出直流输电工程控制保护系统设计原则为:1)直流控制保护系统应采用标准的通信规约和开放的网络结构,换流站其他辅助系统能方

5、便接入直流控制保护系统。2)直流控制保护系统应独立配置,控制和保护系统的采集回路应相互独立。控制保护系统采用模块化设计,应当将任一元件故障造成的影响范围降至最小。3)直流控制、交/直流站控系统按双重化冗余结构配置,即从数据采集到数据传输再到控制系统出口均要按完全双重化原则配置。运行人员控制系统中的服务器、站局域网(IocalareanetworkLAN)等按双重化冗余结构配置,其余设备要考虑足够的串行冗余度,并确保任何单一设备故障不影响直流系统的正常运行。4)换流站设置有运行人员控制室。两端系统一般采用“一个站合并运维、一个站调度运行”模式,全站监控系统信息处理能力和容量应满足合并运行的要求。

6、5)换流站远动信息应直送国调(总调)中心、备调、网调、省调。远动信息传输采用双平面数据网接入方式。6)直流保护系统按三重化原则冗余配置,采用“三取二”跳闸逻辑,以保证直流系统保护的可靠性,确保不拒动不误动。交流滤波器保护一般采用双重化冗余配置,采用“启动+动作”的跳闸逻辑。7)直流系统的保护应确保每一装置或保护区域在任何运行方式下都能被正确地保护,任何单一元件的故障不应导致保护的误动。任何冗余的直流保护都应采取相应的防误动措施,但防误动措施不能依赖双重化保护的切换实现。保护每一重的测量回路、电源回路、出口跳闸回路及通信接口回路均按完全独立的原则设计。8)换流站通过网络安全监测装置采集换流站监控

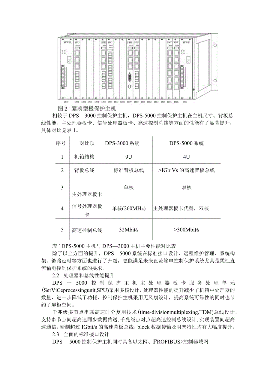
7、层的服务器、工作站、网络设备和安防设备自身感知的安全数据及网络安全事件,实现对网络安全事件的本地监视和管理。2 DPS5000控制保护主机基于直流输电控制保护设计原则,结合十余年直流输电控制保护系统开发经验,研制了DPS5000紧凑型控制保护主机,相较于上一代的DPS3000直流输电控制保护主机,对处理器性能、总线及背板性能、标准接口设计和远程维护等进行了升级。2.1 紧凑型控制保护主机基于直流输电控制保护系统的需求,研制了标准4U的主机,以紧凑型极保护主机为例,机箱配置如图2所示。相较于DPS3000控制保护主机,DPS-5000控制保护主机在主机尺寸、背板总线性能、主处理器板卡、信号处理器

8、板卡、高速控制总线等方面的性能有了显著提升,具体对比见表1。序号对比项DPS-3000系统DPS-5000系统1机箱结构9U4U2背板总线标准背板总线IGbiVs的高速背板总线3主处理器板卡单核双核4信号处理器板卡单核(260MHz)主处理器板卡代替,双核5高速控制总线32Mbits300Mbits表1DPS-5000主机与DPS3000主机主要性能对比表除了以上方面的提升,DPS5000系统在标准接口设计、远程维护管理、系统构架、链路延时等方面也进行了升级,更能满足未来直流输电控制保护系统尤其是柔性直流输电控制保护系统的要求。2.2 处理器和总线性能提升DPS一5000控制保护主机主处理器板

9、卡服务处理单元(SerViCeprocessingunit,SPU)采用多核设计,处理器性能的提升减少了机箱中处理器的数量,进一步降低了功耗,控制保护主机采用无风扇设计,提高系统可靠性的同时也节约了屏柜空间。千兆级多节点串联高速时分复用技术(time-divisionmultiplexing,TDM)总线设计,支持多节点间超高速同步数据传送,千兆级点对点超高速控制总线设计,实现装置间超高速通信。研制超过IGbit/s的高速背板总线,block数据传输及阻塞特性均有大幅度提升。2.3 全面的标准接口设计dps5000控制保护主机同时具备以太网、Profibus控制器域网(controllerar

10、eanetwork,CAN)、TDM、高速控制总线集成闪存控制器(integratedflashcontroller,IFC)、IEC60044标准接口及高速串行高级技术附件(Serialadvancedtech-nologyattachment,SATA)硬盘接口等。通过这些接口,控制保护系统配置更加灵活,总体结构和信息通道更加优化,也能满足与换流站其他设备通信的接口需求。2.4 远程维护管理升级DPS5000控制保护主机在工程师工作站上实现对控制保护软件逻辑、保护定值、内部参数的查看、核对等工作,也可以通过专用的保护定值整定工具远程对保护定值、内部参数等进行整定、导出工作,提高了控制保护主

11、机的维护性,降低了运维成本。在运行人员工作站上可以实现对交流开关场、直流开关场、换流站控制楼和阀厅、就地继电器室、通信系统、直流线路、换流站站用电源系统和其他辅助系统等处的监控,以及同时具备与远方调度中心和其他监视点的通信接口。3 DPS5000控制保护系统设计方案依托研制的紧凑型控制保护主机,提出满足直流输电工程需求的DPS-5000紧凑型控制保护系统设计方案。3.1 DPS-5000控制保护系统整体结构DPS-5000控制保护系统采用分层式结构设计,根据控制级别和功能分为运行人员控制层、控制保护层、现场层三个层次,如图3所示。控制I ANl 控制LAN2 保护I AN-MttMMLANI-

12、T站控站间LAN2第三大Ia交於注波罂住妒第:大i交淮法波磔保护第四大批交谏gr站用电控M系统C33 eTIiliiil TTTT IlIIITf站用电支磨 WA17S0kV交渔场交流淀波器何厅、换渔攵Nffll倒V l.rmill快保2及 tIfUffzVBCt流站控Ij极控/保护站刈LANI ttftFJMAN2m保护及蒲量生制及网报11解AXB达行人员控制层图3紧凑型控制保护系统结构运行人员控制层由运行人员控制系统、站长工作站和全球定位系统(globalpositioningsystem,GPS)对时等设备组成。其中运行人员控制系统是运行人员控制层的核心设备,由运行人员工作站、工程师工作

13、站、辅助系统工作站等构成。控制保护层由极控及测量、阀控及测量(特高压直流)、交直流站控、站用电控制、极保护及测量、阀组保护及测量(特高压直流)等设备组成。DPS-5000的控制保护层不单独设置测量接口屏柜,测量接口装置和控制保护主机合并组屏。现场层设备主要由分布式的I/O单元构成,包括阀厅/换流变接口屏、直流场接口屏、交流滤波器场接口屏等,实现控制保护装置与交直流系统一次设备和换流站辅助系统的接口,一次设备状态和系统运行信息的采集处理和上传等功能。3.2 DPS5000运行人员控制系统配置方案运行人员控制系统采用Linux服务器和Windows工作站的跨平台设计,性能稳定、安全可靠、组态灵活、

14、接口友好、操作维护方便。主要由运行人员工作站、工程师工作站、辅助系统工作站、远动工作站等装置构成。D运行人员工作站。对交直流系统一、二次设备的运行数据进行采集和存储,并为运行人员提供监视和控制操作的界面。2)工程师工作站。实现对全站的控制保护主机软件程序版本管理、软件逻辑的查看、核对,也可以通过专用的保护定值整定工具远程对保护定值、内部参数等进行整定、导出工作。3)辅助系统工作站。通过辅助系统工作站,站内不同厂家的多种辅助系统的运行数据统一接入运行人员控制系统,包括火灾报警系统、空调系统、电能计量系统和站用电源系统等,统一在运行人员工作站对其运行状态进行监视。4)远动工作站。远动系统包括两个部

15、分,一部分通过远动工作站连接到多个调度中心,使用104规约按照约定的点表向各个调度中心传送数据,一部分通过告警图形网关把站内的告警信息和图形页面直接传送到国调中心。远动工作站采用直采直送原则,直接和控制保护主机连接并获取数据,然后上送到各个调度中心,告警图形网关连接到站服务器,向国调中心传输站内经过处理的数据信息。它们与调度中心都通过双平面数据网连接。3.3 DPS5000控制保护设备配置方案直流输电控制系统主要有极控制系统、换流器控制系统(特高压直流)、交/直流站控系统、站用电控制系统,控制设备均采用双重化冗余配置,通过高速冗余切换装置实现两套控制系统的主、从切换。直流输电直流保护系统主要有极保护系统、换流器保护系统(特高压直流),均采用三重化冗余配置,通过三取二逻辑判断后输出动作信号,三取二装置采用冗余配置,分别配置在保护A/B系统中。DPS5000控制保护主机采用紧凑化设计,测量接口装置和控制保护主机合并组屏,例如极保护主机和极保护测量接口装置都放置在极保护屏柜中,一个特高压直流输电工程,可以节省36面测量接口屏柜,同时测量接口装置的IO板卡集成有继电器,可大幅减少屏柜内继电器数量,使屏柜设计更加简洁。紧凑型控制保护系统

展开阅读全文
相关资源
猜你喜欢
相关搜索

当前位置:首页 > 论文 > 期刊/会议论文

copyright@ 2008-2023 1wenmi网站版权所有

经营许可证编号:宁ICP备2022001189号-1

本站为文档C2C交易模式,即用户上传的文档直接被用户下载,本站只是中间服务平台,本站所有文档下载所得的收益归上传人(含作者)所有。第壹文秘仅提供信息存储空间,仅对用户上传内容的表现方式做保护处理,对上载内容本身不做任何修改或编辑。若文档所含内容侵犯了您的版权或隐私,请立即通知第壹文秘网,我们立即给予删除!