光伏土建工程质量(静力压桩工程质量)验收通用标准.docx

上传人:p** 文档编号:903519 上传时间:2024-04-01 格式:DOCX 页数:2 大小:21.09KB
下载 相关 举报
光伏土建工程质量(静力压桩工程质量)验收通用标准.docx_第1页
第1页 / 共2页
光伏土建工程质量(静力压桩工程质量)验收通用标准.docx_第2页
第2页 / 共2页
亲,该文档总共2页,全部预览完了,如果喜欢就下载吧!
资源描述

《光伏土建工程质量(静力压桩工程质量)验收通用标准.docx》由会员分享,可在线阅读,更多相关《光伏土建工程质量(静力压桩工程质量)验收通用标准.docx(2页珍藏版)》请在第壹文秘上搜索。

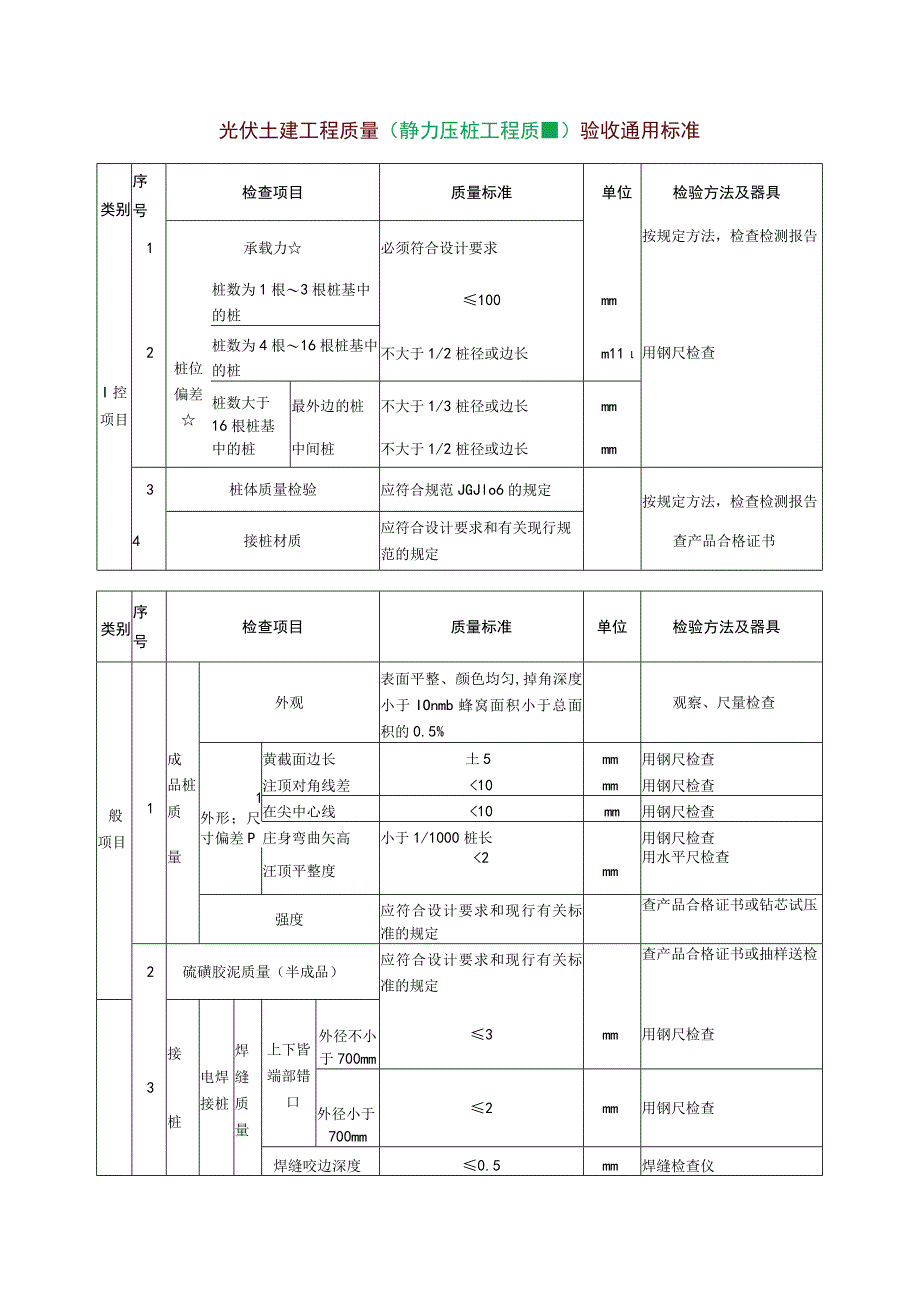
光伏土建工程质量(静力压桩工程质)验收通用标准类别序号检查项目质量标准单位检验方法及器具1承载力必须符合设计要求按规定方法,检查检测报告I控项目2桩位偏差桩数为1根3根桩基中的桩100mm用钢尺检查桩数为4根16根桩基中的桩不大于1/2桩径或边长m11桩数大于16根桩基中的桩最外边的桩不大于1/3桩径或边长mm中间桩不大于1/2桩径或边长mm3桩体质量检验应符合规范JGJlo6的规定按规定方法,检查检测报告4接桩材质应符合设计要求和有关现行规范的规定查产品合格证书类别序号检查项目质量标准单位检验方法及器具成外观表面平整、颜色均匀,掉角深度小于IOnmb蜂窝面积小于总面积的0.5%观察、尺量检查黄截面边长土5mm用钢尺检查般项目1品桩质1外形;尺寸偏差P注顶对角线差10mm用钢尺检查在尖中心线10mm用钢尺检查庄身弯曲矢高小于1/1000桩长用钢尺检查量汪顶平整度1.0min秒表测定硫磺胶泥接桩胶泥浇筑时间7min秒表测定4压桩压力偏差(设计有要求时)5%查压力表读数5接桩时上下节平面偏差10mm用钢尺检查6接桩时节点弯曲矢高小于1/1000两节桩长用钢尺检查7桩顶标高偏差50mm水准仪注:H2为施工现场地面标高与桩顶设计标高的距离。

展开阅读全文
相关资源
猜你喜欢
相关搜索

当前位置:首页 > 建筑/环境 > 建筑规范

copyright@ 2008-2023 1wenmi网站版权所有

经营许可证编号:宁ICP备2022001189号-1

本站为文档C2C交易模式,即用户上传的文档直接被用户下载,本站只是中间服务平台,本站所有文档下载所得的收益归上传人(含作者)所有。第壹文秘仅提供信息存储空间,仅对用户上传内容的表现方式做保护处理,对上载内容本身不做任何修改或编辑。若文档所含内容侵犯了您的版权或隐私,请立即通知第壹文秘网,我们立即给予删除!