光伏土建工程质量(土方回填工程质量)验收通用标准.docx

上传人:p** 文档编号:903541 上传时间:2024-04-01 格式:DOCX 页数:1 大小:16.30KB
下载 相关 举报
光伏土建工程质量(土方回填工程质量)验收通用标准.docx_第1页
第1页 / 共1页
亲,该文档总共1页,全部预览完了,如果喜欢就下载吧!
资源描述

《光伏土建工程质量(土方回填工程质量)验收通用标准.docx》由会员分享,可在线阅读,更多相关《光伏土建工程质量(土方回填工程质量)验收通用标准.docx(1页珍藏版)》请在第壹文秘上搜索。

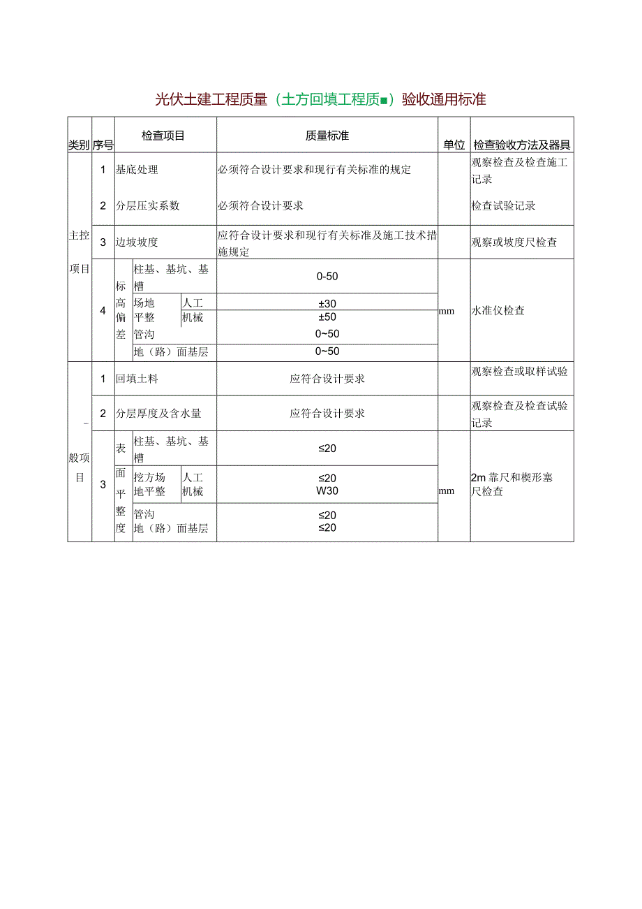
光伏土建工程质量(土方回填工程质)验收通用标准类别序号检查项目质量标准单位检查验收方法及器具1基底处理必须符合设计要求和现行有关标准的规定观察检查及检查施工记录2分层压实系数必须符合设计要求检查试验记录主控3边坡坡度应符合设计要求和现行有关标准及施工技术措施规定观察或坡度尺检查项目标柱基、基坑、基槽0-504高场地人工30mm水准仪检查偏平整机械50差管沟050地(路)面基层0501回填土料应符合设计要求观察检查或取样试验-2分层厚度及含水量应符合设计要求观察检查及检查试验记录般项表柱基、基坑、基槽20目3面挖方场人工202m靠尺和楔形塞平整度地平整机械W30mm尺检查管沟20地(路)面基层20

展开阅读全文
相关资源
猜你喜欢
相关搜索

当前位置:首页 > 建筑/环境 > 建筑规范

copyright@ 2008-2023 1wenmi网站版权所有

经营许可证编号:宁ICP备2022001189号-1

本站为文档C2C交易模式,即用户上传的文档直接被用户下载,本站只是中间服务平台,本站所有文档下载所得的收益归上传人(含作者)所有。第壹文秘仅提供信息存储空间,仅对用户上传内容的表现方式做保护处理,对上载内容本身不做任何修改或编辑。若文档所含内容侵犯了您的版权或隐私,请立即通知第壹文秘网,我们立即给予删除!