光伏电站巡检周期和维护规则.docx

上传人:p** 文档编号:903547 上传时间:2024-04-01 格式:DOCX 页数:4 大小:37.85KB
下载 相关 举报
光伏电站巡检周期和维护规则.docx_第1页
第1页 / 共4页
光伏电站巡检周期和维护规则.docx_第2页
第2页 / 共4页
光伏电站巡检周期和维护规则.docx_第3页
第3页 / 共4页
光伏电站巡检周期和维护规则.docx_第4页
第4页 / 共4页
亲,该文档总共4页,全部预览完了,如果喜欢就下载吧!
资源描述

《光伏电站巡检周期和维护规则.docx》由会员分享,可在线阅读,更多相关《光伏电站巡检周期和维护规则.docx(4页珍藏版)》请在第壹文秘上搜索。

1、光伏电站巡检周期和维护规则1巡检周期和巡检记录表光伏电站及户用光伏系统巡检周期应符合表1的规定。参照本标准附录A的巡检记录表,剪裁制作竣工工程的巡检记录表,每次巡检后要如实填写该表。2维护人员和维护记录对于系统中需要维护的工程,应由符合表2要求的特意人员进行维护和验收,维护和验收时应填写本标准附录B的维护记录表。表1巡检周期分类巡检周期适用条款小型光伏系统50kWp以下1次/每天1次/每周1次/每月1次/每季1次伴年3.1.2、3.4、3.5.13、3.5.2、3.5.3、3.61次/每年中型光伏系统SOkWp-100OkWp1次/每天1次/每周1次/每月1次/每季1次伴年3.4、3.61次/

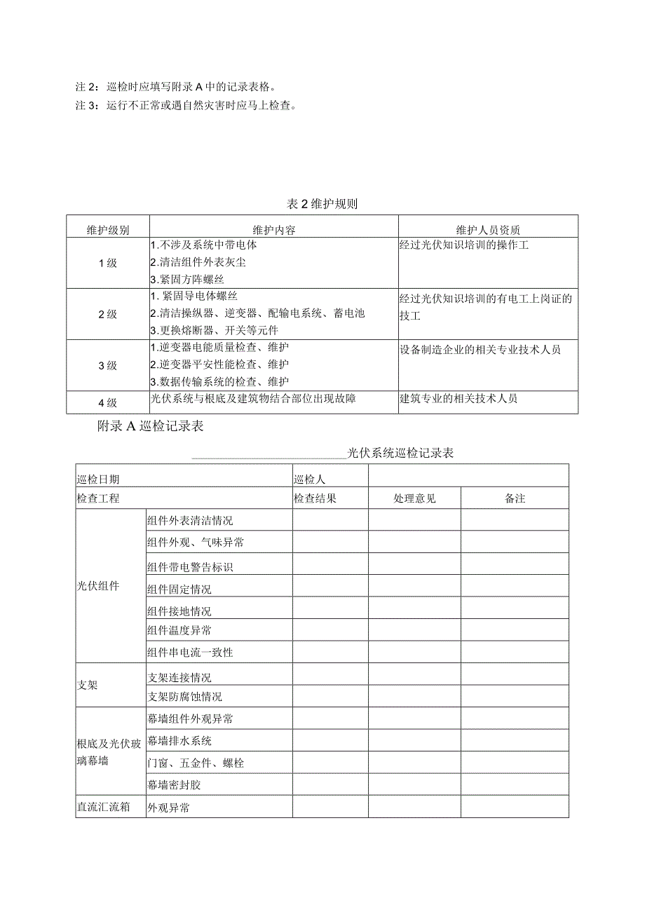
2、每年大型光伏系统100OkWp以上1次/每天1次/每周1次/每月1次/每季1次伴年3.4、3.61次/每年注1:逆变器的电能质量和爱护功能,正常情况下每2年检测一次,由具有专业资质的人员进行。注2:巡检时应填写附录A中的记录表格。注3:运行不正常或遇自然灾害时应马上检查。表2维护规则维护级别维护内容维护人员资质1级1 .不涉及系统中带电体2 .清洁组件外表灰尘3 .紧固方阵螺丝经过光伏知识培训的操作工2级1 .紧固导电体螺丝2 .清洁操纵器、逆变器、配输电系统、蓄电池3 .更换熔断器、开关等元件经过光伏知识培训的有电工上岗证的技工3级1 .逆变器电能质量检查、维护2 .逆变器平安性能检查、维护

3、3 .数据传输系统的检查、维护设备制造企业的相关专业技术人员4级光伏系统与根底及建筑物结合部位出现故障建筑专业的相关技术人员附录A巡检记录表光伏系统巡检记录表巡检日期巡检人检查工程检查结果处理意见备注光伏组件组件外表清洁情况组件外观、气味异常组件带电警告标识组件固定情况组件接地情况组件温度异常组件串电流一致性支架支架连接情况支架防腐蚀情况根底及光伏玻璃幕墙幕墙组件外观异常幕墙排水系统门窗、五金件、螺栓幕墙密封胶直流汇流箱外观异常接线端子异常高压直流熔丝绝缘电阻直流断路器防雷器直流配电柜外观异常接线端子异常绝缘电阻直流输入连接直流输出连接直流断路器防雷器操纵器过充电电压过放电电压警示标识接线端子异常高压直流熔丝绝缘电阻逆变器外观异常警示标识散热风扇断路器母排电容温度接地与防雷系统组件接地支架接地电缆金属铠装接地各功率调节设备接地防雷爱护器配电线路交流配电柜电线电缆电缆敷设设施建筑物与根底及光伏系统结合局部光伏方阵角度建筑物整体情况屋面防水情况光伏系统锚固结构建筑受力构件光伏系统周边情况储能装置蓄电池室温度及通风蓄电池组周围情况蓄电池外表异常蓄电池单体连接螺丝蓄电池组电压单体蓄电池电压数据传输装置外观异常终端显示器传感器灵敏度A/D变换器精度主要部件使用年限附录B维护记录表工程名称维护内容签发人:日期:维护结果维护人:日期:验收检验员:日期:

展开阅读全文
相关资源
猜你喜欢
相关搜索

当前位置:首页 > 行业资料 > 国内外标准规范

copyright@ 2008-2023 1wenmi网站版权所有

经营许可证编号:宁ICP备2022001189号-1

本站为文档C2C交易模式,即用户上传的文档直接被用户下载,本站只是中间服务平台,本站所有文档下载所得的收益归上传人(含作者)所有。第壹文秘仅提供信息存储空间,仅对用户上传内容的表现方式做保护处理,对上载内容本身不做任何修改或编辑。若文档所含内容侵犯了您的版权或隐私,请立即通知第壹文秘网,我们立即给予删除!