氨水卸车阀门确认图.docx

上传人:p** 文档编号:906102 上传时间:2024-04-01 格式:DOCX 页数:1 大小:30.87KB
下载 相关 举报
氨水卸车阀门确认图.docx_第1页
第1页 / 共1页
亲,该文档总共1页,全部预览完了,如果喜欢就下载吧!
资源描述

《氨水卸车阀门确认图.docx》由会员分享,可在线阅读,更多相关《氨水卸车阀门确认图.docx(1页珍藏版)》请在第壹文秘上搜索。

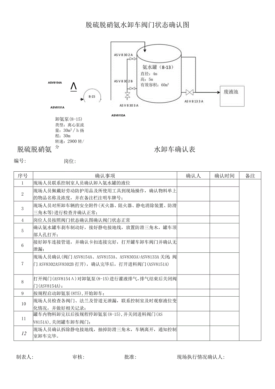
1、脱硫脱硝氨水卸车阀门状态确认图ASV8154AxxASV8151A卸氨泵(8-15)类型:离心泵流量:30m3h扬程:30m转速:2900转/分ASV8153A脱硫脱硝氨水卸车确认表岗位:编号:序号确认事项确认人确认时间备注1现场人员联系控制室人员确认卸入氨水罐的液位2现场人员佩戴好劳动防护用品及所使用工具到现场操作,确认物料单上的物品名称及浓度,并在备注栏注明车牌号;3现场人员对所卸车辆的安全附件(灭火器、阻火器、静电消除装置、防滑三角木等)进行检查并确认正常;4岗位人员按照阀门状态确认图确认阀门状态正常5确认氨水罐车刹车制动好,接好静电接地线,放置防滑三角木,罐车顶部人孔打开;6接好卸车连

2、接管道,并确认卡扣连接完好,打开罐车卸车阀门并确认无泄漏;7现场人员确认(阀门ASV8154A、ASV8153A、ASV8303AASV8133A关闭;阀门ASV8302ASV8302B打开),确认完毕后,打开进料阀门(ASV8151A)8打开阀门(ASV8154)对卸氨泵(8-15)进行灌液排气,排气结束后关闭阀门(ASV8154A):9按规程启动卸氨泵(8T5),开始卸车;10现场人员检查各阀门、法兰及管道无泄漏,联系控制室及时观察液位变化情况,并做好相关记录;11罐车内物料卸完以后按规程停卸氨泵(8-15),并关闭进料阀门(ASV8151A),关闭罐车卸车阀门;12现场人员确认拆除静电接地线,抽掉防滑三角木,车辆离开,通知控制室卸车完毕。制表人:审核:批准:现场执行情况确认人:

展开阅读全文
相关资源
猜你喜欢
相关搜索

当前位置:首页 > 汽车/机械/制造 > 制造加工工艺

copyright@ 2008-2023 1wenmi网站版权所有

经营许可证编号:宁ICP备2022001189号-1

本站为文档C2C交易模式,即用户上传的文档直接被用户下载,本站只是中间服务平台,本站所有文档下载所得的收益归上传人(含作者)所有。第壹文秘仅提供信息存储空间,仅对用户上传内容的表现方式做保护处理,对上载内容本身不做任何修改或编辑。若文档所含内容侵犯了您的版权或隐私,请立即通知第壹文秘网,我们立即给予删除!