燃气工程常用管材总结.docx

上传人:p** 文档编号:906342 上传时间:2024-04-01 格式:DOCX 页数:5 大小:34.91KB
下载 相关 举报
燃气工程常用管材总结.docx_第1页
第1页 / 共5页
燃气工程常用管材总结.docx_第2页
第2页 / 共5页
燃气工程常用管材总结.docx_第3页
第3页 / 共5页
燃气工程常用管材总结.docx_第4页
第4页 / 共5页
燃气工程常用管材总结.docx_第5页
第5页 / 共5页
亲,该文档总共5页,全部预览完了,如果喜欢就下载吧!
资源描述

《燃气工程常用管材总结.docx》由会员分享,可在线阅读,更多相关《燃气工程常用管材总结.docx(5页珍藏版)》请在第壹文秘上搜索。

1、燃气工程常用管材总结用作输送城市燃气管道的材料很多,常用的管材有铸铁管与钢,此外还有石棉水泥管、预应力混凝土管及塑料管等。城市燃气管道根据输送压力可分为高压管、中压管和低压管。根据管道口径大小,敷设的目的、用途,又可分为干管、支管、引入管、室外管、室内管、用气管等。其中干管口径较大,通常采用铸铁管与钢管。口径75亳米以上的支管及引入管,通常也采用铸铁管。口径75亳米以下的支管及引入管,通常采用镀锌钢管外包绝缘防腐层。室外管、室内管、用气管等口径较小(一般小于0100亳米),通常采用镀铸钢管。石棉水泥管、预应力混凝土管、聚乙烯塑料管,一般用于低压地下支管。一、铸铁管铸铁管是目前燃气管道中应用最广

2、泛的管材,它使用年限长,生产简便,成本低,且有良好的耐腐蚀性。一般情况下,地下铸铁管的使用年限为六十年以上,所以铸铁管是输送燃气的主要管材。1.灰口铸铁管灰口铸铁是目前铸铁管中最主要的管材。灰口铸铁中的碳以石墨状态存在,破断后断口呈灰色,故称灰口铸铁。灰口铸铁易于切削加工。灰口铸铁的主要组分如下:灰口铸铁的主要组分表1-1硅(SD锌(Mn)磷(P)1.52.20.50.90.4铸铁管的铸造方法有连续式浇铸和离心式浇铸等。铸铁管根据材料和铸造工艺分为高压管、普压管及低压管等。用于燃气管道的承插灰口铸铁管为普压管。铸铁管的接口主要为机械式接口,此外还有滑入式及承插式接口等。目前生产的铸铁管以机械接

3、口为主,法兰接口也有供应。铸铁管内外表面允许有厚度不大于2毫米的局部粘砂,外表面上允许有高度小于5亳米的局部凸起。承口部内外表面不允许有严重缺陷,同一部位内外表面局部缺陷深度不得大于5亳米,直管的两端应与轴线相垂直,其抗压强度不低于200兆帕,抗拉强度不低于140兆帕。铸铁管出厂试验压力见表中1-2。铸铁管体及插口的外径和承口内径允许偏差为:直管公称口径D800亳米为13E亳米;直管公称口径D900毫米为(13E+1)毫米;(E为承插口标准间隙)障铁管出厂试验压力表上2件公称口径(毫米)管2500450攵管件2500W450500450高压直管普通管加厚管基面外径(亳米)每英寸牙数壁厚(毫米)

4、理论质量(不计管接头)(公斤/米)壁厚(亳米)理论质量(不计管接头)(公斤/米)20.392.50.462.250.622.750.732.250.822.750.972.751.253.251.4420.956142.751.633.52.0126.442143.252.4242.9133.250113.253.1343.7741.912113.53.844.254.5847.805113.54.884.56.1659.616113.756.644.57.8875.1871148.344.759.8187.88711410.85513.44113.034114.515.045.518.241

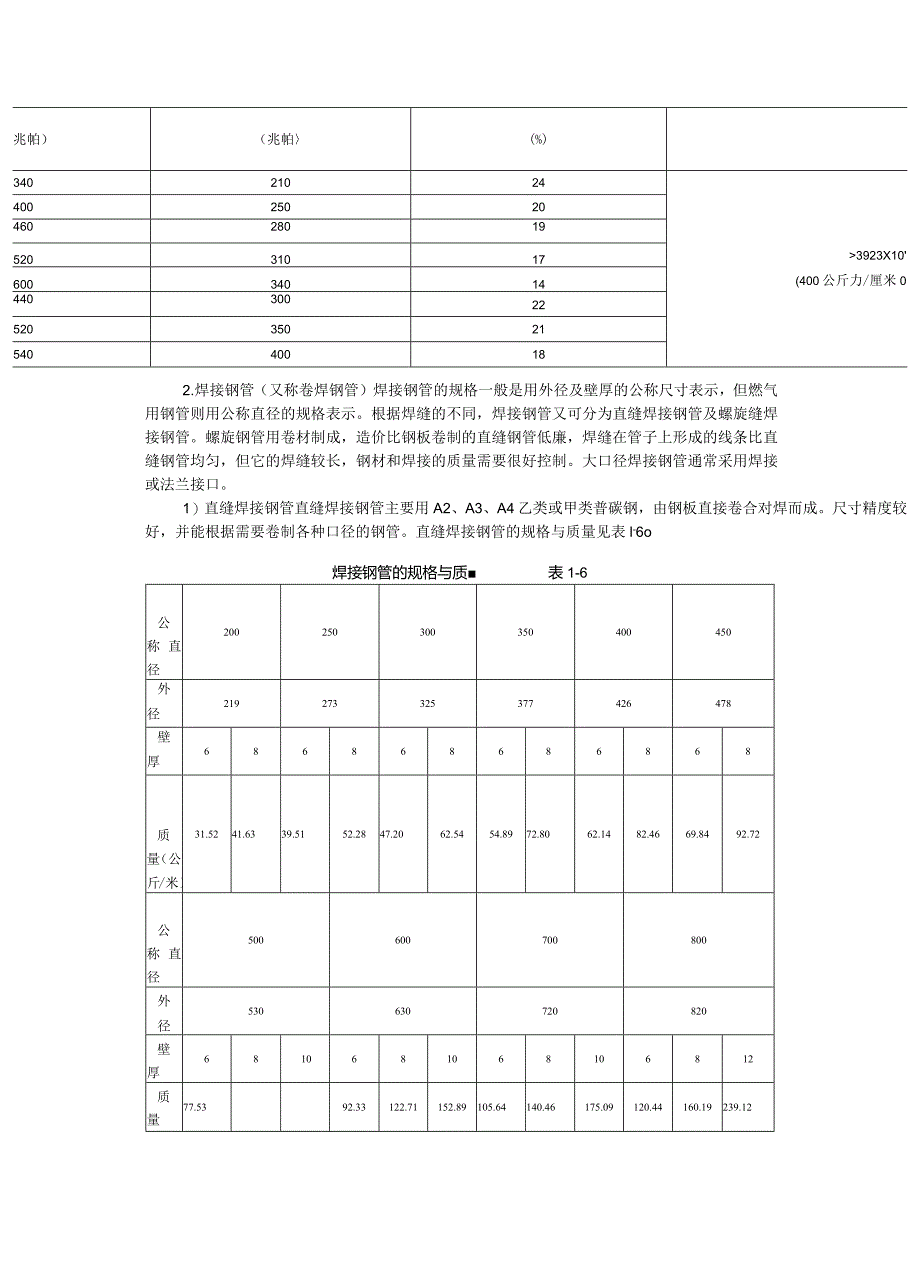
5、38.435114.517.815.521.63163.83612S-JJS11注:1.铜管的长度:无螺触的黑铁管为4-12米,带螺纹的黑铁管和镀铸管为49米:2.铜管尺寸的允许偏差:外径48亳米的为士0.5亳米;外径248亳米的为土1%;壁厚为:3.铜管的理论质量(钢的相对密度为7.85)按公称尺寸计算,镀铸管比不镀辞管重3%型.燃气管道输送压力不高,采用一般无缝钢管即可。一般无缝钢管有热轧和冷拔二种,其机械性能表1-5。其中最常用的钢号是20结构钢。钢管机械性能表表1-5机械性能之试验压力(帕)强度屈服点伸长率6,兆帕)(兆帕(%)340210243923X10(400公斤力/厘米0400

6、250204602801952031017600340144403002252035021540400182.焊接钢管(又称卷焊钢管)焊接钢管的规格一般是用外径及壁厚的公称尺寸表示,但燃气用钢管则用公称直径的规格表示。根据焊缝的不同,焊接钢管又可分为直缝焊接钢管及螺旋缝焊接钢管。螺旋钢管用卷材制成,造价比钢板卷制的直缝钢管低廉,焊缝在管子上形成的线条比直缝钢管均匀,但它的焊缝较长,钢材和焊接的质量需要很好控制。大口径焊接钢管通常采用焊接或法兰接口。1)直缝焊接钢管直缝焊接钢管主要用A2、A3、A4乙类或甲类普碳钢,由钢板直接卷合对焊而成。尺寸精度较好,并能根据需要卷制各种口径的钢管。直缝焊接钢

7、管的规格与质量见表l-6o焊接钢管的规格与质表1-6公称直径200250300350400450外径219273325377426478壁厚686868686868质量(公斤/米)31.5241.6339.5152.2847.2062.5454.8972.8062.1482.4669.8492.72公称直径500600700800外径530630720820壁厚6810681068106812质量77.5392.33122.71152.89105.64140.46175.09120.44160.19239.12(公斤/米)公称直径900100011001200外径920102011201220

8、壁厚6810126101281081012质量(公斤/米)135.24179.92224.41268.70150.03249.07298.29219.38273.73239.10298.39357.47公称直径13001400150016001800外径13201420152016201820壁厚81281281210141014质量(公斤/米)258.83387.06278.56416.66298.29446.25397.03554.5446.35632.502)螺旋缝焊接钢管螺旋缝焊接钢管是将钢带按一定的螺旋线的角度(又叫成型角)卷成管坯,然后将管缝焊接起来而制成的。它的优点是生产效率高,

9、可用较窄的钢带生产大口径管,并具有较高的耐压能力。螺旋缝焊接管主要用于石油、天然气的输送管线,城市燃气管道也有应用。螺旋缝电焊钢管的规格与质量见表-7。螺旋缝焊接钢管的规格与质量表1-7璧厚(受米)外径D678(亳米)质量(公斤/米)21931.5236.6041.6327339.5145.9252.2832547.2054.8962.5437754.8963.8772.8042662.1472.2582.4647869.8481.3092.7252977.3890.11102.7863092.33107.54122.71720105.64123.08140.463)塑料管塑料管的品种较多,有

10、聚氯乙烯管、聚乙烯管、聚丙烯管等,根据管材性能、价格、施工工艺等多方面的比较,目前主要采用聚乙烯管。聚乙烯管是地下天燃气管道常用管材。常用的聚乙烯管为01OO毫米的小口径管。由于聚乙烯管耐腐性好,通常用于地下管道。聚乙烯的接口形式有活接头连接、焊接及热熔连接等。活接头接口配件多、生产成本高,焊接连接工艺较复杂,故聚乙烯管目前尚未在燃气管道上广泛应用,但具有广阔的前景。聚乙烯管的规格及技术性能见表l-8o聚乙烯管的规格和技术指标表1-8规格及质量技术指标外径(亳米)壁厚(亳米)近似质量(公斤/米)外径(亳米)壁厚(亳米)近似质量(公斤/米)项目指标50.50.007202.00.104常温下使用压力(10帕)拉伸强度(10,帕)断裂伸长率(%)液压试验(2倍使用压力)48.0200保持五分钟,无破裂、渗漏现象60.50.008252.00.13381.00.020322.00.213Io1.00.026403.00.321121.50.046504.00.532162.00.081635.00.838注:管材长度不少于4米,颜色一般为本色。

展开阅读全文
相关资源
猜你喜欢
相关搜索

当前位置:首页 > 汽车/机械/制造 > 工程材料

copyright@ 2008-2023 1wenmi网站版权所有

经营许可证编号:宁ICP备2022001189号-1

本站为文档C2C交易模式,即用户上传的文档直接被用户下载,本站只是中间服务平台,本站所有文档下载所得的收益归上传人(含作者)所有。第壹文秘仅提供信息存储空间,仅对用户上传内容的表现方式做保护处理,对上载内容本身不做任何修改或编辑。若文档所含内容侵犯了您的版权或隐私,请立即通知第壹文秘网,我们立即给予删除!