X水产品加工厂安装工程施工方案.docx

上传人:p** 文档编号:909049 上传时间:2024-04-01 格式:DOCX 页数:14 大小:51.14KB
下载 相关 举报
X水产品加工厂安装工程施工方案.docx_第1页
第1页 / 共14页
X水产品加工厂安装工程施工方案.docx_第2页
第2页 / 共14页
X水产品加工厂安装工程施工方案.docx_第3页
第3页 / 共14页
X水产品加工厂安装工程施工方案.docx_第4页
第4页 / 共14页
X水产品加工厂安装工程施工方案.docx_第5页
第5页 / 共14页
X水产品加工厂安装工程施工方案.docx_第6页
第6页 / 共14页
X水产品加工厂安装工程施工方案.docx_第7页
第7页 / 共14页
X水产品加工厂安装工程施工方案.docx_第8页
第8页 / 共14页
X水产品加工厂安装工程施工方案.docx_第9页
第9页 / 共14页
X水产品加工厂安装工程施工方案.docx_第10页
第10页 / 共14页
亲,该文档总共14页,到这儿已超出免费预览范围,如果喜欢就下载吧!
资源描述

《X水产品加工厂安装工程施工方案.docx》由会员分享,可在线阅读,更多相关《X水产品加工厂安装工程施工方案.docx(14页珍藏版)》请在第壹文秘上搜索。

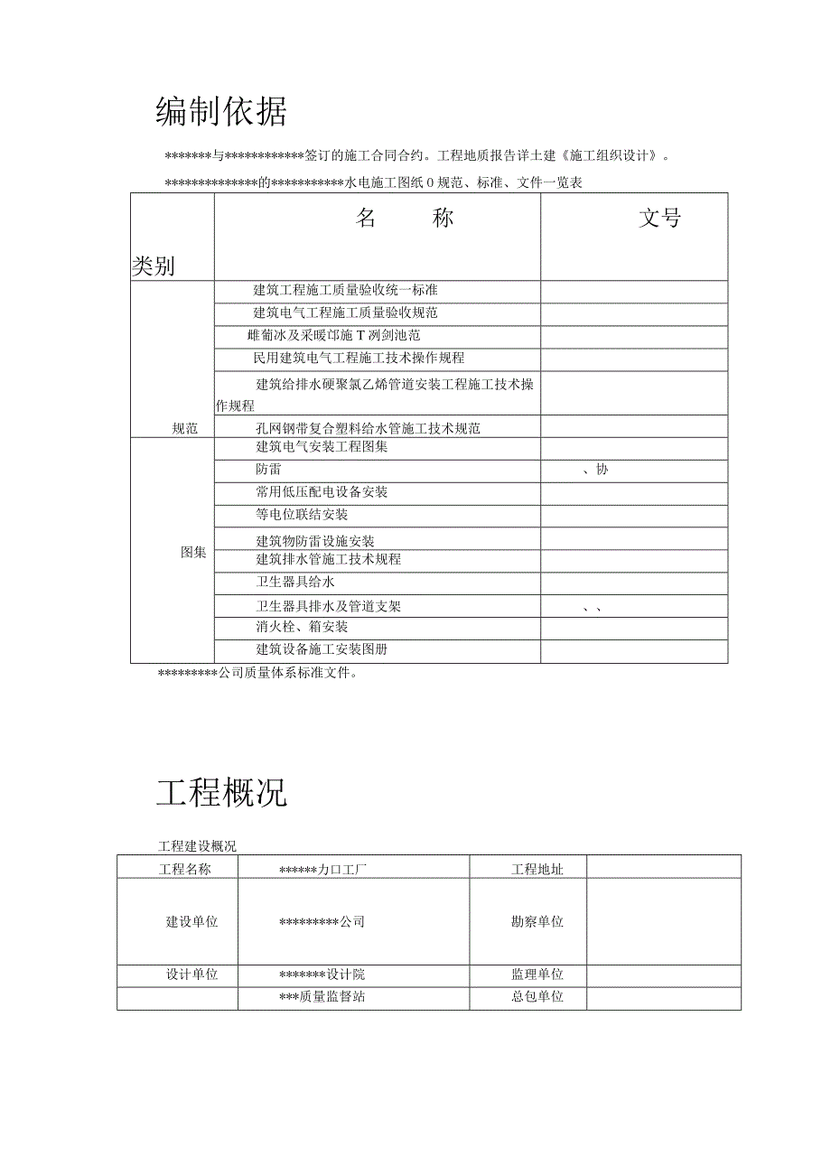
1、目录编制依据*与*签订的施工合同合约。工程地质报告详土建施工组织设计。*的*水电施工图纸O规范、标准、文件一览表类别名称文号规范建筑工程施工质量验收统一标准建筑电气工程施工质量验收规范雌葡冰及采暖邙施T冽剑池范民用建筑电气工程施工技术操作规程建筑给排水硬聚氯乙烯管道安装工程施工技术操作规程孔网钢带复合塑料给水管施工技术规范图集建筑电气安装工程图集防雷、协常用低压配电设备安装等电位联结安装建筑物防雷设施安装建筑排水管施工技术规程卫生器具给水卫生器具排水及管道支架、消火栓、箱安装建筑设备施工安装图册*公司质量体系标准文件。工程概况工程建设概况工程名称*力口工厂工程地址建设单位*公司勘察单位设计单位

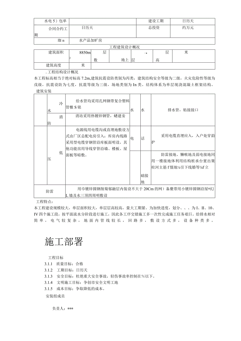
2、*设计院监理单位*质量监督站总包单位水电5)包单位建设工期日历天合同合约工期日历天总投资约万元珈m水产品加旷房工程建筑设计概况建筑面积8850m2数层地上层高层米建筑高度米.工程结构设计概况本工程标高相当于绝对标高7.2m,建筑抗震设防类别为丙类,建筑结构安全等级为二级,火灾危险性等级为戊级,抗震设防为七度,抗震等级为三级,场地类别为In类。结构体系为单层现浇混凝土框架结构。建筑安装冷水给水管均采用孔网钢带复合塑料管檄S铭水水排水管,粘接接口消防消坊采用热镀锌钢管,蟋建妾低压电源线用电缆沟或直埋地敷设方式由厂区总配电房引入;库房内线路采用型电缆穿钢管沿库板面明设,其他功能房用导线穿管沿墙、楼板

3、、屋面板等暗敷。电话采用电缆直埋应入,入户处穿韵护础接地防雷接地、懒喉地及弱电接地同用一楼接地体利用结构桩承台亶出桀柱河主筋f慑地引下线婚等f立防雷用巾镀锌圆钢削菊郁融层内装设不大于20Cm的网)备糜带用小镀锌圆钢沿屋幻L墙及水三顶四周明敷设工程特点:本工程建设规模较大,单层面积较大,单层层高较高,量大工期紧。为加快进度,划分、为I、II、10、IV四个施工段,按平面流水分阶段进行施工,因此各工序交错施工多一次性完成施工任务艰巨。给排水相对简单,电气较复杂,地面内管线较长,回路多,敷设方式多,设备种类多。施工部署工程目标3.1.1 质量目标:合格3.1.2 工期目标:日历天3.1.3 安全目标

4、:杜绝重大安全事故,轻伤事故率控制在以下。3.1.4 文明施工目标:争创市安全文明工地3.1.5 成本目标:争取降低的成本。安装组成员负责人:*施工员:*质检员:*材料员:*任务划分及总、分包管理管控3.3.1 总包合同合约范围主楼、室内水、电、消防、电话工程。.2总包与分包土建由*负责施工,安装由*公司安装分公司负责施工。施工流水段的划分及施工工艺流程:本工程相关计划沿、为I、II、HI、IV四个施工段,按平面流水分阶段进行施工.各班组负责好楼内施工工程,要做到密切配合,随土建施工进度施工,不影响土建工期。3.4.1 工艺流程给水系统:预留、预埋一支架制作一支架安装一给水管制作安装一水压试验

5、一给水管防腐、刷漆一给水附件安装一管道清洗一管道清毒一管道通水试验一卫生清理一竣工验收排水系统预留、预埋一预留孔洞清理一放线、支架制安一管道预制一管道安装一灌水试验一卫生器具安装一通水试验一卫生清理一竣工验收电气安装接地装置及保护接地焊接一接地电阻测试一暗敷设配管一配电箱外壳安装一管内穿线f电气装置安装一绝缘电阻测试一器具安装(开关、插座、灯具、配电箱和芯)一试电、调试一竣工验收施工准备3.4.2 现场平面布置本工程施工现场由*公司统一布置。3.4.3 施工用水、用电设施安装工程施工用水、用电由土建统一设计安排。加工车间及现场单独设配电箱,按“一机一闸一漏保护”要求配制。3.4.4 材料、施工

6、机具及劳动力资源准备3.4.5 施工机具由施工员按相关计划作好准备,以满足工程需要。3.4.6 劳资员根据工程进度,合理安排劳动力。工种电工管工辅工人数(人).3技术质量科组织有关技术人员做好图纸自、会审工作及施工合适的方案,技术、安全交底工作。为确保工程顺利进行,施工前应做好各种准备工作。各工种班组长应认真熟悉图纸,掌握施工图的合适的内容和要求,严格按图施工,各工种应做好交叉作业配合工作,以免工程出现返工现象。同时注意收集工程的有关资料,如各次会议纪要、产品合格证、说明书和原理图,查阅并组织有关班组学习有关验收规范及有关安装图册。施工进度相关计划(详附表)施工总平面布置(详附表)主要施工方法

7、施工中确保把本工程涉及到的工程建设强制标准强制性条文执行到底,尽责尽职,确保工程质量。第1章电气部分6.1.1预留预埋预留预埋是建筑安装工程首要关键的一环,它的时间跨度长,效益低,要依赖于土建进度一直从基础到主体封顶,砌体完成,但其预埋不仅直接影响到安装工程的质量进度及有关安装合适的方案的顺利进行,而且也关系到土建的工程质量和进度。因此强调预埋管路敷设走向、位置、标高必须正确、系统完整、规格符合设计图纸要求,不得漏埋、错埋,更不允许任意破坏结构强度。本工程库房内例睬用型皿穿钢管沿库板面明设,其他功能用导线穿管沿墙、楼板、屋面板等暗敷。暗敷设在现浇混fc里的钢三应在土建底板筋绑扎后,附加筋绑扎之

8、前进行;暗敷设在地面内的管应在地面打夯结束后,找平层浇捣前,按设计标或规范要求标高挖沟敷设;在砖墙内敷设,应在墙体砌筑前,根据土建放出的各种线连接好管、盒、箱,并且刷好防锈漆,并在墙体砌筑初期进一步调整好盒、箱口与墙面的距离;明管应在土建室内装饰工程结束后配管。暗配管路敷设的原则,要求管路敷设长度不得超过规范规定数值,若有超过者要增加过渡盒。弯头宜少,弯曲半径要大(大于),以便于穿线。暗配管路的施工工序是:管材选择(根据设计图纸规格及材料标准选择所需管材)一管路制作(根据图纸与现场实际进行)断管、管路敷设一焊接式粘接,绑扎固定。明配管路敷设的原则,要求管路敷设长度不得超过规范规定数值,若有超过

9、者要增加过渡盒。弯头宜少,弯曲半径、弯扁度、固定点间距、平直度、垂直度要符合规范要求。明配管路的施工工序是:支、吊架制作T定位f箱、盒支、吊架安装一管子敷设。管路敷设应注意事项:6.1.1埋入墙或碎中的管子保护层距管表面净距不少于15mm,管口高出地坪不少于200mm,管路应尽量减少交叉,如交叉,大管应放在下面,成排暗配管间隙应不小于25mm,进入配电箱、配电柜的管路应排列整齐。明敷管与给排水管平行敷设时间距不应小于0.1m,交错间距不宜小于平行敷设是的间距,进入配电箱、配电柜的管路应排列整齐。6.1.1暗埋管路的弯曲半径不应小于管外径倍,明敷管弯曲半径:一个弯时弯曲半径不应小于管外径倍,二个

10、弯时弯曲半径不应小于管外径倍;弯曲处不应有皱折、凹陷和裂缝等缺陷。弯扁度小于倍管外径,管路连接套管长度为倍被连接管的直径。6.1.1钢管与钢管连接应采用套管焊接法,全径焊。6.1.1 接线盒、灯头盒预埋位置正确,标高、坐标应符合设计及规范要求。安装端正、牢固,盒内塞满水泥纸等,盒应紧贴模板不留缝隙,用铁钉固定牢固,防止水泥砂浆进入盒中,造成堵塞。钢管与盒间用中以上圆钢跨接,焊长为倍圆钢直径,双面焊接,焊缝要求饱满均匀,无虚焊现象,以保证构成完整电气通路。钢管用铁盒。6.1.2 电箱安装本工程电气部分的配电箱分落地式、嵌入式二种方式,施工前认真熟悉图纸,全面收集有关产品样本和标准图集,了解各配电

11、箱的形体结构,安装尺寸、安装方法、考虑支架,进出线方面及检修操作等情况,根据设计指定安装部位的建筑结构选择符合规范要求的安装合适的方案。安装前对到货进行下列检查:产品随行合格证,箱的型号、规格须符合设计要求;箱面漆应完整、无损伤、柜架尺寸正确无变形;箱门可开启灵活。6.1.3 嵌入式配电箱安装应配合土建砌墙时准确将孔洞预留好,待土建粉刷抽筋后,根据预留洞尺寸找好箱体标高及水平尺寸并将箱体固定好,然后用水泥砂浆填实周边并抹平齐,待水泥砂浆凝固好再安装盘面。安装盘面要求平整。配电箱上配线需排列整齐,并绑扎成束,线严禁利用箱体串接,箱体垂直度允许偏差为3mm。.3管内穿线6.1.4 导线敷设导线在管

12、内敷设时应注意:检查导线的型号、规格是否符合设计要求;管内穿线应在建筑物抹灰、粉刷及地面工程结束后进行,先清理管内杂物及积水,套好护口,穿线时用中钢丝作引线,由两人操作,一个拉,一个送,不许硬拉以防断;管内不得有接头、扭结,接头应设在接线盒(箱)内,管内导线总截面面积不大于管内空截面。导线颜色应按、分别为黄、绿、红、篮,黄绿相间线敷设。导线连接:导线与设备器具的连接应符合下列要求:截面为IOmm及以下的单股导线可直接与设备、器具的端子连接;截面为2.5mm及以下的多股铜芯线应先拧紧搪锡或压接端子后再与设备、器具的端子连接;多股铝芯线和截面大于25mm的多股铜芯线的终端,除设备自带插接式端子外,

13、应焊接或压接后再与设备、器具的端子连接;剖削导线的绝缘层时不得损伤线芯,电工不应垂直于导线切入,导线接头表面的氧化物及污物必须清除干净。6.1.5 电缆敷设电缆敷设前应对电缆进行详细检查,其型号、规格、截面、电压芯级应符合设计要求,外观应无扭曲、损坏及漏油现象,绝缘电阻测试应符合规范要求。放电缆时应从盘上面放出,避免电缆在支架及地面摩擦拖拉损伤,在电缆终端与接头附近应留备用长度,并设标识牌。电缆穿钢管敷设时,钢管的弯曲半径不应小于所穿入电缆的最小允许弯曲半径,并且关口应无毛刺和尖锐棱角,关口应做成喇叭型,电缆保护钢管连接时不宜直接对焊,应采用大一级的短管套接或采用丝扣连接,长度不小于电缆管外径

14、倍。电缆和导线连接后,器具安装前应进行绝缘电阻测试,其电阻不得小于C。6.1.6 灯具及开关插座安装6.1.7 灯具安装灯具配件应齐全,无机械损伤、变形、油漆剥落、灯罩破裂等现象,一般灯具安装应符合下列要求:同一室内成排安装的灯具其中心偏差不大于5mm;固定灯具用的螺钉或螺栓不少于两个,木台直径在75mm及以下时可用一个螺钉或螺栓固定。楼梯灯、走廊灯、阳台灯等,室内上下层同一轴线位置上的偏差不应大于50mm,螺口灯头的接线时相线应接在中心触点的端子上,中性线应接在螺纹的端子上。6.1.8 开关、插座安装同一室内开关、插座、标高应一致,高差不大于5mm,安装应牢固可靠,紧贴墙面。同一场所开关的通断位置应一致(双控除外)且便于操作。一般距门框0.2m,开关断相线,开关灵活。2.2m以上的开关排列应与控制灯具顺序相对应不得交叉,楼梯开关不宜在踏步上方。开关控制相线、插座单相为左零右火上接地线,三相上孔为地线。.6基础接地体、引下线、避雷网本工程低压系统的接地形式采用系统,电源线入户处应做重复接地,线和线始终不得混接,入户电缆金属外皮也应接地。防雷按三类防雷。本楼的所有金属管、盒,箱均应可靠接地,所有入户金属管线应进行总等电位联结。本工程防雷接地、保护接地及弱电接地公用接地体,接地电阻不大于欧

展开阅读全文
相关资源
猜你喜欢
相关搜索

当前位置:首页 > 建筑/环境 > 设计及方案

copyright@ 2008-2023 1wenmi网站版权所有

经营许可证编号:宁ICP备2022001189号-1

本站为文档C2C交易模式,即用户上传的文档直接被用户下载,本站只是中间服务平台,本站所有文档下载所得的收益归上传人(含作者)所有。第壹文秘仅提供信息存储空间,仅对用户上传内容的表现方式做保护处理,对上载内容本身不做任何修改或编辑。若文档所含内容侵犯了您的版权或隐私,请立即通知第壹文秘网,我们立即给予删除!