油气储存企业作业许可管理评估检查表.docx

上传人:p** 文档编号:922179 上传时间:2024-04-07 格式:DOCX 页数:2 大小:18.06KB
下载 相关 举报
油气储存企业作业许可管理评估检查表.docx_第1页
第1页 / 共2页
油气储存企业作业许可管理评估检查表.docx_第2页
第2页 / 共2页
亲,该文档总共2页,全部预览完了,如果喜欢就下载吧!
资源描述

《油气储存企业作业许可管理评估检查表.docx》由会员分享,可在线阅读,更多相关《油气储存企业作业许可管理评估检查表.docx(2页珍藏版)》请在第壹文秘上搜索。

1、油气储存企业作业许可管理评估枪查表序号检查内容检查方式检查依据扣分说明未按照国家标准制定动火、进入受限空间等特殊作业管理制度,或者制度未有效执行。金峻,查败,化工和危险化学品生产经营单位重大生产安全事故隐患判定标准(试行)第卜八条1 .判定为重大隐患的扣150分2 .其他扣10分21 .企业应建立并不断完善危险作业许可制度,规范动火、进入受限空间、动土、临时用电、高处作业、断路、吊装、抽堵盲板等特殊作业的安全条件和审批程序;2 .实施特殊作业前,必须办理审批手续。查企业危险作业许可制度危险化学品企业安全风险隐患排查治理导则(应急(2019)78号)1安全基础管理安全风险隐患排查表(七)作业安全

2、管理第1条扣10分31 .特殊作业票证内容设置应符合GB30871要求;2 .作业票证审批程序、填写应规范(包括作业证的时限、气体分析、作业风险分析、安全措施、各级审批、验收签字、关联作业票证办理等)。查特殊作业票证危险化学品企业安全风险隐患排查治理导50(应急(2019)78号)1安全基础管理安全风险隐患排查表(七)作业安全管理第2条扣10分4实施特殊作业前,必须进行安全风险分析、确认安全条件,进行安全技术交底,作业人员在告知确认栏中签字确认,确保作业人员了解作业安全风险和掌握风险控制措施O查风险分析记录、安全条件确认记录、培训告知记录危险化学品企业安全风险隐患排查治理导则(应急(2019)

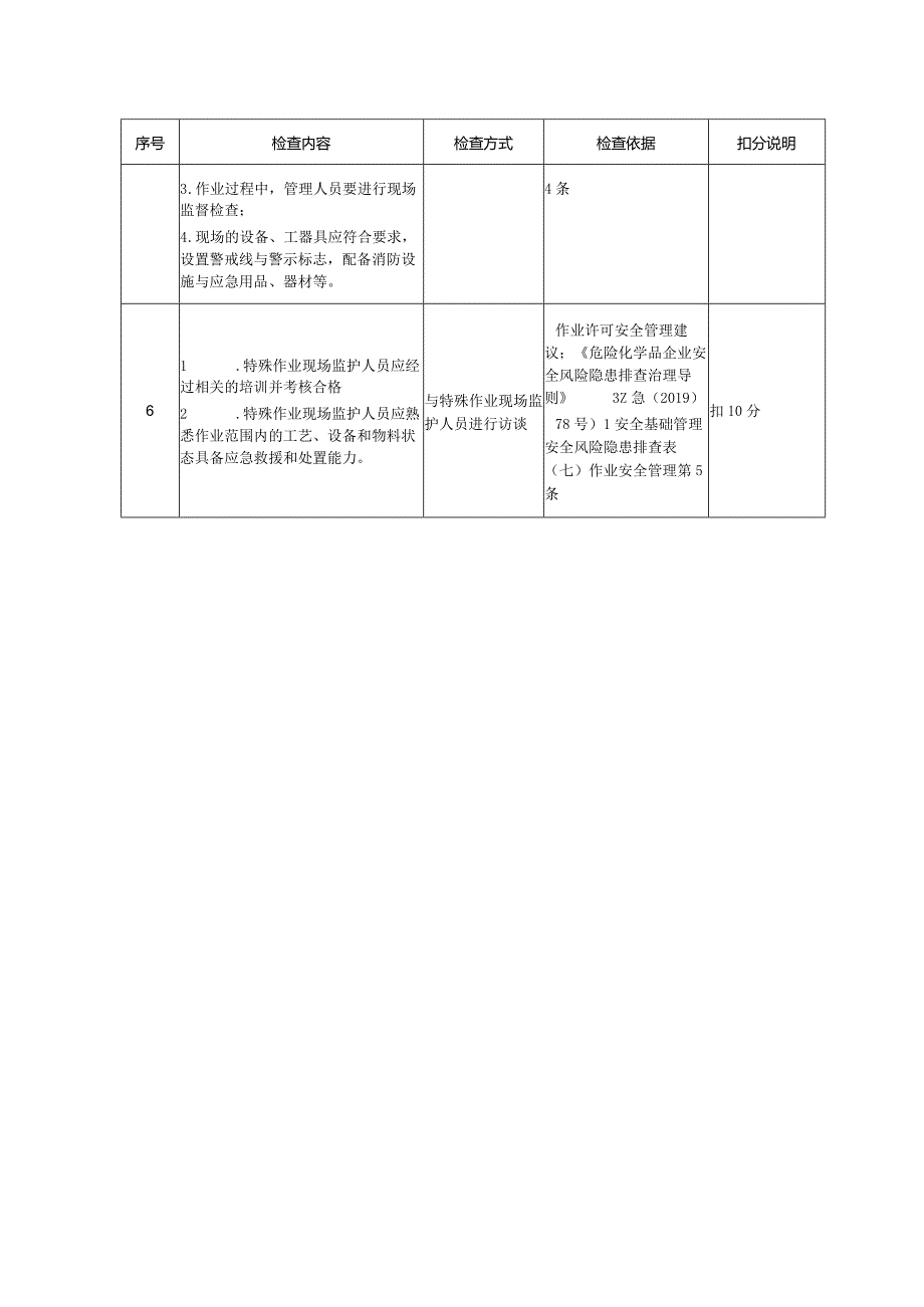
3、78号)1安全基础管理安全风险隐患排查表(七)作业安全管理第3条扣10分5特殊作业现场管理应规范:1 .作业人员应持作业票证作业,劳动防护用品佩戴符合要求,无违章行为;2 .监护人员应坚守岗位,持作业票证监护;查特殊作业现场危险化学品企业安全风险隐患排查治理导则(应急(2019)78号)1安全基础管理安全风险隐患排查表(七)作业安全管理第扣10分序号检查内容检查方式检查依据扣分说明3 .作业过程中,管理人员要进行现场监督检查;4 .现场的设备、工器具应符合要求,设置警戒线与警示标志,配备消防设施与应急用品、器材等。4条61 .特殊作业现场监护人员应经过相关的培训并考核合格2 .特殊作业现场监护人员应熟悉作业范围内的工艺、设备和物料状态具备应急救援和处置能力。与特殊作业现场监护人员进行访谈作业许可安全管理建议;危险化学品企业安全风险隐患排查治理导则3Z急(2019)78号)1安全基础管理安全风险隐患排查表(七)作业安全管理第5条扣10分

展开阅读全文
相关资源
猜你喜欢
相关搜索

当前位置:首页 > 办公文档 > 事务文书

copyright@ 2008-2023 1wenmi网站版权所有

经营许可证编号:宁ICP备2022001189号-1

本站为文档C2C交易模式,即用户上传的文档直接被用户下载,本站只是中间服务平台,本站所有文档下载所得的收益归上传人(含作者)所有。第壹文秘仅提供信息存储空间,仅对用户上传内容的表现方式做保护处理,对上载内容本身不做任何修改或编辑。若文档所含内容侵犯了您的版权或隐私,请立即通知第壹文秘网,我们立即给予删除!