起重机日检记录表.docx

上传人:p** 文档编号:923754 上传时间:2024-04-07 格式:DOCX 页数:1 大小:15.44KB
下载 相关 举报
起重机日检记录表.docx_第1页
第1页 / 共1页
亲,该文档总共1页,全部预览完了,如果喜欢就下载吧!
资源描述

《起重机日检记录表.docx》由会员分享,可在线阅读,更多相关《起重机日检记录表.docx(1页珍藏版)》请在第壹文秘上搜索。

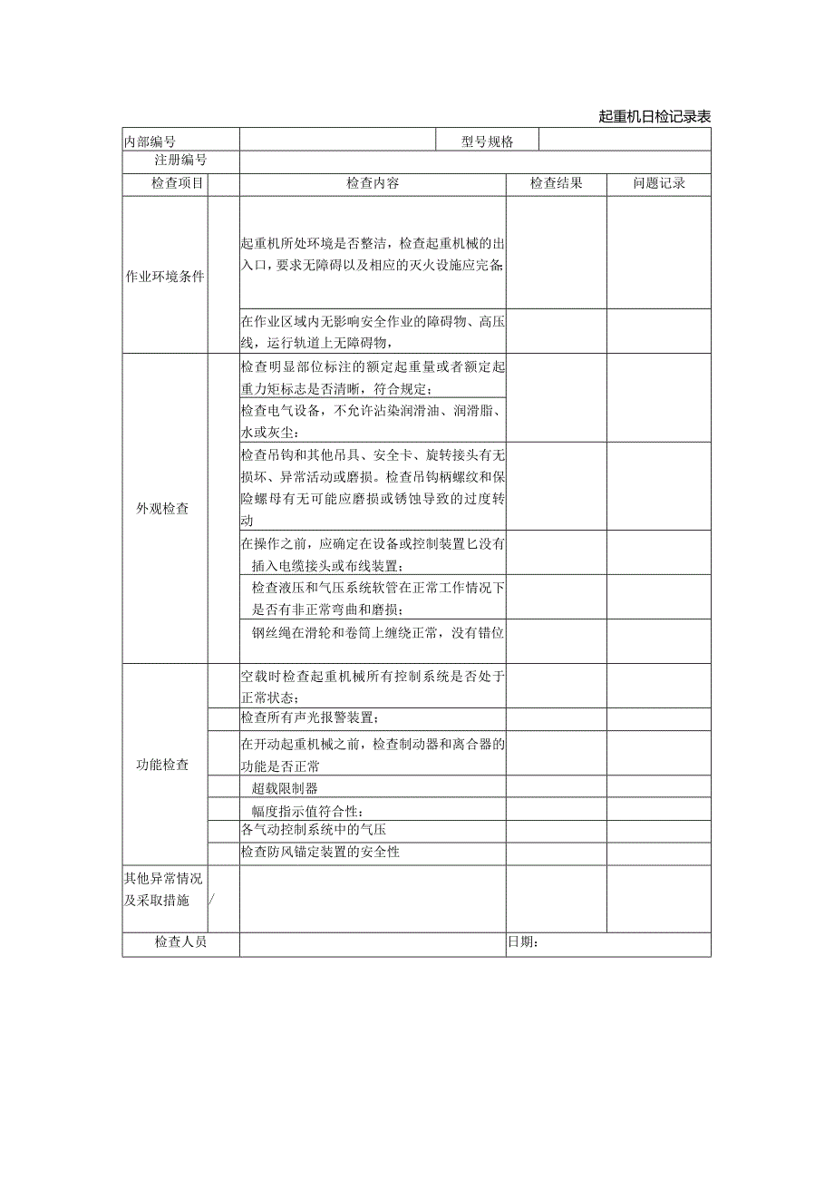
起重机日检记录表内部编号型号规格注册编号检查项目检查内容检查结果问题记录作业环境条件起重机所处环境是否整洁,检查起重机械的出入口,要求无障碍以及相应的灭火设施应完备;在作业区域内无影响安全作业的障碍物、高压线,运行轨道上无障碍物,外观检查检查明显部位标注的额定起重量或者额定起重力矩标志是否清晰,符合规定;检查电气设备,不允许沾染润滑油、润滑脂、水或灰尘:检查吊钩和其他吊具、安全卡、旋转接头有无损坏、异常活动或磨损。检查吊钩柄螺纹和保险螺母有无可能应磨损或锈蚀导致的过度转动在操作之前,应确定在设备或控制装置匕没有插入电缆接头或布线装置;检查液压和气压系统软管在正常工作情况下是否有非正常弯曲和磨损;钢丝绳在滑轮和卷筒上缠绕正常,没有错位功能检查空载时检查起重机械所有控制系统是否处于正常状态;检查所有声光报警装置;在开动起重机械之前,检查制动器和离合器的功能是否正常超载限制器幅度指示值符合性:各气动控制系统中的气压检查防风锚定装置的安全性其他异常情况及采取措施/检查人员日期:

展开阅读全文
相关资源
猜你喜欢
相关搜索

当前位置:首页 > 办公文档 > 统计图表

copyright@ 2008-2023 1wenmi网站版权所有

经营许可证编号:宁ICP备2022001189号-1

本站为文档C2C交易模式,即用户上传的文档直接被用户下载,本站只是中间服务平台,本站所有文档下载所得的收益归上传人(含作者)所有。第壹文秘仅提供信息存储空间,仅对用户上传内容的表现方式做保护处理,对上载内容本身不做任何修改或编辑。若文档所含内容侵犯了您的版权或隐私,请立即通知第壹文秘网,我们立即给予删除!