《变频器原理及应用》试卷及答案卷2.docx

上传人:p** 文档编号:926296 上传时间:2024-04-12 格式:DOCX 页数:7 大小:63.22KB
下载 相关 举报
《变频器原理及应用》试卷及答案卷2.docx_第1页
第1页 / 共7页
《变频器原理及应用》试卷及答案卷2.docx_第2页
第2页 / 共7页
《变频器原理及应用》试卷及答案卷2.docx_第3页
第3页 / 共7页
《变频器原理及应用》试卷及答案卷2.docx_第4页
第4页 / 共7页
《变频器原理及应用》试卷及答案卷2.docx_第5页
第5页 / 共7页
《变频器原理及应用》试卷及答案卷2.docx_第6页
第6页 / 共7页
《变频器原理及应用》试卷及答案卷2.docx_第7页
第7页 / 共7页
亲,该文档总共7页,全部预览完了,如果喜欢就下载吧!
资源描述

《《变频器原理及应用》试卷及答案卷2.docx》由会员分享,可在线阅读,更多相关《《变频器原理及应用》试卷及答案卷2.docx(7页珍藏版)》请在第壹文秘上搜索。

1、变频器原理及应用模拟试卷2一、填空题(每空1分,共24分)1 .变频器的输出侧不能接和噪声滤波器,以免造成逆变电路开关管损坏或使变频器不能正常工作。2 .变频器的加速时间是指从所需的时间,减速时间是指从所需的时间O3 .SPWM是的英文缩写。4 .输入电源必须接到变频器的输入端子上,电动机必须接在变频器的输出端子上O5 .H流电抗器的R要:作用是提高和抑制o6 .输入交流电抗器的主要作用是抑制和提高o7 .变频器常用的电力电子器件有、和等。8 .逆变电路是将变换为的装置。9 .变频器的制动单元一般连接在和之间。10 .变频器的分类,按变换环节可分为和型,按用途可分为和O二、单选题(每题1分,共

2、12分)1 .正弦波脉冲宽度调制的英文缩写是()。APWMBPAMCSPWMDSPAM2 .对电动机从基本频率向上的变频调速属于()调速。A恒转矩B恒功率C恒磁通D恒转差率3 .下列哪种制动方式不适于变频调速系统()A直流制动B能耗制动C回馈制动D反接制动4 .在V/f控制方式下,当输出频率比较低时,会出现输出转矩不足的情况,要求变频器具有()功能。A频率偏置B转差补偿C转矩补偿D段速控制5 .三相异步电动机的转速除了与电源频率、转差率有关外,还与()有关。A磁感应强度B磁极对数C磁场强度D磁极大小6 .目前,在中小型变频器中普遍采用的电力电子器件是()。ASCRBMOSFETCGTRDIGB

3、T7 .变频调速过程中,为了保持电动机的磁通恒定,必须保持()不变。A输出电压U不变B频率f不变CU/f不变DU*f不变8 .变频器的节能运行方式只能用于()控制方式。AU/f开环B矢量C直接转矩D转差频率9 .变频器的基本频率是指输出电压达到()值时的输出的频率值。AUNBUN/2CUN/3DUN/410 .交-直-交变频器按储能方式分为()两类。电压型、电流型B单相、三相C有环流、无环流D脉宽调制、脉幅调制11 .变频器是将固定电压、固定频率的交流电变换为()的交流电的装置。A可调电压、可调频率B固定电压、可调频率C可调电压、固定频率D固定电压、固定频率12 .变频器主电路的交流电源输入端

4、一般用()表示。AR、S、TBU、V、WCA、B、CDX、Y、Z三、多选题(每题2分,共12分)1.电动机的发热主要与()有关。A电机的有效转矩B电机的温升C负载的工况D电机的体积2 .中央空调采用变频控制的优点有()。A节能B噪声小C起动电流小D消除了工频影响3 .变频器按直流环节的储能方式分类为()。A电压型变频器B电流型变频器C交-直.交变频器D交.交变频器4 .变频器的控制方式分为()类AU/f控制B矢量控制C直接转矩D转差频率控制5 .变频器具有()优点,所以应用广泛。A节能B便于自动控制C价格低廉D操作方便)种。D高-低型6 .高(中)压变频调速系统的基本形式有(A高-高型B高-中

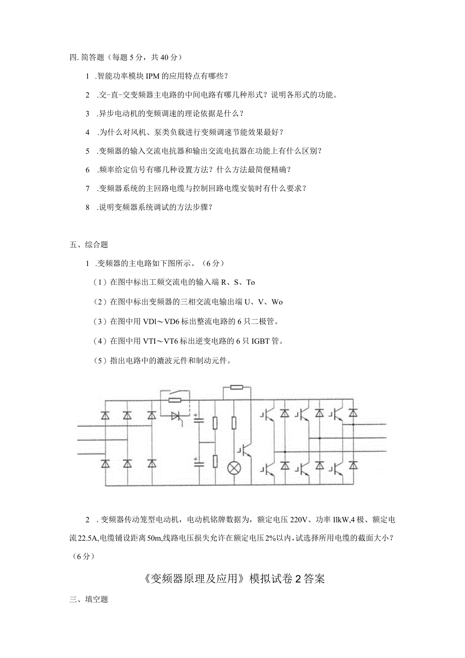
5、型C高-低-高型四.简答题(每题5分,共40分)1 .智能功率模块IPM的应用特点有哪些?2 .交-直-交变频器主电路的中间电路有哪几种形式?说明各形式的功能。3 .异步电动机的变频调速的理论依据是什么?4 .为什么对风机、泵类负载进行变频调速节能效果最好?5 .变频器的输入交流电抗器和输出交流电抗器在功能上有什么区别?6 .频率给定信号有哪几种设置方法?什么方法最简便精确?7 .变频器系统的主回路电缆与控制回路电缆安装时有什么要求?8 .说明变频器系统调试的方法步骤?五、综合题1 .变频器的主电路如下图所示。(6分)(1)在图中标出工频交流电的输入端R、S、To(2)在图中标出变频器的三相交

6、流电输出端U、V、Wo(3)在图中用VDlVD6标出整流电路的6只二极管。(4)在图中用VTIVT6标出逆变电路的6只IGBT管。(5)指出电路中的漉波元件和制动元件。2 .变频器传动笼型电动机,电动机铭牌数据为,额定电压220V、功率IlkW,4极、额定电流22.5A,电缆铺设距离50m,线路电压损失允许在额定电压2%以内,试选择所用电缆的截面大小?(6分)变频器原理及应用模拟试卷2答案三、填空题1 .移相电容2 .OHZ上升到最高频率,最高频率下降到OHZ3 .正弦波脉冲宽度调制4 .R、S、T,U、V、W5 .功率因数,电源刚接通时的冲击电流6 .输入电流的高次谐波,功率因数7 .晶闸管

7、、GTO、GTR、功率MOSFET、IGBT、IPM8 .直流电,频率和幅值可调节的交流电9 .整流电路,逆变电路10 .交-交型,交-直-交型,通用型,专用型四、单选题1.C2. B3. D4. C5. B6. D7. C8. A9. A10. 11. A12. A三、多选题1.A、B、C2. A、B、C3. A、B4. A、BC、D5. AB、C、D6. A、B、C四.简答题1 .智能功率模块IPM的应用特点有哪些?答:IPM内含驱动电路,可以按最佳的IGBT驱动条件进行设定;IPM内含过流(OC)保护、短路(SC)保护,使检测功耗小、灵敏、准确;IPM内含欠电压(UV)保护,当控制电源电

8、压小于规定值时进行保护;IPM内含过热(OH)保护,可以防止IGBT和续流二极管过热,在IGBT内部的绝缘基板上设有温度检测元件,结温过高时即输出报警(ALM)信号,该信号送给变频器的单片机,使系统显示故障信息并停止工作。IPM还内含制动电路,用户如有制动要求可另购选件,在外电路规定端子上接制动电阻,即可实现制动。2 .交-直-交变频器主电路的中间电路有哪几种形式?说明各形式的功能。答:中间电路有滤波电路和制动电路两种形式。滤波电路是利用电容或电感的储能特性,将整流电路输出的直流电压或电流减少谐波分量趋于稳定;而制动电路一般由制动单元和制动电阻组成,可将电动机的再生能量返送电网或消耗掉,并产生

9、制动作用,使电动机快速停车。3 .异步电动机的变频调速的理论依据是什么?答:三相交流电动机的同步转速(即定子旋转磁场转速)如可表示为601。=P如果将电源频率调节为八,则同步转速也随之调节成flOxP这就是异步电动机变频调速的理论依据。4 .为什么对风机、泵类负载进行变频调速节能效果最好?答:风机、泵类负载属于二次方律负载机械在低速时由于流体的流速低,所以负载转矩很小,随着电动机转速的增加,流速增快,负载转矩和功率也越来越大,所以采用变频调速节能效果最好。5 .变频器的输入交流电抗器和输出交流电抗器在功能上有什么区别?答:变频器的输入交流电抗器,可起到以下作用:1)减少变频器的输入电流谐波含量

10、;2)改善三相输入电流的不平衡;3)抑制电源系统的瞬变干扰;4)提高功率因数。输出交流电抗器用于抑制变频器的辐射干扰和感应干扰,还可以抑制电动机的振动。6 .频率给定信号有哪几种设置方法?什么方法最简便精确?答:频率给定信号方式,就是调节变频器输出频率的具体方法,有模拟量给定、面板给定和通讯接口给定等多种方法。在选择给定方法时应优先选择面板给定方法,因为面板给定属于数字量给定,不需要外部接线,方法简单,频率设置精度高。7 .变频器系统的主回路电缆与控制回路电缆安装时有什么要求?答:选择主回路电缆时,须考虑电流容量、短路保护、电缆压降等因素。一般情况下,变频器输入电流的有效值比电机电流大。安装时

11、变频器与电机之间的连接电缆尽量短,接地回路须按电气设备技术标准所规定的方式施工。变频器控制回路的控制信号均为微弱的电压、电流信号,控制电缆的截面选择必须考虑机械强度、线路压降、费用等因素。控制回路易受外界强电场或高频杂散电磁波的影响,易受主电路的高次谐波场的辐射及电源侧振动的影响,因此,必须对控制回路采取适当的屏蔽措施。主回路电缆与控制回路电缆必须分离铺设,相隔距离按电器设备技术标准执行。8 .说明变频器系统调试的方法步骤?答:变频器系统的调试步骤:1)通电前检查;2)在断开电动机负载的情况下,对变频器通电检查;3)空载试验;4)负载试验。五、综合题1 .变频器的主电路如下图所示。(1)在图中

12、标出工频交流电的输入端R、S、To(2)在图中标出变频器的三相交流电输出端U、V、Wo(3)在图中用VD1-VD6标出整流电路的6只二极管。(4)在图中用VT1VT6标出逆变电路的6只IGBT管。(5)指出电路中的滤波元件和制动元件。答:(1)(4)如下图所示。(5) CKC2为滤波元件,R4、VT7为制动元件。2.变频器传动笼型电动机,电动机铭牌数据为,额定电压220V、功率IlkW,4极、额定电流22.5A,电缆铺设距离50m,线路电压损失允许在额定电压2%以内,试选择所用电缆的截面大小?解:(1)求额定电压下的容许电压降。容许电压降;ZU=220VX2%=4.4V(2)求容许压降以内的电线电阻值。电线电阻RC=(KXX)4.4)3502()/km=2.54/km(3)根据计算出的电阻选用导线。由计算出的&值,从厂家提供的相关表格中选用电缆,如表10-1列出的常用电缆选用表,从中看到,应选电缆电阻2.54Qkm以下的电缆,截面积为9m3.

展开阅读全文
相关资源
猜你喜欢
相关搜索

当前位置:首页 > 高等教育 > 习题/试题

copyright@ 2008-2023 1wenmi网站版权所有

经营许可证编号:宁ICP备2022001189号-1

本站为文档C2C交易模式,即用户上传的文档直接被用户下载,本站只是中间服务平台,本站所有文档下载所得的收益归上传人(含作者)所有。第壹文秘仅提供信息存储空间,仅对用户上传内容的表现方式做保护处理,对上载内容本身不做任何修改或编辑。若文档所含内容侵犯了您的版权或隐私,请立即通知第壹文秘网,我们立即给予删除!