高精度低压线性恒流驱动芯片SM4A20T典型应用及方案详解.docx

上传人:p** 文档编号:930185 上传时间:2024-04-12 格式:DOCX 页数:4 大小:118.09KB
下载 相关 举报
高精度低压线性恒流驱动芯片SM4A20T典型应用及方案详解.docx_第1页
第1页 / 共4页
高精度低压线性恒流驱动芯片SM4A20T典型应用及方案详解.docx_第2页
第2页 / 共4页
高精度低压线性恒流驱动芯片SM4A20T典型应用及方案详解.docx_第3页
第3页 / 共4页
高精度低压线性恒流驱动芯片SM4A20T典型应用及方案详解.docx_第4页
第4页 / 共4页
亲,该文档总共4页,全部预览完了,如果喜欢就下载吧!
资源描述

《高精度低压线性恒流驱动芯片SM4A20T典型应用及方案详解.docx》由会员分享,可在线阅读,更多相关《高精度低压线性恒流驱动芯片SM4A20T典型应用及方案详解.docx(4页珍藏版)》请在第壹文秘上搜索。

1、高精度低压线性恒流驱动芯片SM4A20T典型应用及方案详解在当今的照明行业中,LED灯带因其高效、环保、长寿命等优点而广泛应用于各种场景。然而,随着LED技术的不断发展,对于驱动芯片的要求也越来越高。为满足市场对于高性能LED驱动芯片的需求,我们推出了高精度低压线性恒流驱动芯片SM4A20TuSMA鬻SM4A20T是一款高性价比、支持PWM调光的单通道LED恒流驱动芯片。该芯片具有宽电压范围输入的特点,能够适应不同的电源电压环境,确保LED灯带的稳定运行。同时,SM4A20T还具有低阈值电压开启的特点,有效解决了因电源电压衰减造成的LED灯带亮度不一致的问题,让LED照明更加均匀、舒适。典型应

2、用(C)(d)SM4A20T典型应用方案SM4A20T内置了内部电源启动模块、电压基准模块、输出电流设置和驱动模块等多个功能模块,确保了芯片的稳定性和可靠性。该芯片提供了宽的恒定电流范围,从15mA到60mA,可根据不同的LED灯带需求进行灵活调节。值得一提的是,SM4A20T的输出电流精度高,且恒流值不随OUT端口电压波动而变化,为LED灯带提供了稳定的电流输出。此外,SM4A20T还具有负温度特性,能够在极端电压和电流条件下保护LED不受热控制的影响,从而提高实际应用的可靠性。这一特性使得SM4A20T在高温或低温环境下都能保持出色的性能表现,为LED照明应用提供了更加稳定、可靠的支持。当

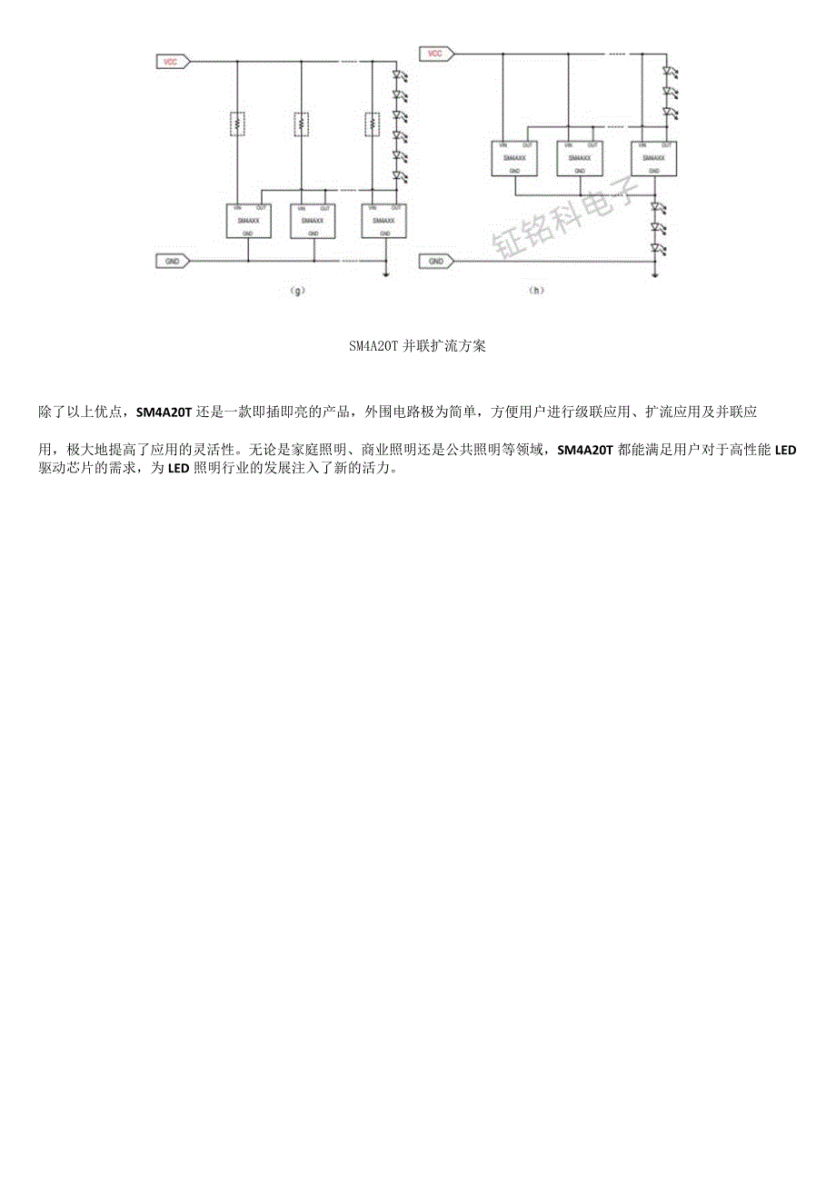
3、球颗芯片输出电流无法满足应用需求时,可以将多个芯片并联使用以实现扩流,如卜图所示电路:SM4A20T并联扩流方案除了以上优点,SM4A20T还是一款即插即亮的产品,外围电路极为简单,方便用户进行级联应用、扩流应用及并联应用,极大地提高了应用的灵活性。无论是家庭照明、商业照明还是公共照明等领域,SM4A20T都能满足用户对于高性能LED驱动芯片的需求,为LED照明行业的发展注入了新的活力。总之,高精度低压线性恒流驱动芯片SM4A20T凭借其卓越的性能和广泛的应用范围,成为/LED照明行业中的颗璀璨明星。我们相信,在未来的发展中,SM4A20T将继续发挥其独特的优势,为LED照明行业的繁荣和发展贡献更大的力量。PWM调光应用(k)SM4A20T调光方案

展开阅读全文
相关资源
猜你喜欢
相关搜索

当前位置:首页 > 通信/电子 > 电子设计

copyright@ 2008-2023 1wenmi网站版权所有

经营许可证编号:宁ICP备2022001189号-1

本站为文档C2C交易模式,即用户上传的文档直接被用户下载,本站只是中间服务平台,本站所有文档下载所得的收益归上传人(含作者)所有。第壹文秘仅提供信息存储空间,仅对用户上传内容的表现方式做保护处理,对上载内容本身不做任何修改或编辑。若文档所含内容侵犯了您的版权或隐私,请立即通知第壹文秘网,我们立即给予删除!