新建项目隐蔽工程验收记录表.docx

上传人:p** 文档编号:93148 上传时间:2022-12-21 格式:DOCX 页数:1 大小:55.38KB
下载 相关 举报
新建项目隐蔽工程验收记录表.docx_第1页
第1页 / 共1页
亲,该文档总共1页,全部预览完了,如果喜欢就下载吧!
资源描述

《新建项目隐蔽工程验收记录表.docx》由会员分享,可在线阅读,更多相关《新建项目隐蔽工程验收记录表.docx(1页珍藏版)》请在第壹文秘上搜索。

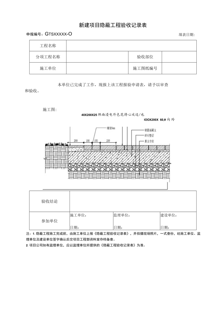
申报编号:Gtsxxxxx-O新建项目隐蔽工程验收记录表工程名称分项工程名称验收部位施工单位施工图纸编号填表日期:本单位已完成了工作,现报上该工程报验申请表,请予以审查和验收。施工图:40X200X25燃面浸电外色花将心攻边/也IOOX200X 60,向玲(6)验收结论参加单位施工单位:日期:监理单位:日期:建设单位:日期:注:1.隐蔽工程施工完成前,由施工单位上报隐蔽工程验收记录表,并拍摄现场照片,一式叁份,经施工单位、监理单位及建设单位签字确认后交项目工程部资料室存档备查。2.项目公司如有监理单位,应以监理单位所提供的隐蔽工程验收记录表为准。

展开阅读全文
相关资源
猜你喜欢
相关搜索

当前位置:首页 > 建筑/环境 > 建筑资料

copyright@ 2008-2023 1wenmi网站版权所有

经营许可证编号:宁ICP备2022001189号-1

本站为文档C2C交易模式,即用户上传的文档直接被用户下载,本站只是中间服务平台,本站所有文档下载所得的收益归上传人(含作者)所有。第壹文秘仅提供信息存储空间,仅对用户上传内容的表现方式做保护处理,对上载内容本身不做任何修改或编辑。若文档所含内容侵犯了您的版权或隐私,请立即通知第壹文秘网,我们立即给予删除!