8.2024年云南省手提式干粉灭火器产品质量监督抽查实施细则.docx

上传人:p** 文档编号:933671 上传时间:2024-04-21 格式:DOCX 页数:5 大小:26.09KB
下载 相关 举报
8.2024年云南省手提式干粉灭火器产品质量监督抽查实施细则.docx_第1页
第1页 / 共5页
8.2024年云南省手提式干粉灭火器产品质量监督抽查实施细则.docx_第2页
第2页 / 共5页
8.2024年云南省手提式干粉灭火器产品质量监督抽查实施细则.docx_第3页
第3页 / 共5页
8.2024年云南省手提式干粉灭火器产品质量监督抽查实施细则.docx_第4页
第4页 / 共5页
8.2024年云南省手提式干粉灭火器产品质量监督抽查实施细则.docx_第5页
第5页 / 共5页
亲,该文档总共5页,全部预览完了,如果喜欢就下载吧!
资源描述

《8.2024年云南省手提式干粉灭火器产品质量监督抽查实施细则.docx》由会员分享,可在线阅读,更多相关《8.2024年云南省手提式干粉灭火器产品质量监督抽查实施细则.docx(5页珍藏版)》请在第壹文秘上搜索。

1、2024年云南省手提式干粉灭火器产品质量监督抽查实施细则1适用范围本细则适用于云南省市场监督管理局组织的2024年云南省手提式干粉灭火器产品质量监督抽查工作。本细则内容包括适用范围、产品分类、企业规模划分、检验依据、抽样、检验要求、判定原则、异议处理、附则等。2产品分类手提式干粉灭火器根据灭火剂成分的不同可分为:碳酸氢钠干粉灭火器和磷酸钱盐干粉灭火器,规格不同分为:1kg、2kg、3kg、4kg、5kg、6kg、8kg、9kg12kg。3企业规模划分根据手提式干粉灭火器产品行业的实际情况,生产企业规模以手提式干粉灭火器产品年销售额为标准划分大、中、小型企业。企业生产规模划分企业规模大型企业中型

2、企业小型企业销售额/万元1000025000且VlOoOo5000注:年销售额包括手提式干粉灭火器产品的内销和外销总额。4检验依据下列文件凡是注明口期的,其随后所有的修改单(不包括勘误的内容)或修订版均不适用于本细则。凡是不注明日期的,其最新版本适用于本细则。GB4351.1-2005手提式灭火器第1部分:性能和结构要求GB4066-2017干粉灭火剂相关的法律法规、部门规章和规定经备案或自我声明现行有效的企业标准及产品明示质量要求5抽样抽样人员由云南省市场监督管理局委托的检验机构负责,抽样人员应严格执行抽检分离的基本制度,抽样人员不少于两人,并向被抽样生产者、销售者出示云南省市场监督管理局出

3、具的监督抽查通知书、表明抽样人员身份。同时还应当出示云南省市场监督管理局出具的任务文件。抽样人员应当告知被抽样生产者、销售者抽查产品范围、抽样方法等。样品应当由抽样人员在被抽样生产者、销售者待销的具有质量合格证明或者以其他形式表明合格的产品中随机抽取,非企业自检合格产品、有出口合同产品、有“试制品”及“处理品”标志的产品均不属抽样范围。不得由被抽样生产者、销售者自行抽样。5.1 抽样型号或规格抽取样品应为同一批产品。5.2 抽样方法、基数及数量抽查产品为成品堆放区待销产品中随机抽取有质量检验合格证明或者以其他形式表明合格的、近期生产的相同批号、相同结构、相同工艺条件的产品,抽样基数应不少于4具

4、(检2备2)o采用简单随机抽样法抽取产品,抽取的产品数量应能保证检验数量。随机数一般可使用随机数表、骰子或扑克牌等方法产生。5.3 抽样单应按有关规定填写抽样单,并记录被抽查产品及企业相关信息。同时记录被抽查企业上一年度生产的手提式干粉灭火器产品销售总额,以万元计;若企业上一年度未生产,则记录本年度实际销售额,并加以注明。对于产品检验所需的样品技术参数,如产品的产品认证证书号、证书批准的产品种类及企业相关信息需要被抽企业提供的,应在抽样现场获取,并经企业确认。填好的抽样单应当有抽样人员和被抽查单位负责人或其授权人员签字,并加盖公章确认。如有特殊情况不能在抽样单上盖公章的,应在抽样单上注明。抽样

5、时应使用监督抽查相关文书,填写详细的监督抽查抽样记录,并填写现场笔录。5.4 样品处置严格按照相关产品的国家或行业标准中有关抽样规则进行样品抽样。应当对检验样品和备用样品分别贴上封条,封条由抽样人员、受检企业有关人员签字、盖章确认,在封条上标注“检验样”和“备用样”,并采取有效措施保证样品不被调换;同时要求受检企业在灭火器之间采取防护措施,防止损伤或损坏样品。为防拆封,可使用多张封条,并采用透明胶带缠裹:外包装上应有“易碎品、轻搬轻放、防潮防雨”警示标志。确需受检企业协助送样的,受检企业应当在规定的时间内将样品完好寄送到指定单位。备样应封存于受检单位。对封存于受检单位的备样,受检单位有妥善保存

6、的义务,确保备样不发生损坏、遗失或封条破损等情况。5.5 购样抽样人员应当购买检验样品,购买检验样品的价格以生产、销售产品的标价为准。受检单位应提供收取费用的正式发票。检验工作及报告出具完成后,样品由检验单位自行根据相关规定处置。备用样品由被抽查生产者、销售者先行无偿提供。检验结论为合格,备用样品应在异议处理申请期限届满后及时退还,若后续启用备用样品进行复检时,由复检机构另行付费购买,受检单位另行提供正式发票。5.6 抽样应注意的问题企业合法性检查:现场向企业收取营业执照复印件,并对原件进行拍照。抽样人员发现被抽样生产者、销售者涉嫌存在无证无照等(含“三无”产品)无需检验即可判定违法的情形的,

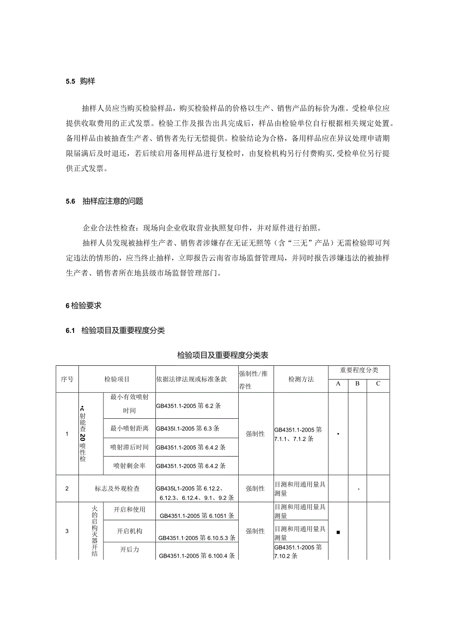
7、应当终止抽样,立即报告云南省市场监督管理局,并同时报告涉嫌违法的被抽样生产者、销售者所在地县级市场监督管理部门。6检验要求6.1 检验项目及重要程度分类检验项目及重要程度分类表序号检验项目依据法律法规或标准条款强制性/推荐性检测方法重要程度分类ABC1c射能查20喷性检最小有效喷射时间GB4351.1-2005第6.2条强制性GB4351.1-2005第7.1.1、7.1.2条最小喷射距离GB435I.1-2005第6.3条喷射滞后时间GB4351.1-2005第6.4.2条喷射剩余率GB4351.1-2005第6.4.2条2标志及外观检查GB435L1-2005第6.12.2、6.12.3、

8、6.12.4、9.1、9.2条强制性目测和用通用量具测量3火的启构灭器开结开启和使用GB4351.1-2005第6.1051条强制性目测和用通用量具测量开启机构GB4351.12005第6.10.5.3条目测和用通用量具测量开后力GB4351.1-2005第6.100.4条GB4351.1-2005第7.10.2条4质量GB4351.1-2005第6.1条强制性用通用量具测量5筒体水压试验GB4351.1-2005第6.10。条强制性GB4351.1-2005第7.8.1条6筒体爆破试验GB4351.1-2005第6600.2条强制性GB4351.1-2005第7.8.2条7筒体壁厚GB435

9、1.12005第6.10.1.8条强制性用通用量具测量8干粉灭火剂主要组分含量(磷酸二氧钱)GB4351.1-2005第6.14.3条强制性GB4066-2017A:极重要质量项目;B:重要质量项目;C:一般质量项目注:极重要质量项目是指直接涉及人体健康、使用安全的指标;重要质量项目是指产品涉及环保、能效、关键性能或特征值的指标。上表所列检验项目是有关法律法规、标准等规定的,重点涉及健康、安全、节能、环保以及消费者、有关组织反映有质量问题的重要项目。6.2 检验应注意的问题6.2.1 检验机构接收样品应当有专人负责检查、记录样品的外观、状态、封条有无破损及其他可能对检测结果或者综合判定产生影响

10、的情况,并确认样品与抽样单的记录是否相符,对检验样品和备用样品分别加贴相应标识后入库,并拍照存档。6.2.2 手提式干粉灭火器样品应有专门区域存放,备用样只用于复检。6.2.3 若被检产品明示的质量要求高于本细则中检验项目依据的标准要求时,应按被检产品明示的质量要求判定。若被检产品明示的质量要求低于本细则中检验项目依据的强制性标准要求时,应强制性标准要求判定。若被检产品明示的质量要求低于或包含本细则中检验项目依据的推荐性标准要求时,应以被检产品明示的质量要求判定。若被检产品明示的质量要求缺少本细则中检验项目依据的强制性标准要求时,应按照强制性标准要求判定。若被检产品明示的质量要求缺少本细则中检

11、验项目依据的推荐性标准要求时,该项目不参与判定,但应在检验报告备注中进行说明。7判定原则经检验,检验项目全部合格,判定为被抽查产品合格;检验项目中任一项或一项以上不合格,判定为被抽查产品不合格。其中,当产品存在A类项目不合格时,属于严重不合格。8异议处理8.1 复查被抽样生产者、销售者对抽样过程、样品真实性等有异议的,收到异议处理申请的云南省市场监督管理局组织异议处理,并将处理结论书面告知申请人。8.2 复检8.2.1 被抽样生产者、销售者对检验结论有异议的,应当自收到检验结论书面告知之日起十五日内向云南省市场监督管理局提出书面异议处理申请,并提交相关材料。8.2.2 被抽样生产者、销售者对检

12、验结论有异议,提出书面复检申请并阐明理由的,收到异议处理申请的云南省市场监督管理局组织研究,对需要复检并具备检验条件的,组织复检。8.2.3 申请人应当自收到市场监督管理部门复检通知之日起七日内办理复检手续。逾期未办理的,视为放弃复检。8.2.4 云南省市场监督管理局自申请人办理复检手续之日起十日内确定具备相应资质的检验机构进行复检。8.2.5 复检机构应当在规定时间内按照本细则所规定的检验方法、判定规则等对与异议相关的检验项目进行及检,并将复检结论及时报送云南省市场监督管理局,由云南省市场监督管理局书面告知复检申请人。复检结论为最终结论。8.2.6 复检费用由申请人向复检机构先行支付。复检结论与初检结论一致的,复检费用由申请人承担;与初检结论不一致的,复检费用由原承检机构承担。9附则9.1 本细则经云南省市场监督管理局批准生效,仅适用于2024年云南省手提式干粉灭火器产品质量监督抽查工作。9.2 本细则由云南中控防火材料检验有限公司起草并负责解释。

展开阅读全文
相关资源
猜你喜欢
相关搜索

当前位置:首页 > 行业资料 > 国内外标准规范

copyright@ 2008-2023 1wenmi网站版权所有

经营许可证编号:宁ICP备2022001189号-1

本站为文档C2C交易模式,即用户上传的文档直接被用户下载,本站只是中间服务平台,本站所有文档下载所得的收益归上传人(含作者)所有。第壹文秘仅提供信息存储空间,仅对用户上传内容的表现方式做保护处理,对上载内容本身不做任何修改或编辑。若文档所含内容侵犯了您的版权或隐私,请立即通知第壹文秘网,我们立即给予删除!