显微镜的复习.docx

上传人:p** 文档编号:93489 上传时间:2022-12-21 格式:DOCX 页数:5 大小:88.86KB
下载 相关 举报
显微镜的复习.docx_第1页
第1页 / 共5页
显微镜的复习.docx_第2页
第2页 / 共5页
显微镜的复习.docx_第3页
第3页 / 共5页
显微镜的复习.docx_第4页
第4页 / 共5页
显微镜的复习.docx_第5页
第5页 / 共5页
亲,该文档总共5页,全部预览完了,如果喜欢就下载吧!
资源描述

《显微镜的复习.docx》由会员分享,可在线阅读,更多相关《显微镜的复习.docx(5页珍藏版)》请在第壹文秘上搜索。

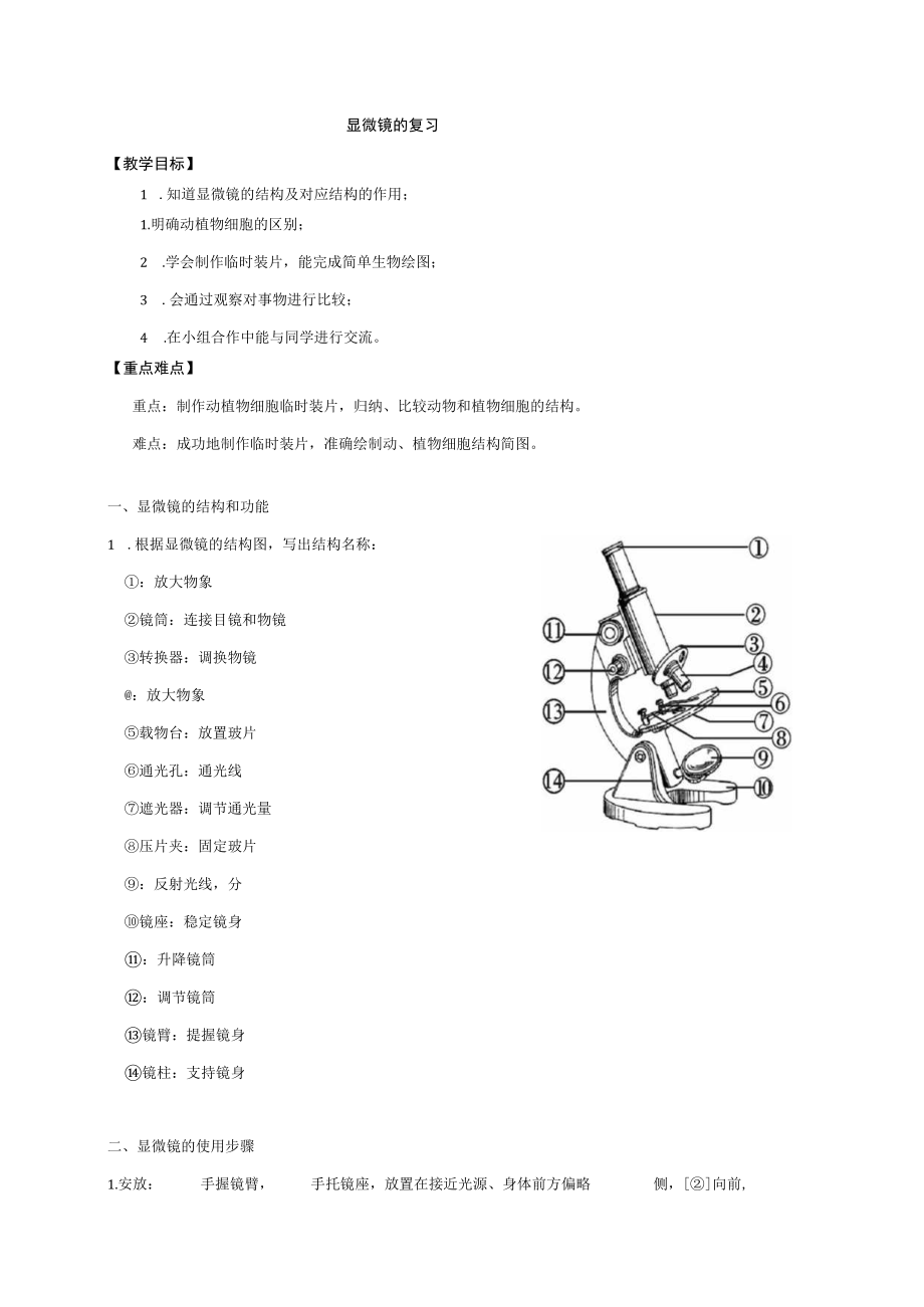
1、显微镜的复习【教学目标】1 .知道显微镜的结构及对应结构的作用;1.明确动植物细胞的区别;2 .学会制作临时装片,能完成简单生物绘图;3 .会通过观察对事物进行比较;4 .在小组合作中能与同学进行交流。【重点难点】重点:制作动植物细胞临时装片,归纳、比较动物和植物细胞的结构。难点:成功地制作临时装片,准确绘制动、植物细胞结构简图。一、显微镜的结构和功能1 .根据显微镜的结构图,写出结构名称:放大物象镜筒:连接目镜和物镜转换器:调换物镜:放大物象载物台:放置玻片通光孔:通光线遮光器:调节通光量压片夹:固定玻片:反射光线,分镜座:稳定镜身:升降镜筒:调节镜筒镜臂:提握镜身镜柱:支持镜身二、显微镜的

2、使用步骤1.安放:手握镜臂,手托镜座,放置在接近光源、身体前方偏略侧,向前,向后,以便用左眼观察目镜内视野,同时右手绘图。2 .对光:转动,使低倍物镜正对通光孔,转动,让大的光圈对准通光孔。用眼通过目镜观察,眼必须睁开,同时调节,直到看见一个明亮的视野。3 .放片:将玻片放在载物台中央,用压片夹压住,正对通光孔。4 .调焦:双眼注视物镜与载玻片的距离,向前转动,使镜筒慢慢下降,物镜靠近载玻片,以免物镜碰到玻片标本,压碎盖玻片。左眼朝目镜内注视,慢慢向后转动,使镜筒上升,找到物象;再调节直到看清物象。5 .观察:一眼向目镜内注视,眼必须睁开,以便及时记录观察结果。从目镜中看到的物象是(填“倒立”

3、或“正立”)的像,因此玻片移动的方向与视野里物象的移动方向正好(填“相同”或“相反如果从目镜看到要观察的物体在左下方,要移到中间。载玻璃该往移动。若用显微镜观察字母“P”,看到的像为O【点拨】显微镜口诀目长小,物长小;视野:低亮高暗;放大倍数:倍大个大数目少;对光:亮:小光圈+平面镜;暗:大光圈+凹面镜:低倍镜:先粗后细,先下后上,后升前降;高倍镜:先粗后细,先下后上,后升前降;放片:植水动盐针展评,玻片一边慢慢倒:显微镜使用中的“四先四后”:先低倍镜后高倍镜;先大光圈后小光圈;镜筒先降后升;先粗准焦螺旋后细准焦螺旋。找物象用粗准焦螺旋,找清晰物象用细准焦螺旋。操作步骤:一取二放三安放,四转低

4、镜五对光,六上玻片七降筒,八上镜筒细观察,看完低倍镜转高倍镜,九退整理十归箱。如在显微镜下观察细胞,放大倍数越小,观察到的细胞数目越多,细胞像越小,视野越亮。三、观察动物细胞和植物细胞实验步骤异同相同之处:准备时都要把载玻片和盖玻片擦干净。制作时,都分滴液、取材、放置标本、盖盖玻片,染色几个步骤。取的材料都很薄,无色,都用碘液染色。不同之处。:洋葱表皮细胞临时装片制作前滴清水,人的口腔上皮细胞临时装片制作前滴生理盐水。取材不同,洋葱表皮临时装片制作用洋葱的内表皮,人的口腔上皮细胞临时装片制作时用人的口腔上皮细胞。四、植物细胞和动物细胞结构异同植物细胞的结构:细胞壁,细胞膜,细胞质,细胞核(自外

5、向内)。动物细胞的结构:细胞膜,细胞质,细胞核(自外向内)。植物细胞和动物细胞的结构:(I)共同结构:都有细胞膜,细胞质,细胞核(2)不同之处:a.植物细胞最外边是细胞壁,细胞壁里面紧贴着的是细胞膜,而动物细,胞没有细胞壁,最外边就是细胞膜。b.植物细胞内有液泡,而动物细胞内没有液泡。c.植物细胞内有叶绿体,动物细胞内没有叶绿体。五、思考讨论1、在制作植物细胞的临时装片时,为什么要将观察材料染色?2、怎样区别视野中的细胞和气泡?3、细胞是平面的还是立体的?【课后练习】1、在光线明亮的实验室里,观察透明的口腔上皮细胞后再观察颜色较深的黑藻叶片细胞,为便于观察,此时应()A.改用凹面反光镜、放大光

6、圈B.改用凹面反光镜、缩小光圈C.改用平面反光镜、放大光圈D.改用平面反光镜、缩小光圈2、制作洋葱表皮临时装片时,下面步骤正确的是A.用餐巾纸擦拭载玻片B.将洋葱块直接放置显微镜下观察C.将盖玻片一边先接触水滴,再缓缓盖上D.染色时掀开盖玻片,滴入染液3、小明同学在用显微镜观察人的口腔上皮细.胞装片时发现视野内有一污点,转动目镜和移动装片时,污点均不动,你认为污点最可能位于下列哪一结构上()A.反光镜B.目镜C.物镜D.装片4、如图是用显微镜观察植物.细胞的叶绿体和细胞质流动实验中的两个视野,要把视野中的物像从左图转为右图,下列操作步骤正确的排序是()转动细准焦螺旋转动粗准焦螺旋移动装片调节光

7、圈转动转换器.A.B.D.5、制作人口腔上皮细胞临时装片,的正确步骤是在载玻片中央滴一滴清水在载玻片中央滴一滴生理盐水用消毒牙签从口腔侧壁处轻轻刮几下把牙签放在载玻片的液滴中均匀地涂抹几下滴加碘液染.色盖上盖玻片A.rB.C.D.6、制作人体口腔上皮细胞临时装片时,用于漱口的液体,载玻片上滴加的液体,染色用的液体分别A.生理盐水、自来水、碘液B.碘液、生理盐水、凉开水C.自来水、碘液、生理盐水D.凉开水、生理盐水、碘液7、观察人体口腔上皮细胞制作的标本是(A.临时装片B.临时切片C.永。久装片D.永久切片8、在制作植物细胞的临时装片时,滴在载玻片上的是,;而制作动物细胞的临时装片时,滴在载玻片上的是,9、在制作洋葱表皮细胞临时装片时染色用的是.,在人体口腔上皮细胞临时装片时染色用的是.10、在盖上盖玻片时,用,夹起盖玻片,使其.先接触载玻片上的液滴,然后平,其目的是.11、在观察洋葱表皮细胞临时装片时,发现细胞有严重的重叠现象,其原因,如发现有黑色的圆圈,其原因是答案:7、ACDDBDA8、清水生理盐水9、红墨水亚甲基蓝溶液10、镜子一侧避免产生气泡11、洋葱表皮细胞撕的太厚或没有展平气泡太多

展开阅读全文
相关资源
猜你喜欢
相关搜索

当前位置:首页 > 幼儿/小学教育 > 幼儿教育

copyright@ 2008-2023 1wenmi网站版权所有

经营许可证编号:宁ICP备2022001189号-1

本站为文档C2C交易模式,即用户上传的文档直接被用户下载,本站只是中间服务平台,本站所有文档下载所得的收益归上传人(含作者)所有。第壹文秘仅提供信息存储空间,仅对用户上传内容的表现方式做保护处理,对上载内容本身不做任何修改或编辑。若文档所含内容侵犯了您的版权或隐私,请立即通知第壹文秘网,我们立即给予删除!