塑钢门窗安装技术交底.docx

上传人:p** 文档编号:936115 上传时间:2024-04-21 格式:DOCX 页数:7 大小:88.29KB
下载 相关 举报
塑钢门窗安装技术交底.docx_第1页
第1页 / 共7页
塑钢门窗安装技术交底.docx_第2页
第2页 / 共7页
塑钢门窗安装技术交底.docx_第3页
第3页 / 共7页
塑钢门窗安装技术交底.docx_第4页
第4页 / 共7页
塑钢门窗安装技术交底.docx_第5页
第5页 / 共7页
塑钢门窗安装技术交底.docx_第6页
第6页 / 共7页
塑钢门窗安装技术交底.docx_第7页
第7页 / 共7页
亲,该文档总共7页,全部预览完了,如果喜欢就下载吧!
资源描述

《塑钢门窗安装技术交底.docx》由会员分享,可在线阅读,更多相关《塑钢门窗安装技术交底.docx(7页珍藏版)》请在第壹文秘上搜索。

1、交底记录、工程概况1.本工程所有高层楼栋门窗均为塑钢门窗,外窗均为落地窗。1.2.本工程塑钢门共485橙,外窗共381橙。二、施工准备(包括作业人员、主要材料、施工机具、施工作业条件的内容)1. 1材料准备(根据图纸及深化图描述塑钢门窗的材料类型、型号、以及各种配件、辅料,可如下描述)平开窗:58系列,窗扇高度290Omm采用角部较链、外开执手、传动器,窗扇高度W900mm采用角部较链、单点执手;玻璃配置:均采用6(LOW-E)中透光/镀膜+12A+6玻璃;符合安装要求的五金件;毛条、胶条、密封条、发泡剂。2. 2技术准备2.2.1必须明确窗台高度、窗中线、水平标高线2.2.2必须逐棱注明对应

2、窗设计图编号,便于检查、后期管理。2.2.3施工过程中必须要求制作样板房,获得甲方、监理验收后才能大量安装施工。2.2.4所有外露的螺钉均使用自攻钉。2.2.5所有窗附件不得以任何理由不装或漏装。2. 2.6发泡剂施工前,必须先清理浮灰和杂物,保证无尘、无脂。以确保泡沫与基体的粘接强度。3. 2.7密封胶应填塞均匀,连续密实、表面光滑,不的产生气泡、胶瘤和缺口。4. 3施工机具发泡胶枪、壁纸刀等三、施工安排5. 1施工部位本工程所有高层131层的外窗、厨房卫生间门。6. 2工期要求楼栋安装楼层时间备注1#楼16层2019.5.2019.6.11731层2019.6.152019.7.15.3#

3、楼4#楼10#楼3.3劳动力组织楼栋人员职责1#楼104人安装、1人打胶、4人搬运、1人复核3#楼4#楼四、施工工艺7. 1工艺流程框上找中线一-洞口找中线及水平标高窗框的定位一-窗框安装固定(上部采用胀栓固定,底部及侧边采用拉片固定)一-窗框顶部及侧边清理并填充发泡剂一-自检一f监理检查*内墙抹灰收口*外墙涂料施工清洁外框窗框外墙打胶*安装玻璃、玻璃、五金一-窗框底部清理并填充发泡剂一-自检一-监理检查一-粘贴窗台板一-打内墙密封胶一-交检查验收。8. 2塑钢门窗安装4.2.1 按设计图纸要求及编号将窗框分发到对应的洞口旁靠墙斜放,经检查其成品窗的功能、质量合格后,在窗框上画出水平、竖直中心

4、线,同时找出洞口中心线,并作好记号。4.2.2 窗框四周安装连接铁片,具体方法是:将连接铁片凸出的一端(或圆头的一瑞)卡固于窗框外侧的燕尾槽内,再用S3.2mm的钻头在连接片螺钉孔处在窗框上钻孔,钻孔以刚好钻穿型材内置钢衬为宜,然后用巾4X20(mm)镀格自攻螺钉将连接片与塑钢框内钢衬锚固在一起,旋转连接片,使长端与窗框成90角。窗框下边严禁打直连接孔。窗框与墙体的连接点设置要求其连接件间距W500mm,距离窗框端头或焊接端口W150mm,严禁将连接件直接固定于框焊接端口处或中横、竖挺的档头处。4.2.3 将已装好连接铁片的窗框送入预留洞口内,然后将连接片的长把端调整在预埋木砖或铁件位置(未预

5、埋的可调整到接触实心砖或混凝土墙体处)。在窗框的上、下框四角及中挺的对应位置用楔形木塞临时将窗框固定,调整窗框和木塞,使窗框上的中心线与洞口中心线对应对准,再按己完成内墙完成面控制窗框进出位置(见后附节点及剖面图),用吊线坠与水平靠尺检查窗框水平度及垂直度,确保窗框横平竖直后再塞紧木塞将窗框完全固定。然后按先上边,再两边最后下边的顺序依次固定连接铁片,连接铁片与墙体的固定方式有:8X70镀锌螺钉配胶膨胀套固定(墙体为实心砖或混凝土)。固定连接件时,严禁直接在砖缝处固定连接铁片。若采用射钉固定,墙体必须为混凝土墙,禁止在砖墙上采用射钉固定)。4.2.4 2.4窗框下口与结构面间采用发泡胶填充饱满

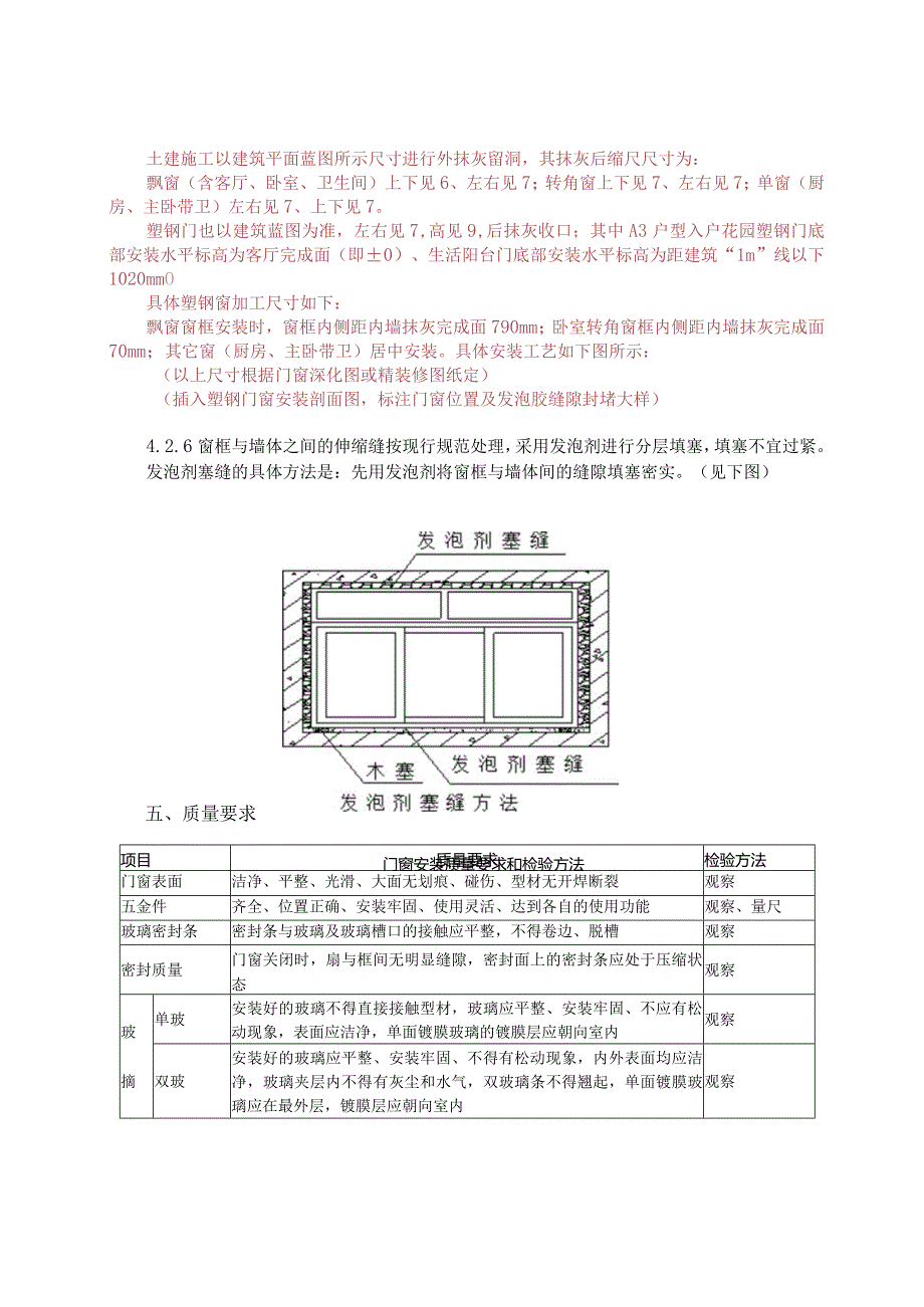
6、。4.2.5 2.5塑钢门窗加工尺寸:土建施工以建筑平面蓝图所示尺寸进行外抹灰留洞,其抹灰后缩尺尺寸为:飘窗(含客厅、卧室、卫生间)上下见6、左右见7;转角窗上下见7、左右见7;单窗(厨房、主卧带卫)左右见7、上下见7。塑钢门也以建筑蓝图为准,左右见7,高见9,后抹灰收口;其中A3户型入户花园塑钢门底部安装水平标高为客厅完成面(即0)、生活阳台门底部安装水平标高为距建筑“1m”线以下1020mmO具体塑钢窗加工尺寸如下:飘窗窗框安装时,窗框内侧距内墙抹灰完成面790mm;卧室转角窗框内侧距内墙抹灰完成面70mm;其它窗(厨房、主卧带卫)居中安装。具体安装工艺如下图所示:(以上尺寸根据门窗深化图

7、或精装修图纸定)(插入塑钢门窗安装剖面图,标注门窗位置及发泡胶缝隙封堵大样)4.2.6窗框与墙体之间的伸缩缝按现行规范处理,采用发泡剂进行分层填塞,填塞不宜过紧。门窗安装质量要求和检验方法发泡剂塞缝的具体方法是:先用发泡剂将窗框与墙体间的缝隙填塞密实。(见下图)项目质量要求检验方法门窗表面洁净、平整、光滑、大面无划痕、碰伤、型材无开焊断裂观察五金件齐全、位置正确、安装牢固、使用灵活、达到各自的使用功能观察、量尺玻璃密封条密封条与玻璃及玻璃槽口的接触应平整,不得卷边、脱槽观察密封质量门窗关闭时,扇与框间无明显缝隙,密封面上的密封条应处于压缩状态观察玻摘单玻安装好的玻璃不得直接接触型材,玻璃应平整

8、、安装牢固、不应有松动现象,表面应洁净,单面镀膜玻璃的镀膜层应朝向室内观察双玻安装好的玻璃应平整、安装牢固、不得有松动现象,内外表面均应洁净,玻璃夹层内不得有灰尘和水气,双玻璃条不得翘起,单面镀膜玻璃应在最外层,镀膜层应朝向室内观察五、质量要求压条带密封条的压条必须与玻璃全部贴紧,压条与型材的接缝处应无明显缝隙,接头缝隙应lmm观察拼橙料应与窗框连接紧密,不得松动,螺钉间距应W500mm,内衬增强型钢两端均应与洞口固定牢靠,拼樟料与窗框间就用嵌缝膏密封观察开关部件平开门窗扇关闭严密、搭接量均匀,开关灵活、密封条不得脱槽。开关力:平较链应8ON,30N滑撑较链应80N观察,弹簧称推拉门窗扇关闭严

9、密,扇与框搭接量符合设计要求,开关力应WooN观察,深度尺,弹簧称旋转窗关闭严密,间隙基本均匀,开关灵活观察框与墙体连接门窗框应横平竖直、高低一致,固定片安装位置应正确,间距应500mmo框与墙体应连接牢固,缝隙内应用弹性材料填嵌饱满,表面用嵌缝膏密封,无裂缝。填塞材料与方法应符合本规程第三章第二节的相关要求。观察排水孔畅通,位置正确观察门窗安装的允许偏差项目允许偏差(mm)检验方法门窗框两对角线长度差2000mm3.0用3m钢卷尺检查,量内角2000mm5.0门窗框(含拼橙料)正、侧面的垂直度2000mm3.0门窗框(含拼樟料)正、侧面的水平度2000mm平开门(窗)及推拉窗3.0推拉门2.

10、5门窗下横框的标高5.0用钢板尺检查,与基准线比较双层门窗内外框、框(含拼橙料)中心距4.0用钢板尺检查门窗竖向偏离中心5.0用线坠、钢板尺检查平开门窗门扇与框搭接宽度+2.5用深度尺或钢板尺检查同樟门窗相邻扇的横角高度差2.0用拉线或钢板尺检查门窗框较链部位的配合间隔C+2.0-1.0用楔形塞尺检查推拉门窗门扇与框搭接宽度1.5-3.5用深度尺或钢板尺检查门窗扇与框或相邻扇立边平行度2.0用Im钢板尺检查六、成品保护6.1塑钢门窗运输时应妥善捆扎,橙与橙之间用非金属软质材料隔垫开,吊运时选择牢靠平稳的着力点,防止门窗相互磨损、挤压扭曲变形,损坏附件;运输的车辆必须清洁、干燥、且其他污物、杂物

11、,接触产品的车厢应光滑平整、无尖角;搬运过程中,吊运装卸时,要轻拿轻放,严防产品碰撞6.2当塑钢门窗运至施工现场后,材料管理人员应按照运输清单上的标识对塑钢门窗进行数量,规格及装饰面质量验收,并及时填写验收清单,对不合格品做清点记录并运输返回。6.3塑钢门窗进入施工现场后应存放临时库房内,并严禁与水泥及酸、碱性材料一起存放,以防止半成品受腐蚀、污染。在室内竖直排放,产品不能接触地面,底部用枕木垫平高于地面IOomm以上,室内应清洁、干燥、通风6.4塑钢门窗框安装前应检查保护膜是否完整,以免水泥砂浆直接与塑钢门窗表面接触,产生电化学反应,腐蚀塑钢门窗。安装时要轻拿轻放,防止损坏和刮花成品(半成品

12、);修整门窗时不能硬撬,以免损坏扇料和五金。6.5塑钢门窗装入洞口临时固定后,应检查四周边框和中间框架是否用规定的保护胶纸和塑料薄膜封贴包扎好,再进行门窗框与墙体之间缝隙的填嵌和洞口墙体表面装饰施工,以防止水泥砂浆、灰水、喷涂材料等污染损坏塑钢门窗表面。6.6已装门窗框、扇的洞口,不得再作运料通道。如必须用作运料通道时,必须做好保护措施,如门窗框的上槛及两侧用胶带纸、薄膜保护好,下槛用九夹板制成马蹄形盖板保护。经常出入的门洞口,应及时采取措施,如钉木板或橡皮条将门框保护好,严禁擦碰铝门窗产品,防止铝门窗变形损坏。6. 7严禁施工人员踩踏塑钢门窗;严禁在门窗框、扇上安装脚手架,外脚手架不得顶压在

13、门窗框上;禁止蹬踩窗框、窗扇或窗撑;严禁在门窗框底面上不要放置重物或搭架;严禁在门窗框、扇上悬挂重物;严禁将窗框、窗扇做为架子的支点使用,防止脚手板搬动时砸碰和损坏门窗框、扇。7. 8凡安装完楼层,应派专人看管维护,每日应按时开关门窗,尤其是刮风天,更应注意,防止刮风使门窗撞击受损及损坏玻璃。七、安全环保与绿色施工措施7.1在施工过程中,保护好现场的一切成品及半成品物料及设施。7. 2各工序交错作业时,先与相关专业工种管理人员进行技术交流和交底。衔接好施工顺序及施工注意事项,然后将现入现场的物料及设施进行书面的交接手续,实行谁接手谁负责的办法。确保各方成品做到有效保护。7. 3每道工序完成后,经自检合格后书面向现场监理报验,经监理检查合格后方进行下道工序。8. 4服从项目一切安全、文明管理制度及现场整个施工进度计划要求。7.5外窗框安装完成后(安装玻璃前),外窗位置必须设置临边防护。交底审核人交底人土建工程师质检员交底时间作业队接受交底人班组长质检员接受交底时间

展开阅读全文
相关资源
猜你喜欢
相关搜索

当前位置:首页 > 建筑/环境 > 设计及方案

copyright@ 2008-2023 1wenmi网站版权所有

经营许可证编号:宁ICP备2022001189号-1

本站为文档C2C交易模式,即用户上传的文档直接被用户下载,本站只是中间服务平台,本站所有文档下载所得的收益归上传人(含作者)所有。第壹文秘仅提供信息存储空间,仅对用户上传内容的表现方式做保护处理,对上载内容本身不做任何修改或编辑。若文档所含内容侵犯了您的版权或隐私,请立即通知第壹文秘网,我们立即给予删除!