阳极铜(粗铜)火法冶炼企业清洁生产评价指标、评价基准值及权重值表.docx

上传人:p** 文档编号:939449 上传时间:2024-04-21 格式:DOCX 页数:13 大小:63.16KB
下载 相关 举报
阳极铜(粗铜)火法冶炼企业清洁生产评价指标、评价基准值及权重值表.docx_第1页
第1页 / 共13页
阳极铜(粗铜)火法冶炼企业清洁生产评价指标、评价基准值及权重值表.docx_第2页
第2页 / 共13页
阳极铜(粗铜)火法冶炼企业清洁生产评价指标、评价基准值及权重值表.docx_第3页
第3页 / 共13页
阳极铜(粗铜)火法冶炼企业清洁生产评价指标、评价基准值及权重值表.docx_第4页
第4页 / 共13页
阳极铜(粗铜)火法冶炼企业清洁生产评价指标、评价基准值及权重值表.docx_第5页
第5页 / 共13页
阳极铜(粗铜)火法冶炼企业清洁生产评价指标、评价基准值及权重值表.docx_第6页
第6页 / 共13页
阳极铜(粗铜)火法冶炼企业清洁生产评价指标、评价基准值及权重值表.docx_第7页
第7页 / 共13页
阳极铜(粗铜)火法冶炼企业清洁生产评价指标、评价基准值及权重值表.docx_第8页
第8页 / 共13页
阳极铜(粗铜)火法冶炼企业清洁生产评价指标、评价基准值及权重值表.docx_第9页
第9页 / 共13页
阳极铜(粗铜)火法冶炼企业清洁生产评价指标、评价基准值及权重值表.docx_第10页
第10页 / 共13页
亲,该文档总共13页,到这儿已超出免费预览范围,如果喜欢就下载吧!
资源描述

《阳极铜(粗铜)火法冶炼企业清洁生产评价指标、评价基准值及权重值表.docx》由会员分享,可在线阅读,更多相关《阳极铜(粗铜)火法冶炼企业清洁生产评价指标、评价基准值及权重值表.docx(13页珍藏版)》请在第壹文秘上搜索。

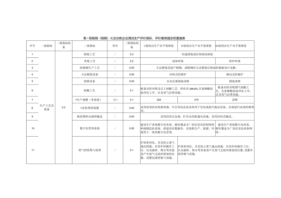
1、表1阳极铜(粗铜)火法冶炼企业清洁生产评价指标、评价基准值及权重值表序号一级指标一级指标权重二级指标单位二级指标权重I级清洁生产水平基准值II级清洁生产水平基准值III级清洁生产水平基准值1生产工艺及装备0.2熔炼工艺/0.2闪速熔炼或宣氧熔池熔炼2吹炼工艺/0.2连续吹炼转炉吹炼3阳极铜生产工艺/0.05火法精炼直接产精铜,或粗铜经火法精炼后铸成阳极板再行电解。4火法精炼设备/0.05回转式阳极炉倾动式阳极炉5浇铸设备/0.05自动定量圆盘浇铸圆盘浇铸6制酸工艺/0.1配备双转双吸及以上制酸工艺,转化率299.8%,具备稀酸洗涤净化工序,以及尾气治理设施。配备双转双吸烟气制酸工艺,具备稀酸洗

2、涤净化工序,以及尾气治理设施。7*生产规模(单系统)万I0.12252152108*余热利用装置/0.05采用高效的余热换热器,中压等高品质余热用于发电或蒸汽拖动设备,实现蒸汽高效阶梯利用。9粉状物料仓储和输送/0.05采用封闭式仓储,贮存仓库配通风设施,采用封闭式输送。10数字化管理系统/0.05建设生产系统数字化体系,拥有覆盖全厂的信息化控制网络和视频监控系统,搭建实时数据库,实现集生产、能源、环境等于一体的数字化管理。建设生产系统数字化体系,拥有覆盖全厂的信息化控制网络。11废气的收集与处理/0.1炉体密闭化,具有防止废气逸出措施。在窑炉的操作工位,以及破碎、筛分等其他易产生废气无组织排

3、放的位置,设置包围型集气设施。炉体密闭化,具有防止废气逸出措施。在窑炉的操作工位,以及破碎、筛分等其他易产生废气无组织排放的位置,设置外部型集气设施。序号一级指标一级指标权重二级指标单位二级指标权重I级清洁生产水平基准值II级清洁生产水平基准值III级清洁生产水平基准值1213能源消耗0.1*单位产品综合能耗kgce/t(阳极铜)kgce(粗铜)0.50.5125100I4O12523517514水资源消耗0.05*单位产品新鲜水耗m3t(阳极铜)0.510121615*工业用水循环利用率%0.5298.529816原/辅料消耗0.05铜精矿/0.5达到YS/T318标准三级品要求的铜精矿N8

4、0%达到YS/T318标准四级品要求的铜精矿N90%达到YS/T318标准五级品要求及以上17单位产品耐火材料消耗kg(阳极铜)0.510204O18资源综合利用0.1铜冶炼综合回收率%0.4N98.5N989719*硫回收率%0.3298.5298297.520一般工业固体废物综合利用率%0.39529028521污染物产生与排放0.2废水*单位产品废水产生量mVt(阳极铜)0.0310203022*单位产品废水排放量m3t(阳极铜)0.0412423单位产品化学需氧量产生量g(阳极铜)0.0312003000600024*单位产品化学需氧量排放量g/t(阳极铜)0.Q4301(X)W200

5、25单位产品氨氮产生量g/t(阳极铜)0.0310409026*单位产品氨氮排放量g/t(阳极铜)0.043102027单位产品珅产生量g/t(阳极铜)0.03W8W2035序号一级指标一级指标权重二级指标单位二级指标权重I级清洁生产水平基准值II级清洁生产水平基准值III级清洁生产水平基准值28*单位产品碑排放量g/t(阳极铜)0.040,21.02.029单位产品铅产生量g/t(阳极铜)0.03W6153030*单位产品船排放量g/t(阳极铜)0.040.21.02,031单位产品镉产生量g/t(阳极铜)0.031.04.08.032*单位产品镉排放量g/t(阳极铜)0.040.050.1

6、0,233单位产品汞产生量g/t(阳极铜)0.030.050,20.434*单位产品汞排放量g/t(阳极铜)0.040.01W0.05WO.135单位产品铜产生量g/t(阳极铜)0.036204036*单位产品铜排放量研(阳极铜)0.040.05030.837废气单位产品二氧化硫产生量(制酸后)kg(阳极铜)0.035.07.08.()38*单位产品二氧化硫排放量kg(阳极铜)0.042.03.04.039单位产品氮氧化物产生量kg(阳极铜)0.031.0L2L540*单位产品毓氧化物排放量kg/t(阳极铜)0.040.60.81.041单位产品颗粒物产生量kg(阳极铜)0.035.07.51

7、0.042*单位产品颗粒物排放量kg/t(阳极铜)0.040.60.81.0序号一级指标一级指标权重二级指标单位二级指标权重I级清洁生产水平基准值II级清洁生产水平基准值III级清洁生产水平基准值43单位产品碑产生量g/t(阳极铜)0.0325609044单位产品础排放量g/t(阳极铜)0.04L53.05.045单位产品铅产生量g/t(阳极铜)0.03153O5046*单位产品铅排放量g/t(阳极铜)0.042.0GB24789三级计量配备要求。序号一级指标一级指标权重二级指标单位二级指标权重I级清洁生产水平基准值II级清洁生产水平基准值III级清洁生产水平基准值63*固体废物处理处置/0.

8、1通过当地环保主管部门组织的危险废物规范化管理考核,综合评估结果为“达标按照GB18599相关规定对暂时不利用或者不能利用的一般工业固体废物进行贮存或处置。64土壤污染隐患排查/0.1属于土壤污染重点监管单位的企业应参照国家有关技术规范,建立土壤污染隐患排查制度,保证持续有效防止有毒有害物质渗漏、流失、扬散。65运输方式Z0.05物料公路运输和厂内运输车辆全部使用达到国五及以上排放标准的重型载货车辆(含燃气)或新能源汽车;厂内非道路移动机械全部达到国三及以上排放标准或使用新能源机械。物料公路运输和厂内运输车辆全部使用达到国五及以上排放标准的重型载货乍辆(含燃气),或新能源汽车比例不低于70%,其他车辆达到国四排放标准;厂内非道路移动机械全部达到国三

展开阅读全文
相关资源
猜你喜欢
相关搜索

当前位置:首页 > 通信/电子 > 电子设计

copyright@ 2008-2023 1wenmi网站版权所有

经营许可证编号:宁ICP备2022001189号-1

本站为文档C2C交易模式,即用户上传的文档直接被用户下载,本站只是中间服务平台,本站所有文档下载所得的收益归上传人(含作者)所有。第壹文秘仅提供信息存储空间,仅对用户上传内容的表现方式做保护处理,对上载内容本身不做任何修改或编辑。若文档所含内容侵犯了您的版权或隐私,请立即通知第壹文秘网,我们立即给予删除!