某机场站临建工程主要材料计划.docx

上传人:p** 文档编号:94334 上传时间:2022-12-21 格式:DOCX 页数:10 大小:189.42KB
下载 相关 举报
某机场站临建工程主要材料计划.docx_第1页
第1页 / 共10页
某机场站临建工程主要材料计划.docx_第2页
第2页 / 共10页
某机场站临建工程主要材料计划.docx_第3页
第3页 / 共10页
某机场站临建工程主要材料计划.docx_第4页
第4页 / 共10页
某机场站临建工程主要材料计划.docx_第5页
第5页 / 共10页
某机场站临建工程主要材料计划.docx_第6页
第6页 / 共10页
某机场站临建工程主要材料计划.docx_第7页
第7页 / 共10页
某机场站临建工程主要材料计划.docx_第8页
第8页 / 共10页
某机场站临建工程主要材料计划.docx_第9页
第9页 / 共10页
某机场站临建工程主要材料计划.docx_第10页
第10页 / 共10页
亲,该文档总共10页,全部预览完了,如果喜欢就下载吧!
资源描述

《某机场站临建工程主要材料计划.docx》由会员分享,可在线阅读,更多相关《某机场站临建工程主要材料计划.docx(10页珍藏版)》请在第壹文秘上搜索。

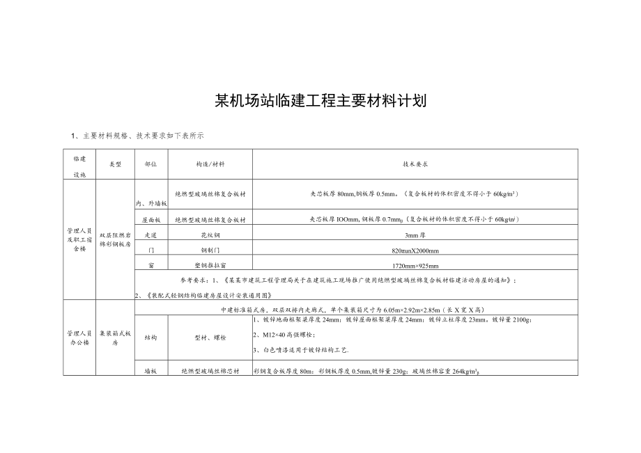
1、某机场站临建工程主要材料计划1、主要材料规格、技术要求如下表所示临建设施类型部位构造/材料技术要求管理人员及职工宿舍楼双层阻燃岩棉彩钢板房内、外墙板绝燃型玻璃丝棉复合板材夹芯板厚80mm,钢板厚0.5mm。(复合板材的体积密度不得小于60kgm3)屋面板绝燃型玻璃丝棉复合板材夹芯板厚IOOmm,钢板厚0.7mm(复合板材的体积密度不得小于60kgnj)走道花纹钢3mm厚门钢制门820unX2000mm窗塑钢推拉窗1720mm925mm参考要求:1、某某市建筑工程管理局关于在建筑施工现场推广使用绝燃型玻璃丝棉复合板材临建活动房屋的通知;2、装配式轻钢结构临建房屋设计安装通用图管理人员办公楼集装箱

2、式板房中建标准箱式房,双层双排内走廊式,单个集装箱尺寸为6.05m2.92m2.85m(长X宽X高)结构型材、螺栓1、镀锌地面框架梁厚度24mm;镀锌屋面框架梁厚度24mm;镀锌立柱厚度23mm。镀锌量2100g;2、M1240高强螺栓;3、白色喷漆适用于镀锌结构工艺.墙板绝燃型玻璃丝棉芯材彩钢复合板厚度80m:彩钢板厚度0.5mm,镀锌量230g;玻璃丝棉容重264kgm3临建设施类型部位构造/材料技术要求屋面屋面瓦彩钢瓦楞屋面瓦厚度207mm,双面镀锌N80g:保温材料玻璃丝棉厚度210Omm,容重214kgm3;吊顶彩钢单板厚度20.5mm;地面底面板彩钢单板厚度20.3mm;保温材料玻

3、璃丝棉厚度210Omm.容重214kgm3;结构板水泥板厚度219mm;地面处理环保型橡胶地板,厚度22mm;门外门钢质门,尺寸云W850XH2000mm,含门锁、门挡;窗户PVC外框.双玻推拉窗尺寸:W650mmXH1100mm1槿(前),町50OmmXHIIOoMnI槿(后);双玻(5+9+5)中空钢化带防盗网带纱窗;装饰内装饰角彩钢压型件厚度20.7mm;电气灯双管日光灯2套.,36WX2个;插座普通五孔插座2个、空调插座一个;开关单键开关,1个;配电箱配电箱,1个;工业插头工业插头,3P32A;封闭围挡工具式彩色喷塑钢板围挡墙培板钢板钢板厚度0.8mm,高度为2m,每块钢板的宽度为0.

4、10m;每三块钢板底部设一道短角钢支撑。连杆48X3.5mm钢管、专用卡扣墙板背面用钢管、专用卡扣等部件将9块钢板连结组合成一块整体墙板,墙板上下端沿口采用厚度3mm、断面宽36mm槽钢压条,将钢板依次滑入槽中,墙板与墙板之间应设置钢柱,上下槽钢压条与钢柱用螺栓连接,墙板侧边靠紧钢柱。临建设施类型部位构造/材料技术要求钢柱截面为1OOmm1OOmm3mm方管钢,高2.03m钢柱底板采用厚度不小于5mm、240mm240mm钢板,在钢柱顶部下约0.6m处加设40un40mm3mm角钢斜撑,钢柱底板四角与斜撑底部应采用膨胀螺栓与预埋混凝土柱基础连接固定,混凝土柱基础埋地深度不应小于0.4m墙体基础

5、砌体及混凝土基础高度不低于0.2m,宽度不小于0.24m美化墙板统一使用白灰色,立柱统一使用浅灰色,一律不得擅自使用其它颜色。在2根钢柱间装设平均不少于2块经过美化的钢板,美化的钢板由生产厂家梃供。参考要求:1、某某市城乡建设委员会关于加强建筑施工现场彩色喷塑钢板围挡墙使用管理的通知2、某某市施工现场安全文明施工精细化管理规范铁艺棚栏1.8m高铁艺栅栏立柱镀锌方钢80m80mm3mm.每2m设一道(一个单元);立杆镀锌方钢25nuX253mm,每150mm设道;横杆镀锌方钢40mm40m3mm,共三道;2、图示说明2.1工具式彩色喷塑钢板围挡墙图2-1围挡背侧固定联接图2-2钢柱基础固定效果图

6、图2-3每三块墙板下部设一道短角钢支撑2.2双层阻燃岩棉彩钢板房i=一i-I=1邃接吗八AHAAAIAIl-I_I1.!-u.1J1选堂-fi-.IU-j-4-5QmmC20MtiUti2Q20I21006300引7湖吃”组合板房立面图1:125JJ组合板房剖面图1:125其余组合式板房规格布置详见附件某某新机场临建全套招标用。3、主要物资计划序号物资名称规格数量用途备注1集装箱式板房6.05m*2.95m*2.86m2栋,共计80间1#、2#办公楼80间含卫生间、楼梯间、门厅2栋,共计40问A#、B#管理人员宿舍楼80间含卫生间、淋浴间2双层彩钢板房3.6m*6.3m19栋,共8620m2宿舍楼等各楼栋详见施工图纸3彩色喷塑钢板围挡墙2000mm*400mm*0.8mm900m封闭围挡4铁艺栅栏1.8m高94m分区隔离其中含三个铁艺大门(大门共Iom长)5预制混凝土地砖400mm*800mm*100mm4300m2地面硬化取消使用6广场砖300m边长,六角形砖6700m2硬化地面7透水砖300边长,六角形透水砖2000m2停车区域8钢结构建筑2400m2(暂定)会议室、工人餐厅9混凝土C20750m3板房地面,围挡基础10页岩砖240mm*115mn*53900n47.7万块临建基础未含砖混结构11砂子2IOOmj12水泥32.5IlOOt13绿化2540m2

展开阅读全文
相关资源
猜你喜欢
相关搜索

当前位置:首页 > 建筑/环境 > 施工组织

copyright@ 2008-2023 1wenmi网站版权所有

经营许可证编号:宁ICP备2022001189号-1

本站为文档C2C交易模式,即用户上传的文档直接被用户下载,本站只是中间服务平台,本站所有文档下载所得的收益归上传人(含作者)所有。第壹文秘仅提供信息存储空间,仅对用户上传内容的表现方式做保护处理,对上载内容本身不做任何修改或编辑。若文档所含内容侵犯了您的版权或隐私,请立即通知第壹文秘网,我们立即给予删除!