混凝土结构施工图平面整体表示法.ppt

上传人:p** 文档编号:945191 上传时间:2024-05-09 格式:PPT 页数:58 大小:2.18MB
下载 相关 举报
混凝土结构施工图平面整体表示法.ppt_第1页
第1页 / 共58页
混凝土结构施工图平面整体表示法.ppt_第2页
第2页 / 共58页
混凝土结构施工图平面整体表示法.ppt_第3页
第3页 / 共58页
混凝土结构施工图平面整体表示法.ppt_第4页
第4页 / 共58页
混凝土结构施工图平面整体表示法.ppt_第5页
第5页 / 共58页
混凝土结构施工图平面整体表示法.ppt_第6页
第6页 / 共58页
混凝土结构施工图平面整体表示法.ppt_第7页
第7页 / 共58页
混凝土结构施工图平面整体表示法.ppt_第8页
第8页 / 共58页
混凝土结构施工图平面整体表示法.ppt_第9页
第9页 / 共58页
混凝土结构施工图平面整体表示法.ppt_第10页
第10页 / 共58页
亲,该文档总共58页,到这儿已超出免费预览范围,如果喜欢就下载吧!
资源描述

《混凝土结构施工图平面整体表示法.ppt》由会员分享,可在线阅读,更多相关《混凝土结构施工图平面整体表示法.ppt(58页珍藏版)》请在第壹文秘上搜索。

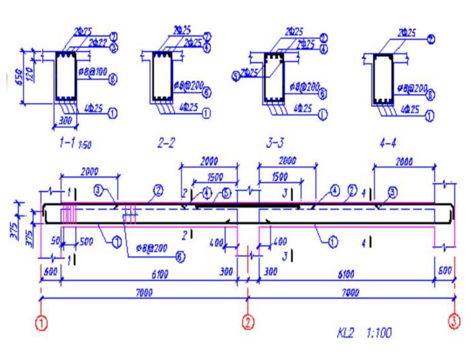
1、 第五节第五节 混凝土结构施工图平面整体表示法混凝土结构施工图平面整体表示法引言引言n结构设计是一种是商品,有使用价值和价值,结构设计是一种是商品,有使用价值和价值,是一种特殊的商品,分为是一种特殊的商品,分为创造性劳动创造性劳动和和重复性重复性劳动,传统的单构件正投影表示方法将创造性劳动,传统的单构件正投影表示方法将创造性劳动和非创造性劳动混在一起,节点内构造和劳动和非创造性劳动混在一起,节点内构造和节点外构造的设计属于重复性劳动(非创造性节点外构造的设计属于重复性劳动(非创造性劳动)。劳动)。n基于此产生了结构标准化、构造标准化的思路,基于此产生了结构标准化、构造标准化的思路,用数字化、符

2、号化的表示方法即用数字化、符号化的表示方法即平面整体表示方平面整体表示方法法表示创造性设计(简称平法)。表示创造性设计(简称平法)。n平面整体设计方法,含平面整体设计方法,含表示方法表示方法和和标准图标准图两两部分。部分。n平法的产生:平法的产生:提高效率提高效率n平法表示平法表示 把结构构件的尺寸和配筋等,按照把结构构件的尺寸和配筋等,按照平面整体表示方法制图规则,整体直接平面整体表示方法制图规则,整体直接表达在各类构件的表达在各类构件的结构平面布置图结构平面布置图上,上,再与标准构造详图相配合,构成的一套再与标准构造详图相配合,构成的一套新型完整的结构设计。新型完整的结构设计。n按按平法设

3、计绘制的施工图,一般由各类结平法设计绘制的施工图,一般由各类结构构件的构构件的平法施工图平法施工图和和标准构造详图标准构造详图两大两大部分构成,且在结构平面布置图上直接表部分构成,且在结构平面布置图上直接表示了各构件的尺寸、配筋和所选用的标准示了各构件的尺寸、配筋和所选用的标准构造详图。构造详图。标准标准构造详图构造详图:图集图集03G101-1 图集图集03G101-2 图集图集04G101-3 n平法图的尺寸数值表达方式:平法图的尺寸数值表达方式:平面注写方式(梁)平面注写方式(梁)列表注写方式(柱、墙)列表注写方式(柱、墙)截面注写方式(柱、梁)截面注写方式(柱、梁)一、梁的平面整体表示

4、法一、梁的平面整体表示法n梁平法施工图是在梁的结构平面布置图梁平法施工图是在梁的结构平面布置图上,采用上,采用平面注写方式平面注写方式或或截面注写方式截面注写方式表达的梁配筋图表达的梁配筋图。(一)平面注写方式(一)平面注写方式n平面注写方式,系在梁平面布置图上,分别在平面注写方式,系在梁平面布置图上,分别在不同编号的梁中各选一根梁,在其上注写梁的不同编号的梁中各选一根梁,在其上注写梁的截面尺寸和配筋的具体数值,平面注写包括截面尺寸和配筋的具体数值,平面注写包括集集中标注中标注和和原位标注原位标注。n集中标注集中标注表达梁的表达梁的通用数值,原位标注通用数值,原位标注表达梁表达梁的的特殊数值。

5、特殊数值。n当集中标注中的某项数值不适用于梁的某部位当集中标注中的某项数值不适用于梁的某部位时,则将该项数值用原位标注。使用时,时,则将该项数值用原位标注。使用时,原位原位标注取值优先。标注取值优先。A、集中、集中标注标注n集中标注可从梁的任意一跨引出。集中集中标注可从梁的任意一跨引出。集中标注的内容,包括标注的内容,包括五项五项必注值和一项选必注值和一项选注值注值。梁编号梁编号 截面尺寸截面尺寸 梁箍筋梁箍筋 梁上部通长筋或架立筋配置梁上部通长筋或架立筋配置 梁侧面纵向构造钢筋或受扭钢筋配置梁侧面纵向构造钢筋或受扭钢筋配置 梁顶面标高高差(选注值)梁顶面标高高差(选注值)1 1、梁编号、梁编

6、号 梁编号由梁类型、代号、序号、跨数及有无梁编号由梁类型、代号、序号、跨数及有无悬挑几项组成。悬挑几项组成。注:(注:(A A)为一端悬挑,()为一端悬挑,(B B)为两端悬)为两端悬挑,悬挑不计入跨数。挑,悬挑不计入跨数。例:例:KL2KL2(2A2A)表示第)表示第2 2号框架梁,号框架梁,2 2跨,一端悬挑;跨,一端悬挑;L9L9(7B7B)表示第)表示第9 9号非框架梁,号非框架梁,7 7跨,两端有悬跨,两端有悬 挑。挑。梁类型梁类型代号代号序号序号跨数及是否带有悬挑跨数及是否带有悬挑楼层框架梁楼层框架梁KLX X(X X)、(X X A)或或(X X B)屋面框架梁屋面框架梁WKLX

7、 X(X X)、(X X A)或或(X X B)框支架框支架KZLX X(X X)、(X X A)或或(X X B)非框架梁非框架梁LX X(X X)、(X X A)或或(X X B)悬挑梁悬挑梁XLX X井字梁井字梁JZLX X(X X)、(X X A)或或(X X B)n等截面梁用等截面梁用b bh h表示表示(b(b是梁宽,是梁宽,h h是梁高是梁高);n加腋梁用加腋梁用 b bh h、Yc1Yc1c c2 2表示表示 (其中(其中 c1 c1 为腋长,为腋长,c2c2为腋高);为腋高);n悬挑梁当根部和端部不同时,悬挑梁当根部和端部不同时,b bh1/h2h1/h2表示表示 (其中(其

8、中h1h1为根部高,为根部高,h2h2为端部高)。为端部高)。2、梁截面尺寸。、梁截面尺寸。悬挑梁不等高截面尺寸注写示意悬挑梁不等高截面尺寸注写示意加腋梁截面尺寸注写示意加腋梁截面尺寸注写示意3、梁箍筋。、梁箍筋。n包括钢筋级别、直径、加密区与非加密区间距及肢包括钢筋级别、直径、加密区与非加密区间距及肢数。数。n箍筋加密区与非加密区的不同间距及肢数需用斜线箍筋加密区与非加密区的不同间距及肢数需用斜线“/”分隔,箍筋肢数写在括号内。分隔,箍筋肢数写在括号内。n箍筋加密区长度按相应抗震等级的标准构造详图采箍筋加密区长度按相应抗震等级的标准构造详图采用用。例例10100/200(2)表示)表示级钢筋

9、、直径级钢筋、直径10mm、加密区间距、加密区间距100mm、非加密区间距、非加密区间距200mm,均为双肢箍;,均为双肢箍;13 10150/200(4)表示)表示级钢筋,级钢筋,直径直径10mm,梁的两端各有,梁的两端各有13个四肢箍,间距个四肢箍,间距150mm,梁的中部间距,梁的中部间距200mm,四肢箍;,四肢箍;8100(4)/150(2)表示)表示级钢筋、直径级钢筋、直径8mm、加密区间距、加密区间距100mm为四肢箍、非加密区为四肢箍、非加密区间距间距150mm为双肢箍。为双肢箍。n所注规格及根数应根据结构受力要求及箍筋肢数等所注规格及根数应根据结构受力要求及箍筋肢数等构造要求

10、而定。构造要求而定。n当同排纵筋中既有通长筋又有架立筋时,应用加号当同排纵筋中既有通长筋又有架立筋时,应用加号“+”将将通长筋通长筋和和架立筋架立筋相联。注写时须将角部纵相联。注写时须将角部纵筋写在加号的前面,架立筋写在加号后面的括号内,筋写在加号的前面,架立筋写在加号后面的括号内,以示不同直径及与通长筋的区别。以示不同直径及与通长筋的区别。4、梁上部通长筋或架立筋配置、梁上部通长筋或架立筋配置例例2 22用于双肢箍;用于双肢箍;2 22+(4 12)用于)用于6肢箍,肢箍,其中其中2 22为通长筋,为通长筋,4 12为架立筋。为架立筋。当梁的上部纵筋和下部纵筋均为全跨相当梁的上部纵筋和下部纵

11、筋均为全跨相同,且多数跨配筋相同时,可加注下部纵筋同,且多数跨配筋相同时,可加注下部纵筋的配筋值,用分号的配筋值,用分号“;”将上部与下部纵筋将上部与下部纵筋的配筋值分隔。的配筋值分隔。例例2 2 1414;3 3 1818表示梁的上部配置表示梁的上部配置2 2 1414的通长筋,下部配置的通长筋,下部配置3 3 1818的通长筋的通长筋5、梁侧面纵向构造钢筋或受扭钢、梁侧面纵向构造钢筋或受扭钢筋配置筋配置n当梁腹板高度当梁腹板高度hw450mm时,须配置符合规时,须配置符合规范规定的纵向构造钢筋。此项注写值以大写字范规定的纵向构造钢筋。此项注写值以大写字母母G打头,接续注写设置在梁两个侧面的

12、总配筋打头,接续注写设置在梁两个侧面的总配筋值,且值,且对称配置对称配置。n当梁侧面需配置受扭纵向钢筋时,此项注写值当梁侧面需配置受扭纵向钢筋时,此项注写值以大写字母以大写字母N打头,接续注写配置在梁两个侧面打头,接续注写配置在梁两个侧面的总配筋值,且对称配置。的总配筋值,且对称配置。例例G4 12,表示梁的两个侧面共配置,表示梁的两个侧面共配置4 12的纵向构造钢筋,两侧各配置的纵向构造钢筋,两侧各配置2 12。例例N6 18,表示梁的两个侧面共配置,表示梁的两个侧面共配置618的受扭纵向钢筋,两侧各配置的受扭纵向钢筋,两侧各配置3 18。当配置受扭纵向钢筋时,不再重复配置纵当配置受扭纵向钢

13、筋时,不再重复配置纵向构造钢筋,但此时受扭纵向钢筋应满足规范向构造钢筋,但此时受扭纵向钢筋应满足规范对梁侧面纵向构造钢筋的间距要求。对梁侧面纵向构造钢筋的间距要求。6、梁顶面标高高差此项为选注值、梁顶面标高高差此项为选注值 当梁顶面标高不同于结构层楼面标当梁顶面标高不同于结构层楼面标高时,需要将梁顶面标高相对于结构层高时,需要将梁顶面标高相对于结构层楼面标高的高差值注写在括号内,无高楼面标高的高差值注写在括号内,无高差时不注。高于楼面为正值差时不注。高于楼面为正值(+),低,低于楼面为负值于楼面为负值(-)B、原位、原位标注标注n原位标注的内容包括:原位标注的内容包括:梁支座上部纵筋梁支座上部

14、纵筋 梁下部纵筋梁下部纵筋 附加箍筋或吊筋附加箍筋或吊筋。1、梁支座上部纵筋、梁支座上部纵筋n原位标注的梁支座上部纵筋应为包括集中标原位标注的梁支座上部纵筋应为包括集中标注的通长筋在内的所有钢筋。注的通长筋在内的所有钢筋。n多于一排时,用斜线多于一排时,用斜线“/”将各排纵筋自上而将各排纵筋自上而下分开;下分开;n同排纵筋有两种直径时,用加号同排纵筋有两种直径时,用加号“+”将两将两种直径的纵筋相联,且角部纵筋写在前面种直径的纵筋相联,且角部纵筋写在前面n当梁中间支座两边的上部纵筋相同时,仅在当梁中间支座两边的上部纵筋相同时,仅在支座的一边标注配筋值;否则,须在两边分支座的一边标注配筋值;否则

15、,须在两边分别标注别标注例例6 25 4/2表示支座上部纵筋共两排,表示支座上部纵筋共两排,上排上排4 25,下排,下排2 25;2 25+2 22表示支座上部纵筋共四根表示支座上部纵筋共四根一排放置,其中角部一排放置,其中角部2 25,中间,中间2 22;n与上部纵筋标注类似,多于一排时,用斜线与上部纵筋标注类似,多于一排时,用斜线“/”将各排纵筋自上而下分开。同排纵筋有将各排纵筋自上而下分开。同排纵筋有两种不同直径时,用加号两种不同直径时,用加号“+”将两种直径将两种直径的纵筋相联,且角部纵筋写在前面。的纵筋相联,且角部纵筋写在前面。2、梁下部纵筋、梁下部纵筋例例6 25 2/4表示下部纵

16、筋共两排,上表示下部纵筋共两排,上排排2 25,下排,下排4 25,全部伸入支座。,全部伸入支座。当梁下部纵筋不全伸入支座时,将梁支座当梁下部纵筋不全伸入支座时,将梁支座下部纵筋减少的数量写在括号内。下部纵筋减少的数量写在括号内。例例6 25 2()()/4表示上排纵筋表示上排纵筋2 25,不伸入支座,下排纵筋,不伸入支座,下排纵筋4 25,全部伸入支座。全部伸入支座。3、附加箍筋或吊筋附加箍筋或吊筋n直接画在平面图中的主梁上,用线引注直接画在平面图中的主梁上,用线引注总配筋总配筋值。附加箍筋的肢数注在括号内。值。附加箍筋的肢数注在括号内。当多数附加箍筋或吊筋相同时,可在当多数附加箍筋或吊筋相同时,可在图中统一说明,少数与统一说明不一致者,图中统一说明,少数与统一说明不一致者,再原位引注再原位引注 系在梁平面布置图上,分别在不同编号的系在梁平面布置图上,分别在不同编号的梁中各选择一根梁,用剖面号引出配筋图,并梁中各选择一根梁,用剖面号引出配筋图,并在其上注写梁的截面尺寸和配筋具体数值的方在其上注写梁的截面尺寸和配筋具体数值的方式来表达梁平法施工图。式来表达梁平法施工图。(二)截面注写方

展开阅读全文
相关资源
猜你喜欢
相关搜索

当前位置:首页 > 管理/人力资源 > 咨询培训

copyright@ 2008-2023 1wenmi网站版权所有

经营许可证编号:宁ICP备2022001189号-1

本站为文档C2C交易模式,即用户上传的文档直接被用户下载,本站只是中间服务平台,本站所有文档下载所得的收益归上传人(含作者)所有。第壹文秘仅提供信息存储空间,仅对用户上传内容的表现方式做保护处理,对上载内容本身不做任何修改或编辑。若文档所含内容侵犯了您的版权或隐私,请立即通知第壹文秘网,我们立即给予删除!