临时用电安全施工方案.doc

上传人:p** 文档编号:946712 上传时间:2024-05-11 格式:DOC 页数:20 大小:161.57KB
下载 相关 举报
临时用电安全施工方案.doc_第1页
第1页 / 共20页
临时用电安全施工方案.doc_第2页
第2页 / 共20页
临时用电安全施工方案.doc_第3页
第3页 / 共20页
临时用电安全施工方案.doc_第4页
第4页 / 共20页
临时用电安全施工方案.doc_第5页
第5页 / 共20页
临时用电安全施工方案.doc_第6页
第6页 / 共20页
临时用电安全施工方案.doc_第7页
第7页 / 共20页
临时用电安全施工方案.doc_第8页
第8页 / 共20页
临时用电安全施工方案.doc_第9页
第9页 / 共20页
临时用电安全施工方案.doc_第10页
第10页 / 共20页
亲,该文档总共20页,到这儿已超出免费预览范围,如果喜欢就下载吧!
资源描述

《临时用电安全施工方案.doc》由会员分享,可在线阅读,更多相关《临时用电安全施工方案.doc(20页珍藏版)》请在第壹文秘上搜索。

1、临时用电安全施工方案第一章 编制依据(1)施工现场临时用电安全技术规范 JGJ46-2005 (2)建筑施工安全检查标准 JGJ59-99(3)建设工程施工现场供用电安全规范GB50194-93(4)供配电系统设计规范GB50052-95(5)低压配电设计规范GB50052-95 (6)建设单位提供的现场电源资料(7)高层建筑给水排水工程2004版(8)某某工程施工组织设计(9)某某工程施工图纸第二章 工程概况本工程为某某有限责任公司某某分公司拟建某某工程,本工程位于某某市某某西路,本工程建筑抗震设防类别为丙类,建筑结构安全等级为二级,框架结构抗震等级为三级,地基基础设计等级为丙级,安全等级为

2、二级,防火等级地上为二级,地下为一级,屋面防水等级为级。本工程建筑面积约20555m2,为18层框架、剪力墙结构,采用筏板基础,建筑物总高度54.95m 。第三章 现场勘探及初期设计3.1 本工程施工现场范围内无上下水管道,无各种埋地管线。现场临时用主变压器由甲方提供,现场设有250KVA.箱式变压器一台。3.2 本设计方案只考虑总箱以下的线路及电器开关的选择。3.3 根据施工现场临时用电安全技术规范JGJ46-2005 规定,本供电系统采用TN-S 系统(三相五线制)供电。第四章 施工临时用电计算第一节 现场施工机具4.1.现场施工机具用电功率统计表:序号机具名称数量Pe(kW)Se(kVA

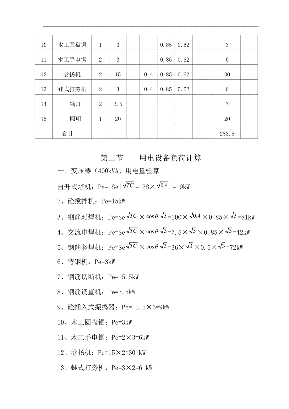
3、)JCPe(kW)总功率(kW)备注1自升式塔机1280.40.850.6284282砼搅拌机27.50.850.7515153钢筋对焊机11000.30.850.621001004交流电焊机17.50.30.850.627.57.55钢筋竖焊机1360.30.51.7336366弯钢机130.850.7537钢筋切断机15.50.850.755.58钢筋调直机17.50.850.757.59插入式振捣器615910木工圆盘锯130.850.62311木工手电锯230.850.62612卷扬机2150.40.850.623013蛙式打夯机230.40.850.62614镝灯23.5715照明1

4、2020合计283.5第二节 用电设备负荷计算一、变压器(400kVA)用电量验算自升式塔机:Pe= Se1= 28 = 9kW2、砼搅拌机:Pe=15kW3、钢筋对焊机:Pe=Se=1000.85=81kW4、交流电焊机:Pe=Se=7.50.85=42kW5、钢筋竖焊机:Pe=Se=360.5=72kW6、弯钢机:Pe=3kW7、钢筋切断机:Pe= 5.5kW8、钢筋调直机:Pe=7.5kW9、砼插入式振捣器:Pe= 1.56=9kW10、木工圆盘锯:Pe=3kW11、木工手电锯:Pe=23=6kW12、卷扬机:Pe=152=30 kW 13、蛙式打夯机:Pe=32=6 kW14、镝灯:P

5、e= 3.52=7kW15、照明:Pe=20kW=283.5kW K=0.5Pj=0.5=141.75kWQjA=141.750.75=106kVARSjA= =177KVA总进户导线截面选择(环境温度40):vlv-1Kv-3120+270(mm2)第五章 主要施工技术措施及施工工艺第一节 接地与接零保护系统1本工程由于用电设备较多,用电量大。为防止在施工中由于共用中性线而使中性线带电,造成触电事故,故本工程采用TN-S三相五线接零保护系统。2TNS三相五线接零保护架设要求保护零线严禁通过任何开关或熔断器。保护零线作为接零保护的专用线,必须独用,不能他用,电缆要用五芯电缆。保护零线除了从工作

6、接地线(变压器)或总配电箱电源侧零线引出外,在任何地方不得与工作零线有电气连接,特别注意电箱中防止经过铁质箱体形成电气连接。保护零线的截面积不小于工作零线的截面积,同时满足机械强度的要求。保护零线的统一标志为黄/绿双色线,在任何情况下不能将其作负荷线用。重复接地在保护零线上。工作零线不能加重复接地(因工作零线加了重复接地,漏电保护器就无法使用)。保护零线除必须在配电室或总配电箱处作重复接地外,还必须在配电线路的中间处及末端做重复接地,配电线路越长,重复接地的作用越明显,为了接地电阻更小,可适当多打接地桩重复接地。第二节 配电室的建造1配电室在临近变压器、进出线方便、无灰尘、无蒸汽、无腐蚀、无震

7、动、不易积水的地方建造。2配电室建造的要求配电室不小于3m2,地坪上应铺设绝缘脚垫,配备绝缘用具和用品。做到“五防一通”,即防火、防雨、防雪、防汛、防小动物和通风良好。室门向外开,有锁,金属门要做接地或接零保护。配电室的天棚距地面不低于3m。配电室内设的值班室距电屏(盘)的距离大于1m,并采取屏障隔离。配电室建筑物的耐火等级不低于3级,室内配置砂箱和绝缘灭火器。灭火器用干粉、CO2等灭火器,严禁使用清水泡沫导电灭火器,灭火器挂于门外。3配电屏(盘)及配电装置四周的安全距离配电屏(盘)正面操作通道宽度,单列布置大于1.5m,双列布置大于2m;后面维护通道宽度大于0.8m;侧面维护通道宽度大于1m

8、。配电装置上端距天棚大于0.5m。配电室内的裸线与地面垂直距离小于2.5m,采用遮栏隔离。4配电屏的安全技术措施成列的配电屏(盘)两端,与重复接地线及保护零线作电气连接。配电屏上各配电线路,编号并标明用途。配电屏装设短路及过负荷保护装置和漏电保护器。配电屏或配电线路维修时,切断电源并悬挂标志牌。配电屏上分设零线桥与保护零线或地线桥;电器进出线带电体不得外露。配电室内的导线优先选用绝缘导线。室内照明从开关上端引出,防止拉闸灭灯。第三节 配电箱与开关箱1本工程临时用电采用TNS 三相五线三级配电两极保护。三级配电指总配电箱、分配电箱、开关箱,动力配电与照明配电分别设置。两极保护指分配电箱和开关箱,

9、均必须经漏电保护开关保护。2配电箱的材质和安置要求配电箱、开关箱采用优质绝缘材料制作,铁板的厚度大于1.5mm。固定式配电箱、开关箱的下底与地面的垂直距离大于1.3m,小于1.5m;移动式配电箱、开关箱的下底与地面的垂直距离大于0.6m,小于1.5m。分配电箱与开关箱的距离未超过30m。开关箱与其控制的固定式用电设备的水平距离不超过3m。配电箱、开关箱装设在干燥、通风及常温场所。配电箱周围有足够二人同时工作的空间和通道,严禁堆放任何妨碍操作及维修工作的物品。配电箱、开关箱有防雨、防尘设施,有门锁。3配电箱开关箱装设的电器要求常规的箱内安装是左大右小,大容量的控制开关和熔断器装设在左面,小容量的

10、开关电器安装在右面。配电箱内的电器,安装在金属或非木质的绝缘安装板上。配电箱、开关箱及其内部开关电器的所有正常不带电的金属部件均作可靠的保护接零。保护接零采用标准的黄/绿双色线及专用接线板连接,与工作零线有明显的区别。配电箱、开关箱电源导线的进出为下进下出。导线的进、出口处,加强绝缘,并将导线卡固。配电箱、开关箱内优先选用铜线。为了保证可靠的电气连接,保护零线采用绝缘铜线。所有配电箱,均标明其名称、用途,并作出分路标记。进入开关箱的电源线,严禁用插销连接。4总配电箱的电器配置与接线本工程用电采用TN S系统。因本工程现场较大,临时线路较多,所以总配电箱应设置漏电保护器(FQ)。总配电箱,装设总

11、隔离开关和分路隔离开关、总熔断器和分路熔断器(或自动开关和分路自动开关);总开关电器的额定值、动作整定值与分路开关电器的额定值、动作整定值适应。总配电箱,装设电压表、总电流表、总电度表及其他仪表。5分配电箱的电器配置与接线。分配电箱的电器配置与接线,与总配电箱的电器配置与接线,以及配电线路相适应。分配电箱,装设总隔离开关、分路隔离开关、总熔断器和分路熔断路(或自动开关和分路自动开关);总开关电器的额定值、动作整定值与分路开关电器的额定值、动作整定值适应。6开关箱的电器配置与接线开关箱的电器配置与接线,与分配电箱的电器配置与接线,以及配电线路相适应。作为施工现场临时用电工程的第一级,也是最主要的

12、防漏电措施,所以开关箱必须设置漏电保护器。每台用电设备,有各自专用的开关箱,实行“一机一闸”制,严禁用同一开关电器直接控制两台或两台以上用电设备(含插座)。开关箱内的开关电器,能在任何情况下都可以使用电设备实行电源隔离。开关箱设置漏电保护器。第四节 漏电保护器1漏电保护器的作用当人员触电时,在尚未达到受伤害的电流和时间内即跳闸断电。若设备线路发生漏电故障,应在人尚未触及时即先跳闸断电,避免设备长期存在隐患,以便及时发现并排除故障(如未排除故障,则无法合闸送电)。可以防止因漏电而引起的火灾或损坏设备等事故。2漏电保护的接线方法漏电保护器,应装设在配电箱电源隔离开关的负荷侧和开关箱电源隔离开关的负

13、荷侧。开关箱内的漏电保护器的额定漏电动作电流应不大于30mA,额定漏电动作时间应小于0.1s。用于潮湿和有腐蚀介质场所的漏电保护器,应采用防溅型产品,其额定漏电动作电流应不大于15mA,额定漏电动作时间应小于0.1s。在干燥环境下工作的36V及36V以下的用电设备,可免装漏电保护器。总配电箱和开关箱中两级漏电保护器的额定漏电动作电流和漏电动作时间,应作合理配合,使之具有分级分段保护功能。漏电保护器,必须按产品说明书安装和使用。对搁置已久又重新启用和连续使用一个月的漏电保护器,应认真检查其特性,发现问题及时修理或更换。第五节 现场照明1照明器使用的环境条件在正常的空气相对湿度时使用,选用开启式照

14、明。在潮湿或特别潮湿的场所,选用密闭型防水防尘照明器或配有防水灯头的开启式照明器。含有大量尘埃但无爆炸和火灾危险的场所,选用防尘照明器。对有爆炸和火灾危险的场所,按危险场所的等级选择相适应的照明器。在振动较大的场所,选择防震型照明器。对有酸碱等强腐蚀场所,采用防腐蚀型照明器。2特殊场合照明器的安全电源电压有高温、导电灰尘和灯具离地低于2.4m等场所的照明,电源电压不得大于36V。在潮湿易触电体及带电体场所的照明电源电压不得大于24V。在特别潮湿的场所、导电良好的地面或金属容器内工作的照明电源电压不得大于12V。3行灯使用要求电源电压不超过36V。灯头与手柄均坚固、绝缘良好并耐热耐潮湿。灯头与灯体结合牢固,灯头上无开关。灯泡外侧有金属保护网。金属

展开阅读全文
相关资源
猜你喜欢
相关搜索

当前位置:首页 > 建筑/环境 > 设计及方案

copyright@ 2008-2023 1wenmi网站版权所有

经营许可证编号:宁ICP备2022001189号-1

本站为文档C2C交易模式,即用户上传的文档直接被用户下载,本站只是中间服务平台,本站所有文档下载所得的收益归上传人(含作者)所有。第壹文秘仅提供信息存储空间,仅对用户上传内容的表现方式做保护处理,对上载内容本身不做任何修改或编辑。若文档所含内容侵犯了您的版权或隐私,请立即通知第壹文秘网,我们立即给予删除!