内墙涂料施工方案.doc

上传人:p** 文档编号:946863 上传时间:2024-05-13 格式:DOC 页数:10 大小:942.89KB
下载 相关 举报
内墙涂料施工方案.doc_第1页
第1页 / 共10页
内墙涂料施工方案.doc_第2页
第2页 / 共10页
内墙涂料施工方案.doc_第3页
第3页 / 共10页
内墙涂料施工方案.doc_第4页
第4页 / 共10页
内墙涂料施工方案.doc_第5页
第5页 / 共10页
内墙涂料施工方案.doc_第6页
第6页 / 共10页
内墙涂料施工方案.doc_第7页
第7页 / 共10页
内墙涂料施工方案.doc_第8页
第8页 / 共10页
内墙涂料施工方案.doc_第9页
第9页 / 共10页
内墙涂料施工方案.doc_第10页
第10页 / 共10页
亲,该文档总共10页,全部预览完了,如果喜欢就下载吧!
资源描述

《内墙涂料施工方案.doc》由会员分享,可在线阅读,更多相关《内墙涂料施工方案.doc(10页珍藏版)》请在第壹文秘上搜索。

1、某某水电站厂房室内装饰维修、改造工程专项施工方案建设单位: 某某水电开发有限责任公司 施工单位: 编制日期: 某某水电站厂房室内装饰维修、改造专项施工方案一、工程概况因某某水电站已建成的厂房EL2723层(发电机层)、厂房EL2717层、厂房EL2707层室内装饰经业主检查后,未达到验收要求,故业主方委托由我施工队负责将原有的装饰面层进行专项维修改造。因现场踏勘发现需处理的墙面高度约在6m至20m不等,且原有地面装饰面层在施工过程中需得到可靠保护,不能破坏,故经我施工方结合现场实际综合考虑后编制本专项施工方案如下:二、施工工序安排 12mm厚木工板垫层双排钢管脚手架搭设埋设12膨胀螺丝拉结脚手

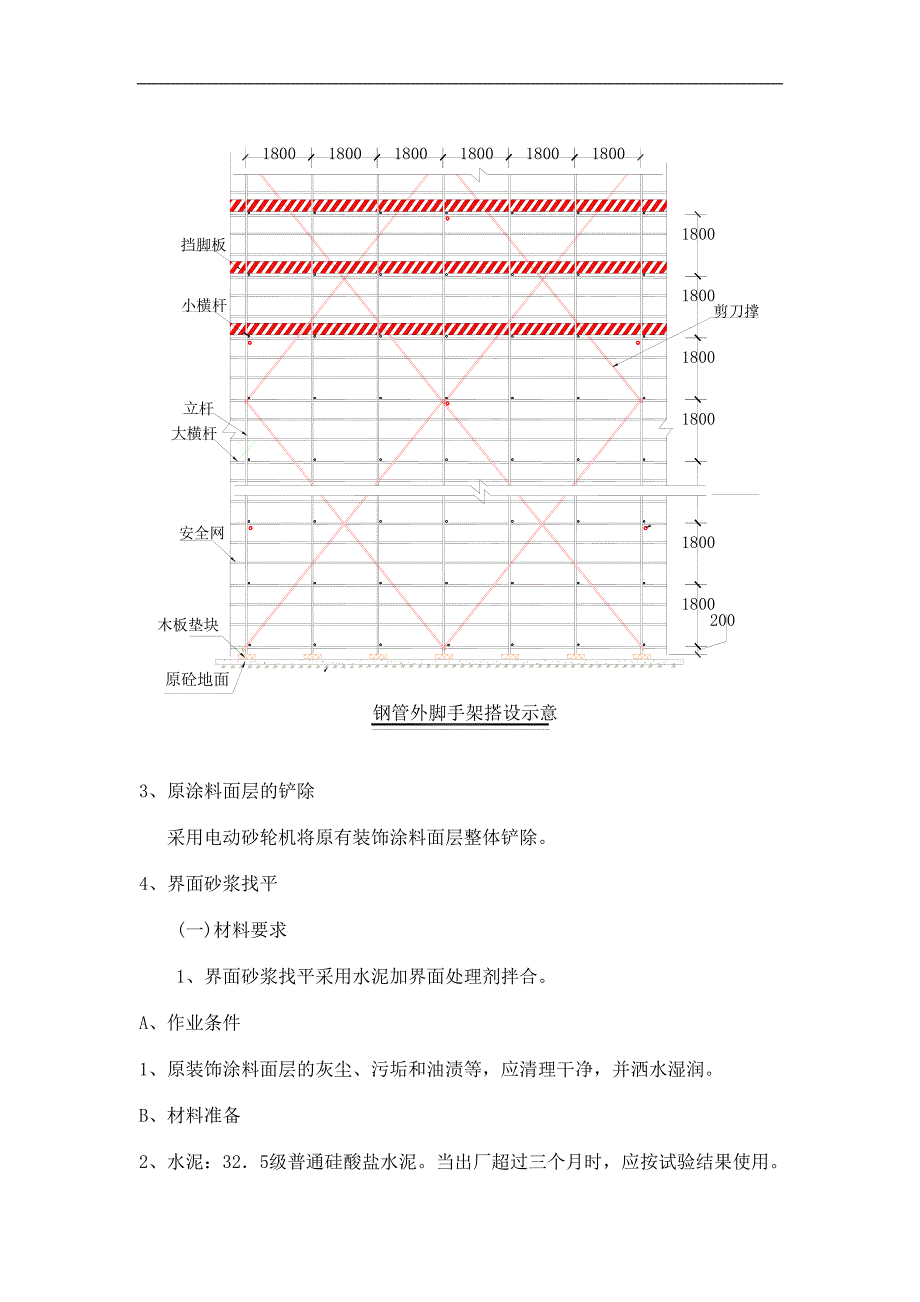
2、架铲除原装饰涂料面层界面处理砂浆找平腻子两遍内墙乳胶漆底漆一遍、面漆二遍拆除脚手架、垫层木工板卫生清理交接验收三、垫层木板及脚手架搭、拆施工方案1、在脚手架搭设前,脚手架底部采用12mm厚木工板满铺以保护原有装饰地面。2、脚手架的搭设施工工艺流程脚手架的搭设顺序是:搭设前的准备工作根据房屋平面形状和立杆间距等要求放线放置纵向扫地杆逐根设立立杆,随即与纵向扫地杆扣牢安装横向扫地杆,并与立杆或纵向扫地杆扣牢安装第一步大横杆(与立杆扣牢)安装第一步小横杆第二步大横杆第二步小横杆加设临时支撑(上端与第二步大横杆扣牢,上装设两道连墙杆后可拆除)第三、第四步大横杆和小横杆按间距3m梅花形埋设12膨胀螺丝和

3、12#镀锌铁丝拉结加固脚手架防止其倾斜加设剪刀撑铺脚手板绑护身栏杆和脚手板。立杆小横杆大横杆 安全网木板垫块原砼地面剪刀撑1800180018001800180018001800180018001800挡脚板钢管外脚手架搭设示意200180018003、原涂料面层的铲除 采用电动砂轮机将原有装饰涂料面层整体铲除。4、界面砂浆找平(一)材料要求1、界面砂浆找平采用水泥加界面处理剂拌合。A、作业条件1、原装饰涂料面层的灰尘、污垢和油渍等,应清理干净,并洒水湿润。B、材料准备2、水泥:325级普通硅酸盐水泥。当出厂超过三个月时,应按试验结果使用。3、砂:中砂,平均粒径035mm05mm,使用前应过5

4、mm孔径的筛子,且不得含有杂质。4、胶粘剂。C、主要机具砂浆搅拌机、5mm及2mm孔径的筛子、大平锹、小平锹、手推车、大桶、灰槽、25m大杆、l5m中杠、2m靠尺板、线坠、铡卷尺、方尺、托灰板、铁抹子、木抹子、八宁靠尺、阴阳抹子、铁水平、长毛刷、钢丝刷、笤帚、胶皮管、小水桶、粉线袋、小白线、錾子(尖头、扁头)、锤子、托线板、工具袋等。(三)操作工艺A、工艺流程B、找规矩分别在门窗口角、垛、墙面等处吊垂直、套方抹灰饼,以灰饼确定灰层厚度。C、基层处理1、原装饰墙面将原墙面上残存的砂浆、污垢、灰尘等清理干净,用水浇墙,将墙面湿润。D、抹底层砂浆抹界面砂浆找平时先薄薄地刮一层,接着装档、找平,再用大

5、杠垂直、水平刮找一遍,用木抹子搓毛。然后全面检查底子灰是否平整,阴阳角是否方正,管道处灰是否抹齐,墙与顶交接是否光滑平整,并用托线检查墙面的垂直与平整情况,抹灰接茬应平顺。抹灰后及时将散落的砂浆清理干净。E、养护在抹灰24h后进行喷水养护,防止空鼓开裂,养护时间不少于7d;(四)质量控制A、各抹灰层之间必须采取防止脱层、空鼓的措施。B、不同材料基体交接处表面的抹灰应采取防止开裂的加强措施。C、室内墙面、柱面和门洞的阳角做法应符合设计要求。设计无要求时,应采用1:2水泥砂浆做暗护角,其高度不应低于2m,每侧宽度不应小于50mm。D、水泥砂浆抹灰层应在抹灰24h后进行养护。抹灰层在凝结前,应防止快

6、干、水冲、撞击、震动。E、基层处理应符合下列规定:F、界面砂浆找平层的平均厚度应符合设计要求。G、水泥砂浆拌好后,应在初凝前用完,凡结硬砂浆不得继续使用。(五)质量标准A、主控项目1、界面砂浆找平前基层表面的尘土、污垢、油渍等应清除干净,并应洒水湿润。2、一般抹灰所用材料的品种和性能应符合设计要求。水泥的凝结时间和安定性复验应合格。砂浆的配合比应符合设计要求。3、抹灰工程应分层进行。当抹灰总厚度大于或等于35mm时,应采取加强措施。不同材料基体交接处表面的抹灰,应采取防止开裂的加强措施,当采用加强网时,加强网与各基体的搭接宽度不应小于100mm。4、抹灰层和基层之间及各抹灰层之间必须粘结牢固,

7、抹灰层应无脱层、空鼓,面料应无爆灰和裂缝等缺陷。B、一般项目1、一般抹灰工程的表面应光滑、洁净、接槎平整,分格缝应清晰。2、扩角、孔洞、槽、盒周围的抹灰表面应整齐、光滑;管道后面的抹灰表面应平整。3、抹灰层的总厚度应符合设计要求;水泥砂浆不得抹在石灰砂浆层上;罩面石灰膏不得抹在水泥砂浆层上。4、抹灰分格缝的设置应符合设计要求,宽度、深度应均匀,表面应光滑,楞角应整齐。5、有排水要求的部位应做滴水线(槽)。滴水线(槽)应整齐顺直,滴水线应内高外低,滴水线槽的宽度和深度不应小于10mm。C、允许偏差项目般抹灰工程质量的允许偏差和检验方法应符合下表的规定。一般抹灰的允许偏差和检验方法项次项目允许偏差

8、(m)检查方法普通抹灰高级抹灰合格合格1立面垂直度32用2m垂直检测尺检查2表面平整度32用2m靠尺和塞尺检查3阴阳角方正32用直角检测尺检查4分格条(缝)直线度32拉5m线,不足5m拉通线,用钢直尺检查5墙裙、勒脚上口直线度32拉5m线,不足5m拉通线,用钢直尺检查注:(1)普通抹灰,本表第3项阴角方正可不检查;(2)顶棚抹灰,本表第2项表面平整度可不检查,但应平顺。D、抹灰前必须事先把门窗框与墙体连接处的缝隙用水泥砂浆填塞密实(铝合金门窗框嵌缝材料由设计确定,并事先粘贴好防护膜),门口应钉设铁皮保护。E、推小车或搬运东西时,要注意不要碰坏口角和墙面。抹灰用的大杠和铁锹不要靠放在墙上,严禁蹬

9、踩窗台板,防止损坏其棱角。G、拆除脚手架时要轻拆轻放,拆后材料要码放整齐,不要撞坏门窗、墙面和口角等。H、要保护好墙上的预埋件、窗帘钩、电线槽、盒、水暖设备和预留孔洞等,不要随意抹盖。I、抹灰层凝结硬化前,应防止快干、水冲、撞击、振动和挤压,以保证灰层有足够的强度。J、要保护好地面、地漏,禁止在地面上拌灰和直接在地面上堆放砂浆。5、腻子、乳胶漆 (一)基面要求和处理建筑物基面的好坏,对工程质量有举足轻重的影响,因此必须确保基面符合施工要求。1、清洁 基层上附有的各种杂物,如:尘埃、油脂、锈迹、水泥析白物等,应采用高压水冲洗、机械器具打磨、化学方法清洗等方法予以彻底清除。2、平整 为了确保涂装后

10、的装饰效果,应对基层的破损、洞穴、裂缝、空鼓起壳等状况事先修补,腻子补嵌平整,打磨光滑,阴阳角线条垂直,基层的平整度应控制在允许的范围内。3、干燥 基层水份过高,会严重影响工程涂装的质量,涂料施工时基层含水率应小于10%,同时应确保各修补处与主体墙体含水率一致,方可进行施工。一般新建的墙面需要养护34周,方可进行腻子批嵌和涂料施工。4、酸碱度 基层碱性过大,会严重影响涂膜的性能,涂料施工时基层pH值应小于10。一般新建的墙面需要养护34周,酸碱度方能符合施工要求。5、牢固 基层表面应有一定的强度和刚性,其强度和刚性应比涂刷材料高。酥松、起砂、起粉的基层或加气混凝土基层,必须进行增加强度的表面处

11、理,一般应将其彻底清除,再用乳液型砂浆进行补平。(二)施工工艺1、施工方法根据具体涂装效果,可采用刷、滚、喷等方法进行施工,一般采用滚涂施工即可。2、涂装体系(按滚涂方法) 腻子二遍底涂 使用:外墙底漆,加1020%水进行稀释,充分搅拌后进行施工,滚涂一道即可。要求涂布均匀,不遗漏。施工后与下一道施工间隔时间不少于12小时(室外,25)。面涂 使用外墙漆,一般加510%水稀释(或不稀释),充分搅拌后进行施工,滚涂一道即可。要求涂布均匀,不流坠,不漏涂。3、理论涂刷面积理论涂刷面积约为4m2/道(两道),实际涂刷面积与理论涂刷面积有一定差异,应视基面具体情况而定。6、脚手架的拆除施工工艺流程脚手

12、架拆除顺序和搭设顺序相反,即是先搭的后拆,后搭的先拆,先从钢管脚手架顶端拆起,其顺序为:安全网护身栏杆档脚板小横杆大横杆立杆连墙杆纵向支撑(1)拆除脚手架前应全面检查脚手架的扣件连接、连墙件、支承体系等是否符合构造要求;经主管部门批准后方可实施;应由单位负责人进行拆除安全技术交底;应清楚脚手架杂物及地面障碍物。(2)拆除时连墙件必须随脚手架逐层拆除,严禁先将连墙件整层或数层拆除后再拆脚手架;分段拆除高差不应大于2步,如高差大于2步,应增设连墙件加固;当脚手架拆至下部最后一根长立杆的高度(约6.5m)时,应先在适当位置搭设临时抛撑加固后,再拆除连墙件;当脚手架采取分段、分立面拆除时,对部拆除的脚

13、手架两段,应先设置连墙件和横向斜撑的加固。(三)材料运输 因该三层厂房结构楼层已全面封闭且垂直运输总高度达30m以上,无法采用专用的垂直运输机具,故该工程施工所需的一切材料:如钢管扣件、水泥、腻子、乳胶漆等材料采用人工走厂房的安全通道(楼梯)运输到位。四、质量及安全要求1、脚手架立杆垂直度偏差不得超过100m,大横杆在每一脚手架范围内的纵向水平高低差不得超过20mm,同跨内两根大横杆纵向水平高差不得超过10mm。2、扣件紧固力矩控制在4045Nm之间,不得大于60Nm,架体不得用铅丝或其他材料绑扎。3、连墙点的数量、位置要正确,连接要牢固、无松动现象。4、脚手架不得超负荷使用,严禁在架上集中堆

14、放材料,人员不得集中停留,架子受荷应均匀分布,架上施工荷载应控制在200kg/m2以内。5、在脚手架操作的施工人员,必须佩带安全帽和安全带,安全带必须采用“高挂低用”的原则。在六级以上大风,下雨、下雪的特殊情况下,外架上禁止人员施工。6、脚手架上的杆件不得随意拆除,在脚手架使用期间,严禁拆除主节点处纵横向水平杆,纵横向扫地杆以及连墙杆。如必须拆除时,必须现场工长认可,在适当位置加固后进行。7、不得将模板支架、缆风绳、泵送混凝土和砂浆的输送管等固定至脚手架上,严禁悬挂起重设备。8、拆除作业必须由上而下逐层进行,严禁上下同时进行,连墙件必须随脚手架逐层拆除,严禁先将连墙件整层拆除后拆除脚手架。分段拆除高差不应大于2步,如高差大于2步,应增设连墙件加固。9、脚手架在使用期间应经常检查,发现隐患必须及时整改以确保架子上的施工安全。特别应在大风大雨后加大检查力度,重点放在外架是否沉陷和倾斜。11、脚手架搭、拆时应拉警戒线,均应有安全员现场旁站监督。12、脚手架搭设人员必须是经过按现行国家标准特种作业人员安全技术考核管理制度(GB5036)考核合格的专业架子工。上岗人员应定期体检,合格者方可持证上岗。并对进场搭设人员进行三级教育培训,经考试合格后方准上岗。13、搭设脚手架人员必须戴安全帽、系安全带、穿防滑鞋。五、施工工期1 、因业主要求施

展开阅读全文
相关资源
猜你喜欢
相关搜索

当前位置:首页 > 建筑/环境 > 设计及方案

copyright@ 2008-2023 1wenmi网站版权所有

经营许可证编号:宁ICP备2022001189号-1

本站为文档C2C交易模式,即用户上传的文档直接被用户下载,本站只是中间服务平台,本站所有文档下载所得的收益归上传人(含作者)所有。第壹文秘仅提供信息存储空间,仅对用户上传内容的表现方式做保护处理,对上载内容本身不做任何修改或编辑。若文档所含内容侵犯了您的版权或隐私,请立即通知第壹文秘网,我们立即给予删除!