内蒙古某能化项目锅炉钢架组装及吊装施工方案.doc

上传人:p** 文档编号:946940 上传时间:2024-05-13 格式:DOC 页数:15 大小:147.82KB
下载 相关 举报
内蒙古某能化项目锅炉钢架组装及吊装施工方案.doc_第1页
第1页 / 共15页
内蒙古某能化项目锅炉钢架组装及吊装施工方案.doc_第2页
第2页 / 共15页
内蒙古某能化项目锅炉钢架组装及吊装施工方案.doc_第3页
第3页 / 共15页
内蒙古某能化项目锅炉钢架组装及吊装施工方案.doc_第4页
第4页 / 共15页
内蒙古某能化项目锅炉钢架组装及吊装施工方案.doc_第5页
第5页 / 共15页
内蒙古某能化项目锅炉钢架组装及吊装施工方案.doc_第6页
第6页 / 共15页
内蒙古某能化项目锅炉钢架组装及吊装施工方案.doc_第7页
第7页 / 共15页
内蒙古某能化项目锅炉钢架组装及吊装施工方案.doc_第8页
第8页 / 共15页
内蒙古某能化项目锅炉钢架组装及吊装施工方案.doc_第9页
第9页 / 共15页
内蒙古某能化项目锅炉钢架组装及吊装施工方案.doc_第10页
第10页 / 共15页
亲,该文档总共15页,到这儿已超出免费预览范围,如果喜欢就下载吧!
资源描述

《内蒙古某能化项目锅炉钢架组装及吊装施工方案.doc》由会员分享,可在线阅读,更多相关《内蒙古某能化项目锅炉钢架组装及吊装施工方案.doc(15页珍藏版)》请在第壹文秘上搜索。

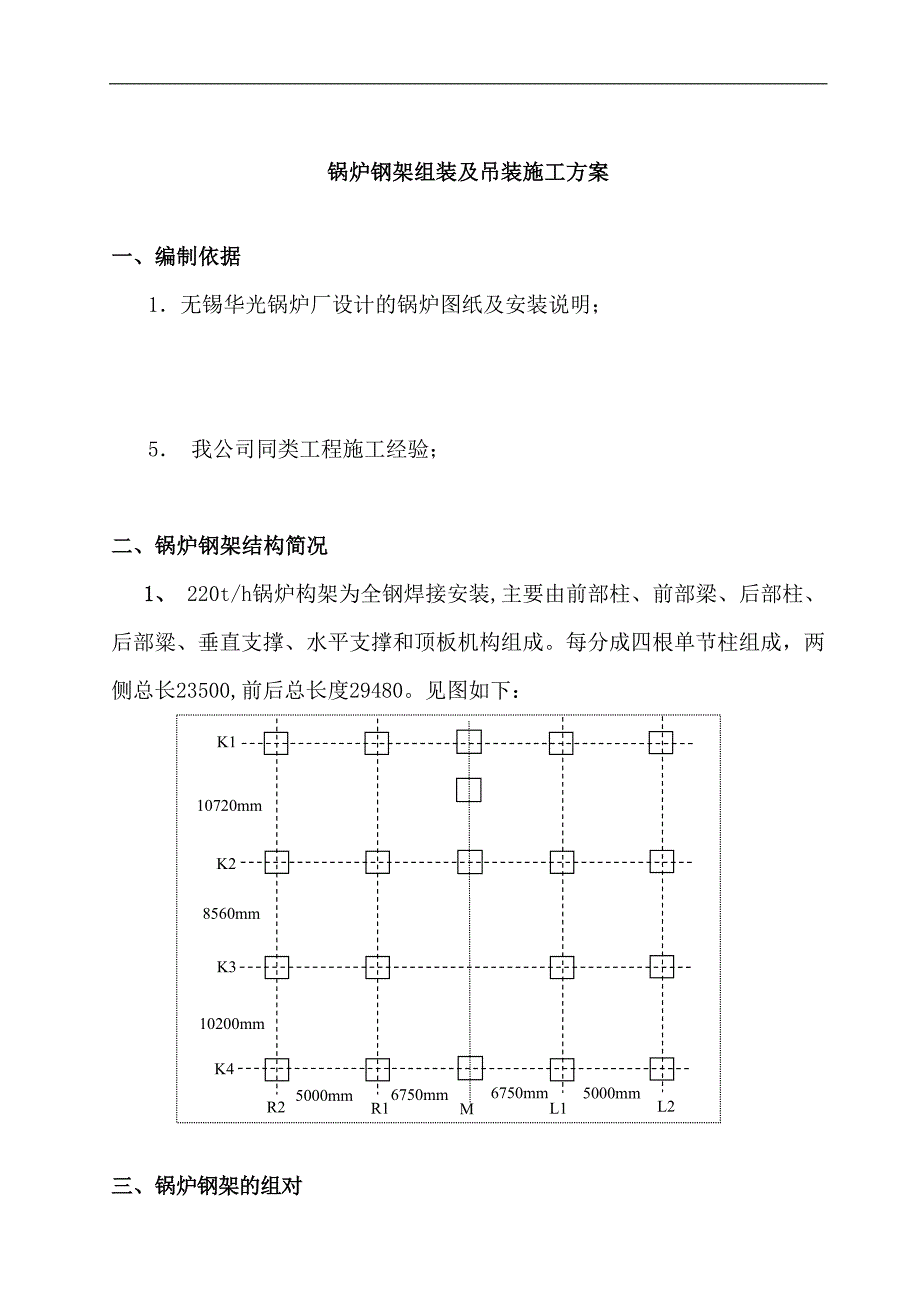
1、某某能化公司220t/h3台循环流化床锅炉项目安装工程锅炉钢架组装及吊装施 工 方 案编 制: 审 核: 批 准: 某某能化项目部目 次一、编制依据二、锅炉钢架结构简况三、锅炉钢架的组对四、钢机构吊装五、注意事项锅炉钢架组装及吊装施工方案一、编制依据1无锡华光锅炉厂设计的锅炉图纸及安装说明;5 我公司同类工程施工经验;二、锅炉钢架结构简况 1、 220t/h锅炉构架为全钢焊接安装,主要由前部柱、前部梁、后部柱、后部粱、垂直支撑、水平支撑和顶板机构组成。每分成四根单节柱组成,两侧总长23500,前后总长度29480。见图如下:K1K2K3K4R2R1L15000mm 5000mm8560mm10

2、200mm10720mmL2M6750mm 6750mm 三、锅炉钢架的组对1、组对、安装前应具备的条件锅炉的主、副钢架共计16根立柱,分四段制作,立柱之间采用焊接连接形式,钢结构采用地面组合、集中吊装的施工方案。钢架地面组合共分为8榀,即钢架的主柱(R1、L1)副柱(R2、L2)与之相连接的横梁,垂直撑沿高度方向组合在一起,其余部件包括中柱(M)全部散吊,两组件吊装成框架后再安装中间的横梁及拉条等,组对、安装前应具备以下条件:(1)钢结构基础符合混凝土结构工程施工及验收规范的要求。(2)混凝土强度已达到设计强度的70%。(3)锅炉基础纵横中心线与厂房基准点的偏差在20mm之内。(4)标高偏差

3、在-20mm到0mm之间(留出垫铁高度)。(5)外型尺寸偏差控制在20mm到0mm之间。(6)回填土已施工并压实完毕。锅炉基础下部回填必须满足压牢,以便大、小型吊车进出,回填土可能超出基础的上平面。(7)建筑垃圾已清理干净。(8)组合平台材料,平台立柱用螺旋管其规格是2735 ,底板用80080016钢板以及用10槽钢和12号槽钢,上部用梁用固定组合两个工装平台。 (9)工装平台搭饰 钢架组合前要搭设好组合框架(工装平台)设于锅炉K3柱向炉后的外侧地面。(见附图 )2、钢架地面组合(1)组合的顺序及重量 组合顺序:右侧组合平台上组合顺序是K4R1-R2、K3R1-R2、K2R1-R2、K1R1

4、-R2;左侧组合平台上组合顺序是K4L1-L2、K3L1-L2、K2L1-L2、K1L1-L2,两侧平台上同时组合。重量见附图。序号构件名称重量(kg)备注1K1排R1-R232085净重量L1-L232085净重量2K2排R1-R240337净重量L1-L240337净重量3K3排R1-R239474净重量L1-L239474净重量4K4排R1-R228678净重量L1-L228678净重量(2)组合前的注意事项钢架组对前需要先对梁柱的扭曲度、弯曲度进行组对前的检查或调整。所有钢架按吊装的先后顺序在2座钢平台上分片组对焊接,每片由2根立柱和两立柱间梁、拉条组合成件,右侧与左侧相同,左右对称。

5、分片吊装前在不影响吊装的情况下,可以预先安装部分平台支撑件,但最大件重量应控制在42t以内。3、钢架结构组合(1)组件划分完毕之后,对各组件所用的构件进行整理归类,便于设备的清点编号。按各组件的构件进行清理编号和自检,尤其是立柱的总长和立柱上各连梁的托架标高进行核查,错位的要做好标记,登记到缺陷单上并及时修正。(2)钢架组合前要搭设好组合框架(工装平台),设于锅炉K3柱向炉后的外侧地面,在经粗找平并压实的回填地面上预制组合框架,组合框架左右各一共2架,用水准仪找平上表面。为防止平台承重后下沉,工装平台的支撑地面需要夯实,柱脚应预先进行防沉降硬化处理,根据本工程沙土地面的特点,硬化方式可采用水坠

6、硬化后柱脚位置浇筑混凝土或铺设厚钢板等方法。支架形式见附图。(3)组件组合好之后,在组件的立柱四面上划出+1m标高线,并在立柱底板和+1m标高线上标记出各面的中心点。4、钢架吊装(1)总体设想由于本工程大型设备较多,且主要分布在锅炉本体安装范围内,对于设备安装高度较高,重量较重且分布相对集中,施工拟采用集中吊装的方法,以减少频繁调集大型吊车,减少吊车进出场次数及费用。因此设备到货日期及顺序业主要早作安排。根据锅炉构架的特点及施工现场的具体情况,为满足吊装要求,主吊选用QAY240型汽车起重机(主臂长67m, 主钩最大工作幅度62m,主钩最大起升高度65.5m,),吊耳位置设在距离钢结构顶部下约

7、1/3的位置处。辅吊选用QY160K型汽车起重机(主臂长58m)。采用两车抬起的方式将组件扳起后160吨汽车吊摘钩,用240吨汽车吊将第一榀组件吊放到基础上,根据底板划线和基础中心线重合找正安装位置,用经纬仪控制垂直度误差在10mm之内,将地角钢筋弯好焊接在立柱底板和加强筋上固定立柱,用拖拉绳和手动葫芦绷紧固定好垂直度。(2)吊装前的准备工作1、组合件组合完毕,经过验收合格后,应从顶往下焊装上钢制爬梯,横梁上部拉好安全过道绳,即可进行组合件的吊装。2、基础划线、垫铁配置基础交接以后,根据基础纵横中心线和锅炉基础中心线的间距,用钢卷尺和弹簧秤将一条轴线引到锅炉基础上,弹好墨线并引出到基础立面,采

8、用经纬仪拨直角的方法标记出与之垂直的锅炉基础中心线。基础划线完毕后,对基础划线进行自检,主要检查立柱间中心线间距误差不超过1mm(间距大于10m的为2mm);对角线误差不超过3mm(对角线长大于20m的要求为4mm)。垫铁的配置,根据各立柱的设计荷载和基础采用的混凝土设计强度及立柱底板的外型尺寸来确定垫铁与基础的接触面积,从而确定垫铁的截面积,并根据对基础标高的验收记录来确定相应的各基础的垫铁厚度。垫铁与基础表面接触充分,要求垫铁不能超过三层。3、地锚、揽风绳 吊装前在炉前部分开挖地锚洞,预埋地锚件,然后回填压牢;揽风绳用规格为15的钢丝绳。吊K1两榀钢架时,每榀上至少有4根揽风绳用予固定。4

9、、吊装前检查大小型吊车道路是否畅通。5、吊装时由指定的起重工统一指挥,所有登高人员必须正确佩戴安全帽、安全绳,穿防滑鞋,严禁酒后作业。6、所用机具 主吊用240T汽车吊,配置吊装用规格为37或40的钢丝绳,采用管皮包角以便捆绑钢丝绳。辅助抬吊为160T汽车吊,配置吊装用规格为32的钢丝绳,采用管皮包角以便捆绑钢丝绳7、顶板梁吊装前的准备 顶板梁及炉顶钢架采用240t汽车吊进行单根顶板梁吊装就位,吊装顺序为从炉前到炉后,次梁安装时,搭设相应吊栏。部分小梁可以使用塔吊进行吊装。炉顶钢架能否控制在规范偏差范围内,对后续其它部件的安装至关重要,所以顶板梁安装前,一定要将每根顶板梁的中心线标出。所有立柱

10、、横梁、安装完毕后,才能进行板梁吊装,顶板梁吊装采用散吊方法8、吊装顺序 右侧K1列 R1-R2组件、K2列 R1-R2组件,左侧K1列 L1-L2组件、 K2列 L1-L2组件,上横梁进行初步找正,然后吊K1-K2间的顶板梁;接着吊K3R1-R2、K3L1-L2,然后上K2-K3间横梁进行初步找正,后上K2-K3顶部顶板梁,最后吊K4两榀钢梁,上K3-K4之间横梁,初步找正后上K3-K4之间的顶板梁。吊装所用吊车按施工方案要求就位,并按方案要求挂钩。主吊车及溜尾吊车缓慢起吊,将钢结构慢慢吊起,吊离地面,检查钢结构及吊车受力情况有无异常。钢结构吊装接近垂直后,溜尾汽车吊退出吊装,由主吊把钢结构

11、就位。第一榀钢架组件吊装完毕后,用4根风绳把结构稳定,保证其稳固性。K1和R2对应的两榀钢架采用丝杆连接成井字架的方式解钩,同样K2与K3之间均采用丝杆连接的方法。 四、 注意事项 1、预留吊装口为了便于下一步设备安装的进行,考虑吊车负荷特性和受热面组件的安装方式,本工程钢结构在炉右侧和炉后预留安装口。锅炉右侧预留水冷壁等组件安装口,安装口在待四侧水冷壁吊装完毕之后再补上。后侧预留安装口在K4列R1-L1立柱之间,从空气预热器支撑梁以上的连梁暂不上,待尾部预热器及护板吊装完毕之后,再逐层安装连梁、省煤器和一、三级过热器。2、钢架焊接及找正主结构安装以后,找正其成榀钢结构,在确认整体符合规范之后

12、,按焊接工艺和焊接顺序图进行结构的施焊。钢结构安装其垂直度、水平度,纵横中心、标高,对角线偏差均应符合图纸要求和规范规定。为保证施工方便和安全,在结构安装时,平台斜梯应同步安装。3、梯子平台梯子平台的固定支腿在钢结构安装过程中尽量随同安装。梯子平台中的平台在地面预先组合,斜梯和栏杆柱及扶手地面组合。整体安装采用240吨汽车吊吊装到位进行安装。预留缺口位置的梯子栏杆先不安装,待组件安装完毕最后封口结束,再进行补装。梯子栏杆焊接接口的打磨光滑,防止划伤。梯子栏杆就位后随时焊接牢固,避免发生意外。4、锅炉钢构架组合件的允许偏差锅炉钢构架组合件的允许偏差表 单位:mm序号检查项目允许偏差1各立柱间的距

13、离间距的1/1000,最大不大于102各立柱间的平行度长度的1/1000,最大不大于103横梁标高54横梁间平行度长度的1.5/1000,最大不大于55组合件相应对角线长度的1.5/1000,最大不大于156横梁与立柱中心线相对错位57护板框内边与立柱中心线距离508顶板的各横梁间距39平台支撑与立柱、桁架、护板框等垂直度长度的2/100010平台标高1011平台与立柱中心线相对位置105、锅炉钢构件安装的允许偏差锅炉钢构件安装的允许偏差表 单位:mm序号检查项目允许偏差1柱脚中心与基础划线中心52立柱标高与设计标高53各立柱相互间的标高差34各立柱间的距离间距的1/1000,最大不大于105

14、立柱的垂直度长度的1/1000,最大不大于156各立柱上下两平面相应对角线长度的1.5/1000,最大不大于157横梁标高58横梁水平度59护板框或桁架与立柱中心线距离5010顶板的各横梁间距311顶板标高512大板梁的垂直度立板高度的1.5/1000,最大不大于513平台标高1014平台与立柱中心线相对位置106、根据以往施工经验,对钢结构安装提出注意事项:7、钢架标高误差以1米标高线为基准,所以立柱1米标高线相对误差要求很高,安装时立柱1米标高线必须控制在优良范围内。8、省煤器、过热器、空气预热器的横梁标高偏差应为-5mm0mm。9、钢架找正时,可根据厂方的基准标高点,测定各立柱上的1m标高点,立柱标高可用立柱下的垫铁进行调整。10、锅炉钢架应安装完一段、找正一段,严禁在未找好的构架上进行下工序的安装工作,以免造成安装后产生无法纠正的偏差。11、本钢架安装完毕后,应先找正电焊固定,并留有适当的焊接收缩量,经复查尺寸符合要求后正式施焊,焊接时要注意焊接的先后顺序,避免焊接后超出偏差。12、柱子在安装前进行全面检查,尤其是柱

展开阅读全文
相关资源
猜你喜欢
相关搜索

当前位置:首页 > 建筑/环境 > 设计及方案

copyright@ 2008-2023 1wenmi网站版权所有

经营许可证编号:宁ICP备2022001189号-1

本站为文档C2C交易模式,即用户上传的文档直接被用户下载,本站只是中间服务平台,本站所有文档下载所得的收益归上传人(含作者)所有。第壹文秘仅提供信息存储空间,仅对用户上传内容的表现方式做保护处理,对上载内容本身不做任何修改或编辑。若文档所含内容侵犯了您的版权或隐私,请立即通知第壹文秘网,我们立即给予删除!