smw桩施工工法.doc

上传人:d*** 文档编号:947335 上传时间:2024-05-13 格式:DOC 页数:11 大小:444.56KB
下载 相关 举报
smw桩施工工法.doc_第1页
第1页 / 共11页
smw桩施工工法.doc_第2页
第2页 / 共11页
smw桩施工工法.doc_第3页
第3页 / 共11页
smw桩施工工法.doc_第4页
第4页 / 共11页
smw桩施工工法.doc_第5页
第5页 / 共11页
smw桩施工工法.doc_第6页
第6页 / 共11页
smw桩施工工法.doc_第7页
第7页 / 共11页
smw桩施工工法.doc_第8页
第8页 / 共11页
smw桩施工工法.doc_第9页
第9页 / 共11页
smw桩施工工法.doc_第10页
第10页 / 共11页
亲,该文档总共11页,到这儿已超出免费预览范围,如果喜欢就下载吧!
资源描述

《smw桩施工工法.doc》由会员分享,可在线阅读,更多相关《smw桩施工工法.doc(11页珍藏版)》请在第壹文秘上搜索。

1、SMW桩施工工艺工法QB/ZTYJGYGF-DT-0103-20111前言1.1工艺工法概况SMW是Soil Mixing Wall的缩写。SMW工法连续墙于1976年在日本问世,我国上海引进最早,主要应用在工程围护当中。SMW工法最常用的是三轴型钻掘搅拌机,其中钻杆有用于粘性土及用于砂砾土和基岩之分,此外还研制了其他一些机型,用于城市高架桥下等施工,空间受限制的场合,或海底筑墙,或软弱地基加固。1.2工艺原理SMW工法是以多轴型钻掘搅拌机在现场向一定深度钻进切削土体,同时在钻头端部将水泥浆液注入土体,经充分搅拌后,再将H型钢或其他型材插入搅拌桩体内,形成地下连续墙体,利用该墙体直接作为挡土和

2、止水结构。2工艺工法特点构造简单、止水性能好,工期短,造价低,环境污染小。3适用范围凡是适合应用水泥土搅拌桩的场合都可以使用,特别适合于以粘性土和粉细砂为主的松软地层;挡水防渗性能好,可以配合多道支撑应用于城市中的较深的基坑,距离城市红线中心线80厘米墙面就可以采用。成墙厚度5501300mm,常用厚度600mm;成墙最大深度目前为65m,视地质条件尚可施工至更深。4主要引用标准4.1建筑基坑工程技术规程(JGJ120)4.2建筑地基基础工程施工质量验收规范(GB50202)4.3建筑地基处理技术规范(JGJ79)4.4软土地区工程地质勘察规范(JGJ83-91)4.5型钢水泥土搅拌墙(DGJ

3、08-116)5施工方法SWM工法是一种地下基坑围护支护,通过水泥桩(水泥掺量不小于20%)搅拌,插入H型钢,基坑四周设双拼型钢支撑,转角处采用钢筋混凝土和H型钢混合支撑,支撑间距一般为4.5米。桩顶用钢筋混凝土圈梁兼做首道支撑围檩,并加设双拼型钢作围檩。在结构出+0.000后拔出型钢支撑。坑内采用水泥搅拌桩和压密注浆加固透水性较强的 砂质粉土。6 工艺流程及操作要点施工准备放 样放样、清除障碍物施工完毕固定型钢就位,校正、复核水平和垂直度 插入型钢开启空压机、拌制水泥浆液并压送至桩机钻头喷浆提升钻头至设计桩顶标高型钢垂直起吊、定位喷浆、喷气并切割土体下沉核校型钢垂直度6.1施工工艺流程图1

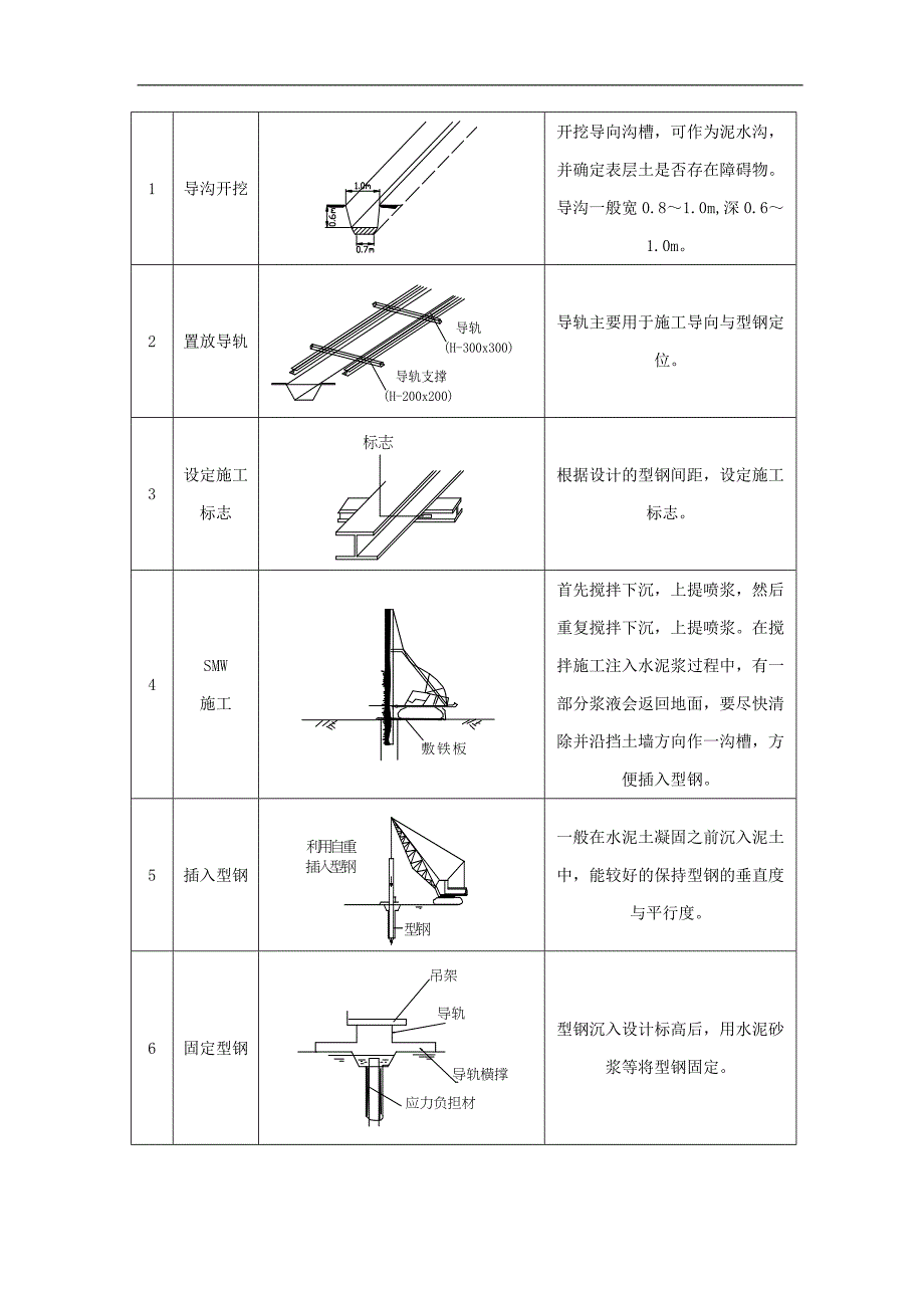
4、SMW工法桩施工工艺流程图表1 流程图解表序号名称施工顺序技术措施1导沟开挖开挖导向沟槽,可作为泥水沟,并确定表层土是否存在障碍物。导沟一般宽0.81.0m,深0.61.0m。2置放导轨导轨主要用于施工导向与型钢定位。3设定施工标志根据设计的型钢间距,设定施工标志。4SMW施工首先搅拌下沉,上提喷浆,然后重复搅拌下沉,上提喷浆。在搅拌施工注入水泥浆过程中,有一部分浆液会返回地面,要尽快清除并沿挡土墙方向作一沟槽,方便插入型钢。5插入型钢一般在水泥土凝固之前沉入泥土中,能较好的保持型钢的垂直度与平行度。6固定型钢型钢沉入设计标高后,用水泥砂浆等将型钢固定。7施工完成SMW撤除导轨。并按设计顶圈梁

5、的尺寸开槽置模(多为泥模)。8弃土运输6.2操作要点6.2.1施工准备根据控制基准点,按图放出桩位,设立临时控制桩,并清除地上、地下障碍物,在铺设道轨枕木处要整平找整实,使道轨枕木在同一水平线上。在开孔前用水平尺对机械架进行校队,以确保桩体的垂直度达到要求。使用两台经纬仪对搅拌轴纵横向同时校正,确保搅拌轴垂直。6.2.2定位型钢放置在槽沟两侧打入地下4根10#槽钢深1.5m,作为固定支点,垂直槽沟方向放置两根型钢与支点焊接,长约2.5m,再在其上平行槽沟方向放置两根型钢,长约712m,两组型钢之间焊接牢固。6.2.3机主就位机组由三轴搅拌机、步履式机架、流量计、灰浆拌制及泵送机组、控制柜、输浆

6、管、电缆等组成。水泥土搅拌桩采用二次喷浆四次搅拌。施工中正确使用搅拌机械,确保桩机对中及机架的垂直度和灰浆泵与灰浆管路畅通以及灰浆泵的正常工作压力。 三轴搅拌桩根据设计桩间距再定位H型钢表面划线定位。移动前看清上、下、左、右各方面的情况,发现有障碍物应及时清除,移动结束后检查定位情况并及时纠正;桩机应平稳、平正,并用经纬仪或线锤进行观测以确保钻机的垂直度;三轴水泥搅拌桩桩位定位偏差应小于1cm。6.2.4搅拌及注浆1.在施工现场搭建拌浆施工平台,平台附近搭建水泥库,在开机前应进行浆液的搅制,按照设计试桩确定水泥浆液的水灰比和每立方搅拌水泥土水泥用量。2.搅拌机冷却水循环正常后,启动搅拌机电机,

7、放松起重机钢丝绳,使搅拌图2 搅拌及注浆函数图机沿导向架切土搅拌下沉,如下沉速度太慢,可用输浆系统补给清水以利钻进。搅拌机钻杆的钻进、提升速度保持为0.651.0m/min,转速为6r/min。搅拌机下沉到设计深度后,开启灰浆泵,其出口压力保持1.52.5Mpa,使水泥浆自动连续喷入地基。搅拌机边喷浆边旋转边严格按已确定的速度提升,喷浆提升速度不大于0.5m/min,直到设计要求桩顶标高。施工严格控制浆液水灰比,一般为1.31.5。为使喷入土中的水泥浆与土体充分搅拌均匀,再次将搅拌机边旋转边沉入土中直到设计要求深度,重复搅拌升降控制在0.50.8m/min。必须控制好喷浆速率与提升速度的关系。

8、施工中出现意外中断注浆或提升过快现象时,立即暂停施工,重新下钻至停浆面或少浆桩段以下1m的位置,重新注浆1020S后恢复提升,保证桩身完整,防止断桩。3.三轴搅拌桩在下沉和提升过程中均应注入水泥浆液(注浆用先进的、自动化程度高的“水泥自动搅拌注浆泵”如ZYJ-60型。),同时严格控制下沉和提升速度,下沉速度不大于1米/分钟,提升速度不大于2米/分钟,在桩底部分重复搅拌注浆时,提升速度不大于1米/分钟,并做好原始记录。搅拌时间与下沉、提升关系如上图:4.桩与桩搭接不大于24h;如超过24h,则在第二根桩施工时增加浆量20%,同时减少提升速度;如因相融时间过长,致使第二个桩无法搭接时,则在设计认可

9、下采取局部补桩或注浆措施。5.型钢插入1)三轴水泥搅拌桩施工完毕后,吊机应立即就位,准备吊放型钢,型钢应预涂减摩剂,以便回收。2)起吊前在距型钢顶端0.2m处开一个中心孔,孔径约4cm,装好吊具和固定钩,然后用50t吊机起吊型钢,必须保持垂直插入。在槽沟定位型钢上设型钢定位卡固定,定位卡必须牢固、水平,然后将型钢钢底部中心对正桩位中心并沿定位卡徐徐垂直插入水泥土搅拌桩体内,用线锤或经纬仪控制垂直度,垂直度应小于3,型钢插入过程中转角小于1。3)当型钢插放到设计标高时,用F8吊筋将H型钢固定。溢出的水泥土必须进行处理,控制到一定标高,以便进行下道工序施工。4)待水泥土搅拌桩硬化到一定程度后,将吊

10、筋与槽沟定位型钢撤除。6.型钢回收在围护结构完成使用功能后,设备进场对型钢进行拔除回收。主要拔除设备有两台100t液压千斤顶、一台液压油泵、一台15t吊车以及自制顶升夹具装置等。液压千斤顶冲程25cm,对H型钢进行反复顶升,至到用吊车将H型钢拔除。 6.2.5清洗:向已排空的集料斗注入适量清水,开启灰浆泵,清洗管道中残留水泥浆,同时将搅拌头清洗干净。6.2.6涂刷H型钢隔离剂时,严格按操作规程作业确保隔离剂的粘结质量符合要求,外露的型钢表面需用隔离材料包扎可粘贴,才可作顶圈梁。6.2.7SMW桩施工主要检查项目的质量标准见下表。表2 SMW搅拌桩施工主要项目的质量标准 项目标 准桩的垂直度允许

11、偏差1/300桩位偏差平行基坑方向30mm垂直基坑方向30mm水泥强度及抗渗性达到设计要求成桩深度+100mm、-0mm7 劳动力组织劳动力安排与使用计划如下表所示:表3 SMW工法桩劳动力配置计划表序号工种人数备注1三轴搅拌机司机22测量工23电工14浆液配制及输送工45空压机操作工16电焊工27吊机司机18挖机司机19桩机操作工210起重工211普工2合计208 主要机具设备按照“先进适用、合理配置、满足需要、略有富余”的原则,配备施工机械设备及材料试验、测量、质检仪器设备。配备计划详见下表。具体要求如下结合工程和工期要求,按照施工组织设计中确定的施工方法、施工机具、设备的要求,编制施工机

12、械设备进场计划。 表4 主要施工机械设备表序号作业名称机具设备名称数量单位备注1拌合作业搅拌机1台2钻孔SMW钻机1台3挖土挖掘机1台4压缩空气空压机1台5注浆注浆泵3台6吊装重物吊车1台根据施工机械设备需用量计划,组织施工机具按计划、按期进场,确保工程施工顺利进行。进场机械设备应保持较高的完好率,并按规定定期保养。9 质量控制9.1易出现的质量问题 搅拌不均、型钢不垂直、定位不准。9.2 保证措施9.2.1开机前必须调试、检查桩机运转及输浆管畅通情况。9.2.2为保证搅拌桩垂直度,注意起吊设备的平整度和导向架的垂直度,用线锤检查,施工垂直度应小于1%,保证型钢插打起拔顺利,保证墙体的防渗性能

13、。9.2.3注浆配比除满足抗渗和强度要求外,尚应满足型钢插入顺利等要求。9.2.4因故停浆时,宜将搅拌机下沉至停浆点以下0.5m处,待恢复供浆时再喷浆提升。为防止灰浆堵塞导管,停机超过二小时,宜拆洗输浆管为妥。9.2.5桩与桩之间挤接时间不应大于24小时,超过上述时间,最后一根桩应空钻留出榫头,以确保桩间搭接。间隔太长无法搭接时,应在设计、建设双方认可后,采取局部补桩与注浆措施。10 安全措施10.1主要安全风险分析主要是用电的风险和吊装的风险。10.2保证措施10.2.1专项安全生产措施1.机电设备必须专人操作,操作时必须遵守操作规程,特殊工种(电工、焊工、机操工等)及小型机械操作工必须持证

14、上岗。2.在保护设施不齐全、监护人不到位的情况下,严禁人员下槽、孔内清理障碍物。3.经常检查各种卷扬机、吊车钢丝绳的磨损程度,并按规定及时更新。外露传动系统必须有防护罩,转盘方向轴必须设有安全警示牌。4.起重机工作前,必须检查距尾部的回转半径500mm内无障碍物;起重机吊型钢时,应先吊离地面2050cm,检查起重机的稳定性、制动器的可靠性、吊点和型钢的牢固程度确认可靠后,才能继续起吊。吊车指挥必须持有有效指挥证。起重机、挖土机工作时,吊臂下严禁站人。10.2.2施工用电安全技术措施1.配电箱的电缆应有套管,电线进出不混乱。大容量电箱上进线加滴水弯。2.照明导线应用绝缘子固定。严禁使用花线或塑料胶质线。导线不得随地拖拉或绑在脚手架上。照明灯具的金属外壳必须接地或接零。单相回路内的照明开关箱必须装设漏电保护器。3.架空线应装设横担或绝缘纸,其规格、线间距离、档距等应符合架空线路要求,其电杆板线离地2.5m以上应加绝缘子。4.电箱内开关电器必须完整无损,接线正确。电箱内应设置漏电保护器,选用合理的额定漏电动作电流进行分级配合。配电箱应设总熔丝,分熔丝,分开关。零排地排齐全。动力和照明分别设置。5.配电箱的开关电器应与配电或开关箱一一对应配合,作分路设置,以确保专路专控;总开关电器与分路开关电器的额定值相适应。熔丝应和用电设备

展开阅读全文
相关资源
猜你喜欢
相关搜索

当前位置:首页 > 建筑/环境 > 施工组织

copyright@ 2008-2023 1wenmi网站版权所有

经营许可证编号:宁ICP备2022001189号-1

本站为文档C2C交易模式,即用户上传的文档直接被用户下载,本站只是中间服务平台,本站所有文档下载所得的收益归上传人(含作者)所有。第壹文秘仅提供信息存储空间,仅对用户上传内容的表现方式做保护处理,对上载内容本身不做任何修改或编辑。若文档所含内容侵犯了您的版权或隐私,请立即通知第壹文秘网,我们立即给予删除!