SP预应力混凝土空心板硬架支模施工方案.doc

上传人:d*** 文档编号:947340 上传时间:2024-05-13 格式:DOC 页数:26 大小:466.48KB
下载 相关 举报
SP预应力混凝土空心板硬架支模施工方案.doc_第1页
第1页 / 共26页
SP预应力混凝土空心板硬架支模施工方案.doc_第2页
第2页 / 共26页
SP预应力混凝土空心板硬架支模施工方案.doc_第3页
第3页 / 共26页
SP预应力混凝土空心板硬架支模施工方案.doc_第4页
第4页 / 共26页
SP预应力混凝土空心板硬架支模施工方案.doc_第5页
第5页 / 共26页
SP预应力混凝土空心板硬架支模施工方案.doc_第6页
第6页 / 共26页
SP预应力混凝土空心板硬架支模施工方案.doc_第7页
第7页 / 共26页
SP预应力混凝土空心板硬架支模施工方案.doc_第8页
第8页 / 共26页
SP预应力混凝土空心板硬架支模施工方案.doc_第9页
第9页 / 共26页
SP预应力混凝土空心板硬架支模施工方案.doc_第10页
第10页 / 共26页
亲,该文档总共26页,到这儿已超出免费预览范围,如果喜欢就下载吧!
资源描述

《SP预应力混凝土空心板硬架支模施工方案.doc》由会员分享,可在线阅读,更多相关《SP预应力混凝土空心板硬架支模施工方案.doc(26页珍藏版)》请在第壹文秘上搜索。

1、SP预应力混凝土空心板硬架支模施工方案一.编制依据1.1世纪联华超市广场工程施工组织总设计。 1.2 世纪联华超市广场工程施工图纸。1.3SP预应力空心板(05SG408) 1.4建筑塔式起重机安全规程(GB5144-85)二、工程概况本工程位于郑州市紫荆山路与陇海路交叉口东北角,工程总建筑面积为140059.3平方米,总高97.650米。主楼A座25层、B座21层,地下2层。裙房4层。本工程结构形式为钢筋混凝土框筒结构.主楼部分,地下二层层高5.4米,地下一层4.9米;裙楼部分,地下二层层高4.5米,地下一层层高4.7米,地上1-4层层高5.4米,其中,地上14层楼板采用SP预应力混凝土空心

2、板,只有与主楼连接等少数部位采用混凝土现浇板。工程总施工工期为710天。三、施工准备3.1.1 主要材料 常用SP预应力混凝土空心板的规格尺寸见表3.1.1常用SP板的规格尺寸 表3.1.1板型宽度(米)厚度(mm)砼保护层厚度(mm)SP20A84100.420020SP20A84100.620020SP20A84100.920020SP20A84101.220020SP20A85100.420020SP20A85100.620020SP20A85100.920020SP20A85101.220020SP20A86100.420020SP20A86100.620020SP20A86100.9

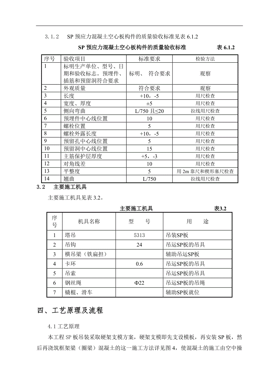
3、20020SP20A86101.220020SP20A87100.420020SP20A87100.620020SP20A87100.920020SP20A87101.2200203.1.2 SP预应力混凝土空心板构件的质量验收标准见表6.1.2SP预应力混凝土空心板构件的质量验收标准 表6.1.2序号验收项目标准要求检验方法1标明生产单位、型号、日期和验收标志。预埋件、插筋和预留洞符合要求标明、 符合要求观察2外观质量符合要求观察3长度+10,-5用尺检查4宽度、厚度5用尺检查5侧向弯曲L/750且20拉线用尺检查6预埋件中心线位置10用尺检查7螺栓位置5用尺检查8螺栓外露长度+10,-5用

4、尺检查9预留孔中心线位置5用尺检查10预留洞中心线位置15用尺检查11主筋保护层厚度+5,-3用尺检查12对角线差10用尺检查13平整度5用2m靠尺和楔形塞尺检查14翘曲L/750拉线用尺检查3.2 主要施工机具主要施工机具见表3.2。 主要施工机具 表3.2 序号机具名称型 号用 途1塔吊5313吊装SP板2吊钩24吊运SP板的吊具3横吊梁(铁扁担) 辅助吊运SP板4卡环0.6吊运SP板的吊具5吊索吊运SP板的吊具6钢丝绳22吊运SP板的吊绳7橇棍、滑车辅助SP板就位四、工艺原理及流程4.1工艺原理本工程SP板吊装采取硬架支模方案,硬架支模即先支设模板,再安装SP板,然后再浇筑框架梁(圈梁)

5、混凝土的这一施工方法详见图4,使混凝土的施工由空中操作改为平面操作,增大了施工操作面,方便了混凝土的浇捣,保证了混凝土的浇注质量,并减少了安全事故发生的几率。采用硬架支模方案,使混凝土拆模强度和吊装强度也不再是影响后续工作的关键因素了,同时施工中也减少了预制板下水泥砂浆找平这一工序及相关的技术间歇时间,从而大大减少了每层结构的施工时间,加快了工程进度。提高了工效,增强了结构的整体性和施工质量,减少了安全隐患。4.2 工艺流程SP板支撑体系安装自检、互检梁 底 模 安 装检查不合格合格 自检记录梁 钢 筋 安 装自检、互检不合格合格 填写验收记录梁 侧 模 安 装不合格业主、监理检查不合格合格

6、办理验收纪录 自检、互检合格 自检记录合格SP板吊装检 查不合格合格合格 填写验收记录板 缝 模 安 装业主、监理检查不合格合格 办理验收纪录 不合格检查不合格合格 自检记录合格混 凝 土 浇 筑不合格检查验收,进入下一循环图4.2 SP板安装硬架支模施工工艺流程五、施工方法 5.1 SP板安装部位模板及钢筋模板及钢筋的安装按照模板及钢筋的施工要求和设计图纸要求进行安装。模板采用竹胶板(木模板)与方木体系模板,模板支撑体系采用钢管扣件式脚手架支撑体系。模板与钢筋的施工均要求符合有关施工质量验收规范的要求。要求侧模的上口必须水平、顺直,且每道纵横墙的水平偏差应在10mm以内;梁侧模板的上口标高应

7、低于SP板板底设计标高10mm;模板拼缝处与SP板接触处应加密封条。5.2 SP板支撑体系安装因本工程SP板跨度大(约9m),SP板支撑体系采用双排扣件脚手架支撑体系,支撑点设在板端700800mm处,在SP板支撑端搭双排脚手架,梁底脚手架支设时,下垫50100方木,梁底加设顶撑,梁底及梁两侧立杆纵向间距400mm,上加可调顶丝,其上铺双钢管,所有脚手架要加水平杆及扫地杆,扫地杆高度离地面200mm,梁底两侧板端脚手架支撑详细尺寸参考附图一、附图二(下页)。钢管水平用可调顶丝调平、找直以保证安装后的SP板底水平一致。为保证SP板支撑体系的稳定性,每3米立杆增加双斜撑一道。SP板支撑体系与模板支

8、撑体系用扣件脚手架连成整体,在转角部位用斜拉撑加强加固。因SP板支撑体系与模板支撑体系立杆底部均为混凝土楼面,故不必垫垫木。SP板支撑体系必须有足够的刚度、强度和稳定性,保证SP板安装后不产生变形和位移。多层结构施工时,上层支柱必须对准下层支柱,同时支撑应设在肋板上,并铺设垫板。5.3 SP板吊(安)装(1) SP板在梁钢筋、模板施工完成及SP板支撑体系调整好检查合格后进行吊(安)装,在SP板吊装前应进行堵孔,采用C30细石混凝土锥形体进行堵孔,安装前先在模板上口方木上排定出SP板的位置线及板缝线。同时要检查SP板板孔的堵孔情况及外观质量,检查合格后方可使用到工程中。(2)吊装大楼板:吊装前,

9、先进行试吊,检查支撑体系的稳定性,然后进行正式吊装。由于本工程施工首先查清大楼板洞口位置(包括暖卫电气管线洞口)及大楼板方向标志,再对照结构图按照设计要求为20cm厚的(SP板)结合整浇层及现浇板缝50mm的设置,查清每个房间大楼板所用型号是否正确,然后按照布板图逐块进行吊装就位。安装时,板端对准支撑缓缓下降,落稳后检查板两端的支承长度是否满足要求,合格后再脱钩吊装下一块。吊装过程中随时检查支撑的稳定性,以免发生意外。(3)吊装SP板时,可用钢丝绳在距板两端700800mm处将SP板兜住,但注意此吊装点不能和支撑位置在同一位置。钢丝绳直径应根据吊装吨位选择,每次吊装时应认真检查钢丝绳的完好情况

10、,如破损严重必须更换后才能吊装。吊装时,钢丝绳与板的夹角不得小于50,如此夹角无法满足要求,应利用铁扁担辅助。(4)在塔吊起重覆盖的盲区内,采用人工搬运安装,即先用塔吊吊到离安装部位最近位置,然后由工人搬运至安装位置。 (5)调整板位置:吊装脱钩后,如大楼板两端的支承长度不一致,必须调整其支承长度使其符合设计要求的规定。(6)管线通道预留:对于安装通风设备或管线的需要,尽量直接通过板缝,而不在板上直接留置洞口以减少开洞对结构受力的影响。5.4混凝土浇筑混凝土采用商品混凝土,柱、梁、现浇板砼一次浇筑完成。5.5 SP板间灌缝SP板板缝一般为30mm,板缝模板采用铁丝吊钢管的方法,在钢管与SP板接

11、触面粘密封条,板缝灌浆后在强度达到条件时,将钢管拆除。板间灌缝一般为隔层施工,即为保证灌缝质量及楼板的整体性、稳定性,当完成本层SP板吊装、柱、梁、现浇混凝土板浇筑完毕后,待混凝土凝固时间达到7天后,再对SP板进行灌缝,为控制板缝开裂和保证相邻板底平整度,在浇筑时采取了以下措施:(1) 灌缝应采用强度不小于C20的细石混凝土或强度不小于20N/mm2的水泥砂浆。(2) 细石混凝土应有良好的和易性,以保证板间的键槽浇灌密实。(3) 灌缝前应采取措施(加临时支撑或在相邻板间加夹具等)保证相邻板底平整。(4) 缝用混凝土的水灰比宜尽可能小。(5) 在灌逢混凝土中添加适量的微膨胀剂。(6) 灌缝时的操

12、作要点:a、施工时要求布料均匀,施工荷载不得超过2.5KN/m2;b、可靠的支模或吊模; c、灌缝前应仔细清缝;d、板缝应充分湿润;e、仔细振捣或用厚钢板砸实板缝混凝土;f、浇水覆盖养护;g、按规定时限拆模;h、防止施工荷载的破坏。(7) 在灌缝用的细石混凝土强度小于10N/mm2时,板面上不得进行任何施工工作。六、质量控制6.1 执行标准本工法必须参考执行的标准有:6.1.1 建筑工程施工质量验收统一标准 GB 50300-2001。6.1.2 混凝土结构工程施工及验收规范 GB 50204-20026.1.3 SP预应力空心板 技术手册99ZG408(附册一)6.2 质量检验本工法施工工序

13、的相关检查项目允许偏差和检验方法见表7.2。 相关检查项目允许偏差和检验方法 表7.2序号检验项目质量标准检验方法1梁板模板安装轴线位置5用尺检查2底模上表面标高5用水准仪测量3截面内部尺寸+4,-5用尺检查4相邻两板表面高低差2用2m靠尺和楔形塞尺检查5表面平整度5用2m靠尺和楔形塞尺检查6梁钢筋安装钢筋骨架长10用尺检查7钢筋骨架宽5用尺检查8受力钢筋间距10用尺检查9受力钢筋排距5用尺检查10受力钢筋保护层5用尺检查11SP板安装相邻板下表面平整度(抹灰)5用2m靠尺和楔形塞尺检查12相邻板下表面平整度(不抹灰)3用2m靠尺和楔形塞尺检查63质量关键要求6.3.1 每批进场的SP板质量必须符合相关质量规范的要求。堆放SP板的场地必须平整坚实,第一块下面要放置通长垫木,每层之间放置短垫木。垫木要上下对齐对正,垫平垫实,不得有脱空现象。每垛堆放层数不宜超过10层,总高度不宜超过2.0m,垫木应放在距板端200300mm处,并做到上下对齐,垫平垫实,不得有一角脱空的现象。堆放、起吊、运输过程中不得将板翻身侧放。SP板在运输车上垫木位置和规格同上述堆放要求,不得任意在楼板上凿洞。6.3.2 SP板支撑体系与模板支撑体系必须连成一个整体,

展开阅读全文
相关资源
猜你喜欢
相关搜索

当前位置:首页 > 建筑/环境 > 设计及方案

copyright@ 2008-2023 1wenmi网站版权所有

经营许可证编号:宁ICP备2022001189号-1

本站为文档C2C交易模式,即用户上传的文档直接被用户下载,本站只是中间服务平台,本站所有文档下载所得的收益归上传人(含作者)所有。第壹文秘仅提供信息存储空间,仅对用户上传内容的表现方式做保护处理,对上载内容本身不做任何修改或编辑。若文档所含内容侵犯了您的版权或隐私,请立即通知第壹文秘网,我们立即给予删除!