xxx特大桥mmm连续箱梁施工挂篮检算.doc

上传人:d*** 文档编号:947445 上传时间:2024-05-13 格式:DOC 页数:55 大小:2.81MB
下载 相关 举报
xxx特大桥mmm连续箱梁施工挂篮检算.doc_第1页
第1页 / 共55页
xxx特大桥mmm连续箱梁施工挂篮检算.doc_第2页
第2页 / 共55页
xxx特大桥mmm连续箱梁施工挂篮检算.doc_第3页
第3页 / 共55页
xxx特大桥mmm连续箱梁施工挂篮检算.doc_第4页
第4页 / 共55页
xxx特大桥mmm连续箱梁施工挂篮检算.doc_第5页
第5页 / 共55页
xxx特大桥mmm连续箱梁施工挂篮检算.doc_第6页
第6页 / 共55页
xxx特大桥mmm连续箱梁施工挂篮检算.doc_第7页
第7页 / 共55页
xxx特大桥mmm连续箱梁施工挂篮检算.doc_第8页
第8页 / 共55页
xxx特大桥mmm连续箱梁施工挂篮检算.doc_第9页
第9页 / 共55页
xxx特大桥mmm连续箱梁施工挂篮检算.doc_第10页
第10页 / 共55页
亲,该文档总共55页,到这儿已超出免费预览范围,如果喜欢就下载吧!
资源描述

《xxx特大桥mmm连续箱梁施工挂篮检算.doc》由会员分享,可在线阅读,更多相关《xxx特大桥mmm连续箱梁施工挂篮检算.doc(55页珍藏版)》请在第壹文秘上搜索。

1、特大桥60m+100m+60m连续箱梁施工挂篮检算书计算:复核:审核:审批: 2007.12.10 xxxxx特大桥挂篮检算基本资料一、60+100+60m跨径1、0#块长14m,共计13段,最大梁段长4m,最小梁段长2.5m,板顶宽13.4m,底宽6.7m,悬臂3.35m;梁段分段:3.52+2.751+33+3.251+3.54+42;2、顶板厚按40cm考虑;3、底板宽按6.7m考虑;4、腹板厚渐变,按每侧20cm共40cm考虑设调整块,按4m长梁段考虑在内模顶板设三角块,单只挂篮设计1块,端部2.5m梁段渐变20cm,模型现做;5、0块模型按4.5m+6.2m+4.5m三段考虑;6、检

2、算时按12块(4m),8块(3.5m),4块(3.0m),1块(2.5m)分别检算;7、截面梁高按7.85m4.85m综合考虑。二、40+60+40m双线连续梁1、0块长9m,最大梁段长4.25m,最小梁段长3m,板顶宽13.4m,底宽6.7m,悬臂3.35m;梁段分7段:31+3.251+3.51+4.253+41;2、顶板厚按40cm考虑;3、底板宽按6.7m考虑;4、腹板厚渐变,按每侧16cm共32cm考虑设调整块,按4.25m梁段考虑在内模顶板设三角块,单T共4只,单只可调32cm,端部2.9m梁段渐变12cm共24cm,模型现做;5、0块模型按2+2.7+3.7+2.7+2m考虑;6

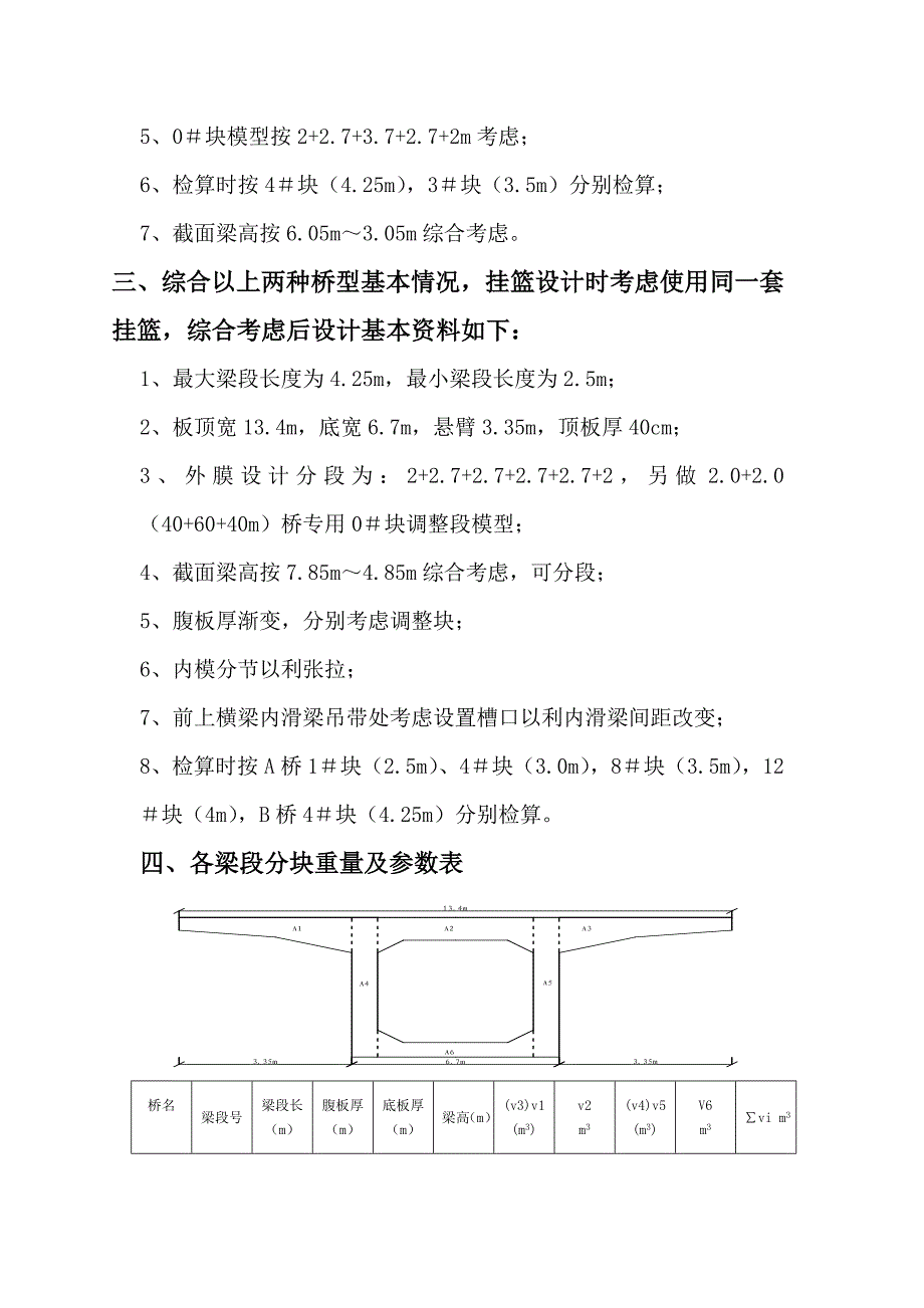
3、、检算时按4块(4.25m),3块(3.5m)分别检算;7、截面梁高按6.05m3.05m综合考虑。三、综合以上两种桥型基本情况,挂篮设计时考虑使用同一套挂篮,综合考虑后设计基本资料如下:1、最大梁段长度为4.25m,最小梁段长度为2.5m;2、板顶宽13.4m,底宽6.7m,悬臂3.35m,顶板厚40cm;3、外膜设计分段为:2+2.7+2.7+2.7+2.7+2,另做2.0+2.0(40+60+40m)桥专用0块调整段模型;4、截面梁高按7.85m4.85m综合考虑,可分段;5、腹板厚渐变,分别考虑调整块;6、内模分节以利张拉;7、前上横梁内滑梁吊带处考虑设置槽口以利内滑梁间距改变;8、检

4、算时按A桥1块(2.5m)、4块(3.0m),8块(3.5m),12块(4m),B桥4块(4.25m)分别检算。四、各梁段分块重量及参数表桥名梁段号梁段长(m)腹板厚(m)底板厚(m)梁高(m)(v3)v1 (m3)v2m3(v4)v5 (m3)V6m3vi m360+100+60m跨径(A桥)1#块2.511.1071.067.1936.8953.285.3817.6113.1860.344#块310.80.9630.9076.3356.0553.936.6916.7714.2762.358#块3.50.80.7350.675.3765.1914.598.0914.7913.1760.011

5、2#块40.60.4740.44.8764.855.249.8811.6710.3354.0440+60+40m跨径(B桥)4#块4.250.80.640.5980.5323.7863.3775.5710.0911.0313.3756.66五、其它荷载1、振捣荷载5KN/M2;2、人群荷载2.55KN/M2;3、模板自重及构件自重根据实际确定;4、荷载冲击系数:1.2;钢结构焊接焊缝系数:1.05;胀模系数:1.1。六、底模纵梁检算: (一)A桥1块底模纵梁检算:单侧腹板下设双纵梁,故单根纵梁受腹板砼力为,底模重暂以3t计,底纵梁自重以0.8t计。计算简图为: 换算至单纵梁受均布力:选取纵梁结

6、构模型如下:纵梁挠度计算:近似认为Mmax处挠度最大,x2.215,(二)A桥2块底模纵梁检算其余荷载及系数选用同前:1、腹板下单根纵梁受均布力: 2、底板下单根纵梁受均布力:选用受力较大的腹板下纵梁进行分析:受力简图如下:(三)A桥8块底模纵梁检算:梁段长3.5m,腹板厚0.8m,底板厚0.7350.670m。1、腹板下单根纵梁受均布力:2、底板下单根纵梁受均布力:选用受力较大的腹板下纵梁进行检算:受力简图如下:(四)A桥12块底模纵梁检算:梁段长4m,腹板厚0.6m。 1、腹板下单根纵梁受均布力: 2、底板下单根纵梁受均布力:选用受力较大的腹板下纵梁进行检算:受力简图如下:(五)B桥4块底

7、模纵梁检算:梁段长4.25m,腹板厚0.80.64m。 1、腹板下单根纵梁受均布力:(偏安全考虑人员及机具荷载时腹板厚统一按0.8考虑)2、底板下单根纵梁受均布力:选用受力较大的腹板下纵梁进行检算:受力简图如下:故,底模纵梁选取结构为第页图,有效长度为5.2m。七、后下横梁检算:1、纵梁自重:0.8t,底模自重3t。2、砼重计算如下:1腹板砼重计算: A桥1块腹板砼产生的荷载(单纵梁):重心位置:腹板底单根纵梁受力简图:腹板砼产生的作用在横梁上的支反力为: A桥4块腹板砼产生的荷载(单纵梁):重心位置:单根纵梁受力简图如下:腹板砼产生的作用在横梁上的支反力为: A桥8块腹板砼产生的荷载(单纵梁

8、):重心位置:单根纵梁受力简图如下: 腹板砼产生的作用在横梁上的支反力为: A桥12块腹板砼产生的荷载(单纵梁):重心位置:单根纵梁受力简图如下:腹板砼产生的作用在横梁上的支反力为:B桥4块腹板砼产生的荷载(单纵梁):重心位置:单根纵梁受力简图如下:腹板砼产生的作用在横梁上的支反力为:2底板砼重计算: A桥1块底板砼产生的荷载(单纵梁):重心位置:单根底板底纵梁受力简图:底板砼产生的作用在横梁上的支反力为: A桥4块底板砼产生的荷载(单纵梁):重心位置:单根底板底纵梁受力简图:底板砼产生的作用在横梁上的支反力为: A桥8块底板砼产生的荷载(单纵梁):重心位置:单根底板底纵梁受力简图:底板砼产生

9、的作用在横梁上的支反力为: A桥12块底板砼产生的荷载(单纵梁):重心位置:单根底板底纵梁受力简图:底板砼产生的作用在横梁上的支反力为:B桥4块底板砼产生的荷载(单纵梁):重心位置:x=2.084m;单根底板纵梁受力简图如下:底板混凝土产生的作用在横梁上的反力为:=5.8t =5.7t综上,腹板混凝土产生的作用在横梁上的反力分别为:A桥1块:RA1 =20.1t,RB1=10.1tA桥4块:RA4 =17.8t,RB4=11.0tA桥8块:RA8 =14.5t,RB8=10.9tA桥12块:RA12 =10.4t,RB12=9.6tB桥4块 :=9.5t,=9.45t底板混凝土产生的作用在横梁

10、上的反力分别为:A桥1块:=7.52t,=3.78tA桥4块:=7.6t,=4.7tA桥8块:=6.5t,=4.8tA桥12块:=4.7t,=4.2tB桥4块:=5.8t,=5.7t故检算后下横梁混凝土浇筑时强度使用较大的A桥1块及A桥4块数据进行检算即:RA1=20.1t、=7.52t和RA4=17.8t、=7.6t检算前下横梁混凝土浇筑时强度时进行选用RB4=11t、=4.7t和RB8=10.9t、=4.8t及=9.45t、=5.7t分别检算。(二)、后下横梁空载时的检算 空载时,纵梁自重及低模自重产生得到作用在横梁的支反力为:腹板底纵梁:RA=RB=+=0.66t底板底纵梁:RA=RB=

11、+=0.7t后下横梁长9.8m,重暂以1.4t计,自重产生的均布力q=0.143t/m空载时后下横梁受力简图及横梁布置图如下:支座反力计算如下:RA=RB=(0.664+0.74+0.1439.38)2=3.4t计算跨中最大弯矩:Mmax=3.49.38/2-0.66(9.38/2-1.57)-0.66(9.38/2-1.57-0.52)-0.7(1.04+1.04/2)-0.71.04/2-0.1439.38/29.38/4=9.14t.m截面型式选择:36a=11874.1cm4I=I36a+I板2=(11874.1+2813/12+12818.52)2=42918.9cm4W=I/b=4

12、2918.9/19=2258.9cm3=40.5MPaw=145MPa满足要求计算跨中挠度(根据叠加原理):公式:当ab时,跨中挠度fc=跨中挠度:fc=根据叠加原理得: =+ =+2+2+2=0.0093m=9.3mm=23.5mm满足要求。(三)、灌注砼时后下横梁检算:1、A桥1#块灌注砼时后下横梁检算:、荷载组合:灌注砼时,人群机具振捣荷载产生的作用在横梁上的压力为:腹板下:RA=RB=(0.5+0.25)12.522=0.47t底板下:RA=RB=(0.5+0.25)(6.7-2)2.542=1.1t后下横梁自重q=0.143t/m。、灌注砼时后下横梁受力简图如下:支座反力:R1=R2

13、=(21.234+9.324+0.1439.8)2=61.8t计算各力产生的弯矩,并绘制弯矩图:A、H点:MA=MH=-0.1431.78(1.782)=-0.227tmB、G点:MB=MG=-0.143(1.78+0.52)22-21.230.52=-11.418tmR1、R2点:MR1=MR2=-0.143(1.78+0.52+0.45)22-21.23(0.52+0.45)-21.230.45=30.687 tmC、F点:MC=MF=-0.143(1.78+0.52+1.04)22-21.23(0.52+1.04)+21.231.04+61.80.59=-19.534 tmD、E点:MD=ME=-0.143(1.78+0.52+1.042)22-21.23(0.52+1.042)-21.231.04+61.8(0.59+1.04)-9.321.04=12.392 tm则Mmax=MR1=MR2=-30.687 tm满足要求计算跨中及悬臂端挠度:根据虚功原理,分别取虚拟力P=1加于跨中及悬臂端,得到相应的弯矩图如下:得到:S1=-3.0277,S2=-9.4736,S3=-14.8152,S4=-6.215,S5=2.5012,S6=6.4438=-0.3008, =-0.6829, =-0.7

展开阅读全文
相关资源
猜你喜欢
相关搜索

当前位置:首页 > 建筑/环境 > 公路与桥梁

copyright@ 2008-2023 1wenmi网站版权所有

经营许可证编号:宁ICP备2022001189号-1

本站为文档C2C交易模式,即用户上传的文档直接被用户下载,本站只是中间服务平台,本站所有文档下载所得的收益归上传人(含作者)所有。第壹文秘仅提供信息存储空间,仅对用户上传内容的表现方式做保护处理,对上载内容本身不做任何修改或编辑。若文档所含内容侵犯了您的版权或隐私,请立即通知第壹文秘网,我们立即给予删除!